Блочно-комплектная компрессорная станция газлифта нефти

  • Вид работы:
    Практическое задание
  • Предмет:
    Другое
  • Язык:
    Русский
    ,
    Формат файла:
    MS Word
    1,25 Mb
  • Опубликовано:
    2011-12-01
Вы можете узнать стоимость помощи в написании студенческой работы.
Помощь в написании работы, которую точно примут!

Блочно-комплектная компрессорная станция газлифта нефти

Министерство науки и образования, молодежи и спорта Украины

Сумский государственный университет

Кафедра технической теплофизики








Лабораторная работа

«Блочно-комплектная компрессорная станция газлифта нефти»

по курсу «Компрессорные станции»

 

 

 

 

Выполнил Ситало В.С.

Группа К-71

Проверил Ванеев С.М.





Сумы 2011

Содержание

1. Цель и задачи работы

. Основные параметры и состав станции

. Системы БККС газлифта нефти

Литература


1. ЦЕЛЬ И ЗАДАЧИ РАБОТЫ

Целью работы является изучение состава и основных систем блочно-комплектной компрессорной станции (БККС) газлифта нефти.

Задачи работы:

- изучить состав и работу оборудования станции;

- изучить и проанализировать параметры технологических контуров установки компрессорной для транспорта газа (УКТГ) и установки компрессорной для газлифтной добычи нефти (УКГН);

- изучить конструкцию и особенности компрессоров, применяемых на станции;

- изучить основные и вспомогательные системы КС.

2. ОСНОВНЫЕ ПАРАМЕТРЫ И СОСТАВ СТАНЦИИ

Рассмотрим состав и основные системы одной из газлифтных станций - Анастасьевской ГЛКС (КС-2,4-ЦГТП/0,4-12) (далее КС) [3].

Эта станция создана, на основе блочно-комплектных компрессорных установок (БККУ) в блочно-контейнерном исполнении с центробежными компрессорами, имеющими газотурбинный привод авиационного типа Д-336-1 мощностью 6,3 МВт. В состав КС входят два компрессорных цеха. В каждом цехе по 3 компрессорных установки (КУ), имеющие линейную компоновку и общую систему осушки.

КС состоит из следующих систем:

1) системы компримирования газа, в которую входят:

установка компрессорная транспорта газа;

установка компрессорная газлифтной добычи нефти (УКГН);

2) системы осушки газа и регенерации гликоля;

3) системы факельной;

4) системы импульсного воздуха и воздуха для автоматизированной системы управления (АСУ);

5) системы маслоснабжения;

6) системы вентиляции;

7) системы продувки инертным газом;

8) системы пускового и топливного газа;

9) системы теплоснабжения;

10) системы энергоснабжения;

11) автоматизированной системы управления технологическими процессами.

Основные технические параметры КС:

- давление газа на входе УКТГ, МПа 0,39-0,44

- температура газа на входе УКТГ, К 278-303

- давление газа на выходе УКТГ, МПа 2,55

- производительность, отнесенная к 293 К

и 0,1013 МПа, млн ст.м3/сут. 2,4-3,2

- давление газа на входе УКГН, МПа 2,35-2,66

- температура газа на входе УКГН, К 278-313

- давление газа на выходе УКГН, МПа 11,77

- производительность, отнесенная к 293К

и 0,1013 МПа, млн ст.м3/сут. 1,6-2,4

- точка росы газа по воде при давлении

,77 МПа не выше 268

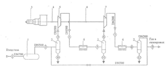
Технологические схемы УКТГ и УКГН показаны соответственно на рис. 1 и 2.

Рисунок 1 - Схема принципиальная УКТГ:

1 - сепаратор входной; 2- сепаратор тонкой очистки С1...С3; 3 - ГТП Д-336-1; 4- муфта соединительная; 5 - корпус низкого давления ЦК; 6 - ABOl, AB02; 7 - корпус высокого давления ЦК

Рисунок 2 - Схема принципиальная УКГН:

1 - сепаратор входной; 2- сепаратор тонкой очистки С1 ...СЗ; 3 - ГТП Д-336-1; 4- муфта соединительная; 5 - мультипликатор; 6 - секция низкого давления ЦК; 7 - ABOl, AB02; 8 - секция высокого давления ЦК

Параметры технологического контура УКТГ и УКГН приведены соответственно в таблицах 1 и 2.

Компоновочная схема и состав оборудования КС представлены на рис.3.

Таблица I - Параметры технологического контура УКТГ

Параметр

Точка контура


I

2

4

5

6

7

8

9

Производительность, млн ст. м3/сут,

1,2

1,2

1,2

1,2

1,2

1,2

1,2

1,2

1,2

Молекулярная масса, кг/кмоль

21,3

21,3

21,3

21,3

21,3

21 3

21,3

21,3

21,3

Температура, К

283

283

283

384

313

313

408,5

303

302

Давление, МПа

039

0,39

0,34

1,13

0,93

0,93

2,55

2,45

2,45

Плотность, кг/м3

3,6

3,6

3,1

7,62

7,8

7,8

16,3

22,2

22,2

Плотность при ст. у., кг/м3

0,885

0,885

0,885

0,885

0,885

0,885

0,885

0,885

0,885

Динамическая вязкость, Па·сх106

10

10

10

11

11

14

11,5

11,5

Влагосодержание, г/м3

2,5

2,5

2,9

102,7

6,4

6,4

97

1,5

1,5

Температура гидратообразования, К

270

270

269,7

277,7

 276

276

284

283

283


Таблица 2 - Параметры технологического контура УКГН

Параметр

Точка контура


1

2

3

4

5

6

7

8

9

Производительность, млн ст. м 3 /сут.

1,2

1,2

1,2

1,2

1,2

1,2

1,2

1,2

1,2

Молекулярная масса, кг/кмоль

21,3

21,3

21,3

21,3

21,3

21,3

21,3

21,3

21,3

Температура, К

303

303

303

373,3

313

313

402

313

313

Давление, МПа

2,45

2,45

5,05

4,9

4,9

11,91

11,77

11,77

Плотность, кг/м

22,2

22,2

21,3

36,9

45,6

45,6

82

127

127

Плотность при ст. у., кг/м

0,885

0,885

0,885

0,885

0,885

0,885

0,885

0,885

0,885

Динамическая вязкость, Па·сх 106

11,5

11,5

11,5

14

12,7

12,7

17

16,8

16,8

Влагосодержание, г/м

1,5

1,5

1,56

17,2

1,42

1,42

20,7

1,56

1,56

Температура гидратообразования, К

283

283

282,8

289,6

288,6

288,6

293,7

293

293

компрессорный нефть газ транспорт


3. СИСТЕМЫ БККС ГАЗЛИФТА НЕФТИ

Рассмотрим системы БККС газлифта нефти. Можно выделить основные и вспомогательные системы. Основными системами являются система компримирования и система осушки-газа. К вспомогательным системам относятся: факельная система; система импульсного воздуха и воздуха для автоматизированной системы управления (АСУ); система маслоснабжения; система вентиляции; система продувки инертным газом; система пускового и топливного газа; система теплоснабжения; система энергоснабжения; автоматизированная система управления технологическими процессами.

Система компримирования газа предназначена для подготовки газа (очистки от капельной жидкости и механических примесей), сжатия, охлаждения газа и подачи его в систему транспорта газа и в систему газлифтной добычи нефти. Система компримирования газа состоит из двух установок: УКТГ и УКГН.

В состав УКТГ и УКГН входят по три параллельно включенные БККУ (две рабочие, одна резервная) (рис. 3), которые созданы на основе турбокомпрессорных агрегатов (ТКА) низкого (поз. 7) и высокого (поз. 8) давления. На входе КС установлен сепаратор С1 (поз. 18), предназначенный для улавливания залповых забросов жидкости и предварительной очистки газа от механических примесей и капельной жидкости, а также узлы хозрасчетного замера расхода газа (один рабочий, один резервный). Поддержание давления газа на входе КС в заданном диапазоне обеспечивает установленный перед сепаратором С1 кран - регулятор давления «после себя».

Компрессорные установки УКТГ и УКГН идентичны по составу оборудования и включают:

- блоки сепараторов тонкой очистки - входной (поз. 1), промежуточный (поз. 2, 3) и концевой (поз.4);

- ТКА (поз.7 или поз. 8);

- аппараты воздушного охлаждения (АВО) промежуточные (поз.5) и концевые (поз. 6);

трубопроводная обвязка с запорной, регулирующей и предохранительной арматурой.

Блоки сепараторов тонкой очистки имеют однотипную конструкцию, включающую в себя контейнер с системой обогрева ш вентиляции, сепаратор, трубопроводную обвязку с запорной и регулирующей арматурой, контрольно-измерительные приборы и автоматику (КИП и А). Принцип работы сепараторов основан на отделении капельной жидкости центробежными силами во вращающемся потоке газа. С целью избежания жидкостных пробок и скопления в них конденсата промежуточный и концевой сепараторы установлены на технологической эстакаде непосредственно возле АВО. Слив жидкости из кубовой части производится автоматически по сигналам от датчиков уровня.

Турбокомпрессорный агрегат является базовой сборочной единицей УКТГ и УКГН (рис. 3, поз. 7, 8) и включает в себя:

- турбоблок, в контейнере которого на фундаментной раме размещены ЦК и ГТП Д-ЗЗб-1;

шумоглушитель на всасывании;

- камеру всасывания;

- блок систему обеспечения с маслоагрегатами и установкой автоматического пожаротушения;

- блоки маслоохладителей двигателя и компрессора;

блок автоматики;

- блок вентиляции;

- устройство выхлопное двигателя с установкой утилизации тепла мощностью 3,5 МВт.

Компрессор УКТГ выполнен в двухкорпусном исполне-нии с отношением давлений πк=6,7. Первый корпус компрессора - ГЦ1-285/3,5-10,7 (рис. 4а) - выполнен с горизонтальным разъемом и обеспечивает компримирование газа до давления 1,13 МПа. Второй корпус компрессора - ГЦ1-105/10-26 (рис. 46) типа «баррель» - выполнен с вертикальным разъемом и обеспечивает конечное давление газа 2,5 МПа.


Аппараты воздушного охлаждения (промежуточные и концевые) служат для охлаждения сжатого газа за секциями или корпусами компрессора и установлены на технологической эстакаде (рис. 3, поз. 5, 6). Регулирование температуры газа после АВО производится АСУ компрессорных установок путем включения-отключения вентиляторов. В холодное время года прикрытием боковых и верхних жалюзи обеспечивается рециркуляция подогретого в межтрубном пространстве воздуха с целью исключения гидратообразования в трубном пучке.

После УКТГ через узлы хозрасчетного замера расхода часть газа поступает на вход УКГН, а часть подается на газоперерабатывающий завод (ГПЗ). При неработающей УКГН весь газ подается на ГПЗ.

На входе УКГН установлен сепаратор входной (рис. 3, поз. 19) объемом 35 м, назначение и принцип действия которого аналогичен сепаратору С1 (поз. 18) на входе в КС, а также узлы хозрасчетного замера расхода газа.

 Основой ТКА компрессорных установок УКГН являются центробежный компрессор ГЦ2-22/24-121 (рис. 5), мультипликатор и газотурбинный привод Д-336-1, размещенные в турбобло-ке на единой фундаментной раме. Компрессор ГЦ2-22/24-121 выполнен двухсекционным в однокорпусиом исполнении с отношением давлений πк=5,2. Корпус компрессора выполнен с вертикальным разъемом типа "баррель". Первая секция имеет четыре ступени сжатия и обеспечивает давление газа 4,8-5,2 МПа. Вторая секция имеет три ступени сжатия и обеспечивает конечное давление газа ≈12,0 МПа. Конструктивное решение ротора с размещением рабочих колес "спина к спине" позволяет компенсировать осевые силы, вызываемые большим перепадом давления газа. При этом осевое усилие, воздействующее на упорный подшипник, на рабочих режимах не превышает 5000 И. Мультипликатор имеет передаточное отношение і=2,054 и совместно с двигателем обеспечивает вращение ротора компрессора в диапазоне рабочих частот 16000-17300 мин-1.

 Входящие в состав компрессорных установок УКГН блоки входного, промежуточного и концевого сепараторов, АВО промежуточные и концевые имеют конструкцию аналогичную соответствующим блокам компрессорных установок УКТГ, но по прочности рассчитаны на более высокое рабочее давление.

Система осушки газа и регенерации гликоля, установленная после УКГН (рис. 3, поз. 23), предназначена для осушки газа перед подачей потребителю в газлифтный газопровод с целью предотвращения процесса гидратообразования, а также для регенерации осушителя - диэтиленгликоля (ДЭГ). В состав системы входят: абсорбер и блок регенерации; блок насосов гликоля, блок разделительных емкостей с АВО парогазовой смеси, теплообменник охлаждения регенерированного ДЭГа, емкость чистого ДЭГа, емкость дренажная ДЭГа, система трубопроводов с арматурой и предохранительными устройствами, приборы автоматики и контроля.

Процесс осушки газа осуществляется в противоточном абсорбере. Абсорбер представляет собой аппарат колонного типа диаметром 1,4 м, высотой 19,6 м, оборудованный четырнадцатью массообменными тарелками колпачкового типа. На верхнюю массообменную тарелку подается высококонцентрированный ДЭГ, стекающий навстречу потоку газа и образующий на каждой тарелке рабочий уровень. При этом водяной пар, находящийся в газе, поглощается ДЭГом, насыщая его. Осушенный до точки росы не выше 268 К газ через слой мелкой сетки, расположенной в верхней части абсорбера, и далее через узлы хозрасчетного замера расхода газа (один рабочий, другой резервный), установленные на выходе УКГН, подается в газлифтный газопровод. Восстановление поглотительных свойств ДЭГа производится в блоке регенерации за счет его нагрева до температуры 423-433 К продуктами сгорания топливного газа.

Вспомогательные системы КС. Для обеспечения автономного и надежного функционирования систем компримирования и осушки газа, а также безопасной эксплуатации станции предусмотрен ряд вспомогательных систем.

Факельная система служит для сжигания углеводородных газов при аварийных и периодических сбросах газа из трубопроводов и оборудования станции. Состав основного оборудования системы представлен на рис. 3 (поз. 25-27).

Система импульсного газа и воздуха КИП и А предназначена для обеспечения питанием приводов запорной арматуры давлением 3,0 МПа и обеспечения питанием приводов регулирующих клапанов давлением 0,6 МПа. Состав основного оборудования системы представлен на рис. 3 (поз. 24).

Система маслоснабжения служит для приема, хранения, очистки и подачи масла к маслобакам ТКА. Состав основного оборудования маслосистемы представлен на рис. 3 (поз. 11-15).

Система вентиляции КС обеспечивает небольшое избыточное давление воздуха (подпор) в отсеках и блоках с электрооборудованием без специальной защиты, что исключает попадание в них газа. Производительность вентиляторов системы (поз. 9 на рис. 3) обеспечивает пятикратный обмен воздухом надуваемых отсеков и блоков, что гарантирует их безопасную эксплуатацию.

Система продувки инертным газом предусмотрена с целью избежания образования взрывоопасной смеси газ-воздух для безопасной эксплуатации и обслуживания газопроводов и технологического оборудования на КС. В состав системы входят две емкости хранения азота объемом по 80 м3, давлением 1,6 МПа и трубопроводы с запорной арматурой (рис. 3, поз. 24).

Система пускового и топливного газа предназначена для подготовки, очистки, редуцирования и подогрева топливного и пускового газа, подаваемых на вход газотурбинных двигателей ТКА (рис. 3, поз. 16,17).

Система энергоснабжения обеспечивает подачу электроэнергии напряжением 380/220 В, частотой 50 Гц, суммарной мощностью 2000 кВт и стабилизированным напряжением 27, 60, 220 В от аккумуляторных батарей, работающих в буферном режиме с основным источником питания. На станции имеется система резервного энергоснабжения от передвижной дизельной электростанции мощностью не менее 630 кВт.

Система теплоснабжения предусмотрена для обогрева технологических блоков, оборудования, бытовых помещений и операторной. В качестве основных источников тепла для подогрева теплоносителя используются утилизаторы тепла выхлопных газов газотурбинных двигателей мощностью 3,5 МВт, расположенные в выхлопных шахтах ТКА. При неработающих ТКА обогрев станции производится от котельной.

Автоматизированная система управления технологическими процессами и оборудованием КС обеспечивает автоматический пуск компрессорных установок станции, нормальные и аварийные остановы оборудования, а также ее длительную работу без постоянного присутствия обслуживающего персонала.

АСУ БККС разработана на базе микропроцессорных субкомплексов контроля и управления (МСКУ-М) и предназначена для управления технологическим процессом и контроля параметров всего оборудования при пуске, продолжительной работе и остановах. Технические и программные средства АСУ обеспечивают:

- непрерывный режим функционирования АСУ с периодическими осмотрами и регламентными работами в период остановок, ремонта или регламентных работ технологического оборудования;

- автоматический пуск КУ и КС, «холодную» прокрутку двигателя, аварийный и нормальный останов КУ и КС как по сигналам защит, так и по команде оператора;

- циклический контроль технологических параметров, измерение и фиксацию событий по предупредительным и аварийным уставкам с интервалом не более 1с;

- вычисление по алгоритмам косвенных параметров;

- представление на экране ПЭВМ мнемосхем технологического объекта с указанием значений измеряемых параметров и положения исполнительных механизмов;

- автоматическое обнаружение, отображение и звуковую сигнализацию отклонений технологических параметров от заданных пределов;

- запоминание сигналов и их мгновенных значений, вызвавших аварийный останов, а также значения основных технологических параметров агрегата, положения исполнительных механизмов при срабатывании защиты с возможностью ретроспективного анализа состояния КС за последние 600с до начала и 300с после аварии;

- непрерывный контроль выполнения команд управления и контроль исправности измерительных цепей датчиков давления, перепада давления, температуры, уровня, цепей управления исполнительными механизмами, обеспечивающими аварийный останов агрегата;

- контроль метрологических характеристик измерительных каналов с помощью стандартных средств измерения;

- периодический контроль работоспособности технических средств с выдачей сообщения на пульт оператора;

- автоматическое поддержание заданных режимов работы КС и КУ;

- дистанционное и ручное управление вспомогательными механизмами при работающем и неработающем оборудовании КС;

- автоматическое обнаружение пожара и управление исполнительными элементами системы пожаротушения;

- автоматический перезапуск с интервалом Зс вспомогательных механизмов после кратковременного (от 1 до 3 с) пропадания электропитания элеюроприводных механизмов КУ и КС;

- автоматический аварийный останов агрегата при исчезновении более чем на 60с напряжения переменного тока 220V, 50 Hz.

Структурная схема и состав оборудования АСУ показаны на рис.6.

Рисунок 6 - Структурная схема АСУ газлифтной станции

(ГЛКС): КС - 2,4 - ЦГГП/0,4-12:

РМОТ УКТГ - рабочее место оператора-технолога компрессорной установки транспорта газа; ПЭВМ 101...302 - персональные ЭВМ на отдельных КУ; РМОТ ГЛКС - рабочее место оператора-технолога компрессорной станции; РМОТ УКГН - рабочее место оператора-технолога компрессорной установки газлифта нефти; МАПС - магистральная асинхронная периферийная сеть; КЛСР - контроллер локальной сети резервный; МСКУ - микропроцессорная система контроля и управления; САУД - система автоматизированного управления двигателем типа Д-336

СПИСОК ЛИТЕРАТУРЫ

1. Шайхутдинов А.З. Состояние и перспективные направления развития и применения техники и технологий компримирования газа// Компрессорная техника и пневматика.- 2005. №8. С. 18-21.

2. Апанасенко А.И., Крившич Н.Г., Федоренко Н.Д. Монтаж, испытания и эксплуатация агрегатов в блочно-контейнерном ис-полнении.-Л.: Недра, 1991.- 361с.

3. Бухолдин Ю.С. Исследование режимов работы компрессорных установок с многокорпусным центробежным компрессором и газотурбинным приводом для нефтяной промышленности: Дис.канд. техн. наук: 05.05.15. - Сумы, 2001.- 258 с.

Похожие работы на - Блочно-комплектная компрессорная станция газлифта нефти

 

Не нашли материал для своей работы?
Поможем написать уникальную работу
Без плагиата!
Без нейросетей!