Проектирование гидропривода цикловой автоматики

  • Вид работы:
    Дипломная (ВКР)
  • Предмет:
    Другое
  • Язык:
    Русский
    ,
    Формат файла:
    MS Word
    311,37 kb
  • Опубликовано:
    2011-05-13
Вы можете узнать стоимость помощи в написании студенческой работы.
Помощь в написании работы, которую точно примут!

Проектирование гидропривода цикловой автоматики

Министерство образования и науки

Государственное образовательное учреждение высшего профессионального образования

"Санкт-Петербургский государственный политехнический университет"

Механико-машиностроительный факультет

Кафедра "ГАК"





Пояснительная записка

к курсовому проекту

ПРОЕКТИРОВАНИЕ ГИДРОПРИВОДА ЦИКЛОВОЙ АВТОМАТИКИ


Выполнил: студент Малыхин Г.Е.

Руководитель: Романов П.И.






СПбГПУ, 2010

Содержание

Введение

. Задание

. Силовой расчет

. Кинематический расчет

. Разработка гидравлической схемы

. Расчет потерь гидропривода

.1. Рабочий ход

.2. Обратный ход

. Определение КПД и мощности холостого хода

Выводы

Литература

Введение

В данном курсовом проекте необходимо спроектировать гидропривод фрезерного станка. Проектируемый гидропривод включает в себя насосную установку, гидроцилиндр, трубопроводы, соединяющих их, и гидропанель, на которой размещены распределители, дроссели и регуляторы расхода.

По мере выполнения курсовой работы ставятся следующие задачи:

силовой расчет с целью выбора гидроцилиндра;

кинематический расчет для определения расхода на типовых режимах работы и выбора насосной установки;

разработка гидравлической схемы привода, подбор оборудования, обеспечивающего ее работу;

проектирование гидропанели (необходимо предоставить сборочный чертеж и спецификацию);

расчет потерь гидропривода для типовых режимов работы, а так же расчет КПД и мощности на холостом ходу.

1. Задание

Разработать гидропривод фрезерного станка по следующим данным:

Станок: фрезерный.

Максимальная скорость рабочего хода: 900 мм/мин.

Минимальная скорость холостого хода: 3,5 м/мин.

Усилие на рабочем органе: 5 кН.

Полное перемещение: 250 мм.

Длина рабочего хода: 180 мм.

Масса рабочего органа: 330 кг.

Способ регулирования: на выходе.

Тип регулирования: дроссельное.

Циклограмма работы гидропривода (рисунок 1): ИП, БВ, РП1, РП2, В, ОХ, Т.

Рис. 1 Циклограмма работы гидропривода

2. Силовой расчет

Данный расчет производится на основе статического равновесия силового исполнительного органа, т.е. гидроцилиндра. Рассмотрим гидравлический силовой орган для поступательного движения, схема которого изображена на рис. 2:

Рис.2 Расчетная схема гидропривода

На рис.2 изображены следующие элементы:

- гидроцилиндр, 2 - поршень, 3 - шток, 4 - рабочий орган, 5 - направляющие.

Рабочая жидкость (расход Q, давление р) подается в левую полость цилиндра 1, что вызывает перемещение поршня 2 с рабочим органом 4 со скоростью V, преодолевая нагрузку R.

Таким образом, условие статического равновесия системы [1, c.4]:

pПРF’=R+RП+RШ+RН ±mg ,                              (2.1)

где р - давление в рабочей полости цилиндра; рПР - давление в сливной полости цилиндра; F и F' - эффективные площади двух сторон поршня.

,                                           (2.2)

где dш - диаметр штока, R - полезная нагрузка (чистое сопротивление); RП - сила трения поршня; RШ - сила трения штока; RН - сила трения в направляющих, Mg - вес рабочего органа, в данном случае он направлен вниз, следовательно берем его со знаком «минус».

Уравнение (2.1) является статически неопределимым, т.к. для определения сил сопротивления (R, RШ) нужно знать параметры цилиндра (F), а для определения (выбора) цилиндра нужно знать силы сопротивления. Поэтому предварительный расчет ведется, исходя из расчетной силы сопротивления Rрасч, в зависимости от типа станка [1, c. 5]:

РАСЧ =(1,25…1,5R).                                (2.3)

Рассчитаем силу сопротивления, согласно формуле (2.3):

Исходя из (2.3), уранение равновесия имеет следующий вид:

=RРАСЧ ,                                             (2.4)

Из уравнения (2.4) находим параметры цилиндра F=RРАСЧ/p, подставив соответствующие значения, получим [1, c. 5]:

Исходя из найденного диаметра поршня D= 51,4 мм и длины рабого хода, выберем стандартный гидроцилиндр с ближайшими к заданным значениями. Гидроцилиндр по ОСТ2 Г29-1-77 удовлетворяет требованиям и обладает следующими характеристиками [2]:

Номинальное давление: 10 МПа.

Диаметр поршня: 63 мм.

Диаметр штока: 32 мм.

Длина рабочего хода: 250 мм.

Найдем эффективные площади двух сторон поршня, по формуле (2.2):


После выбора гидроцилиндра возвращаемся к уравнению статического равновесия и рассчитываем давление в нагнетательной полости цилиндра при рабочем и холостом ходе без учета гидравлических потерь [1, c. 6].

Давление при рабочем ходе:

рР=(R+RП+RШ+RН + Mg )/F,                                 (2.5)

Давление при холостом ходе:

рХ=(RП+RШ+RН’- Mg )/F ,                                (2.6)

Рассчитаем давление при рабочем ходе по формуле (2.5). Для этого найдем силу трения в направляющих:

RH=0,35∙R=0,35∙5000=1750 H,

RH’=M∙g∙=3300∙0,11=363 Н.

Так как в гидроцилиндре используются манжеты воротниковые, то формула для  расчета потерь на трение в уплотненях цилиндров будет следующая [1, c. 24]:

где D - диаметр уплотняемой поверхности (мм);

L - ширина рабочей части манжеты (мм); p - давление масла (МПа);

pk - контактное давление при монтаже манжеты (pk = 2…5 МПа).

Давление масла  на рабочем ходе, на холостом ходе: , контактное давление.

Таким образом, получим значение силы трения в поршне:


Рассчитаем силу трения в штоке, так как используется регулирование

на выходе, то, следовательно, давление

.

В итоге получаем давление на рабочем ходе:

Давление на холостом ходе:


3. Кинематический расчет

Данный расчет заключается в определении расходов, необходимых для обеспечения заданных рабочих и холостых ходов рабочих органов и последующим выборе стандартных насосных станций с одним или несколькими насосами. Максимальный расход определяется по формуле [1, c.7]:

Qp max =F·Vp max ,     (3.1)

где Vp max - максимальная скорость перемещения рабочего органа.

Подставив соответсвующие значения в формулу (3.1), получим:

Qp max =.

Рассчитаем потребный расход для холостого хода [1, c.7]:

Qх =F·Vх ; (3.2)

Qх’=F’·Vх ,(3.3)

где Vx - скорость холостого хода. Следовательно,

Qх =; Qх’=.

Эффективность работы гидропривода зависит от коэффициента использования расхода при рабочем ходе [1, c.7]:

К= Qx/ Qp max=10,8/2,8=3,86.

При K>3 выбираем гидростанцию с двумя насосами, что позволяет существенно повысить к.п.д. привода. Выберем гидростанцию с двумя насосами Г48-2 по ТУ2-053-1806-86 [2,с.380] т.к. она комплектуется двухпоточным насосом, однако на этой насосной станции необходимо поменять насос. Выбираем насос типа 3БГ12-42 с параметрами подачи со стороны вала 3,3 л/мин, со стороны крышки 10,4 л/мин.

Выбор насоса и цилиндра проверяется расчетом погрешности фактической скорости Vx, относительно заданной, которая не должна превышать 10% [1,с.8].

     (3.4)

.

Погрешность не превышает 10%, следовательно, насос является подходящим. Схема насосной установки изображена на рис. 3.

Рис. 3 Насосная установка Г48-2

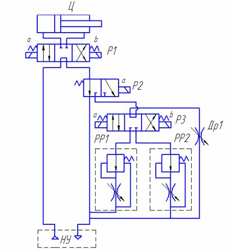
4. Разработка гидравлической схемы

На основе циклограммы, указанной в индивидуальном задании, разработаем гидравлическую схему. На схеме (рис. 4) гидрораспределитель Р1 переключает движение рабочего органа РО на прямое (положенеие «а»), обратное (положение «б») и выстой (выключен). Так как регулирование происходит на выходе, распределитель Р2, направляющий поток к распределителю Р3, регуляторам расхода РР1, РР2, необходимо разместить на сливной магистрали.

Рис. 4 Гидравлическая схема

Режимы работы распределителей представлены в таблице 1.

Таблица 1. Схема включения электромагнитов

Распределитель

БВ

РП1

РП2

В

ОХ

Т

Р1

a

a

a

-

b

a

Р2

-

a

a


-

a

Р3

b



-


По разработанной схеме, согласно рассчитанным величинам расхода и давления, подбирается следующая аппаратура:

-       два трехпозиционных распределителя ВЕ 10 64б / В220-50 Д ГОСТ 24679-81

на схеме: Р1 и Р2;

-       двухпозиционный распределитель ВЕ 10 573 / В220-50 Д ГОСТ 24679-81 (реализуем на базе ВЕ 10 64)

на схеме: Р3;

Расшифровка обозначения гидрораспределителей:

В - гидрораспределитель золотниковый;

- диаметр условного прохода 10 мм;

Е - вид управления - электромагнитное;

исполнение по схеме - № 64б - для трехпозиционного распределителя,

№ 573 -   для двухпозиционного.

В - переменный ток, 220В, 50Гц;

Д - электрическое присоединение электромагнита сверху.

Технические характеристики:

Расход масла, л/мин: номинальный 22; максимальный 33;

Давление, МПа: номинальное 32;

-       два регулятора расхода МПГ55-2 ГОСТ 21352 - 75,

на схеме: РР1 и РР2;

М - международные присоединительные размеры;

П - стыковое присоединение;

Г55-2 - обозначение по классификатору станкостроения;

- исполнение по диаметру условного прохода 2 (Dy = 10мм).

Номинальное давление 20 МПа.

Расход масла, л/мин: максимальный 25;   

-       дроссель ПГ77 - 12 ТУ27-20-2205 - 78,

на схеме: Др1;

П - стыковое присоединение;

Г77 - обозначение по классификатору станкостроения;у, мм: 10 - диаметр условного прохода;

Расход масла, л/мин: 0,06 - 20.

5. Расчет потерь гидропривода

Расчет потерь необходим для настройки предохранительных клапанов рабочего и холостого хода. На рабочем ходу расчет ведется для максимальной рабочей скорости 0,015 м/с (2,8 л/мин). Рассчитывается отдельно нагнетательная и сливная ветви гидропривода - определяются потери давления pн и pс соответственно. Формулы для расчета представлены ниже [1,с.22]:

 (5.1)

 (5.2)

где pн l, pс l - потери по длине;    pн м, pс м - потери в местных сопротивлениях;    pн а , pс а - потери в аппаратах;

pок - потери на подпорном клапане.

.1 Рабочий ход

Расчетная схема для рабочего хода приведена на рис. 5:

Рис. 5 Расчетная схема привода для рабочего хода

1) Рассмотрим нагнетательную ветвь. Величина потерь по длине pн1 определяются максимальным расходом рабочего хода Qpmax=2,8 л/мин и общей длиной нагнетательной магистрали:

(5.1.1)

где l0=800 мм - длина трубопровода от гидростанции; l1 = 37 мм; l2=30 мм;

l3 = 45 мм; l4 = 47 мм - длины каналов в гидропанели; lр=200 мм - длина трубопровода от гидропанели до гидроцилиндра.


Определим характер течения в трубопроводе [1,с.25]:

Re =    (5.1.2)

где v=30 сСт - кинематическая вязкость масла ИГП-30 ТУ 38.101413-97 при температуре 20°С [2];  Q=2,8 л/мин - расход; d=10 мм - диаметр отверстия.

Подставив в формулу соответствующие значения, получим:

Re =   т.к. Re<2000 [1,с.25], то движение жидкости в трубопроводе является ламинарным.

При ламинарном течении потери по длине определяются по формуле [1, c. 25]:

,(5.1.3) где lн=1,084 м - длина трубопровода.


Потери в местных сопротивлениях определяются по суммарному коэффициенту  местных сопротивлений [1, c. 25]:

(5.1.4) где  - коэффициент сопротивления.

В таблице 2 приведены значения коэффициента местных сопротивлений для некоторых элементов и потоков [1, c. 26].

Таблица 2. Значения коэффициента местных сопротивлений для некоторых элементов и потоков

Учитывая, соответствующие значения коэффициентов сопротивления, получим:

 

Потери в аппаратах на напорной ветви включают только потери в распределителе Р1. Потери определяются квадратичной интерполяцией [1, c.23]:

(5.1.5)

где Q=33 л/мин - номинальный расход на распределителе;  p=0,2 МПа - потери при номинальном расходе;  Qрmax=2,8 л/мин - значение расхода на рабочем ходу.


Окончательно, потери на напорной ветви


) Рассмотрим сливную ветвь.

Расход в сливной магистрали расход определяется по формуле [1,c. 23]:

(5.1.6)



Общая длина сливной магистрали:

(5.1.

) где l5= 47 мм; l6= 45 мм; l7= 30 мм; l8= 157 мм; l9= 102 мм; l10= 158 мм; l11= 30 мм; l12= 45 мм; l13= 112 мм; l14= 45 мм; l15= 30 мм; l16= 160 мм; l17= 30 мм; l18= 45 мм; l19= 97 мм; l20= 185 мм - длины каналов.

Подставив соответствующие значения, получим:


Потери по длине по формуле (5.1.3):


Коэффициент сопротивления на сливной ветви:


Местные потери определим по формуле (5.1.4):


Потери в аппаратах складываются из потерь на трех распределителях и регуляторе расхода. При номинальном расходе Q=33 л/мин для распределителей и Q=25 л/мин для регулятора расхода, аппараты имеют следующие потери:

распределители p1=0,2 МПа; регулятор расхода p2=0,2 МПа.

Потери при фактическом рабочем расходе составляют:

(5.1.8)

.

Окончательно, потери на сливной ветви, учитывая :


Определим величину настройки рабочего давления предохранительного клапана:

(5.1.9)

5.2 Обратный ход

Расчетная схема для обратный хода приведена на рис. 6:

Рис. 6 Расчетная схема привода для режима «обратный ход»

) Рассмотрим нагнетательную ветвь. Расчеты обратного хода будут отличаться от расчетов рабочего хода только значением расхода Qxх =10,8 л/мин.

Общая длина нагнетательной магистрали:

(5.2.1)

где l0=800 мм - длина трубопровода от гидростанции;  l1 = 37 мм; l2= 30 мм; l3 = 45 мм; l4 = 47 мм - длины каналов в гидропанели;

lр=200 мм - длина трубопровода от гидропанели до гидроцилиндра.


Определим характер течения в трубопроводе по формуле (5.1.2):

Re =

Т.к. Re<2000, то движение жидкости в трубопроводе является ламинарным.

При ламинарном движении потери по длине определяются по формуле (5.1.3):


Местные потери при коэффициенте сопротивления равном  считаем по формуле (5.1.4):


Потери в аппаратах состоят из потерь на распределителе Р1. При номинальном расходе Q=33 л/мин (для распределителя) потери равны p1=0,2 Мпа.

Потери при холостом ходе на аппаратуре составляют (5.1.8):

В итоге найдем потери на напорной ветви:


) Рассмотрим сливную ветвь.

Общая длина сливной магистрали:


где l5=47 мм; l6=45 мм; l7=30 мм; l8=157 мм; l9=102 мм;  l10= 158 мм; l11= 30 мм; l12=45 мм; l13=62 мм; l14=199 мм; l15=167 мм; l16=97 мм; l17=185 мм - длины каналов.


Расход жидкости в сливной магистрали находим по формуле [1]:

,(5.2.2)

где Qхх=10,8 л/мин - расход; F и F' - эффективные площади двух сторон поршня.


Потери по длине найдем по формуле (5.1.3):


Коэффициент сопротивления на сливной ветви .

Местные потери посчитаем по формуле (5.1.4):


Потери в аппаратах состоят из потерь на распределителях Р1 и Р2. При номинальном расходе Q=33л/мин (для распределителей) потери p=0,2 Мпа.

Найдем потери по формуле (5.1.5):


В итоге, потери на сливной ветви, учитывая


Давление в гидросистеме на данном режиме:

;(5.2.3)

Подставив соответствующие значения в формулу (5.2.3), получим:


гидропривод гидроцилиндр насосный мощность

6. Определение КПД и мощности холостого хода

Найдем КПД гидропривода при максимальной рабочей скорости:


где QPB = 5 л/мин - расход насоса насосной станции; p - полезное рабочее давление, определяемое по формуле:

;(6.2)


Подставив соответствующие значения в формулу (6.1), получим:

 .

Холостой ход характеризуется потерей мощности:

.(6.3)

Потери мощности на режиме «обратный ход» ;

.

Выводы

В результате выполнения курсовой работы был спроектирован гидропривод фрезерного станка, произведен силовой и кинематический расчеты, разработана гидросхема, подобрано необходимое оборудование и разработана панель управления. Представлены сборочный чертеж, спецификация гидропанели и чертеж плиты. Спроектированный привод реализует все режимы движения, заданные циклограммой. Рассчитан на величину полезной нагрузки 5 кН.

Скорость рабочего хода 0,9 м/мин, скорость холостого хода 3,5 м/мин, что соответствует заданию. Длина рабочего хода равна 250 мм.

Техническое задание выполнено в полном объеме.

Литература

1.    Пересадько Ю.В., Прокопенко В.А. Проектирование гидропривода цикловой автоматики: Методическое пособие для курсового проектирования СПб: СПбГТУ, 1999

2.       Свешников В.К., Усов А.А. Станочные гидроприводы: Справочник, М.: Машиностроение, 1988

.        Справочник технолога машиностроителя. Том 2, М.: Машиностроение, 1985


Не нашли материал для своей работы?
Поможем написать уникальную работу
Без плагиата!
Без нейросетей!