Электроснабжение подземных горных предприятий
Содержание
Исходные
данные
1. Расчет
электроснабжения участка
1.1............................................................................................................ Расстановка
ГМ и М на плане горных работ
1.2 Паспортные
данные электроприемников участка
.3 Расчет
требуемой мощности ТП
.4 Расчет
магистрального кабеля (от ПУПП до РПЛ)
1.4.1.......................................................................................................... По
допустимому нагреву
1.4.2 По
допустимому напряжению
.4.3 Проверка
выбранного сечения в режиме пуска наиболее удаленного и мощного двигателя
1.5............................................................................................................ Расчет
токов короткого замыкания и выбор уставок максимальной защиты
.5.1........................................................................................................... Расчет
токов короткого замыкания
1.5.2 Выбор
уставок максимальной защиты
.5.3 Проверка
в соответствии с ПБ
1.6............................................................................................................ Выбор
пускозащитной аппаратуры
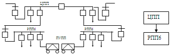
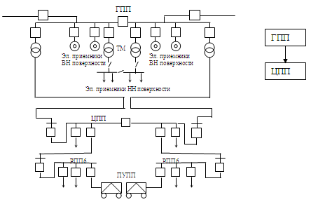
2. Подсчет
нагрузок и выбор высоковольтных кабелей горного предприятия в целом
2.1............................................................................................................ Расчет
кабельной сети от РПП6 до ПУПП
2.2 Подсчет
нагрузок на РПП6 и выбор кабеля от ЦПП до РПП
.3 Подсчет
нагрузок на шинах ЦПП и расчет стволовых кабелей от ГПП к ЦПП
.4 Подсчет
нагрузок на шинах ГПП и расчет ЛЭП от ПЭС до ГПП
.5 Выбор
трансформатора на ГПП
.6 Выбор
КРУ
Список
литературы
Исходные данные
1. Категорийность шахты - опасная по
внезапным выбросам.
2. Производительность - 800 тыс.т.
. Количество участков на горном
предприятии - 6.
. Количество главных участков - 1 лава.
. Длина лавы - 200 м.
. Мощность пласта - 1,2-1,3.
. Угол падения - пологий.
. Напряжение на участке - 1140 В.
. Расстояние:
- от ПЭС до ГПП - 25 км;
- от ГПП до ЦПП - 810 м;
от ЦПП до РПП6 - 450 м;
от РПП6 доПУПП - 250 м;
от ПУПП до РПЛ - 100 м.
10. Величина напряжения:
- внешнее электроснабжение - 220 кВ;
- распределительное - 6 кВ;
участковое - 1140 В.
11. Нагрузка на шинах ЦПП (без учета добычных
участков) - 3000 кВт;
. Нагрузка на шинах ГПП (без учета нагрузки на
ЦПП) - 3100 кВт.
1. Расчет электроснабжения участка
.1 Расстановка горных машин (ГМ) и механизмов
(М) на плане горных работ (рис.1)
На основании расстановки горных машин и
механизмов на плане горных работ, обеспечивающих выемку и доставку полезного
ископаемого, а так же охраны труда и техники безопасности составляем таблицу
(табл. 1), в которую вносим паспортные данные электроприемников горных машин и
механизмов.
.2 Паспортные данные электроприемников участка.
Таблица 1.1
|
№
|
Наименование
ГМ и М
|
Рдв
кВт
|
Кол.
Дв. шт.
|
å Рдв
кВт
|
Iном А
|
Iпуск А
|
hдв
|
cos j
|
Iпуск Iном
|
|
1
|
Комбайн
1К101У
|
110
|
1
|
110
|
67,4
|
458,2
|
0.93
|
0.89
|
6.8
|
|
2
|
Конвейер
забойный СП202В1М
|
110
|
2
|
220
|
67,4
|
458,2
|
0.93
|
0.89
|
6,8
|
|
3
|
Перегружатель
ПТК 3У-01
|
55
|
2
|
110
|
33,7
|
219
|
0.93
|
0.89
|
6.5
|
|
4
|
Насос
орошения ОН
|
30
|
1
|
30
|
19
|
123,5
|
0.91
|
0.88
|
6.5
|
|
5
|
Маслостанция
СНТ-32
|
55
|
1
|
55
|
36
|
220
|
0.91
|
0.85
|
6.1
|
|
6
|
АП-4
|
4
|
4
|
16кВА
|
|
|
|
|
|
|
итого
|
|
|
525
|
|
|
|
|
|
1.3 Расчет требуемой мощности участковой
трансформаторной подстанции
электроснабжение трансформаторный
кабель нагрузка шина
Определяем требуемую мощность трансформаторной
подстанции.
,
где КС - коэффициент спроса;jср.вз.
- средневзвешенное значение коэффициента мощности.
При едином технологическом процессе
,
где Рmax
- мощность наиболее мощного электродвигателя, кВт.
Коэффициент мощности определяется по формуле
Величина cos
jср.вз
определяется с учетом степени загрузки электродвигателей ГМ и М, в нашем случае
принимаем cos
jср.вз
=0,7 по рекомендации ЦДМ.
кВ×А
С учетом АП - 4
кВ×А
Принимаем передвижную трансформаторную
подстанцию типа ТСВП - 630/6 (табл.3 [1]).
.4 Расчет магистрального кабеля (от ПУПП до
РПЛ).
.4.1 По допустимому нагреву.
Определяем величину тока, протекающего по
магистральному кабелю
, А
если учесть, что
равняется
требуемой мощности, определенной ранее, суммарный ток
А
Данному току по табл.15[1]
соответствует сечение 120 мм2.
.4.2 По допустимому напряжению.
а) Определяем потерю напряжения в трансформаторе
DUтр,
В
,
где b - коэффициент
загрузки трансформатора, определяемый по формуле
,
где Sтр.н
- номинальная мощность трансформатора, кВ×А;
Sтр
- требуемая мощность трансформатора, кВ×А.
;
UА
- активная составляющая полного напряжения короткого замыкания трансформатора,
%,
,
где РК - потери короткого замыкания
трансформатора, принимаются по паспортным данным, кВт.
;
UР
- реактивная составляющая полного напряжения короткого замыкания трансформатора,
%,
,
где Uкз
- напряжение короткого замыкания трансформатора, %, также
выбирается по паспортным данным выбранного трансформатора.
;
.
Абсолютная величина потери напряжения в
трансформаторе
В.
б) Определяем потери в кабеле, питающем наиболее
удаленный и наиболее мощный двигатель, В
,
где РД - номинальная мощность
электродвигателя или суммарная мощность всех электродвигателей комплекса
(агрегата), кВт;
- удельная проводимость, которая для кабеля с
медными жилами при температуре окружающей среды 65°С
равна 50м/см×мм2;
SД
- сечение гибкого кабеля, принимаемое по условиям допустимого нагрева, но не
менее 16 мм2 исходя из условия механической прочности (табл. 11 [1]);
hД - КПД, принимаемый
по паспортным данным электроприемника;
lД
- длина кабеля, питающего данный двигатель с учетом 10%
провеса
м ;
В.
в) Определяем предельно допустимые потери
напряжения
В.
г) Определяем допустимые потери напряжения в
магистральном кабеле.
В.
д) Определяем сечение магистрального кабеля с
учетом допустимых потерь напряжения
, мм2,
где åРуст -
суммарная номинальная установленная мощность всей подключенной нагрузки
(электроприемников), А;
Lм
- длина магистрального кабеля, м, с учетом 5%-ного провеса;
hср вз - средневзвешенное
значение коэффициента полезного действия
;
мм2.
Окончательно принимаем магистральный кабель
марки СБн 3´120.
.4.3 Проверка выбранного сечения в режиме пуска
наиболее удаленного и мощного двигателя
Проверка выбранного сечения кабеля по
нормальному режиму работы в режиме пуска наиболее мощного и наиболее удаленного
электроприемника (комбайна)
а) Определяем минимально допустимое напряжение
при пуске
=920 В
б) Определяем фактическое напряжение при пуске
во всех электросетях (DUтр.п;
DUм.п;DUД.п).
Определяем ток трансформатора при пуске
Определяем фактический пусковой ток наиболее
мощного и наиболее удаленного электродвигателя
А.
Определяем ток трансформатора при номинальной
нагрузке
А;
cos
jп = 0,5;
А;

В.
в)
Определяем
потери напряжения при пуске в магистральном кабеле
, В
где g - удельная
проводимость кабеля с медными жилами;
Sм
- сечение магистрального кабеля.
;
В.
г) Определяем потери напряжения при пуске в
кабеле, питающем наиболее удаленный и наиболее мощный двигатель
В.
д) Определяем фактическое напряжение на зажимах
наиболее удаленного и наиболее мощного двигателя
В.
е) Сравниваем фактическое напряжение при пуске с
минимально допустимым напряжением при пуске
Uп £
Uф п
920 В £ 1148 В.
.5 Расчет токов короткого замыкания и выбор
уставок максимальной защиты.
.5.1 Расчет токов короткого замыкания.
Определяем ток короткого замыкания в точке К3
(на зажимах комбайна)
, А
RK3
- результирующее активное сопротивление до точки К3, Ом;
ХК3 - результирующее индуктивное
сопротивление до точки К3, Ом.
RK3=Rтр+RМ+RД,
где Rтр
- активное сопротивление вторичной обмотки трансформатора, Ом ,
,
где РК - потери мощности в
трансформаторе при коротком замыкании , принимаются по паспортным данным
трансформатора , Вт;тр н - номинальный ток трансформатора, А;
RМ
- активное сопротивление магистрального кабеля, Ом,
;
RД
- активное сопротивление кабеля, питающего наиболее удаленный и наиболее мощный
двигатель, Ом,
.
,
Хтр - индуктивное сопротивление
вторичной обмотки трансформатора, Ом ,
;
XM, XД
- индуктивное сопротивление соответственно магистрального кабеля и кабеля,
питающего наиболее удаленный и наиболее мощный двигатель, Ом,
;
.
Ом;
Ом;
Ом;
Ом;
Ом;
Ом;
Ом;
Ом;
А.
Определяем ток короткого замыкания в точке К2
, А 
RK2=Rтр+RМ;
ХК2=Хтр+ХМ.
RК2=0,015+0,016=0,031
Ом;
ХК2=0,13+0,007=0,137Ом;
А.
Определяем ток короткого замыкания в точке К1
(на зажимах вторичной обмотки трансформатора)
, А 
RK1=Rтр;
ХК1=Хтр.
RK1=0,015
Ом;
ХК1=0,13 Ом;
А. 
Определяем ток короткого замыкания в точке К4
(на зажимах двигателя конвейера)
Ом;
Ом;
Питание двигателей забойного конвейера
осуществляется по одному кабелю СБн 3х25
Ом;
Ом;
Ом;
Ом;
Ом;
Ом;
А.
Определяем ток короткого замыкания в точке К5
(на зажимах двигателя перегружателя)
Ом;
Ом;
Питание двигателей перегружателя осуществляется
по одному кабелю СБн 3х10
Ом;
Ом;
Ом;
Ом;
Ом;
Ом;
А.
Определяем ток короткого замыкания в точке К6
(на зажимах двигателя насоса орошения)
Ом;
Ом;
Ом;
Ом;
Ом;
Ом;
Ом;
Ом;
А.
Определяем ток короткого замыкания в точке К7
(на зажимах двигателя маслостанции)
Ом;
Ом;
Ом;
Ом;
Ом;
Ом;
Ом;
Ом;
А.
.5.2 Выбор уставок максимальной защиты.
Для подключения электроприемников участка
принимаем к установке станцию управления СУВ-1140.
Определяем уставку ячейки СУВ-1140 питающей
двигатель комбайна
А.
Определяем уставку ячейки СУВ-1140 питающей
двигатели конвейера
А.
Определяем уставку ячейки СУВ-1140 питающей
двигатели перегружателя
А.
Определяем уставку ячейки СУВ-1140 питающей
двигатель насоса орошения
А.
Определяем уставку ячейки СУВ-1140 питающей
двигатель маслостанции
А.
Определяем уставку автоматического выключателя
распределительного пункта лавы
,А
где Iпн
- пусковой номинальный ток наиболее мощного электродвигателя с короткозамкнутым
ротором, А,åн - суммарный
номинальный ток всех других видов нагрузок, отключающихся данным выключателем,
А.
А.
Определяем уставку автомата передвижной
трансформаторной подстанции
А.
.5.3 Производим проверку в соответствии с ПБ.
В точке К1
А.
В точке К2
А.
В точке К3
А.
В точке К4
А.
В точке К5
А.
В точке К6
А.
В точке К7
А.
.6 Выбор пускозащитной аппаратуры
Пускозащитная аппаратура выбирается по
номинальному напряжению и номинальному току. Выбранный по этим параметрам
аппарат проверяется на соответствие ему коммутационной и разрывной способности,
т.е. по пусковому току и возникающим в аварийных режимах токам короткого
замыкания (табл. 13 и 14 [1]). Выбор ячеек
СУВ-1140 приведен в табл. 1.2.
Таблица 1.2
|
Наименование
ГМ и М
|
Расчетное
значение, А
|
Номинальное
значение, А
|
|
Комбайн
|
67,4
|
125
|
|
Конвейер
забойный
|
134,8
|
250
|
|
Перегружатель
|
67,4
|
125
|
|
Насос
орошения
|
19
|
25
|
|
Маслостанция
|
36
|
63
|
Таблица 1.3
|
Наименование
ГМ и М
|
Тип
электрического аппарата
|
Номинальное
значение тока ячейки
|
Величина
Уставки, А.
|
Ток
Двухфазного КЗ, А.
|
Ток
трехфазного КЗ, А
|
, А.
|
Длина
кабеля, м.
|
Марка
кабеля
|
|
Трансформатор
|
|
|
715,4
|
4585
|
7336
|
6,4
|
|
|
К1
|
|
РПЛ
|
|
|
715,4
|
4272
|
6835,2
|
6
|
100
|
СБн
3´120
|
К2
|
|
Комбайн
|
СУВ-1140
|
125
|
458,2
|
2157
|
3451,2
|
4,7
|
253
|
СБн
3´25
|
К3
|
|
Конвейер
забойный
|
СУВ-1140
|
250
|
916,4
|
4011
|
6417,6
|
4,4
|
30
|
СБн
3´25
|
К4
|
|
Перегружатель
|
СУВ-1140
|
125
|
438
|
3730
|
5968
|
8,5
|
25
|
СБн
3´10
|
К5
|
|
Насос
орошения
|
СУВ-1140
|
25
|
123,5
|
3398
|
5436,8
|
27,5
|
15
|
СБн
3´4
|
К6
|
|
Маслостанция
|
СУВ-1140
|
63
|
220
|
3445
|
5512
|
15,7
|
15
|
СБн
3´4
|
К7
|
2. Подсчет нагрузок и выбор
высоковольтных кабелей горного предприятия в целом
.1 Расчет кабельной сети от РПП6 до ПУПП
По допустимому нагреву
А.
Этому току по табл. 11 [1]
соответствует сечение S1=
10 мм2.
По экономической плотности тока
мм2,
где iэк
- экономическая плотность тока, зависящая от количества часов максимума
нагрузки в год Т, ч, принимается по табл. 12[1].
S2=25
мм2.
По термической стойкости токов КЗ
,мм2,
где I¥
- установившийся ток короткого замыкания, А,
,
Sоткл
- предельная мощность отключения распределительных устройств (в соответствии с
ПБ Sоткл £
50 МВ×А);
Uн
- напряжение системы, кВ.
А.
t - фиктивное время
короткого замыкания, допускается принимать равным действительному tд
, с, можно принимать равным 0,2 -0,25 с (суммарное время срабатывания
максимальной защиты и масляного выключателя или другого коммутационного
аппарата);
с - коэффициент, учитывающий конечную
температуру нагрева кабеля и зависящий от напряжения (для напряжения 10 кВ для
кабеля с медными жилами и бумажной изоляцией с = 145).
мм2,
S3 =
25 мм2.
Принимаем наибольшее сечение - S
= 25 мм2.
Проверяем по допустимой потере напряжения
,В;
Ом;
Ом;
В;
.
2.2 Подсчет нагрузок на РПП6 и выбор сечения
кабеля от ЦПП к РПП6
Рассчитаем только одну ветвь, т.к. другая
рассчитывается аналогично.
Нагрузка на шине РПП6 составит
кВ×А.
По допустимому нагреву
А.
Этому току по табл. 11 [1]
соответствует сечение S1=
50 мм2.
По экономической плотности тока
мм2,
S2=
95 мм2.
По термической стойкости токов КЗ
мм2,
S3 =
25 мм2.
Принимаем наибольшее сечение - S
= 95 мм2.
Проверяем по допустимой потере напряжения
Ом;
Ом;
В;
.
2.3 Подсчет нагрузок на шинах ЦПП и расчет
стволовых кабелей от ГПП к ЦПП
,мм2;
РЦПП = 3000 кВт;
кВ×А;
кВ×А
По допустимому нагреву
А.
Этому току соответствует два специальных кабеля
сечением S1=
185 мм2.
По экономической плотности тока
мм2,
т.к в соответствии с ПБ при прокладке по стволу
кабеля от ГПП к ЦПП при двух кабелях, напряжение рассчитывается на 100%
нагрузки, т.е. нагрузка распределяется половинная на каждый кабель.
мм2,
S2=
2х95 мм2.
По термической стойкости токов КЗ
мм2,
S3 =
25 мм2.
Проверяем по допустимой потере напряжения
Ом;
Ом;
В;
.
.4 Подсчет нагрузок на шинах ГПП и расчет ЛЭП от
ПЭС до ГПП
Определяем нагрузку на шинах ГПП
кВ×А;
кВ×А;
кВ×А.
По допустимому нагреву
А.
Этому току соответствует провод АС сечением 6 мм2,
но исходя из механической прочности принимаем алюминиево-стальной провод
сечением S1=
25 мм2. Определяем потери напряжения в проводе
Ом;
Ом;
В;
.
.5 Выбор трансформаторов на ГПП
, кВ×А;
, кВт;
кВт;
кВт;
квар;
кВ×А.
Принимаем 2 трансформатора марки
ТДТН-10000-220/35/6 .
2.6 Выбор КРУ.
Выбор КРУ сводим в таблицу 2.1.
Таблица 2.1.
|
Место
нахождения
|
Марка
КРУ
|
Расчетное
значение тока, А
|
Номинальное
значение тока, А
|
|
ГПП
|
КРУ2-10Э-2750
|
1204
|
2000
|
|
ЦПП
|
КРУВ-10
|
777
|
1000
|
|
РПП6
|
КРУВ10
|
182
|
1000
|
Список литературы
1. Глухарев
Ю. Д. Электрификация подземных горных работ. - М.: МГГУ, 1996.
. Глухарев
Ю. Д. Электропривод и электроснабжение. - М.: МГГУ, 1994.
. Плащанский
Л. А., Глухарев Ю. Д. Методические указания по курсовому и дипломному
проектированию по дисциплине "Электрификация подземных горных работ".
- М.: МГГУ, 1984.
. Глухарев
Ю. Д. Методические указания по выполнению лабораторных работ по дисциплине
"Электрификация подземных горных работ". - М.: МГГУ, 1998.