Небезпека ушкодження електричним струмом і заходи попередження електротравматизму
Реферат
з
дисципліни "Охорона
праці"
Тема:
"Небезпека
ушкодження електричним струмом і заходи попередження електротравматизму"
План
1. Основні причини електротравматизму
2. Дія електричного струму на організм людини
3. Класифікація приміщень за ступенем небезпеки ураження електричним струмом
4. Аналіз небезпеки ураження електричним струмом у різних електричних
мережах
5. Крокова напруга
6 Напруга дотикання
7. Заходи попередження електротравматизму
1. Основні причини електротравматизму
Електротравматизм
у порівнянні з іншими видами травматизму складає до 1%, але по числу випадків з
тяжкими наслідками займає одне з перших місць.
Всі
електроустановки прийнято розділяти за напругою на дві групи: U < 1000 B і U
> 1000 В. Слід зазначити, що найбільше число травм сається на
електроустановках U < 1000 B. Це пояснюється тим, що ці електроустановки
застосовуються всюди, їх багато, і вони часто обслуговуються персоналом
неелектричної спеціальності.
Основними
причинами електротравматизму є:
-
поява напруги там, де її в нормальних
умовах не повинно бути (металоконструкції, корпуси электро- і промислового
устаткування, будівельні елементи споруд). Причина - пошкодження ізоляції
кабелів, дротів або обмоток електричних машин і апаратів;
-
можливе доторкання до неізольованих струмопровідних
частин. Всі клеми, шини повинні розташовуватися на висоті або під
обгороджуванням;
-
утворення електричної дуги між
струмопровідною частиною і людиною (при U > 1000 B). Нормами встановлені
наступні найменші допустимі відстані: у електроустановках U = 6-35 кВ - 0,6 м; 60 – 110 кВ - 1 м; до 150 кВ - 1,5 м: до 220 кВ - 2 м; 500 кВ - 3,5 м;
-
інші причини - неузгоджені і помилкові
дії персоналу; залишення електроустановки під напругою без нагляду; виникнення
крокової напруги на поверхні землі; допуск до робіт на відімкнення
струмопровідних частин без перевірки відсутності напруги і наявності
заземлення.
2.
Дія електричного струму на організм людини
Дія
електричного струму на живу тканину носить своєрідний
різносторонній характер. Проходячи через організм, електричний струм проводить
термічну, електролітичну і біологічну дію.
Термічна
дія виявляється в нагріванні тканин аж до опіків окремих ділянок тіла,
перегріву кровоносних судин і крові, що викликає в них функціональні розлади.
Електролітична дія викликає розкладання крові і плазми - порушення їх
фізико-хімічних складів.
Біологічна
дія виявляється в подразненні і збудженні живих тканин організму, що може
супроводжуватися мимовільним судорожним скороченням м'язів. При цьому можуть
виникати різноманітні порушення в організмі - повне припинення діяльності серця
і легенів, а також механічних пошкоджень тканин. Чинники,
що визначають небезпечне ураження електричним струмом, поділяються на три
групи:
-
чинники електричного характеру - сила
струму, напруга, рід і частота струму, опір тіла людини електричному струму;
-
чинники не електричного характеру - індивідуальні
особливості людини, чинник уваги, час дії, шлях струму;
-
чинники довкілля - температура,
вологість, запиленість, атмосферний тиск, електричне і магнітне поле.
Розглянемо ці чинники
детальніше: Величина струму є
основним чинником, від якого залежить ушкодження: чим більший струм, тим
небезпечніша його дія.
0,6-1,5
мА - пороговий відчутний струм;
10-15
мА - пороговий невідпускаючий струм;
25-50
мА - діє на м'язи грудної клітини, утрудняє і навіть припиняє дихання;
100
мА - викликає зупинку серця або його фібриляцію. Найбільш небезпечна частота
20-200 Гц змінного струму.
Рід
струму – до 450 В найбільш небезпечний змінний
струм;
>500
В - постійний струм;
450-500
В - небезпека однакова;
t0
- потовиділення і перегрівання - небезпека збільшується; g
- знижує загальний опір організму електричному струму; р - при підвищенні тиску
електротравматизм менший.
Електричне
поле - за наявності електричного поля небезпека менша.
Магнітне
поле - не викликає патології, але зміна чисельного значення напруженості поля
призводить до виникнення струмів в організмі людини і електричній травмі.
Шлях
руху струму: найбільш вразливими місцями є: тильна частина кисті; рука вища
кисті; шия, скроня, спина; нижня частина ноги; плече.
3. Класифікація
приміщень за ступенем небезпеки ураження електричним струмом
Приміщення
підрозділяються:
-
приміщення з підвищеною небезпекою –
вологість j > 75 %; струмопровідний пил,
підлоги, температура t > 35 °C;
-
приміщення особливо небезпечні
характеризуються наявністю однієї з наступних трьох умов, що створюють
небезпеку:
а)
з хімічно активним середовищем, що руйнує ізоляцію;
б)
наявність 2-х і більше чинників, властивих приміщенням з підвищеною небезпекою;
в)
з особливою вогкістю, j до 100 %;
-
приміщення без підвищеної небезпеки -
нормальні умови і неструмопровідні підлоги.
4. Аналіз небезпеки ураження електричним струмом у різних
електричних мережах
Основні
випадки ураження електричним струмом стаються при
доторканні людиною не менше ніж до двох точок мережі, що мають різні
потенціали. Небезпека такого доторкання залежить від умов ввімкнення людини в
мережу, схеми мережі, режиму її нейтралі, величини напруги, стан ізоляції
струмопровідних частин від землі. Ввімкнення людини в електричну мережу може
бути однофазним, і двофазним. Електричні мережі поділяються на однофазні і
трифазні.
Трифазні мережі змінного струму бувають з ізольованою від
землі нейтраллю і глухо заземлені.
Розглянемо
однополюсне доторкання до однофазної мережі змінного струму
(рис. 1.).
Рис.
1. Однополюсне дотикання до однофазної мережі змінного струму
Всі
струмопровідні частини будь-якої мережі, що знаходяться під напругою, нормально
мають бути ізольовані від землі. Опір дроту по відношенню до землі, називається
опором ізоляції або опором витоку, що складаються з опору ізоляції самого дроту
і послідовно ввімкнення дільниць шляху на землю (будівельні конструкції,
підлога, грунт). По цьому ланцюжку опору під дією різниці потенціалів між
дротом і землею протікає невеликий струм, який називається струмом витоку (r1
і r2 - опір ізоляції чи опір витоку).
В
разі доторкання людини до фази мережі його опір
вмикається
паралельно з опором витоку цієї фази. Струм, що протікає через людину, буде
дорівнювати:
|
,
|
(1)
|
де
- опір ізоляції або витоку.
З
урахуванням опору взуття
і опору підлоги
, які вмикаються послідовно з опором
людини, величина струму, що проходить через людину, буде дорівнювати:
|
;
|
(2)
|
де
- від декількох МОм до декількох Ом;
- 60 кОм - дерев'яна
суха підлога.
Розглянемо
2-х полюсне дотикання до однофазної мережі (рис.
2.)
Рис.
2. Двополюсне дотикання до однорідної мережі змінного струму
Струм,
що проходить через людину, буде дорівнювати:
|
;
|
(3)
|
Дотикання
до однієї фази 3-х фазної мережі з ізольованою нейтраллю (рис.
3.).

Струм,
що проходить через людину, дорівнює:
|
;
|
(4)
|
Дотикання
до однієї фази 3-х фазної мережі із заземленою нейтраллю (рис.
4.).
Рис.
4. Однополюсне дотикання до 3-х фазної мережі із заземленою нейтраллю
У
мережах із заземленою нейтраллю напруга фаз відносно землі дорівнює фазній
напрузі джерела, оскільки опір заземлення напруги нейтралі rз набагато
менший опору витоків r, ємкісного опору фаз відносно землі і самої людини
,
-
опір розтікання струму в землі при стіканні струму з людини в землю.
У
разі, коли
<<
, то
.
При
обрахуванні
і
:
|
;
|
(5)
|
Двополюсне
дотикання людини до 3-х фазної мережі (рис. 5.).
Рис.5.
Двополюсне дотикання до 3-х фазної мережі.
При
двополюсному дотиканні до трифазної мережі незалежно від заземлення нейтралі:
|
;
|
(6)
|
Крім
того, через тіло людини протікатиме струм і у напрямку до землі, але цей струм
можна не враховувати, оскільки він буде мізерний через порівняно великій опір
взуття і підлоги.
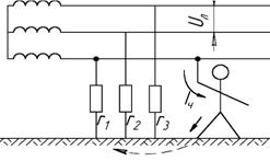
5. Крокова напруга
Крокова
напруга - це різниця напруг в 2-х точках зони
розтікання струму (на довжину кроку людини). При зіткненні будь-якої
струмопровідної частини із землею, наприклад, при обриві і падінні на землю
будь-якого дроту відбувається розподіл потенціалів на поверхні землі. Цей
розподіл потенціалів підлягає закону гіперболи і має вигляд (рис. 6.). Струм,
що проходить через людину Iч, дорівнюватиме:
Рис.6.
Схема розподілу потенціалів при кроковій напрузі.
|
,
|
(7)
|
де
– крокова напруга;
- опір розтікання
струму в землі від однієї ноги до іншої;
– опір тіла людини.
Чим
ближче людина буде знаходитись до дроту, тим під більшою кроковою напругою вона
буде знаходитись.
У
мережі із заземленою нейтраллю (рис. 7.) при замиканні фази на землю через
малий перехідний опір матиме місце однофазне коротке замикання. В цьому випадку
струм замикання на землю може бути великої величини, а отже, крокова напруга
може досягати небезпечного значення. Але, враховуючи, що фазне коротке
замикання призведе до спрацьовування релейного захисту, вірогідність ураження
людини буде мала.
Рис.
7. Схема замикання фази на землю в мережі із заземленою нейтраллю.
В
разі ізольованої нейтралі (мал. 8.) внаслідок великого опору витоків і
ємкісного опору відносно землі, струм замикається на землю набагато менше
струму однофазного короткого замикання. Захист не спрацює і виникає небезпека
ураження людей.
Рис.
8. Схема замикання фази на землю в мережі з ізольованою нейтраллю
6.
Напруга дотикання
Напруга
дотикання - це напруга між точками ланцюга струму,
яких одночасно торкається людина (ГОСТ 12.1.009 - 76). Гранично допустимі рівні
напруги дотикання
встановлені по ГОСТ
12.1.038-82 для шляхів струму від однієї руки до іншої і від руки до ніг.
Напруга
і сила струму I, що протікає через тіло
людини, при нормальному (не аварійному) режимі електричних установок, не
повинні перевищувати наступних значень (табл. 1)
Таблиця
1
|
Род струму
|
, В не
більш
|
I, мА, не
більш
|
|
Змінний, 50 Гц
Змінний, 400 Гц
Постійний
|
2
3
8
|
0,3
0,4
1
|
Примітка:
При роботі в умовах високих температур (більше 25 °С)
і вологості (більш 75%) значення
і I повинні бути
зменшені в 3 рази.
В
ГОСТ 12.1.038 - 82 наведені також гранично допустимі рівні
і I при аварійних режимах
електричних установок напругою до 1000 В з глухозаземленною або ізольованою
нейтраллю і вище 1000В з ізольованою нейтраллю.
прикладене
лише до тіла людини, тому його можна визначити як падіння напруги в тілі
людини:
|
;
|
Встановлені
ГОСТом 12.1.038 - 82 гранично допустимі рівні дуже залежать від часу дії струму
(табл. 2.).
Таблиця
2.
|
Час, с
|
0,1
|
0,5
|
0,7
|
1,0
|
>1,0
|
|
Змінний с
f = 50 Гц
|
, В
|
500
|
100
|
70
|
50
|
36
|
|
I, мА
|
100
|
70
|
50
|
6
|
|
Постійний
|
, В
|
500
|
250
|
230
|
200
|
40
|
|
I, мА
|
500
|
250
|
230
|
200
|
15
|
7. Заходи попередження
електротравматизму
Основними
технічними способами і засобами захисту від ураження електричним струмом є: захисне
заземлення; занулення; захисне відключення; захист від переходу вищої напруги в
мережу нижчого; профілактичне випробування ізоляції; подвійна ізоляція;
індивідуальні засоби захисту; попереджувальні плакати і написи; застосування
малих напруг. Найбільш розповсюдженими технічними засобами захисту є: захисне
заземлення і занулення. Згідно
ГОСТ 12.1.009 - 76 захисним заземленням називається навмисне електричне
з'єднання із землею або її еквівалентом металевих неструмопровідних частин, які
можуть виявитися під напругою.
Установки
підлягають заземленню:
Згідно
ГОСТ 12.1.030 - 81 захисні заземлення або занулення електроустановок слід
виконувати:
-
при номінальному U = 380 B і вище за
змінний струм і 440 В і вище за постійний струм - у всіх випадках;
-
при номінальному U від 42 В до 380 В
змінного струму і від 110 В до 440 В постійного струму при роботах в умовах з
підвищеною небезпекою і особливо небезпечних;
-
при будь-якому U у мережі у
вибухонебезпечних приміщеннях.
Норми
захисного заземлення:
Згідно
Правилам обладнання електроустановок (ПУЕ) опір захисного заземлення у
будь-який час року не повинен перевищувати:
-
4 Ом - в установках U < 1000 B; якщо
потужність джерела струму (трансформатора або генератора) 100 кВ×А
і менше, то опори заземлення допускаються 10 Ом.
-
0,5 Ом - в установках U > 1000 B із
заземленою нейтраллю; 250/
але не >10 Ом – в
установках U > 1000 B з ізольованою нейтраллю. Якщо пристрій,
що заземляється одночасно використовується для електроустановок U < 1000 В,
то
£125/
, але не більше 10 Ом, де I - струм
замикання на землю, А.
Сферою
застосування захисного заземлення є: 3-х фазні трипровідні
мережі U до 1000 В з ізольованою нейтраллю і мережі U > 1000 В з будь-яким
режимом нейтралі.
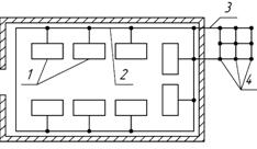
Обладнання
захисного заземлення
Для
заземлення електроустановок використовуються природні заземлителі – металеві
конструкції будівлі, фундаменти, що мають щільний контакт із землею. Штучні
заземлителі виконуються з труб, стержнів, кутка і ін. прокату. Штучні
заземлителі бувають групові і індивідуальні. Групове заземлення буває контурне
(рис. 9.) і виносне (рис. 10.). Всі з'єднання повинні буути зварними, а до
електроустаткування - болтовими. Розміщення заземлителів в землі показано на
рис. 11 (розміри в мм).
|
Рис. 9. Схема групового контурного заземлення.
|
Рис. 10. Схема групового виносного заземлення.
|
|
1 – устаткування, що заземляється; 2, 3 –
заземляючі провідники (магістралі); 4 – заземлителі.
|
|
Рис. 11. Схема розміщення заземлень в землі
|
Рис. 12. Схема занулення
|
Захисне
занулення
Зануленням
(рис.
12) називається навмисне електроз'єднання з нульовим захисним провідником
металевих неструмопровідних частин, які можуть виявитися під напругою.
Занулення застосовується в мережах напругою до 1000В з глухим заземленням
нейтралі. В цьому випадку корпуси електроустаткування електрично з'єднуються з
нульовим захисним дротом, що має значно менший опір, ніж заземлення. При
однофазному замиканні на корпус буде коротке замикання, яке приведе до швидкого
спрацьовування захисту і відключення пошкодженого устаткування. Струм короткого
замикання
має бути в 3 рази більшим за номінальний
струм, тобто
.>3
.
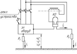
Захисне
вимикання
Захисне
вимикання (рис. 13.) виконується як доповнення до
захисного заземлення або замінює його. Перевага - миттєве (0,2с) автоматичне
вимикання електроустаткування при появі на корпусі напруги, вищої за допустиму.
Застосовується, коли обладнання заземлення викликає труднощі (скелястий грунт)
або коли виконання його недоцільне (пересувні електроустановки).
Рис.
13. Схема захисного відключення.
Захист від переходу високої напруги в
мережу низької.
Мережі
напругою до 1000В, які зв'язані через трансформатор, мають бути захищені від
можливої появи в них високої напруги. Цей захист здійснюється за допомогою
пробивного запобіжника. Електрична схема захисту представлена на рис. 14. у
нейтралі і на рис. 15. у фазі. Пробивні запобіжники складаються з 2-х металевих
дисків, ізольованих один від одного слюдяною прокладкою певної товщини з
отворами. Один диск з'єднується з нейтраллю чи фазою вторинної обмотки, а інший
- із заземляючим пристроєм.
|
Рис.14. Схема захисту під час переходу високої
напруги в мережі низької в нейтраль
|
Рис. 15. Схема захисту під час переходу високої
напруги в мережі низької у фазі
|
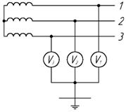
Профілактичне
випробування ізоляції. Подвійна ізоляція.
Всі
матеріали, що застосовуються для ізоляції струмопровідних частин електричної
установки з часом втрачають діелектричні властивості.
Тому
згідно ПУЕ все електроустаткування піддається періодичним і постійним контролям
надійності і цілісності ізоляції. Періодичний контроль - мегаметри, постійний
контроль за показниками вольтметрів (рис. 16.) і випробувана ізоляція
підвищеною напругою. При нормальному режимі всі вольтметри показуватимуть фазну
напругу рис. 17, а. При пробиванні ізоляції і замиканні на землю другий
вольтметр показує 0, а перший і третій фазна напруга збільшена в
раз (рис. 17, b). Часткове замикання -
рис. 17, с.
|
Рис. 16. Схема контролю ізоляції методом 3-х
вольтметрів.
|
Рис.
17. Схема положення векторів при контролі ізоляції методом 3-х вольтметрів
електричний струм травматизм напруга
Подвійна
ізоляція - робоча і додаткова.
Робоча
- для ізоляції струмопровідних частин електричного устаткування, забезпечує
його нормальну роботу і захист від ушкодження електричним струмом.
Додаткова
- для захисту від ушкодження електричним струмом в разі пробивання робочої
ізоляції. Наприклад, ручні електричні машини.
Індивідуальні засоби захисту,
попереджувальні плакати і надписи.
В
процесі експлуатації електричних установок можуть виникнути умови при яких
навіть найдобросовісніше їх виконання не забезпечує безпеки працюючого і
вимагає застосування спеціальних засобів захисту.
Засоби
захисту умовно поділяються на три групи:
-
ізолюючі;
-
захисні;
-
запобіжні.
До
основних відносяться: діелектричні гумові рукавички; інструмент з ізольованими
ручками; покажчики напруги; ізолювальні штанги; ізолювальні і
електровимірювальні кліщі.
До
додаткових ізолюючих електрозахисних засобів відносяться: діелектричні калоші;
килимки і ізолюючі підставки.
Обгороджувальні
захисні засоби призначені для тимчасового обгороджування струмопровідних
частин, що знаходяться під напругою.
До
них відносяться: щити, бар'єри, обгороджування - клітки, переносні заземлення.
Запобіжні
захисні засоби служать для захисту персоналу від випадкового падіння з висоти,
для безпечного підйому на висоту, для захисту від світлових, теплових,
механічних і хімічних дій електричного струму (запобіжні пояси, кігті, драбини,
захисні окуляри, щитки, рукавиці і ін.).
Всі
захисні засоби періодично перевіряються підвищеною напругою, а гумові вироби -
на струм витоку. Для запобігання помилковим діям персоналу застосовують
попереджувальні плакати і надписи.