Безопасность жизнедеятельности человека в процессе анализа системы "Человек-Машина-Среда"

  • Вид работы:
    Контрольная работа
  • Предмет:
    Безопасность жизнедеятельности
  • Язык:
    Русский
    ,
    Формат файла:
    MS Word
    101,02 kb
  • Опубликовано:
    2011-01-08
Вы можете узнать стоимость помощи в написании студенческой работы.
Помощь в написании работы, которую точно примут!

Безопасность жизнедеятельности человека в процессе анализа системы "Человек-Машина-Среда"














Безопасность жизнедеятельности человека в процессе анализа системы «Человек-Машина-Среда»

Введение

Повышение эффективности производства, его интенсификация неразрывно связаны с созданием здоровых и безопасных условий труда. Условия для которых разрабатывается раздел – помещение исследовательской лаборатории.

Безопасные и здоровые условия труда повышают его привлекательность и содержательность, обеспечивают более высокую работоспособность, способствуют поддержанию нормального психофизиологического состояния работающих, повышения их социальной активности и превращению труда в жизненную необходимость, то есть влияют и на решение социальных задач. Кроме того, от условий труда зависит производительность и качество труда, эффективность использования трудовых ресурсов.

Таким образом, охрана труда – это система законодательных актов, социально-экономических, организационных, технических, гигиенических и лечебно-профилактических мероприятий и средств, обеспечивающих безопасность, сохранение здоровья и работоспособности человека в процессе труда.

1. Анализ условий труда

Помещение лаборатории, где проводилась разработка манипулятора мобильного робота с автоматической заменой инструмента, имеет следующие характеристики:

- размеры 12*6*4 м (согласно СН 245-71 высота не менее 3 м), площадь составляет 72м2;

- второй этаж четырехэтажного здания ;

- в помещении работают 7 человек;

- в помещении находится два окна общей площадью 8 м2, площадь дверного проема 2,88 м2;

-сеть трехфазная четырехпроводная с глухозаземленной нейтралью напряжением 220 В и частотой 50 Гц;

- применяемое оборудование – ПЭВМ Pentium II Celeron400, лазерный принтер НР LaserJet 6L .


Помещение соответствует требованиям ДНАОП 0.00-1.31-99 “Правила охраны труда при эксплуатации ЭВМ” на одного работающего приходится 10,29 м2 площади при норме 6 м2, объем на одного человека 41 м3 при норме 20 м3.

По доступности электрооборудования данное помещение относится к классу производственных помещений.

В связи с применением в трудовом процессе ПЭВМ в дальнейшем будем использовать нормативные документы, регулирующие вопросы безопасности охраны труда при эксплуатации ПЭВМ. Согласно ДСанПин 33.2.007 – 98 данное оборудование, а также характер и объем выполняемых работ соответствует нормам.

По технологической оснащенности рабочего места: не соответствует нормам, так как перенапрягаются органы зрения (это может быть из – за несоответствия размеров стола или не соответствия расстояния от экрана до глаз работающего, также из- за неправильной высоты стула, недостаточной освещенности рабочего места).

Технологический процесс, который выполняется в помещении соответствует требованиям стандартов безопасности и нормам охраны труда.

В целях осуществления анализа условий труда в помещении лаборатории были рассмотрены все существующие связи в системе «Человек – Машина – Среда». В процессе функционирования системы «Человек-Машина-Среда» (Ч-М-С) за счет взаимодействия составляющих ее элементов изменяется внутреннее состояние системы.

Входной информацией для системы является информация о состоянии предмета труда, управляющей – из вышестоящей системы. Выходом системы – воздействие на предмет труда. Так как в процессе функционирования системы изменяется ее внутреннее состояние, то необходимо рассмотреть и этот фактор, а также проанализировать одну из составных частей внутреннего состояния системы – здоровье персонала, работающего в системе. Безопасность человека зависит в первую очередь от его взаимодействия с окружающей средой.

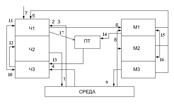
«Человек» – это коллектив людей, работающих одновременно, в одном производственном помещении. В системе рассматривается в качестве нескольких элементов с соответствующими видами связей:

Ч1 – оператор ЭВМ, выполняющий управление машиной;

Ч2 – человек, рассматриваемый с точки зрения непосредственного влияния на окружающую среду;

Ч3 – психофизиологическое состояние человека.

«Машина» – комплекс оборудования для осуществления технологического процесса. В системе рассматривается в качестве нескольких элементов с соответствующими видами связей:

М1 – выполнение основной технологической функции;

M2 – функционирование аварийной защиты;

М3 – элемент влияния на окружающую среду и человека.

«Среда» – внутренняя среда помещения: освещение, шум, микроклимат.

ПТ – предмет труда: разработка проекта.

Рис. 1 – Структурная схема «Ч–М–С»

На рис. 1 представлена структурная схема «Ч–М–С». На ней указаны внешние связи: управляющее воздействие вышестоящей системы, воздействие машины на предмет труда, а также внутренние связи, указанные в таблице 1.

Таблица 1 – Описание связей в системе «Ч–М–С»

Направление

Описание связи

1

Ч2–С

Влияние человека как биологического объекта на среду: потребление кислорода, тепло- влаговыделение и т.д.

2

С–Ч1

Влияние окружающей среды на качество работы оператора: повышенный шум, плохое освещение

3

С–Ч1

Информация о состоянии среды, которая обрабатывается человеком

4

С–Ч3

Влияние среды на состояние организма человека: температура, влажность, освещение, электромагнитные излучения и т.д.

5

М1–Ч1

М2–Ч1

М3–Ч1

Информация состояния машины, которая обрабатывается человеком

6

Ч1–М1

Влияние человека на управление техникой

7

Внешняя система управления Ч1

Управляющая информация о технологическом процессе из внешней системы управления

8

С–М1

С–М2

Влияние среды на работу машины: запыленность, температура

9

M3–C

Влияние машины на среду: шум, температура, электромагнитные излучения

10

Ч1–Ч3

11

Ч3–Ч1

Влияние психофизиологического состояния организма на качество его работы

12

Ч3–Ч2

Влияние психофизиологического состояния организма на степень интенсивности обмена веществ между человеком и средой

13

ПТ–Ч3

Влияние предмета труда на состояние человека

14

М1–ПТ

Влияние машины на предмет труда

15

М2–М1

Аварийное управляющее воздействие

16

М1–М2

Информация, необходимая для выработки аварийного управляющего воздействия

17

Ч1 - ПТ

Влияние человека на предмет труда

18

Ч1 – Ч2

Влияние интенсивности труда на обменные процессы

19

Ч3 – Ч3

Влияние психологического состояния людей друг на друга


В представленной системе "Ч-М-С" имеют место, как и физические, так и психофизические опасные и вредные производственные факторы, которые могут воздействовать на человека.

Согласно ГОСТ 12.0.003 – 74 опасные и вредные производственные факторы подразделяются по природе действия на группы:

1. физические;

2. химические;

3. биологические;

4. психофизиологические.

Для данных условий характерны две группы из вышеперечисленных – физические и психофизиологические, которые способны значительно снижать, а при длительном воздействии приводить к потере работоспособности работающего персонала:

а) физические

1)   повышенный уровень шума на рабочем месте(измеряется в дБ);

2)   отсутствие или недостаток естественного света(коэффициент природного освещения должен быть не менее 1,5 %);

3)   недостаточная освещенность рабочей зоны(измеряется в лк);

4)   повышенная или пониженная температура(измеряется в градусах Цельсия), влажность( в %) и повышенная подвижность воздуха рабочей зоны(в м/с).

б) психофизиологические:

1) умственное перенапряжение(в % за смену);

2) перенапряжение зрительных анализаторов(оценивается по категориям);

3) статические нагрузки;

4) монотонность труда;

5) эмоциональное напряжение.

Шум является одним наиболее распространенных в производстве вредным фактором. Проявление вредного воздействия шума на организм человека разнообразно: так шум с уровнем 80 дБ затрудняет разборчивость речи, вызывает снижение работоспособности и мешает нормальному отдыху, длительное воздействие шума с уровнем 100-120 дБ на низких частотах и 80-90 дБ на средних и высоких частотах может вызвать необратимые потери слуха , а шум с уровнем 120-140 дБ способен вызвать механические повреждения органов слуха.

При отсутствии или недостатке естественного света, также как при недостаточной освещенности рабочей зоны может возникнуть быстрая утомляемость и головная боль. Отсутствие или недостаток естественного света происходит из-за неправильно организованного освещения. В помещении имеются источники искусственного освещения (люминесцентные лампы) и естественное освещение (два оконных проема).

Излишнее освещение, полное и местное (блики) экрана резко снижает контрастность изображения, что приводит к перенапряжению зрительных анализаторов и снижению работоспособности.

Нарушение допустимых микроклиматических параметров (повышенная или пониженная температура, влажность и повышенная подвижность воздуха рабочей зоны) могут вызвать изменение функционального и теплового состояния организма и напряжение реакций терморегуляции, вызывающие дискомфортные теплоощущения, ухудшение самочувствия и понижение работоспособности. Причиной повышенной или пониженной температуры рабочей зоны является плохая теплоизоляция и недостаточное отопление.

Фактические значения ОВПФ приведены в таблице 2:

Табл. 2 Оценка факторов производственной среды и трудового процесса


Факторы производственной среды и

трудового процесса

Значение

фактора

(ПДК, ПДУ)

3 класс – опасные и вредные условия, характер труда

Проложительность действия фактора, в % за смену

Норма

Факт

1 ст

2 ст

3 ст


1

2

3

4

5

6

7

50 дб

60 дб


+


87,5%

8. Микроклимат:

- температура воздуха

хол.22-24°С тепл.23-25°С

23°С




85%

 - скорость движения воздуха

х.0,1

м/с

т.0,1

м/с

0,1м/с




85%

 - относительная

влажность

х.,т. 40-60%

55%




86%

9. Атмосферное

давление

747 мм рт ст

746 мм рт ст




85,5%

10. Освещение:

- естественное

1,5%

1,6%




85,5%

 - искусственное

300-500 лк

320 лк




85,5%

12.Напряженность труда

а) внимание:

продолжительность сосредоточения (в % от продолжительности смены)

До 75%

До 73%




75%

б) напряженность анализаторов:

- зрение (категория

работ)

4разряд зрительной работы

умеренная




85%


Согласно составленной оценки условий труда доминирующим вредным производственным фактором является шум.

2. Техника безопасности

Согласно ПУЭ помещение относится к классу помещений без повышенной опасности поражения электрическим током, так как в помещении отсутствуют особая влажность, токопроводящая пыль, возможность одновременного прикосновения человека к корпусам ПЭВМ и к заземлённым металлическим конструкциям здания. Средняя температура в помещении не превышает +35° С, относительная влажность не превышает 75%, исключена возможность одновременного прикосновения к заземленным металлическим конструкциям здания (батареи отопления) и корпусам электрооборудования. В соответствии с требованиями ГОСТ 12.1.030-81. ССБТ. “Электробезопасность. Защитное заземление, зануление” напряжением питания до 1000 В и глухозаземленной нейтралью применяется зануление для защиты от поражения электрическим током. Для зануления необходимо соединить все металлические корпуса оборудования, которые случайно могут оказаться под напряжением, с неоднократно заземленным нулевым проводом сети. Сечение соединительного проводника должно быть не меньше половины сечения фазного проводника. Зануление превращает замыкание на корпус в однофазное короткое замыкание в результате чего срабатывает автоматическая защита. Повторное заземление нулевого провода необходимо для уменьшения опасности поражения людей током, возникающей при обрыве нулевого провода и замыкании фазы на корпус за местом обрыва. Сопротивление повторного заземления нулевого провода должно быть не больше 10 Ом.

Контроль изоляции в отделе проводится один раз в год на участке “фаза-фаза”, “фаза-ноль”, “фаза – нулевой защитный проводник” (сопротивление изоляции должно быть не менее 0,5 МОм). В помещении установлено устройство защитного отключения, соответствующее ГОСТ 12.1.030-81. ССБТ. “Электробезопасность. Защитное заземление, зануление”, которое должно расположено на вводе электросети в производственное помещение, с целью защиты персонала от поражения электрическим током. Время отключения не превышает 0,1-0,2 с.

К эксплуатации оборудования допускаются работники, прошедшие следующие виды инструктажа, согласно ДНАОП 0.04-4.12-05 “Типове положення про навчання, інструктаж та перевірку знань з питань охорони праці”:

- вводный - проводится инженером по охране труда с поступлением на работу, общие вопросы о предприятии, основные положения законодательства, правила безопасности, общий режим отдыха. Факт вводного инструктажа записывается в специальном журнале и фиксируется подписями - инструктируемого и инструктирующего;

- первичный - проводится однократно на рабочем месте руководителем работ с вновь принятыми, переведёнными из других подразделений о обязанностях, режиме работы. По программе первичного инструктажа один раз в полгода проводится повторный инструктаж. Повторный инструктаж проводится на рабочем месте начальника отдела один раз в год, оформляется записью в журнале повторного инструктажа.

- внеплановый инструктаж проводится при введении законодательных актов по охране труда, при замене или модернизации оборудования, при нарушении нормативных актов по охране труда, что привело к травматизму, и по требование работников органа государственного надзора за охраной труда. Этот инструктаж проводится теми же лицами, в обязанности которых входит проведение первичного и повторного инструктажа.

- целевой инструктаж проводится при выполнении работ, не связанных с их основными обязанностями. При ликвидации аварий, организации массовых мероприятий и при работе на которой оформляется допуск. Запись о проведении инструктажа делается в журнале.

3. Производственная санитария и гигиена труда

Работы в помещении согласно ГОСТ 12.1.005-88. ССБТ. “Общие санитарно-гигиенические требования к воздуху рабочей зоны” относятся к категории работ по энергозатратам организма “легкая 1а” - работы, производимые сидя, не требующая систематического физического напряжения и перемещения тяжестей с энергозатратами организма 90 - 120 кКал/час. Эмоциональное состояние пользователя ЭВМ характеризуется эмоциональным возбуждением и эмоциональным напряжением. В соответствии с ГОСТ 12.1.005-88. ССБТ. “Общие санитарно-гигиенические требования к воздуху рабочей зоны”, ДСН 3.3.6.042-99 установлены оптимальные нормы температуры, влажности и скорости движения воздуха для данной категории.

Таблица 2 – Нормированные параметры микроклимата

Период года

Температура С

Относительная влажность, %

Скорость движения воздуха, м/с


Опт.

Доп.

Опт.

Доп.

Опт.

Доп.

Холодный

19-25

40-60

75

22-24

19-25

Теплый

23-25

22-28

40-60

55

23-25

22-28


Для обеспечения установленных норм микроклиматических параметров и чистоты воздуха применяется отопление в холодный период года и кондиционирование воздуха в теплый период, чтобы нормализовать повышенную температуру в отделе.

Создание наиболее благоприятной в техническом отношении обстановки на производстве и в быту способствует повышению работоспособности и производительности труда, а также снижению утомления. Работа сотрудников связана с умственным трудом. Для уменьшения влияния психофизиологических факторов необходимо правильно организовывать отдых работников, а также необходимо правильно организовывать рабочее место разработчика-оператора ЭВМ в соответствии с требованиями ДНАОП 0.00-1.31-99 “Правила охорони праці при експлуатації електронно - обчислювальних машин”, установить наиболее рациональный режим труда и отдыха.

При размещении рабочего места необходимо придерживаться следующих требований:

- рабочее место должно быть размещено таким образом, чтобы естественный свет падал сбоку (оптимально – слева);

- рабочее место с ПЭВМ размещается на расстоянии не менее 1м от стен со световым окном;

- расстояние между тыльной поверхностью видеотерминала и другим экраном должно быть не менее 2,5м;

- расстояние между боковыми поверхностями должно быть не менее 1,2м;

- проход между рядами должен быть не менее 1м.

Каждое рабочее место в отделе соответствует требованиям ГОСТ 12.2.032-78. ССБТ. “Рабочее место при выполнении работ сидя. Общие эргономические требования”: высота рабочей поверхности стола для ПЭВМ должна быть в пределах 680-800 мм, ширина стола - 600-1400 мм, глубина стола - 800-1000 мм. Кроме того, стол должен иметь пространство для ног высотой не менее 600мм и шириной не менее 500 мм. Сидения, используемые в отделе, должны быть снабжены подъемно-поворотным механизмом, позволяют регулировать угол наклона, как самого сидения, так и спинки. Сидения также снабжены подлокотниками и позволяют регулировать расстояние спинки от переднего края сидения.

Рабочее место оператора ЭВМ должно соответствовать требованиям, указанным в ГОСТ 12.2.032-78 «ССБТ. Рабочее место при выполнении работ сидя. Общие эргономические требования».

Трудовая деятельность в помещении лаборатории относится к группе В (творческий труд). Выполняемые работы относятся к ІІІ категории работ – продолжительность работ группы В превышает 4 ч. Работа пользователей компьютеров характеризуется значительным напряжением зрительных анализаторов, поэтому исключительно важную роль играет освещение рабочих мест. Для уменьшения умственного перенапряжения, монотонности труда и эмоциональных перегрузок следует установить перерывы по 20 мин каждый через 2 часа после начала работ, через 1,5 и 2,5 часа после обеденного перерыва или же по 5-15 минут через каждый час работы. Общая продолжительность дополнительных перерывов составляет 60 минут.

По ДБН В.2.5-28-2006 “Естественное и искусственное освещение. Нормы проектирования” минимальная освещенность для данных работ в отделе составляет 300-500 лк. Процент естественной освещенности равен 1,6 при норме 1,5. Вследствие недостатка естественного и искусственного освещения, дополнительно рекомендуется установить искусственное освещение в виде светильников.

В соответствии с ГОСТ 12.1.003-83. ССБТ. “Шум. Общие требования безопасности” защита от шума, создаваемого на рабочих местах внутренними источниками (компьютеры, принтеры), а также шума, проникающего извне, осуществляется следующими методами: уменьшением шума в источнике; рациональной планировкой размещения аппаратуры и оборудования в помещении и планировки самих помещений, акустической обработкой рабочих помещений; уменьшением шума по пути его распространения, применением шумопоглощающих материалов толщиной 30 см.

Нормируемой шумовой характеристикой рабочих мест согласно ГОСТ 12.1.003-83. ССБТ при постоянном шуме являются уровни звуковых давлений в децибелах в октавных полосах. Эквивалентный уровень звукового давления на рабочем месте не должен превышать 50 дБА, ДСН 3.3.6.037-99 . Превышение шума в лаборатории является доминирующим ОВПФ. Поэтому необходимо принять меры для устранения этого фактора.

Методы и средства защиты от шума разделяются на архитектурно-планировочные, технические, акустические и организационно-технические. К техническим методам защиты от шума относится выбор производственного оборудования с лучшими шумовыми характеристиками. Акустические методы защиты от шума включают звукоизоляцию, звукопоглощение и глушение шума. Для уменьшения шума также можно заменить устаревшие модели ПЭВМ на более новые, работающие тише, или же при отсутствии такой возможности провести ремонтно-профилактические работы. Проведем расчет звукопоглощения. Помещение лаборатории имеет следующие характеристики: длина – 12м, ширина – 6м, высота – 4м, площадь окон – 8м2. В качестве звукопоглощающего покрытия используем супертонкое стекловолокно, воздушный зазор составляет 250 мм. Покрываем стены и потолок.

Расчет:

Найдем объем помещения:

V=a*b*h=12*6*4=288м3. Определим постоянную помещения на частоте 1000Гц: В1000=45.

После этого определим общую суммарную площадь ограждающих поверхностей помещения:

 м2.

По найденной постоянной помещения для каждой октавной полосы вычисляем средний коэффициент звукопоглощения в помещении до его акустической обработки по формуле:

 

Принято считать целесообразной акустическую обработку помещений в случаях, когда до ее применения средний коефициент звукопоглощения  в октавной полосе со среднегеометрической частотой 1000 Гц не превышает 0,25.


Звукопоглощающие облицовки разместим на потолке и на стенах. Определим площади ограждения помещения, подлежащие облицовке:

;

;

 

 

Вычисляем эквивалентную площадь звукопоглощения поверхностями, не занятыми звукопоглощающей облицовкой по формуле:

 


Для облицовки помещения может быть выбрана конструкция, которая состоит из супертонкого стекловолокна. В качестве защитной оболочки принимается стеклоткань Э-0,1. В качестве перфорированного покрытия используется металлический лист толщиной 1,2 мм, перфорация по квадрату 24%, диаметр 5,5мм. Воздушный зазор 250мм. Находим реверберационный коэффициент звукопоглощения и заносим эти значения в таблицу 3.

Вычисляем эквивалентную площадь звукопоглощения поверхностями, занятыми звукопоглощающей облицовкой по формуле:

 


Для всех остальных частот ,так как

Находим средний коэффициент звукопоглощения в помещении после акустической обработки:

.

После этого определяем постоянные помещения на стандартных частотах после акустической обработки по формуле:

.


Вычисляем снижение уровня шума в расчетной точке по формуле:

 


Далее рассчитаем уровень шума в расчетной точке после акустической обработки по формуле:

 


Все данные расчетов заносим в таблицу 3.

Таблица 3 – Результаты расчета звукопоглощающего покрытия

Параметр

Среднегеометрические частоты октавных полос, Гц

63

125

250

500

2000

4000

8000

Постоянная помещения до акустической обработки В

29,3

27,9

28,8

33,75

40

67,5

108

189

Средний коэффициент звукопоглощения в помещении до акустической обработки

0,092

0,088

0,09

0,105

0,135

0,189

0,272

0,396

Эквивалентная площадь звукопоглощения поверхности не занятыми звукопоглощающей облицовкой Анеобл, м2

7,36

7,04

7,2

8,4

10,8

15,12

21,76

31,68

Реверберационный коэффициент звукопоглощения облицованных поверхностей

0,5

0,93

1

1

1

1

1

1

Эквивалентная площадь звукопоглощения поверхности занятыми звукопоглощающей облицовкой Аобл, м2

104

193,44

208

208

208

208

208

208

Средний коэффициент звукопоглощения в поменщении после акуст. обработки

0,39

0,69

0,74

0,75

0,76

0,77

0,79

0,83

Постоянная помещения после акустической обработки В1

182,6

646,7

829,7

865,6

911,6

970,1

1094,1

1409,1

Уровни звукового давления в расчетной точке до акустической обработки L, дБ

76

70

64

55

52

50

49

Снижение уровня шума за счет звукопоглощения

7,945

13,651

14,595

14,091

13,066

11,575

10,056

8,727

Уровни звукового давления в расчетной точке после акустической обработки L1, дБ

68,025

56,349

49,405

44,909

41,934

40,425

39,44

40,273

Допустимые уровни звукового давления в расчетной точке после акустической обработки Lдоп, дБ

71

61

54

49

45

42

40

38


Вывод: согласно полученным данным, уровень звукового давления после акустической обработки значительно ниже, следовательно использование супертонкого волокна эффективно.

4. Пожарная профилактика

Согласно ДБН В.1.1.7-2002 здание имеет II-ю степень огнестойкости. Данное помещение расположено в кирпичном здании, при работе применяются твердые сгораемые материалы, так же в помещении находятся твердые и волокнистые горючие вещества, значит, пожароопасность помещения относиться к категории В (согласно СНиП 2.09.02 -85). Помещение по пожароопасности относится к классу П-IIа согласно ПУЭ-85.

Пожарная безопасность обеспечивается соответственно ГОСТ 12.1.004-91. ССБТ. “Пожарная безопасность. Общие требования” системами предотвращения пожара и противопожарной защиты. Система предотвращения пожара представляет собой комплекс организационных мероприятий и технических средств, направленных на исключение условий возникновения пожара, и включает следующие мероприятия:

- предотвращение образования в пожароопасной среде источников возгорания;

- предотвращение образования пожароопасной среды.

Основным оборудованием, применяемым в помещении, являются ЭВМ. Замыкание, которое сопровождается искрением, ведет к недопустимым перегрузкам элементов, которые перегреваются и сгорают. Источниками пожара также могут быть устройства электропитания, электронные схемы ЭВМ, в которых возможен перегрев некоторых элементов. Кабели для подачи электропитания могут быть наиболее пожароопасными. Для уменьшения опасности воспламенения, кабели покрывают огнезащитными покрытиями.

Для тушения пожара в рабочем помещении используют первичные средства пожаротушения, к которым относятся водяные и воздушно-пенные пожарные стволы, песок, огнетушители. Однако следует ограничивать применение воды для тушения дорогостоящего электронного оборудования, которое при воздействии воды приходит в полную негодность, а также недостатком при тушении пожара водой является то, что вода обладает высокой электропроводностью и может привести к короткому замыканию.

Противопожарная защита достигается применением первичных средств пожаротушения. Согласно ДНАОП 0.00-1.31-99 “Правила охорони праці при експлуатації ЕОМ” в данном помещении размещается: 7 углекислотных огнетушителей ОУ-2, так как углекислота обладает плохой электропроводностью (из расчета два огнетушителя на 20 м2); телефон, установленный в легкодоступном месте; 2 пожарных извещателя (1 на 100 м2, но не менее 2-х на одно помещение) автоматическая пожарная сигнализация, которая реагирует на появление дыма, противопожарное покрывало, ящик с песком с объемом 0,25 м3.

В соответствии с ГОСТ 12.1.004-91. ССБТ. “Пожарная безопасность. Общие требования” для предотвращения пожара предусмотрено:

- не совмещать системы кондиционирования отдела и других помещений;

- применять общие или местные противопожарные преграды;

- обучать производственный персонал противопожарным правилам;

- запрещать применение открытого огня и курения в помещении;

- регулярно осуществлять контроль сопротивления изоляции.

Организационные мероприятия включают в себя проведение инструктажей по пожарной безопасности, назначение ответственного за пожарную безопасность, надзор за средствами пожаротушения, издание необходимых инструкций, планов эвакуации, наличие индивидуальных средств защиты.

Так как количество работающих в смену – семь человек и расстояние от наиболее удаленного места до выхода из помещения не превышает 25м, а значит, в случае пожара выход займет не более 30 секунд, по этому для эвакуации достаточно применить один единственный выход, ширина выхода – 1,2 м, высота – 2,4 м.

План эвакуации при пожаре должен указывать максимально короткий путь к выходу из здания, следуя которым персонал не создавал бы помех для следующих сзади.

Схема эвакуации должна быть размещена на стене у выхода из помещения.

5. Охрана окружающей среды

Раздел «Охрана окружающей среды» в работе не рассматривался, так как анализ условий разрабатывался в помещении лаборатории, в котором для освещения используется естественное освещение, где нет возможных источников загрязнения окружающей среды и нет объектов, которые опасны, и могли бы служить источником чрезвычайной ситуации.

Единственным объектом, который опасно влияет на состояние окружающей среды, являются отходы и мусор трудовой деятельности рабочих – например, бумага, пластик, стекло, и др. отходы. Для устранения этих факторов предлагается утилизировать поступающий мусор в соответствии с нормативными документами.

6. Гражданская оборона

Так как разработанный проект может использоваться на всех ПЭВМ, которые применяются на любом предприятии, то на предприятиях есть возможность возникновения чрезвычайной ситуации (ЧС).

На предприятии создана служба гражданской обороны в соответствии с требованием закона Украины «О гражданской обороне Украины» от 3 февраля 1993г.

Все ЧС подразделяются по:

- характеру происхождения;

- масштабам возможных последствий;

- экономическим убыткам.

По характеру действия ЧС делятся на:

- техногенные (транспортные аварии, катастрофы, пожары, не спровоцированные взрывы и их угроза, аварии с выбросом опасных(химических, радиоактивных, биологических) веществ, гидродинамические аварии и т.д.);

- природные (геологические, гидрологические, метеорологические явления и процессы, деградация недр, природные пожары, инфекционная заболеваемость людей, животных, растений и т.д.);

- социально – политические (связаны с противоправными действиями террористического или антиконституционного характера);

- военные (связаны с последствиями применения оружия массового поражения, а также факторы вторичного поражения - аварии на АЭС, аварии плотин, радиоактивное заражения местности).

По масштабам возможных последствий ЧС подразделяются на:

- общегосударственного уровня;

- регионального:

- местного;

- объектного уровня.

Заключение

В разделе безопасность жизни и деятельности человека были рассмотрены следующие пункты:

- анализ условий труда;

- техника безопасности;

- производственная санитария и гигиена труда;

- пожарная профилактика;

- защита окружающей среды;

- гражданская оборона.

Изучение условий труда выполнялось на основе анализа системы “Человек-Машина-Среда”. При выполнении раздела “Безопасность жизни и деятельности человека” были выявлены ОВПФ и рассмотрено их влияние на человека. Разработаны организационные и технические мероприятия, уменьшающие или исключающие влияние ОВПФ на человека, создания комфортных и безопасных условий работы. Определен класс пожаровзрывоопасности помещения, разработаны организационные и технические мероприятия, направленные на профилактику пожара, разработан план эвакуации при пожаре, рассмотрены вопросы промышленной санитарии и гигиены труда. Также был произведен расчет звукопоглощения и был выбран материал для звукопоглощающей облицовки стен и потолка.

Похожие работы на - Безопасность жизнедеятельности человека в процессе анализа системы "Человек-Машина-Среда"

 

Не нашли материал для своей работы?
Поможем написать уникальную работу
Без плагиата!
Без нейросетей!