Явления при стекании тока в землю через одиночный и групповой заземлитель
КОНТРОЛЬНАЯ РАБОТА
по основам безопасности жизнедеятельности
на тему:
ЯВЛЕНИЯ ПРИ СТЕКАНИИ ТОКА В ЗЕМЛЮ ЧЕРЕЗ ОДИНОЧНЫЙ И
ГРУППОВОЙ ЗАЗЕМЛИТЕЛЬ
I.
Расчет одиночного
вертикального заземлителя
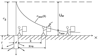
Задание: определить
UПР, UШ и ток через тело человека для одиночного
вертикального заземлителя радиусом r = 0,05 м и длиной l = 5 м, на расстоянии x = 2; 10; 20 м - для UПР, и на
расстоянии x = 0,8; 10; 20 м - для UШ. Ток стекания в землю IЗ = 30 А, удельное сопротивление земли rЗ = 120 Ом×м, сопротивление тела человека Rh = 1 кОм.
Уравнение потенциальной кривой
.
Выполнение работы
1.
Определим напряжение прикосновения
при разных значениях x и ток через тело человека.
UПР = jЗ - jОСН,
где jЗ – потенциал заземлителя; jОСН = jX –
потенциал основания.
= 686,92 В.
а) x = 2 м
jX = 188,
85 В;UПР =
686,92 - 188,85 = 498,07 В;Ih = UПР/Rh = 0,498 А.
б) x = 10 м
jX = 55,17
В;UПР =
686,92 - 55,17 = 631,75 В;Ih = UПР/Rh = 0,632 А.
в) x = 20 м
jX = 28,37
В;UПР =
686,92 - 28,37 = 658,55 В;Ih = UПР/Rh = 0,659 А.
2.
Определяем напряжение шага по
формуле:
где jX – потенциал в точке x, jX+a – потенциал в точке X+a; а = 0,8 м – расстояние шага.
а) x = 0,8 мUШ = 290,30 – 212,93 = 77,37 В;
б) x = 10 мUШ = 55,17 – 51,34 = 3,83 В;
в) x = 20 мUШ = 28,37 – 27,30 = 1,07 В.
II. Расчет защитного заземления
Задание: рассчитать
групповой заземлитель для помещения длиной 60 м и шириной 30 м, в котором используется электрооборудование на напряжение 380 В, суммарной
мощностью питающих трансформаторов РS = 400 кВА.
Удельное сопротивление грунта для вертикального электрода rВ = 120 Ом×м и
горизонтального электрода rГ = 180 Ом×м. Тип
заземляющего устройства контурный. Ток срабатывания релейной защиты IСР = 90 А.
Выполнение работы
1.
Определяем расчетный ток замыкания
на землю IЗ.
Принимаем в качестве IЗ ток срабатывания
релейной защиты от межфазного замыкания IСР
IЗ = 1,5×IСР = 135
А.
2.
Определяем требуемое сопротивление
заземляющего устройства. Т.к. в нашем случае
U
< 1000 В и РS > 100 кВА, то получаем RЗ = 4 Ом.
3.
Вычерчиваем предварительную схему
размещения электродов в этом устройстве.
Тип заземляющего устройства контурный. Вертикальные
электроды имеет форму стержня круглого сечения и расположены у поверхности
земли. Длина вертикальных электродов lВ = 6 м, диаметр d = 0,1 м. Горизонтальные - в виде протяженной на поверхности земли полосы шириной b = 0,04 м и длиной lГ = 6 м. Количество вертикальных электродов равно nB = 30.
4.
Определяем сопротивления
вертикального и горизонтального электродов.
Ом
Ом,
где d = 0,5b = 0,02 м.
5.
Находим для данного случая
коэффициенты использования hВ = 0,44 и hГ = 0,24. Рассчитаем групповое сопротивление
заземлителя
Ом.
Сравним
полученное расчетное сопротивление с требуемым. Должно выполняться следующее
условие:

Следовательно,
выбранная нами конструкция защитного заземления рассчитана верно.