|
Дальность полета
|
9500 км
|
|
Тяга ступени
|
1103 кН
|
|
Время работы ДУ
|
91 с
|
|
Диаметр ракеты
|
2,25
м
|
|
Топливо
|
Кислород+ Керосин
|
3.
Содержание проекта:
3.1
Разделы пояснительной записки:
-
проектировочный расчёт;
-
гидравлический расчёт;
-
массовый расчёт;
-
оценочные расчёты.
3.2
Перечень графического материала:
а)
Принципиальная схема ПГС – 1 лист формата А1;
б)
Схема размещения ПГС на верхнем днище бака– 1 лист формата А1;
в)
Элемент автоматики ЛА – 1 лист формата А3.
4.
Дата выдачи задания: 6 сентября 2006 г.
Аннотация
В ходе курсового
проектирования была произведено проектирование и расчёт ПГС двухступенчатой
баллистической ракеты.
Выполненный курсовой
проект включает в себя пояснительную записку объёмом 56 страниц формата A4, содержит 15 рисунков и 2 таблицы.
Список использованных источников состоит из 7 публикаций.
Графическая часть
курсового проекта включает в себя:
а)
Принципиальную схему ПГС – 1 лист формата А1;
б)
Сборочный чертёж верхнего днище бака окислителя – 1 лист формата А1;
в)
Сборочный чертёж элемента автоматики ЛА – 1 лист формата А3.
Содержание
Введение
1. Анализ схемных решений и выбор базового варианта
подачи компонентов топлива
2. Оценочный расчёт проектных
параметров ЖРД
3. Расчёт топливного отсека
3.1 Объёмный расчёт баков
окислителя и горючего
3.2 Оценочный расчёт массы
топливного отсека
4. Составление компоновочной схемы ступени
5. Выбор и обоснование схемы
системы наддува
5.1 Оценочный расчёт массы и
габаритов “холодной” системы наддува
5.2 Оценочный расчёт массы и
габаритов “горячей” системы наддува
6. Описание схемы ПГС и её работа
на всех этапах функционирования:
6.1 Описание схемы ПГС
6.2 Описание работы ПГС
6.2.1 Подготовка ракеты к запуску
6.2.2 Запуск двигателя
6.2.3 Работа ПГС в полёте
6.2.4 Выключение ДУ
6.2.5 Аварийный режим работы ПГС
7. Выбор диаметров трубопроводов
окислителя и горючего
8. Выбор типов заборных устройств и
расчёт остатков незабора
8.1 Выбор типов и основных
геометрических размеров заборных устройств
8.2 Расчёт полных остатков незабора
9. Расчёт гидравлических потерь в
магистралях трубопроводов
9.1 Расчёт гидравлических потерь в
магистралях горючего
9.2 Расчёт гидравлических потерь в
магистралях окислителя
10. Уточнённый расчёт топливного
отсека
11. Расчёт элемента автоматики
12. Расчёт времени заправки
13. Воздействие компонентов топлива
на экологию
Заключение
Список использованных источников
Приложения
Спецификация к сборочному чертежу
верхнего днища бака окислителя
Спецификация к сборочному чертежу
элемента автоматики
Введение
Важнейшим элементом летательных аппаратов, оснащённых
жидкостными ракетными двигательными установками (ЖРДУ) является пневмогидравлическая
система (ПГС), которая обеспечивает заправку ЛА основными компонентами топлива;
хранение запаса компонентов топлива и рабочих тел ПГС и автоматики ЛА на борту
без изменения химических и физических свойств в заданном диапазоне параметров;
предстартовый и основной наддув топливных баков; подачу компонентов топлива в
КС с заданными параметрами на протяжении всего времени работы ДУ.
Целью
данного курсового проекта является проектирование ПГС первой ступени
двухступенчатой баллистической ракеты.
1. Анализ схемных
решений и выбор базового варианта подачи компонентов топлива
В
зависимости от назначения к ЖРД предъявляют различные требования по величине
тяги, продолжительности и условиям работы. Это приводит к большому разнообразию
применяемых способов подачи компонентов и схем ДУ.
Одним
из важнейших элементов, характеризующих двигательную установку в целом,
является система подачи топлива.
По
типу агрегата, создающего давление подачи, различают вытеснительную и
турбонасосную подачу топлива.
Отличительной
особенностью вытеснительной системы подачи топлива является то, что баки с
компонентами топлива находятся под большим давлением, значительно превышающим
давление в КС. По этой причине топливные баки приходится делать толстостенными,
а, следовательно, массивными.
Применение
вытеснительной системы подачи топлива целесообразно при давлениях в КС не
больше
. Газовытеснительные системы подачи
топлива находят в основном применение в двигателях небольшой тяги, рассчитанных
на малое время работы.
При
насосной системе подачи топлива нет необходимости поддерживать в баках высокое
давление. Небольшое давление воздушной подушки в баках (
)
создаётся для обеспечения бескавитационной работы насосов. Насосная система
подачи топлива значительно сложнее вытеснительной, но для двигателей средних и
больших тяг она предпочтительнее, т. к. вес всей системы питания ЖРД, включая
баки с топливом, будет меньше.
Системы
питания ЖРД с насосной подачей топлива бывают:
1)
с
автономной (независимой) турбиной (схема “без дожигания”);
2)
с
предкамерной турбиной (схема “с дожиганием”).
Системы
ЖРД с автономной турбиной применяются для маршевых двигателей средней тяги
(максимальное значение давления в КС
). Следует учитывать
то, что автономные турбины являются высокоперепадными (
)
и малорасходными, а также то, что они снижают удельный импульс тяги двигателя
на 2-6 % из-за выброса “мятого” газа за борт ракеты.
Системы
ЖРД с предкамерной турбиной используются в двигателях большой тяги с
высоким давлением в КС (
). Предкамерные
турбины являются высокорасходными и низкоперепадными (
).
Двигатели данной схемы более экономичны, так как в них исключаются потери
удельного импульса тяги из-за расходования топлива на питание турбин. [1]
Так
как интервал времени работы ДУ довольно значителен и двигатели имеют среднюю
тягу, выбираем насосную систему подачи топлива без дожигания генераторного газа
(см. рис.1).
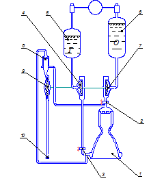
Рис.
1. Схема питания ЖРД с автономной турбиной и газогенератором, работающим на
основных компонентах топлива: 1 – камера сгорания; 2, 3 – отсечные клапаны; 4 –
насос горючего; 5 – бак горючего; 6 – бак окислителя; 7 – насос окислителя; 8 –
газогенератор;
9
– турбина; 10 – выхлопное сопло
Исходя
из того, что один из компонентов топлива (кислород) является криогенным,
турбину ТНА будем располагать консольно (см. рис.2). Центральное расположение
турбины в данном случае нерационально, так как условия работы такого ТНА крайне
сложны из-за высоких перепадов температуры в полостях ТНА.
Рис.2.
Схема расположения турбины в ТНА: а – центральное расположение турбины;
б
– консольное расположение турбины
2. Оценочный расчёт проектных параметров ЖРД
Данный
расчёт выполняется согласно [2].
Исходные
данные:
1)
Тяга 1-й ступени
;
2)
Количество двигателей ДУ
;
3)
Тяга единичного двигателя
;
4)
Топливо
керосин;
5)
Давление в камере сгорания одиночного двигателя
;
6)
Давление на срезе сопла
.
Стандартные
параметры топлива:
1)
Показатель процесса истечения продуктов
сгорания
из сопла
;
2)
Универсальная газовая постоянная
;
3)
Удельный импульс тяги
;
4)
Температура горения в камере сгорания
образцового
двигателя
;
5)
Плотность окислителя
;
6)
Плотность горючего
;
7)
Весовое соотношение компонентов топлива
.
2.1
Определение удельного импульса КС маршевого двигателя
2.1.1 Температуру горения топлива вычисляем по
формуле:
.
2.1.2 Приведенный стандартный импульс
,
учитывающий потери в КС двигателя и сопловой части, найдём по формуле:
2.1.3
Удельный импульс на расчётном режиме работы сопла
,
равен
где
;
,
2.1.4 Удельный импульс тяги камер сгорания
без учёта потерь на управление
определим
по формулам:
В
пустоте:
;
На
земле
:
2.1.5 Удельный импульс КС маршевого двигателя
определяем по формуле:
,
где
- уменьшение удельного импульса тяги
газовыми рулями, м/с;
Принимаем
2.2 Определение удельного импульса ДУ
2.2.1 Найдём плотность топлива
:
,
- весовое соотношение компонентов
топлива:
2.2.2 Коэффициент
,
где
- давление подачи. Принимаем
;
- КПД турбонасосного агрегата.
,
где
- КПД турбины. Принимаем
;
- КПД насоса. Принимаем
;
- удельная адиабатическая работа газа на
турбине.
При
использовании в газогенераторе турбины основных компонентов топлива можно
принять:
.
2.2.3 Удельный импульс выхлопного патрубка турбины
приближённо определяем по формуле:
.
2.2.4 Удельный импульс двигательной установки
определяем по формуле:
.
2.3 Приближённый расчёт основных геометрических
параметров двигателя
2.3.1 Определим расход топлива единичного двигателя
:
,
где
- тяга единичного двигателя, Н.
.
2.3.2 Определим диаметр критического сечения сопла
:
,
где
2.3.3 Определим диаметр на срезе сопла
:
,
где
2.3.4 Определим
диаметр КС
:
.
2.3.5 При грубом приближении можно принять:
;
Примем
;
;
;
;
.
2.3.6 Определим радиус кривизны контура сопла:
,
,
где
- угол на срезе сопла. Примем
.
- угол раскрытия сопла. Примем
.
- линейные участки контура сопла. Примем
.
2.3.7 Вычислим длину сверхзвуковой части сопла
по формуле:
;
.
2.3.8 Длину входа в сопло определим по формуле:
.
2.3.9 Длина двигателя:
.
2.3.10 Длина двигательной установки от среза сопла
до узла крепления
.
Рис.
3. Камера сгорания (1:10)
Рис.
4. Расположение ДУ в миделе ракеты (1:84)
3. Расчёт топливного отсека
Определение
массовых секундных расходов окислителя и горючего:
;
,
где
Z = 4 – количество двигателей в ДУ.
3.1 Объёмный расчёт баков окислителя и горючего
Данная
часть расчёта проводится согласно [3].
Исходные
данные:
Расход
горючего
;
Расход
окислителя
;
Время
работы двигателя
;
Плотность
горючего
;
Плотность
окислителя
;
Диаметр
ракеты
.
Выполнение
расчёта:
Полный
объём бака горючего:
,
где
- расчётный объём горючего;
;
- объём гарантированного запаса горючего;
;
Принимаем
;
- достартовый объём горючего;
;
- объём горючего при работе двигателя
на самотёке.
Принимаем
.
-
объём
горючего, расходуемого от момента включения в работу ТНА до выхода двигателя на
расчётный режим.
Принимаем
.
- коэффициент объёма воздушной подушки.
принимаем
.
Полный
объём бака окислителя:
По
аналогии с расчётом объёма бака горючего рассчитываем объём бака окислителя.
,
где
;
;
;
;
;
Принимаем
.
Расчёт продольных размеров баков
Определяем
радиус сферы верхнего и нижнего днищ баков (рис.5.):
,
где
.
Высота
верхнего и нижнего днищ баков:
.
Объём
сферического сегмента днищ:
.
Размеры бака горючего.
Высота цилиндрической части бака горючего:
.
Полная высота бака горючего:
.
Объём заправляемого горючего:
.
Объём воздушной подушки:
.
Высоту воздушной подушки от зеркала жидкости до полюса
верхнего днища бака найдём из выражения:
.
Получаем
.
Рис.5.
Расчётная схема топливного бака
Высота уровня жидкости в баке:
.
Размеры бака окислителя.
По
аналогии с расчётом размеров бака горючего рассчитываем размеры бака окислителя.
Высота цилиндрической части бака окислителя:
.
Полная высота бака окислителя:
.
Объём заправляемого окислителя:
.
Объём воздушной подушки:
.
Высоту воздушной подушки от зеркала жидкости до полюса
верхнего днища бака найдём из выражения:
.
Получаем
.
Высота уровня жидкости в баке:
.
3.2 Оценочный
расчет массы топливного отсека
Массу топливного отсека определяют суммой масс
топливных баков под основные компоненты топлива, массы устройств наддува и
узлов крепления и массы вспомогательных баков, при наличии таковых.
При работе ТНА на основных компонентах топлива масса
топливного отсека равна:
,
где
,
- массовые коэффициенты, определяемые
по формулам:
;
.
,
- коэффициенты, характеризующие массу
топливных баков под основное топливо.
,
- коэффициенты, характеризующие массу
устройств наддува и узлов крепления.
,
.
В оценочных расчетах можно принять:
;
,
где
- плотность топлива;
- относительная
толщина оболочки для алюминиевых сплавов.
Масса бака горючего:
.
Масса бака окислителя:
.
4. Составление компоновочной схемы ступени
Рис.6.
Компоновочная схема первой ступени ракеты (М 1:50)
5. Выбор и обоснование схемы системы наддува
Системы наддува служат
для обеспечения и поддержания требуемого давления в топливных баках.
Классификация систем
наддува может быть представлена следующей схемой:
Рис.7. Классификация
систем наддува
5.1 Оценочный расчёт массы и габаритов “холодной”
системы наддува
Исходные
данные:
Давление
насыщенных паров керосина
;
Давление
насыщенных паров кислорода
;
Плотность
керосина
;
Плотность
кислорода
;
Объем
заправляемого окислителя
;
Объем
заправляемого горючего
.
Рис.8.
Расчётная схема
Выполнение расчёта
5.1.1 Определение давления в газовой
подушке бака горючего
Расчёт
минимального давления
Значения
определяется по трём условиям.
1)
Условие бескавитационной работы насоса горючего в момент старта:
, [2]
где
- гидростатическое давление столба
жидкости.
,
где
- суммарные потери давления.
,
где
- скорость течения компонента в
магистрали;
- коэффициент местного сопротивления;
- осевая перегрузка в момент старта;
- высота столба жидкости;
- кавитационный запас; выбирается из
диапазона
.
Принимаем:
.
2)
Условие бескавитационной работы насоса горючего в конце работы 1-й ступени.
,
где
- суммарные потери давления.
,
где
,
где
;
,
где
- высота остатков незабора.
3)
Условие отсутствия кавитации на заборном устройстве в конце работы ДУ.
,
где
,
где
;
-потери давления на сифонном заборном
устройстве:
,
где
- коэффициент местного сопротивления
для сифона
- кавитационный запас, выбирается из
диапазона
.
Принимаем:
.
Максимальное
давление в подушке бака горючего:
;
где
– разница между максимальным и
минимальным давлениями; обычно
. Принимаем
.
Номинальное
давление в подушке бака горючего:
.
5.1.2 Расчёт “холодной” системы наддува для бака
горючего
Потребный объём аккумулятора
давления:
,
где
– коэффициент запаса;
– коэффициент адиабаты азота;
– начальное давление в аккумуляторе
давления. Выбирается из диапазона
. Принимаем
;
– конечное давление в аккумуляторе
давления.
Радиус шарбаллона:
.
Толщина стенки шарбаллона:
;
где
–
коэффициент запаса;
-
предел прочности для титанового сплава ВТ6.
Внешний объём шарбаллона:
.
Объём оболочки шарбаллона:
.
Масса конструкции шарбаллона (включая
массу дополнительных устройств и элементов крепления):
.
Масса рабочего тела (азота):
,
где
– газовая постоянная для азота;
– температура газа наддува.
Масса
«холодной» системы наддува для бака горючего:
.
5.1.3 Расчёт “холодной” системы наддува
с подогревом для бака горючего
Потребный объём аккумулятора
давления:
,
где
– температура входа газа наддува в бак.
Радиус шарбаллона:
.
Толщина стенки шарбаллона:
.
Внешний объём шарбаллона:
.
Объём оболочки шарбаллона:
.
Масса конструкции шарбаллона (включая
массу дополнительных устройств и элементов крепежа):
.
Масса рабочего тела (азота):
.
Масса
“холодной” системы наддува с подогревом для бака горючего:
.
5.1.4 Определение давления в газовой
подушке бака окислителя
Расчёт
минимального давления
Значения
определяется по трём условиям.
1)
Условие бескавитационной работы насоса окислителя в момент старта.
,
где
;
,
где
- скорость течения компонента в
магистрали;
- высота столба жидкости.
2)
Условие бескавитационной работы насоса окислителя в конце работы 1-й ступени.
,
где
;
,
где
; [2]
,
где
- высота остатков незабора.
3)
Условие отсутствия кавитации на заборном устройстве в конце работы ДУ.
,
где
,
;
-потери давления на тарельчатом заборном
устройстве:
,
где
- коэффициент местного сопротивления
для тарели.
Из
3-х 
выбираем
максимальное значение:
.
Максимальное
давление в подушке бака окислителя:
;
где
.
Номинальное
давление в подушке бака окислителя:
.
5.1.5 Расчёт “холодной” системы наддува для бака окислителя
Потребный
объём аккумулятора давления:
,
где
– конечное давление в аккумуляторе
давления.
Радиус
шарбаллона:
.
Толщина стенки шарбаллона:
.
Внешний объём шарбаллона:
.
Объём оболочки шарбаллона:
.
Масса конструкции шарбаллона (включая
массу дополнительных устройств и элементов крепежа):
Масса рабочего тела (азота):
,
где
– газовая постоянная для азота;
– температура газа наддува.
Масса
«холодной» системы наддува для бака горючего:
.
5.1.6 Расчёт “холодной” системы наддува
с подогревом для бака окислителя
Потребный объём аккумулятора
давления:
,
где
– температура входа газа наддува в бак.
Радиус шарбаллона:
.
Толщина стенки шарбаллона:
.
Внешний объём шарбаллона:
.
Объём оболочки шарбаллона:
.
Масса конструкции шарбаллона (включая
массу дополнительных устройств и элементов крепежа):
Масса рабочего тела (азота):
.
Масса
“холодной” системы наддува с подогревом для бака горючего:
.
5.2 Оценочный расчёт массы и габаритов “горячей”
системы наддува
Выполнение
расчёта
5.2.1 Бак горючего
Бак горючего
надувается отобранным после турбины «мятым» газом от основного газогенератора.
Для
определения массы конструкции горячей системы наддува существует эмпирическая
зависимость:
.
Принимаем:
.
,
где
– масса
рабочего тела:
;
–
эффективная работоспособность газа, при
определяется
по формуле:
,
где
.
5.2.2 Бак окислителя
Бак окислителя надувается основным
компонентом топлива (кислородом), прошедшем через теплообменник.
;
;
– эффективная работоспособность
кислорода при
:
.
.
Вывод:
Масса
холодной системы наддува для обоих баков:
.
Масса холодной системы наддува с
подогревом газа для обоих баков:
.
Масса горячей системы
наддува:
.
Как видно из результатов расчёта
«холодная» система наддува даже с подогревом газа имеет значительную массу и
размеры. Поэтому будем использовать «горячую» систему наддува:
для горючего - от основного ЖГГ с отбором
газа до турбины;
для окислителя – с отбором части
компонента после насоса и его испарением в теплообменнике.
6. Описание схемы ПГС и её работа на всех этапах
функционирования
6.1 Описание схемы ПГС
ПГС
– совокупность пневмогидравлических устройств ЖРДУ, состоящих из ПГС одного или
нескольких ЖРД, топливных баков (ТБ), расходных магистралей, вспомогательных
устройств и систем, обеспечивающих заправку ТБ компонентами топлива (КТ),
зарядку аккумуляторов давления, хранения рабочих продуктов без изменения их
свойств в заданном диапазоне параметров, предпусковой и основной наддувы баков,
непрерывную подачу КТ в КС ДУ, работу агрегатов автоматики и регулирования в
соответствии с циклограммой работы и программой полёта.
ПГС
включает в себя следующие комплексные системы:
-
топливная система - совокупность пневмогидравлических устройств, обеспечивающих
хранение КТ, питание КТ ЖРД для их нормального функционирования при старте и в
полёте. В неё входят баки окислителя и горючего (БО, БГ), газогенератор (ЖГГ),
насосы окислителя и горючего (НО, НГ), расходные магистрали с электропневмоклапанами
(ЭПК) и дросселями (Д).
-
система заправки - совокупность устройств, обеспечивающих заправку, насыщение
газом, дозаправку, слив и повторную заправку КТ. В неё входят магистрали 106,
107 с заправочно-сливными клапанами ЗСК1 и ЗСК2, а также ЭПК7 и Д12.
-
система предварительного наддува - совокупность устройств, обеспечивающих
наддув (поднаддув) ТБ до выхода на режим системы основного наддува. Состоит из
магистралей 104, 105. БО надувается подогретым кислородом, а БГ – воздухом.
-
система основного наддува - совокупность устройств, обеспечивающих наддув ТБ
при работающей ДУ. Наддув БГ производится газом, отобранным до турбины. Система
основного наддува БГ включает в себя обратный клапан КО1 и дроссель Д1. Наддув
БО производится КТ (кислородом), прошедшим через испаритель И. Система
основного наддува БО включает в себя КО2 и Д6.
-
система пневмоуправления агрегатами состоит из бортбаллона ББ1, магистралей
подвода управляющего давления 101, 102, 103.
-
система регулирования кажущейся скорости (РКС) - совокупность устройств,
обеспечивающих конечные параметры ЛА в конце активного участка траектории (АУТ)
за счёт изменения тяги ДУ. РКС состоит из дросселей Д2 и Д3, регулирующих по
командам системы управления подачу КТ в ЖГГ.
-
система одновременного опорожнения баков (СОБ) - обеспечивает одновременное
израсходование КТ из баков к моменту выключения двигателя путем изменения в
допустимых пределах коэффициента соотношения КТ (
).
Система включает в себя два датчика ДСОБ1 и ДСОБ2. Регулирование коэффициента
осуществляется с помощью регулируемых
дросселей Д5 и Д8.
-
система контроля уровня – предназначена для дистанционного измерения уровней КТ
в ТБ и выдачи командных сигналов на заправочные средства. Состоит из датчиков
ДСКУ1 и ДСКУ2, размещённых на верхних днищах ТБ.
6.2 Описание работы ПГС
6.2.1 Подготовка ракеты к запуску
Перед
заправкой ракеты в пневмомагистрали 101, 102 и 103 подаётся сжатый воздух.
Затем подаётся напряжение на нормально закрытые электропневмоклапаны ЭПК8 и ЭПК10,
вследствие чего они открываются и сжатый воздух через фильтры Ф1, Ф3 и дроссели
Д7, Д15 поступает к дренажно-предохранительным клапанам ДПК1 и ДПК2. Под
воздействием сжатого воздуха ДПК1 и ДПК2 открываются, обеспечивая дренаж
находящегося в ТБ газа в атмосферу. Поданный по пневмомагистрали 101 сжатый
воздух, проходя через дроссель Д10 открывает заправочно-сливной клапан ЗСК1.
Так
как один из КТ (окислитель) является криогенным, то предварительно нужно
произвести захолаживание БО и подводящих трубопроводов. Для этого подаётся
напряжение на нормально закрытые ЭПК 15 и ЭПК 7, вследствие чего они
открываются, и окислитель в определённом количестве поступает в бак по
магистрали 106. После чего с ЭПК7 и ЭПК15 снимается напряжение и они
закрываются.
Подаётся
напряжение на нормально закрытый ЭПК9, вследствие чего он открывается, и сжатый
воздух, проходя по пневмомагистрали 102 через фильтр Ф2 и дроссель Д11,
открывает ЗСК2.
После
открытия ЗСК2 начинается подача КТ в линии 106 и 107. Подаётся напряжение на
нормально закрытые ЭПК15 и ЭПК16, после чего они открываются и КТ, проходя
через ЭПК15, ЭПК16, ЗСК1 и ЗСК2, поступают в баки ракеты.
Для
измерения уровня КТ в ТБ при заправке используются датчики системы контроля
уровня ДСКУ1 и ДСКУ2. После подачи сигналов датчиками СКУ снимается напряжение
с электропневмоклапанов ЭПК15 и ЭПК16 (клапаны закрываются) – прекращается
поступление КТ в ТБ. Одновременно со снятием напряжения с ЭПК15 и ЭПК16,
снимается напряжение с ЭПК8, ЭПК9 и ЭПК10 – клапаны закрываются; прекращается
поступление сжатого воздуха к ЗСК1, ЗСК2, ДПК1 и ДПК2, что приводит к их
закрытию. Заправка завершена.
Зарядка бортбаллона
Зарядка бортбаллона производится после подачи
напряжения на нормально закрытый ЭПК13, при этом клапан открывается. Сжатый
воздух по пневмомагистрали 108 нагнетается в ББ1 через обратный клапан КО5.
Величина давления в бортбаллоне контролируется датчиком давления ДД5. При
превышении давлением допустимой величины открывается предохранительный клапан
ЭПК18 и воздух стравливается в атмосферу. При достижении давлением заданной
величины напряжение с ЭПК13 снимается и он закрывается. Зарядка бортбаллона
завершена.
Осуществляется
по пневмомагистралям 104 и 105. Наддув БГ производится подогретым воздухом, а
БО – подогретым кислородом.
Напряжение
подаётся на нормально закрытые ЭПК11 и ЭПК12, они открываются и газ наддува
через дроссели Д13 и Д14 подаётся в баки. Давления газов наддува в магистралях
контролируется датчиками давления ДД6 и ДД7. При достижении необходимого давления
в газовых подушках ТБ, датчики ДД6 и ДД7 подают команду на прекращение подачи
газа. Для этого снимается напряжение с ЭПК11 и ЭПК12. Предварительный наддув
баков произведён.
6.2.2 Запуск двигателя
Запуск
двигателя на предварительную ступень
Подаётся
напряжение на пиромембраны ПМ1 и ПМ2 (происходит их прорыв), одновременно с этим
подаётся напряжение на нормально закрытые клапаны предварительной ступени ЭПК1
и ЭПК6 (они открываются), а также на пороховой газогенератор ПГГ. Давление
пороховых газов от ПГГ воздействует на лопатки турбинного колеса, вследствие
чего происходит раскрутка ротора ТНА и одновременная подача КТ под действием
гидростатического давления и давления наддува в насосы. Часть КТ начинает
поступать через нормально открытые клапаны ЭПК3 и ЭПК4, дроссели Д2 и Д3 в жидкостный
газогенератор ЖГГ, где воспламеняется пиропатроном ПП1. Другая часть КТ
поступает через ЭПК1, Д4, Д5 и ЭПК6, Д9, Д8 в КС ДУ, где воспламеняется с
помощью пиропатронов ПП2 – ПП5.
Запуск
двигателя на режим главной ступени
После
достижения в камерах сгорания устойчивого горения КТ и заданного давления,
которое контролируется датчиками давлений ДД1 – ДД4, подается напряжение на
нормально закрытые клапаны ЭПК2 и ЭПК5, клапаны открываются. Сжатый воздух из
бортбаллона ББ1 поступает к главным клапанам ГКО и ГКГ. Двигатель переключается
на режим главной ступени.
6.2.3 Работа ПГС в полёте
В
полёте наддув ТБ осуществляется следующим образом. После НО часть компонента
идёт через дроссель Д15 в испаритель И, где газифицируется, и далее по
трубопроводу через дроссель Д6 и обратный клапан КО2 поступает в бак окислителя.
Бак горючего надувается газом, отбираемым перед турбиной и проходящим через
дроссель Д1 и КО1.
Давление
наддува в баках контролируется с помощью датчиков давления ДД6 и ДД7, которые
подают сигнал на открытие ДПК1 и ДПК2 в случае превышения заданного давления
газа наддува.
Регулирование
тяги ДУ осуществляется системой РКС путём использования регулируемых дросселей
Д2 и Д3.
Работа
СОБ обеспечивается датчиками ДСОБ1, ДСОБ2 и регулируемыми дросселями Д5, Д8.
6.2.4 Выключение ДУ
Будем
использовать двухступенчатое выключение ДУ, при котором двигатель переводится
сначала на режим пониженной тяги.
Режим
пониженной тяги
После
подачи команды на останов двигателя регулируемые дроссели Д3, Д2 переводятся на
пониженный расход КТ. Скорость вращения ротора ТНА уменьшается, следовательно,
уменьшается количество КТ, подаваемых в КС двигателя и ЖГГ, падает давление в
газовых подушках БО и БГ. Это приводит к уменьшению тяги, развиваемой ДУ.
Останов
двигателя
Для
окончательного выключения ДУ подаётся напряжение для закрытия нормально
открытых клапанов ЭПК3 и ЭПК4. Подача компонентов в ЖГГ прекращается,
следовательно, прекращается и наддув баков, что ведёт к уменьшению количества
топлива, поступающего в КС ДУ.
Одновременно
с закрытием клапанов ЭПК3 и ЭПК4 подаётся напряжение на нормально закрытый
клапан ЭПК18, вследствие чего он открывается. Воздух из бортбаллона ББ1, магистралей
управления главными клапанами (ГКО и ГКГ) стравливается за борт ракеты. ГКО и
ГКГ закрываются. Снимается напряжение с ЭПК2 и ЭПК5, вследствие чего они
закрываются.
Двигатель
ступени остановлен.
6.2.5 Аварийный режим работы ПГС
Выключение
двигателя на аварийном режиме происходит одноступенчато.
Если
в камерах сгорания на старте не образуется устойчивое горение, то происходит одновременное
закрытие клапанов ЭПК3, ЭПК4, ЭПК1, ЭПК6 и открытие клапанов ЭПК18, ДПК1, ДПК2.
Таким образом, происходит одноступенчатое выключение двигателя и стравливание
воздуха из бортовых ёмкостей.
При
аварийном режиме в полёте необходимо подать напряжение на предохранительный
клапан ЭПК18, чтобы стравить давление из бортбаллона ББ1, а также на ДПК1, ДПК2.
При аварийном (одноступенчатом) выключении одновременно обесточиваются ЭПК3 и
ЭПК4.
7. Выбор диаметров трубопроводов окислителя и
горючего
Исходные
данные:
Полная
высота бака горючего
;
Полная
высота бака окислителя
;
Диаметр
бака горючего
;
Диаметр
бака окислителя
;
Массовый
секундный расход горючего
;
Массовый
секундный расход окислителя
;
Плотность
горючего
;
Плотность
окислителя
;
Коэффициент
объема газовой подушки БГ
;
Коэффициент
объема газовой подушки БО
;
Минимальное
давление наддува в баке горючего
;
Минимальное
давление наддува в баке окислителя
;
Материал
стенок бака горючего АМг6;
Материал
стенок трубопровода АМг6;
Средняя
шероховатость поверхности трубопроводов
;
Характеристики
материала АМг6:
предел
прочности
;
плотность
.
Выполнение
расчёта:
Расчет
диаметра трубопровода горючего
- масса топливной
системы горючего,
где
- масса бака горючего;
- масса рабочего тела наддува бака
горючего;
- масса трубопровода горючего.
Масса
бака горючего:
,
где
.
Масса
трубопровода:
,
где
;
- приведённая длина трубопровода
горючего (от заборного устройства до входа в насос).
Масса
рабочего тела наддува бака горючего:
,
где
;
- эффективная работоспособность газа.
Суммарные
потери давления в трубопроводе горючего:
,
где
- потери давления на создание скорости;
- скорость движения горючего в
трубопроводе.
- потери давления на трение между
движущейся жидкостью и стенками трубопровода;
- коэффициент потерь на трение (зависит
от режима течения жидкости);
- местные потери;
- суммарный коэффициент местных
сопротивлений.
Масса
топливной системы горючего:
.
Зададимся
несколькими значениями диаметра трубопровода горючего и произведём расчёт по
приведённым выше выражениям. После чего построим график зависимости массы
топливной системы горючего от диаметра трубопровода (рис.9) и данные вычислений
сведём в таблицу (табл.1).
Рис.9.
График зависимости массы топливной системы горючего от диаметра трубопровода
Таблица
1
|
, м
|
, м/с
|
, Па
|
, м
|
|
|
0.08
|
21.87
|
1.148
|
469.779
|
-
|
|
0.09
|
17.28
|
7.166
|
316.596
|
32.608
|
|
0.1
|
13.997
|
4.702
|
229.06
|
27.649
|
|
0.11
|
11.568
|
3.211
|
176.122
|
23.111
|
|
0.12
|
9.72
|
2.268
|
142.594
|
19.037
|
|
0.13
|
8.282
|
1.646
|
120.529
|
15.474
|
|
0.14
|
7.141
|
1.224
|
105.53
|
12.445
|
|
0.15
|
6.221
|
|
95.046
|
9.934
|
|
0.16
|
5.468
|
7.175
|
87.541
|
7.896
|
|
0.17
|
4.843
|
5.63
|
82.054
|
6.268
|
|
0.18
|
4.32
|
4.479
|
77.968
|
4.98
|
|
0.19
|
3.877
|
3.608
|
74.875
|
3.967
|
По
ГОСТ 18482-79 выбираем диаметр трубопровода горючего равным
.
Расчет
диаметра трубопровода окислителя
- масса топливной
системы окислителя,
где
- масса бака окислителя;
- масса рабочего тела наддува бака окислителя;
- масса трубопровода окислителя.
Масса
бака окислителя:
,
где
.
Масса
трубопровода:
,
где
;
- приведённая длина трубопровода окислителя
(от заборного устройства до входа в насос).
Масса
рабочего тела наддува бака окислителя:
,
где
;
- эффективная работоспособность газа.
Суммарные
потери давления в трубопроводе окислителя:
,
где
- потери давления на создание скорости;
- скорость движения окислителя в
трубопроводе.
- потери давления на трение между
движущейся жидкостью и стенками трубопровода;
- коэффициент потерь на трение (зависит
от режима течения жидкости);
- местные потери;
- суммарный коэффициент местных
сопротивлений.
Масса
топливной системы окислителя:
.
Зададимся
несколькими значениями диаметра трубопровода окислителя и произведём расчёт по
приведённым выше выражениям. После чего построим график зависимости массы
топливной системы окислителя от диаметра трубопровода (рис.10) и данные
вычислений сведём в таблицу (табл.2).
Рис.10.
График зависимости массы топливной системы окислителя от диаметра трубопровода
Таблица
2
|
, м
|
, м/с
|
, Па
|
, м
|
|
|
0.13
|
19.726
|
1.333
|
1327
|
-
|
|
0.14
|
17.009
|
9.911
|
1028
|
22.545
|
|
0.15
|
7.521
|
818.581
|
20.344
|
|
0.16
|
13.022
|
5.81
|
668.908
|
18.285
|
|
0.17
|
11.535
|
4.559
|
559.482
|
16.359
|
|
0.18
|
10.289
|
3.627
|
477.989
|
14.566
|
|
0.19
|
9.235
|
2.922
|
416.295
|
12.907
|
|
0.2
|
8.334
|
2.38
|
368.9
|
11.385
|
|
0.21
|
7.559
|
|
332.007
|
10.001
|
|
0.22
|
6.888
|
1.625
|
302.946
|
8.753
|
|
0.23
|
6.302
|
1.361
|
279.805
|
7.638
|
|
0.24
|
5.788
|
1.148
|
261.197
|
6.65
|
По
ГОСТ 18482-79 выбираем диаметр трубопровода окислителя равным
.
8. Выбор типов заборных устройств и расчёт остатков
незабора
Заборные
устройства (ЗУ) ТБ, предназначены для обеспечения бесперебойного поступления
компонентов топлива из баков в топливные магистрали при всех заданных режимах
работы ЖРД. Нарушения подачи топлива, вызываемые воронкообразованием,
кавитацией или динамическим «провалом» уровня свободной поверхности топлива,
проявляющимся в неравномерном опускании топлива, недопустимы.
Конструкция
ЗУ зависит от области применения ЛА, а также от конструктивного выполнения и
компоновки ТБ и ДУ.
На
маломанёвренных ЛА обычно применяются тарельчатые или сифонные ЗУ.
При сливе КТ через сливное отверстие в
баке в конце опорожнения образуется воронка, приводящая к двухфазному течению в
сливном трубопроводе.
Переход к двухфазному течению при
вихревом воронкообразовании происходит при больших высотах уровня, чем при
возникновении воронки без вращения. Поэтому для уменьшения остатков незабора
применяют ЗУ, понижающие величину критического уровня.
На
величину остатков незабора топлива оказывают влияние:
1.
форма
топливного бака;
2.
форма
днища, с которого производится забор КТ;
3.
место
отбора (центральное или боковое);
4.
способ,
применяемый для исключения вихревой воронки;
5.
массовый
секундный расход КТ.
Для
бака окислителя выбираем тарельчатое ЗУ с центральным отбором КТ, а для бака
горючего – тарельчатое ЗУ с боковым отбором КТ.
8.1 Выбор типов и основных геометрических размеров
заборных устройств
Расчёт
проводится согласно [4].
Выбор
основных размеров заборного устройства бака окислителя
Диаметр
тарели:
.
Высота
установки тарели:
.
Радиус
перехода в сопряжении днище – трубопровод:
.
Диаметр
рёбер тарели:
.
Радиус
внутреннего контура тарели:
.
Рис.11.
Схема заборного устройства бака окислителя
Выбор
основных размеров заборного устройства бака горючего
Диаметр
тарели:
.
Высота
установки тарели:
.
Радиус
перехода в сопряжении днище – трубопровод:
.
Диаметр
рёбер тарели:
.
Радиус
внутреннего контура тарели:
.
Рис.12.
Схема заборного устройства бака горючего
8.2
Расчёт полных остатков незабора
Исходные
данные:
Кинематическая
вязкость окислителя
;
Кинематическая
вязкость горючего
;
Коэффициент
поверхностного натяжения окислителя
;
Коэффициент
поверхностного натяжения горючего
.
Расчёт
полных остатков незабора окислителя
Число
Рейнольдса:
.
Число
Фруда:
,
где
– ускорение свободного падения.
Вспомогательные
коэффициенты:
.
.
.
Относительный
критический уровень:
Высота
уровня жидкости при которой происходит прорыв газа в сливной трубопровод:
.
Остатки
незабора для ТБ со сферическим днищем и центральным расположением ЗУ:
,
где
- радиус бака;
- коэффициент, учитывающий объём
воздушной воронки;
- коэффициент, учитывающий форму днища;
.
Остатки
незабора на продольных элементах ТБ
.
Средняя
толщина плёнки на продольном силовом наборе:
.
,
где
– скорость
опускания
уровня жидкости в топливном баке.
Смачиваемая
боковая поверхность бака:
.
Смачиваемая
поверхность силового набора (гасителей колебаний) бака:
,
где
– ширина элемента силового набора;
n = 4 – количество элементов
силового набора.
Остатки
незабора на поперечных элементах ТБ
.
Средняя
толщина плёнки на поперечном силовом наборе:
.
Смачиваемая
поверхность бака:
,
где
– высота сферического днища.
Остатки
окислителя в магистралях
;
где
– длина трубопровода от
бака до входа в насос окислителя.
Суммарные
остатки незабора окислителя
Суммарная
масса остатков незабора окислителя
.
Расчёт
полных остатков незабора горючего
Число
Рейнольдса:
.
Число
Фруда:
.
Вспомогательные
коэффициенты:
.
.
.
Относительный
критический уровень:
Высота
уровня жидкости при которой происходит прорыв газа в сливной трубопровод:
.
Остатки
незабора для ТБ со сферическим днищем и боковым расположением ЗУ:
где
- высота застойной зоны (определяем
после прочерчивания ЗУ);
- радиус тоннельной трубы.
Остатки
незабора на продольных элементах ТБ
Средняя
толщина плёнки на продольном силовом наборе:
.
,
где
– скорость опускания уровня жидкости в
топливном баке.
Смачиваемая
боковая поверхность бака:
.
Смачиваемая
поверхность силового набора (гасителей колебаний) бака:
.
Смачиваемая
поверхность тоннельной трубы:
.
Остатки
незабора на поперечных элементах ТБ
.
Средняя
толщина плёнки на поперечном силовом наборе:
.
Смачиваемая
поверхность бака:
.
Остатки
горючего в магистралях
;
где
– длина трубопровода от
бака до входа в насос горючего.
Суммарные
остатки незабора горючего
Суммарная
масса остатков незабора горючего
.
9. Расчёт гидравлических потерь в магистралях
трубопроводов
Расчёт
проводится согласно [4].
Рис.13.
Расчётные схемы магистралей горючего (а) и магистралей окислителя (б)
Исходные данные:
Длина
основной магистрали окислителя (ЗУ - насос)
;
Длина
основной магистрали горючего (ЗУ - насос)
;
Длина
питающей магистрали окислителя (насос - КС)
;
Длина
питающей магистрали горючего (насос - КС)
.
9.1 Расчёт гидравлических потерь в магистралях
горючего
Расчёт
потерь в трубопроводе горючего от ЗУ до входа в насос
Ранее
было получено:
-
диаметр трубопровода горючего от ЗУ до насоса горючего
;
-
скорость горючего в трубопроводе
.
Определяем
число Рейнольдса:
.
Определяем
коэффициент трения:
,
где
- средняя шероховатость поверхности
трубопроводов диаметром
.
Определяем
потери давления на трение:
.
Определяем
потери давления на создание скорости:
.
Определяем
потери давления на местных сопротивлениях:
,
где
- коэффициент местных потерь на
заборном устройстве.
; принимаем
;
- коэффициент местных потерь на
пиромембране.
; принимаем
.
Определяем
суммарные потери давления:
.
Расчет
потерь в трубопроводе горючего от насоса горючего до КС
Так
как расход компонента значительный, то скорость течения жидкости на участке от
насоса горючего до камеры сгорания примем равной
.
Диаметр
трубопровода:
,
Окончательно
принимаем
.
Пересчитываем
скорость течения:
.
Определяем
число Рейнольдса:
.
Определяем
коэффициент трения:
.
Определяем
потери давления на трение:
.
Определяем
потери давления на создание скорости:
.
Определяем
потери давления на местных сопротивлениях:
где
- коэффициент местных потерь на
разветвление потока.
; принимаем
;
– коэффициент местных потерь на
клапане. Принимаем
;
– коэффициент местных потерь на
дросселе. Принимаем
;
Определяем
суммарные потери давления:
.
Суммарные
потери давления в трубопроводе горючего от ЗУ до КС
.
9.2 Расчёт гидравлических потерь в магистралях
окислителя
Расчёт
потерь в трубопроводе окислителя от ЗУ до входа в насос
Ранее
было получено:
-
диаметр трубопровода окислителя от ЗУ до насоса окислителя
;
-
скорость горючего в трубопроводе
.
Определяем
число Рейнольдса:
.
Определяем
коэффициент трения:
,
где
- средняя шероховатость поверхности
трубопроводов диаметром
.
Определяем
потери давления на трение:
.
Определяем
потери давления на создание скорости:
.
Определяем
потери давления на местных сопротивлениях:
,
где
- коэффициент местных потерь на
заборном устройстве.
; принимаем
;
- коэффициент местных потерь на
пиромембране.
; принимаем
.
Определяем
суммарные потери давления:
.
Расчет
потерь в трубопроводе окислителя от насоса окислителя до КС
Так
как расход компонента значительный, то скорость течения жидкости на участке от
насоса окислителя до камеры сгорания примем равной
.
Диаметр
трубопровода:
,
Окончательно
принимаем
.
Пересчитываем
скорость течения:
.
Определяем
число Рейнольдса:
.
Определяем
коэффициент трения:
.
Определяем
потери давления на трение:
.
Определяем
потери давления на создание скорости:
.
Определяем
потери давления на местных сопротивлениях:
где
- коэффициент местных потерь на
разветвление потока.
; принимаем
;
– коэффициент местных потерь на
клапане. Принимаем
;
– коэффициент местных потерь на
дросселе. Принимаем
;
Определяем
суммарные потери давления:
.
Суммарные
потери давления в трубопроводе окислителя от ЗУ до КС
.
10. Уточнённый расчёт топливного отсека
Исходные
данные:
Длина
основной магистрали окислителя (ЗУ - насос)
;
Длина
основной магистрали горючего (ЗУ - насос)
;
Диаметр
трубопровода горючего от ЗУ до НГ
;
Диаметр
трубопровода окислителя от ЗУ до НО
;
Диаметр
туннельной трубы
;
Коэффициент
объёма воздушной подушки
;
Объём
остатков незабора для БГ
;
Объём
остатков незабора для БО
;
Рабочий
объём горючего
;
Рабочий
объём окислителя
;
Диаметр
ступени
.
Выполнение
расчёта:
Из
расчёта, выполненного в пункте 3.2, возьмем следующие данные:
- радиус сферы верхнего и нижнего днищ
баков;
- высота верхнего и нижнего днищ баков;
- объём сферического сегмента днищ.
Рис.14.
Расчётная схема бака горючего
Бак
горючего
Объём
топлива в трубопроводе горючего:
.
Объём
горючего, находящегося в баке:
.
Объём
горючего в нижнем сферическом сегменте БГ с учётом объёма туннельной трубы:
Высоту
цилиндрической части бака горючего вычислим с помощью итераций:
Получим:
.
Полная высота бака горючего:
.
Объём
туннельной трубы:
.
Полный
объём бака горючего:
Полный
объём заправляемого горючего:
.
Объём
горючего в цилиндрической части БГ с учётом объёма туннельной трубы:
.
Объём
горючего в верхней сфере БГ с учётом объёма туннельной трубы:
.
Объём
воздушной подушки:
.
Высота
воздушной подушки от верхнего полюса бака:
Получаем:
.
Высота
зеркала горючего от нижнего полюса бака:
Бак
окислителя
Объём
топлива в трубопроводе окислителя
.
Объём
горючего, находящегося в баке:
.
Полный
объём бака окислителя:
.
Полный
объём заправляемого окислителя:
.
Высота
цилиндрической части бака окислителя:
.
Полная высота бака окислителя:
Объём воздушной подушки:
.
Высота
воздушной подушки от верхнего полюса бака:
Получаем:
.
Высота
зеркала горючего от нижнего полюса бака:
.
11. Расчёт элемента автоматики
Расчёт
проводится согласно [4].
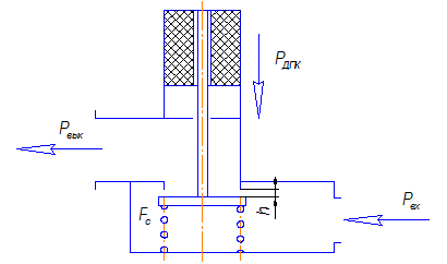
Дренажно-предохранительные
клапаны предназначены для защиты ёмкостей и полостей системы от воздействия
чрезмерного давления газа, превышающего допустимое значение. Основными
параметрами ДПК являются давление
, при котором
гарантируется допустимая негерметичность клапана, и давление
, при котором клапан пропускает заданный
расход газа
.
Расход
газа через ДПК:
,
где
- коэффициент расхода;
- площадь проходного сечения;
- диаметр седла клапана;
- высота подъёма тарели клапана над
седлом;
- величина, которая зависит от характера
истечения газа через лапан и определяется соотношением входного и выходного
давлений.
Для
сверхкритического режима истечения:
и
.
Для
улучшения характеристик ДПК относительная высота подъёма его тарели над седлом
выбирается из условия
.
Рис.15.
Расчётная схема ДПК
Исходные
данные:
Коэффициент
адиабаты для кислорода
;
Полное
давление газа на входе в клапан
;
Газовая
постоянная газа наддува
;
Температура
газа на входе в клапан
;
Массовый
секундный расход газа через клапан
;
Усилие,
развиваемое электромагнитом ДПК
.
Выполнение
расчёта:
.
Определяем
эквивалентный диаметр седла клапана:
,
Где
.
Определяем
площадь проходного сечения клапана:
.
Определяем
высоту подъёма клапана:
.
Принимаем:
.
Уточняем
эквивалентный диаметр:
.
Определяем
диаметр седла клапана:
,
где
- диаметр штока; принимаем.
Принимаем:
Уточняем
проходную площадь клапана:
.
Определяем
жёсткость пружины клапана:
.
Используя
справочник [7], выбираем пружину № 182 ГОСТ 13766-86.
12. Расчёт времени заправки
Расчёт
проводится согласно [4].
Исходные
данные:
Расход
заправочной системы
.
Выполнение
расчёта:
Время
заправки:
;
.
Общее
время заправки баков ступени:
.
.
13. Воздействие компонентов топлива на экологию
Токсичность
КТ.
Предельно
допустимая концентрация (ПДК):
-
кислорода
;
-
керосина
.
Углеводородные
ракетные горючие по сравнению с химическими горючими отличаются небольшой
гигроскопичностью. В горючем типа керосина при
растворяется
в 8 раз меньше воды, чем в горючем на основе аминов.
Скорость
испарения горючего типа керосина не превышает в летний период за 1 месяц
на 1
парового
пространства резервуара. Поэтому при проливах данного КТ существует возможность
нейтрализации большей его части. [5]
При
высокотемпературном сгорании данных компонентов топлива образуются оксиды
азота, оксиды серы, сероводород, углекислый и угарный газы, а также большое
количество сажи, что в значительной степени загрязняет не только атмосферу
земли, но и всю её экосистему.
Заключение
В
данном курсовом проекте была разработана схема пневмогидравлической системы
первой ступени двухступенчатой баллистической ракеты. Были произведены
оценочные, гидравлические, весовые и другие расчёты. Составлена принципиальная
схема ПГС, выбрано необходимое сочетание и количество элементов автоматики
летательного аппарата, составляющих схему ПГС. Основываясь на анализе систем
основного наддува, выбрана «горячая» система наддува, что для первой ступени
является наиболее приемлемым вариантом по сравнению с «холодной» системой наддува.
Выполнен расчёт элемента автоматики (ДПК) и времени заправки ступени.
Список использованных источников
1.
Конструкция и работа ЖРД: Методические указания к лабораторным работам по дисциплине
“Жидкостные ракетные двигатели”/ Сост.Л.И. Гречух, И.Н. Гречух.– Омск, Изд-во
ОмГТУ, 2005.- 100 с.: ил.
2.
Шпакович А. В. Курсовой проект по дисциплине “Теория, расчёт и проектирование
РД”.- Омск:2006.
3.
Шпакович А. В. Курсовая работа по дисциплине “Устройство и проектирование ЛА”.-
Омск:2006.
4.
Пневмогидравлические системы и автоматика ДЛА: Методические указания к
курсовому проекту для студентов специальностей 130400, 130600/ Сост. А.Б.
Яковлев, В.Ю. Куденцов – Омск: Изд-во ОмГТУ, 2001.– 32 с.: ил.
5.
Зрелов В.Н., Серегин Е.П. Жидкие ракетные топлива. М.: Химия, 1975.- 320 с.:
ил.
6.
Анурьев В.И. Справочник конструктора-машиностроителя: В 3 т. Т.1. – 8 – е изд.,
перераб. и доп.– М.: Машиностроение, 2001. – 920 с.: ил.
7.
Анурьев В.И. Справочник конструктора-машиностроителя: В 3 т. Т.3. – 8 – е изд.,
перераб. и доп.– М.: Машиностроение, 2001. – 864 с.: ил.