Виды облигаций, индексы фондового рынка
Цель
работы: Ознакомится с устройством и принципом действия ИП
видео монитора.
Теоретические
сведения.
|
|
|
|
|
 |
|
 |
|
Источник питания (в дальнейшем
сокращенно – ИП) является важным узлом ВМ, в котором из переменного напряжения
питающей сети образуются все необходимые для его работы постоянные напряжения.
В подавляющем большинстве моделей ВМ используются импульсные схемы ИП из-за их
высоких энергетических показателей и стабильности. Требования к ИП ВМ
предъявляются, как правило, такие же, как и для применения в других
устройствах, а именно: высокий КПД, малый вес, высокая стабильность выходных
напряжений и их малая пульсация, отсутствие излучения радиопомех, а также
высокая надежность. Следствием этих требований является применение специально
разработанных для использования в импульсных ИП элементов (ферритов,
транзисторов, микросхем, диодов и конденсаторов) и технологий (компоновка
элементов на плате, экранировка, подавление радиопомех). В ИП для ВМ
используются схемы импульсных трансформаторных конвертов с* прямым* включением
диодов на выходе. Такая схема ИП приведена на рис. 2 слева, а справа показана
форма токов и напряжений на ее элементах.
Рисунок1. Схема ИП с прямым включением диодов на
выходе.
Принцип
работы этого ИП следующий: когда транзистор ТК находится в режиме насыщения
(полностью открыт), энергия от выпрямителя напряжения сети поступает через
трансформатор Т и диод D в нагрузку, одновременно заряжается конденсатор С, а
когда транзистор закрыт, конденсатор отдает в нагрузку накопленную энергию. Напряжение
на выходе такого источника не зависит от тока нагрузки и частоты переключения
транзистора, но определяется коэффициентом трансформации обмоток и
коэффициентом заполнения импульсов t/T, т.е. регулировка выходного напряжения или его стабилизация может
осуществляться за счет широтно-импульсной модуляции (ШИМ) путем управления
длительностью открытого состояния ключевого транзистора. Рабочая частота ИП
составляет 15 – 80 кГц, она может быть также синхронизована с частотой строчной
развертки ВМ для исключения образования продуктов “биения частот”, которые
приводят к искажениям растра и появлению на экране ряби или других
нежелательных эффектов.
Переменное
напряжение питающей сети поступает через предохранитель ПР и сетевой фильтр на
выключатель ВК, установленный обычно на панели ВМ. С выключателя сетевое
напряжение подводится через термистор к петле размагничивания ЭЛТ и
выпрямителю, на выходе которого подключен электрический конденсатор С. На этом
конденсаторе получается (при напряжении питающей сети 220 В) постоянное
напряжение величиной до 340 В. Для уменьшения стартового тока заряда этого
конденсатора в цепь на входе выпрямительного моста иногда включают термистор,
который в момент включения имеет сопротивление десятки Ом, а после его нагрева
сопротивление падает до нескольких Ом. Это предохраняет диодный мост от
чрезмерных перегрузок в момент включения ВМ. Постоянное напряжение от
выпрямителя поступает на последовательно соединенные первичную обмотку силового
трансформатора и ключевой транзистор для создания импульсов тока в этой цепи.
Схема управления ключом обеспечивает задание частоты следования импульсов и их
длительности (ШИМ) для регулирования выходных напряжений ИП. Сигнал о величине
выходного из выходных выпрямителей В через элемент гальванической развязки, в
качестве которого может использовать оптрон или импульсный трансформатор. На
схему управления ключом могут поступать также сигналы для синхронизации рабочей
частоты ИП с частотой строчной развертки, схем защиты по аварийным перегрузкам
и схем отключения ИП при отсутствии на входе импульсов синхронизации от
компьютера. Выходные выпрямители, подключенные к вторичным обмоткам силового
трансформатора, обеспечивают получение необходимых постоянных питающих
напряжений для всех узлов ВМ.
Как
правило ИП в ВМ вырабатывает следующие напряжения:
·
6,3 В – для накала ЭЛТ,
·
12 – 15 В – для питания схем
управления,
·
24 – 60 – для питания кадровой
развертки,
·
70 – 170 В – для блока строчной
развертки.
Все эти напряжения определяются соотношением витков в
обмотках трансформатора, поэтому они жестко связаны между собой. При настройке
ИП устанавливается величина одного из них, а другие могут незначительно
отличаться от номиналов, указанных в схеме.

Рассмотрим более подробно наиболее типичные
схемы ИП. На рис. 4 приведена схема входной части ИП.
Рисунок 3. Входная часть ИП.
Сетевое
напряжение с помощью кабеля подается на трехконтактный разъем CN1,
в котором, кроме двух контактов для силовых линий однофазной сети, имеется
контакт защитного заземления. Этот контакт обеспечивает электрическое
соединение металлических деталей конструкции ВМ с линией заземления, общей для
всех компонентов системы компьютера. На эту линию замыкается ток при
электрическом пробое какой – либо детали на корпус при аварийной ситуации, и «стекают»
образующиеся при работе ВМ электростатические заряды, не допуская образования
высокого напряжения между схемами компонентов системы компьютера.
Для
защиты от чрезмерного тока потребления от сети во входной цепи ИП включают
плавкий предохранитель ПР на ток 2 – 3 А.
Сетевой
выключатель ВК устанавливается обычно на передней панели ВМ, поэтому для
удобства сборки он имеет длинные провода и подключается к схеме на плате ИП
через разъемы CN2 и CN3.
Выпрямитель
образован диодами VD1-VD4, включенными по мостовой схеме, и электролитическим
конденсатором С4 емкостью 220 мкФ с рабочим напряжением 400 В.
Термистор
TR2 уменьшает бросок тока через диоды выпрямительного
моста при заряде конденсатора С4 в момент включения ИП, иногда вместо него
применяют проволочный резистор 2 – 5 Ом.
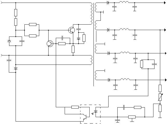
Схема ИП для ВМ типа EGA приведена на
рисунок.4.
Схема
работает следующим образом . Напряжение +300 В от сетевого выпрямителя
поступает через первичную обмотку W1 трансформатора Т1 на коллектор
ключевого транзистора VT1. С
эмиттера VT1 через резистор R11
цепь замыкается на отрицательный вывод сетевого выпрямителя. От вспомогательной
обмотки W2 сигнал положительной обратной связи поступает через
элементы VD5, С10, R7, R8 в базу транзистора VT1. Это есть не
что иное, как автогенераторная схема типа блокинг-генератор, работающая на
частоте, определяемой параметрами трансформатора, емкостью C11, VD7, R9,
служит для подавления выбросов напряжения в момент включения транзистора и
облегчает режим его работы.
Cхема управления ИП включает в
себя транзистор VT2, оптопару U902 и выпрямитель на VD6 и C13. Регулирование и стабилизация выходных напряжений осуществляется
уменьшением длительности открытого состояния транзистора VT1, путем
замыкания его перехода Б – Э с помощью транзистора VT2. Момент
включения VT1 определяется достижением необходимого значения
напряжения 55 В, которое через делитель R14, VR01 и R15 поступает на микросхему регулятора
напряжения U901.При превышении
заданного с помощью потенциометра VR901 напряжения ИС U901 открывается и начинает протекать ток через
светодиод оптопары. Засветка фототранзистора оптопары U902 приводит к его открыванию и появлению тока в базе VT2, он
открывается и выключает VT1. Транзистор VT2 используется также для
ограничения среднего тока, протекающего через ключевой транзистор.Резистор R11 в
цепи эмиттера ключевого транзистора VT1 является датчиком тока.
Напряжение с него через цепочку R12,
C12 поступает на базу VT2. При увеличении напряжения до величины, достаточной
для его открывания, он выключает ключ VT2.
Следует отметить, что несмотря на простоту описания схемы, ремонт
такого ИП иногда бывает затруднен отсутствием оригинального ключевого
транзистора. Попытки применить вместо него транзистор для блоков строчной
развертки не всегда приводят к желаемому результату из-за, как правило,
низкого коэффициента передачи тока у последних, при этом либо происходит не
надежный запуск ИП или он вообще не запускается.
Методика ремонта ИП.
Ремонт ИП производится после
некоторых предворительных проверок в отдельных цепях ВМ , необходимых для
оценки возможных повреждений и исключения помех его нормальной работе.
До начало работ не помешает также проверка шнура питания и наличия
питающего напряжения в электросети. В обесточенном состоянии производят осмотр
деталей на печатной плате ВМ в районе узла ИП и определяют его базовою схему по
типу примененных микросхем и транзисторов. Далее проверяют плавкий
предохранитель на входе ИП. В случае его перегорания обязательной проверки
подлежат к диоду выпрямительного моста, термистор в его входной цепи,
конденсаторы входного фильтра, ключивой транзистор. При установки нового
предохранителя надо помнить, что ток его срабатывания обычно для ВМ сразмером
ЭЛТ 14” состовляет 2-3 А. Применения предохранителя с большим током
срабатывания может привести к повреждению других элементов в ИП, поэтому не
следует добиваться экономии при ремонте за счет предохранителей. Полезно
проверить отсутствие коротких замыканий на выходах выпрямителей во вторичных
обмотках силового трансформатора, для чего омметром контролируют сопротивления
на электролитических конденсаторах выходных выпрямительных выпрямителей.
Необходимо также проверить отсутствие замыкания в цепи питания выходного
каскада строчной развертки непосредственно в точке подключения ТДКС, так как
его питания может производиться от дополнительного стабилизатора напряжения, и
эффект короткого замыкания по выходу В+ от ИП может проявится только при
появлении напряжения в случае выявления такой неисправности в узле строчной
развертки, следует разорвать цепь питания В+ в точке выхода и его из ИП и
продолжить ремонт этого узла после окончания ремонта и проверки ИП.
Далее по результатам выше описанных проверок и анализа принципиальной
схемы делается вывод о необходимости замены дефектных элементов. При этом надо
учитывать следующие моменты: если был
поврежден ключивой транзистор, то необходимо проверить все элементы, которые
подключены непосредственно к его выводам (включая и измерение величин
резисторов, так как их значения могут измениться без заметных внешних
признаков), и, в первую очередь, маломощные транзисторы и стабилитроны.
При
подборе транзистора для ИП важнейшими параметрами являются:
·
максимальное напряжение
коллектор-эмиттер (для полевых транзисторов – сток-исток),
·
максимальный импульсный ток
коллектора (стока),
·
остаточное напряжение на
коллекторе ( сопротивление перехода),
·
время включения и выключения.
Первые два параметра непосредственно обеспечивают
надежность ИП, а последние – косвенно, так как они определяют потери в
транзисторе при переключении и, соответственно, его рабочую температуру,
которая влияет на пробивное напряжение транзистора. Немаловажное значение имеет
также коэффициент передачи по току транзистора, в особенности для схем
показанных на рис. 5 и 6.При выборе транзистора следует обратить внимание на
конструкцию корпуса, чтобы не возникло проблем с установкой его на радиатор.
Подбор других деталей обычно не вызывает трудностей, однако, надо помнить, что
рабочая частота ИП обычно составляет десятки килогерц и необходимо использовать
соответствующие типы диодов и электролитических конденсаторов.
После
замены всех неисправных элементов и исправления дефектов на печатных плате,
возникших в момент поломки или в ходе ремонтных работ, можно приступать к
проверке работы ИП.
Импульсные
ИП не могут работать без нагрузки, поэтому перед первым включением следует
убедиться, что подключены разъемы к ИП, если он выполнен в виде отделочного
блока. Если была необходимость в отключении какой – либо нагрузки от выходов
ИП, то надо иметь в виду, что накал ЭЛТ и схемы управления не всегда создают
достаточную нагрузку для ИП и необходимо его дополнительно подгружать
подключением резисторов.
Если
ИП не вырабатывает напряжений и на осциллографе нет сигнала об импульсном
напряжении на силовом трансформаторе, тогда снова проверяют предохранитель и, в
случае, если он сгорел, проверяют ключевой транзистор. Если он поврежден, тогда
возвращаются к начальным действиям с целью более тщательной проверки всех
элементов.
Если
ключевой транзистор и предохранитель цепи, тогда повторно включают ВМ и тестером
последовательно проверяют прохождение переменного напряжения через входной
фильтр до выпрямительного моста, постоянно напряжение на электролитическом
конденсаторе выпрямителя (300 – 350 В) и далее – на первичной обмотке силового
трансформатора. Возможными неисправностями могут быть обрывы и трещины на
проводниках печатной платы, плохая пайка выводов деталей и т.д.
В
случае нормального поступления напряжения на коллектор ключевого транзистора
через обмотку силового трансформатора проверяют наличие сигнала управления для
транзистора от схемы управления.
Для
схемы, представленной на рисунке 4, проверяют детали VD5, С10, R7, R8,
образующие цепи обратной связи блокинг – генератора, резисторы R5, R6,
обеспечивающие начальное смещение транзистора Q1, и транзистор
Q2. Если все перечисленные детали целы, то отсутствие
генерации в схеме возможно по причине малого коэффициента передачи по току ключевого
транзистора, неисправности силового трансформатора (замыкание между витками в
обмотках) или перегрузки по одному из выходных выпрямителей.
Вывод
о полной работоспособности ИП может быть сделан только после полной проверки
всех режимов работы ВМ в целой, и, возможно, придется еще не раз заглядывать в
узел ИП, так как с ним связаны многие характеристики ВМ.
Список
используемой литературы.
«Ремонт
мониторов»
А.В.Родин,
Н.А.Тюнин, М.А.Воронов.
Москва
1998