Технологія утилізації нікелю та марганцю у виробництві синтетичних алмазів

  • Вид работы:
    Дипломная (ВКР)
  • Предмет:
    Химия
  • Язык:
    Русский
    ,
    Формат файла:
    MS Word
    183,36 kb
  • Опубликовано:
    2010-06-17
Вы можете узнать стоимость помощи в написании студенческой работы.
Помощь в написании работы, которую точно примут!

Технологія утилізації нікелю та марганцю у виробництві синтетичних алмазів

Міністерство освіти і науки України

НТУ „ХПІ”

Факультет                    Кафедра

Спеціальність                          _

(код, найменування)




ДИПЛОМНИЙ ПРОЕКТ

освітньо-кваліфікаційного рівня бакалавра

Тема проекту:

Технологія утилізації нікелю та марганцю у виробництві синтетичних алмазів

Керівник ДП      ________________________________________

(посада, прізвище, ім’я, по батькові)

Виконавець ____________________________________________

(прізвище, ім’я, по батькові)


 

 

 

2010

РЕФЕРАТ


Звіт про ДП: 71 стор., 25 табл., 34 джерел, 1 рисун.

Ключові слова: СИНТЕТИЧНИЙ АЛМАЗ, ВИЛУГОВУВАННЯ, КИСЛОТА, З’ЄДНАННЯ, НІКЕЛЬ, МАРГАНЕЦЬ.

У бакалаврській роботі розглянута технологія очищення синтетичних алмазів.

Розглядалася технологія утилізації нікелю та марганцю у виробництві синтетичних алмазів, розрахований матеріальний і тепловий баланс, розрахунок основного апарату, розрахована собівартість продукції. Розглянуті питання з охорони праці.

РЕФЕРАТ


Отчет о ДП: 71 стр., 25 табл., 34 источника, 1 рисун.

Ключевые слова: ИСКУССТВЕННЫЙ АЛМАЗ, ВЫЩЕЛАЧИВАНИЕ, КИСЛОТА, СОЕДИНЕНИЯ, НИКЕЛЬ, МАРГАНЕЦ.

В бакалаврской работе рассмотрена технология очистки синтетических алмазов.

Рассмотренная технология выделения никеля и марганца в производстве искусственных алмазов. В работе описана технологическая схема утилизации соединений никеля и марганца, рассчитан материальный и тепловой баланс, расчет основного аппарата, рассчитана себестоимость продукции. Рассмотрены вопросы по охране труда.

ЗМІСТ


Вступ

1. Літературний огляд

1.1 Загальні відомості про синтез алмазів

1.2 Фізико-хімічні основи процесу синтезу алмазів

1.3 Основні методи утилізації відходів

2. Загальна характеристика сировини і готової продукції

3. Опис технологічної схеми

4. Енергозбереження та екологія

5. Розрахунок матеріального балансу

6. Розрахунок теплового балансу

6.1 Розрахунок приходу тепла

6.2 Витрати тепла

7. Розрахунок основного апарату

8. Охорона праці

8.1 Загальна характеристика умов здійснення технологічного процессу

8.2 Промислова санітарія

8.3 Пожежна безпека

9. Техніко-економічне обгрунтування

9.1. Розрахунок виробничої потужності проектованого цеху

9.2. Розрахунок вартості і потреби сировини і матеріалів

9.3 Визначення витрат по вартості енергоресурсів

9.4 Розрахунок амортизаційних відрахувань

9.5 Розрахунок затрат на оплату праці

9.6 Розрахунок річного фонду оплати праці керівників та спеціалістів

9.7 Розрахунок витрат по утриманню й експлуатації обладнання

9.8 Розрахунок загальновиробничих витрат

9.9 Калькуляція собівартості продукту

Висновки

Список джерел інформації

ВСТУП


Виробництво надтвердих матеріалів є однією з важливих галузей хімічної промисловості, основна частка якої на сьогоднішній день належить синтезу синтетичних алмазів. Завдяки їх особливим властивостям, останнім часом спостерігається деяка тенденція підвищення попиту на синтетичні алмази і алмазний інструмент, тоді як в промисловому виробництві України, загалом, відбувається спад. Розвиток виробництва синтетичних алмазів привело до того, що вони зайняли домінуюче місце у виготовленні алмаз – абразивного інструмента.

В даний час синтетичні алмази зайняли міцне місце в промисловості усього світу, і їхня роль тут безупинно зростає. На жаль, синтезувати великі монокристали алмазів – задача дуже складна. Найбільший розмір випуску серійно технічних монокристалів алмаза складає 1,2 мм, а для багатьох промислових процесів вимагаються більш великі алмази.

В той же час екологічна обстановка як і раніше залишається дуже складною на підприємствах алмазного виробництва.

В даній науковій роботі велика увага була приділена не тільки утилізації шкідливих з’єднань металів–каталізаторів, але й також рух роботи був спрямований на визначання основних оптимальних параметрів очищення синтетичних алмазів, таких як, розмір гранул, тип кислоти та концентрація, час вилуговування.

Тому метою даної дипломної роботи є розробка технологій, яка зменшила б екологічне навантаження на навколишнє середовище, а саме створення технологічної схеми, яка б дозволяла ефективно утилізувати з’єднання нікелю та марганцю. Для цього необхідно вивчити особливості вилуговування цих металів із продукту синтезу різними кислотами та визначити оптимальні умови для тієї кислоти, яка буде найбільш екологічно безпечною.

1. ЛІТЕРАТУРНИЙ ОГЛЯД

1.1 Загальні відомості про синтез алмазів


Синтез синтетичних алмазів був вперше здійснений у 1953 р. у Швеції та Америці, та у 1959 р. в СССР. Однак, отримані на той час кристали алмазу могли бути використані лише у якості абразивного матеріалу, тому як розміри окремих кристалів не перевищували 0,8 мм та мали низьку механічну стійкість. Синтез великих монокристалів, який був реалізований набагато пізніше, був пов’язаний зі складностями технічного та економічного характеру. В цьому відношенні найбільш перспективною для технічного застосування була шаровидна (діаметром 6–7 мм) променево-радіальна форма алмаза або балас, яка володіла стійкістю навіть більш вищою, ніж монокристали алмазу та більш проста у виготовленні.

Одразу ж після успішного синтезу алмазів типа балас почалось їх застосування у промисловість на Московському комбінаті твердих сплавів, Українському інституті надтвердих матеріалів та Полтавському заводі синтетичних алмазів. Дослідження синтетичних баласів у бурильній техніці показало їх високу ефективність при проходженні скважин в різних по характеру ґрунтах, та особливо широко синтетичний балас застосовується зараз при виготовленні волок при виробництві проволоки.

Поряд з роботою над методами синтезу алмазів проводилися дослідження фізико-хімічних властивостей отриманих речовин та вивчення механізму їх синтезу. Останнє питання являє собою науковий інтерес та в повному об’ємі залишається не розібраним і по сьогоднішній день.

Усі відомі способи виготовлення алмазів можна віднести до трьох великих груп.

Перша група об’єднує різні варіанти, які є найбільш розповсюдженими у технології синтезу алмазів при високих статичних тисках. Він утворюється стисненням на нагріванням механічної суміші порошку вуглеграфітового матеріалу у присутності частинок метала-каталізатора в області термодинамічної стійкості алмаза в камері високого тиску. Зазвичай при синтезі алмазів в якості каталізатора застосовують декілька металів або їх сплави [1].

До другої групи відносяться синтез алмазу при високих динамічних тисках, в детонаційних та ударних хвилях із різноманітних вуглецьвмістних матеріалів. Цей метод синтезу у зрівнянні зі статичним дає можливість на декілька порядків скоротити тривалість циклу та застосувати тиски до 104 МПа, у діапазоні температур 2000–4000 К. При цьому на відміну від синтезу при високих статичних тисках, елементи контейнерів із реакційними матеріалами виготовляють зі сталі або інших матеріалів, до яких не входить вольфрам. Вибуховий метод характеризується виготовленням мікрочастинок алмазу у вигляді кристалів із невеликою кількістю дефектів поверхні. Алмази отримують з відносно невеликим виходом по відношенню до всієї маси початкового продукту [2].

Прямий перехід графіту до алмазу при ударному нагруженні Алдером та Християном у 1961 р. У 1975 році був розроблений метод отримання вибухових алмазів у системі метал–вуглець методом ударно–хвильового нагруження. Такі алмази виготовляють у вигляді мікропорошків підвищеної абразивної здатності з розміром 1-80, а іноді й до 200 мкм. Детонаційні алмази отримані шляхом осадження із газової фази, що містить вуглець та плазми при їх високотемпературному детонаційному сжиманні [3]. Такі алмази представляють собою ультра дисперсний порошок із розміром зерен до 20 нм.

Третя група включає до себе засоби синтезу алмазів при низьких тисках із газової середи, що включає в себе вуглець, з плазми та потоків атомів та іонів вуглецю (в області термічної мета стійкості алмазу).

Відомі засоби осадження алмазних плівок із застосуванням високо енергетичних атомних та іонних пучків шляхом лазерного та плазмохімічного осадження. В багатьох випадках отримують не алмазні, а алмазоподібні плівки, тобто такі, в яких атоми вуглецю пов’язані між собою хімічним зв’язком, яка характерна для алмаза, але не утворює достатньо великих областей когерентного розсіювання, як у алмаза [2].

Нарощування затравочних частинок алмазу відбувається у газовій середі, що містить вуглець, та при тисках нижчих за атмосферний та температурах близько 1273 К. Тому як більш стійка в цих умовах фаза вуглецю – графіт блокує поверхню затравочних кристалів, тому й товщина наростаючого слою рідко коли перевищує 1–3 мкм. Тому частіш за все утворюються алмазографітові зони, що по черзі змінюються [2].

Алмазні кристали можуть утворюватися у графітових блоках при дії на них лазерним променем. У цьому випадку атоми вуглецю переходять у збуджений стан до енергії в 1 еВ, а їх конденсат представляє собою вміст вуглецевих фаз із густиною близько 2,48 г/см3. Міцність імпульсу при випромінюванні досягає 109 Вт. Посилаючи такий промінь на графітовий блок, можна досягнути утворення в ньому алмазних мікрочастинок [1].

Таким чином, синтез алмазів із матеріалів, що містять вуглець у присутності металів–каталізаторів при статичному тиску є найбільш ефективним та найбільш розповсюдженим.

1.2 Фізико-хімічні основи процесу синтезу алмазів


Існуючу технологію синтезу алмазів умовно можна розділити на дві стадії: синтез в апарат високого тиску і збагачення одержаного продукту синтезу з виділенням очищеного товарного алмазного продукту. Розглянемо окремо кожну з цих стадій.

1.2.1 Синтез в апаратах високого тиску

В даний час відомо два методи синтезу алмазу в області його термодинамічної стабільності: дія на матеріал, що містить вуглець, високим статичним тиском і температурою у присутності розчинника вуглецю; дія високим статичним тиском і температурою без застосування розчинників (прямий перехід графіту в алмаз). Теорія синтезу алмазу по першому методу вперше була розроблена О.И. Лейпунськім [4].

Алмаз в системах метал–вуглець одержують в апаратах при тиску близько 4000 МПа і температурах понад 1400 К, використовуючи як джерело вуглецю графіт. Розчинники обираються з ряду перехідних металів, в який входять: Fe, Co, Ni, Ru, Rh, Pd, Os, Ir, Pt, Cr, Ta, Mn і ін. [1, 4]. Експериментально встановлено, що для кожного розчинника є своя область утворення алмазу, якою відповідають мінімальна температура та тиск. Якщо розташувати метали-розчинники вуглецю в ряд по зростанню температури плавлення, а саме: Mn, Ni, Co, Fe, Pt, Cr, Nb, Ta, то кореляція між мінімальними параметрами процесу синтезу не спостерігається [4]. Якщо розглянути ці метали залежно від температури плавлення їх евтектичних розчинів, включаючи і карбідні евтектики від величини розчинності вуглецю в них, то мінімальні значення температури плавлення мають в першу чергу такі метали: Fe, Co, Ni, Mn. Мінімальна температура синтезу алмазів декілька відрізняється від мінімальних температур плавлення метал-вуглець, оскільки при високому тиску температура плавлення системи метал-вуглець декілька підвищується. Проте пряма залежність параметрів процесу синтезу від температури плавлення розчинів вуглецю в металах очевидна.

Застосування при синтезі висококапілярноактивних (по відношенню до графіту) металевих розплавів перехідних металів, здатних добре змочувати графіт, позитивно впливає на ступінь перетворення графіту в алмаз. Такі розплави добре обволікають графіт, в результаті збільшується швидкість його розчинення.

Відомі рекомендації по збільшенню ступеня перетворення графіту в алмаз за рахунок заміни чистого нікелю його сплавом з марганцем.

Досягнутий ефект пояснюється зниженням температури плавлення сплавів, крім того слід враховувати зміну капілярних і адгезійних властивостей металевих розплавів по відношенню до графіту і алмазу [1, 2].

Одним з параметрів, що впливають на синтез алмазів є властивості початкового вуглеграфітового матеріалу. В даний час тільки графіт є єдиною сировиною для отримання штучних алмазів в промислових умовах і саме структуру графіту визначає не тільки початковий вуглецевий матеріал, але в значній мірі вид його переробки.

1.2.2 Збагачення продукту синтезу алмазів

Розвиток процесів синтезу алмазів з використанням різних металів-розчинників, таких як: Ni, Mn, Fe, Co і графіту різних родовищ привело до появи продуктів синтезу різних по складу і дисперсності [5]. Відомо, що синтетичні алмази, що виготовляються різними способами витягують з реакційних сумішей, що є агломератами, що містять міцно зчеплені один з одним графіт, алмаз, каталізатор, продукти взаємодії графіту з каталізатором (карбіди).

Різноманітність методів синтезу вимагає застосування різних методів для витягання алмазів. Процес витягання алмазів умовно можна розділити на три основні етапи: розчинення металевої складової з отриманням алмазо-графітової суміші, утилізація неперекристалізованого графіту, контрольне очищення алмазної сировини [2].

Для підвищення ефективності розкриття продукту синтезу на вільні складові перед стадією видалення металів-каталізаторів одержану тверду масу піддають дробленню. Існуюча практика збагачення показала, що оптимальним великим дроблення, що забезпечує збереження великих кристалів алмазів, є дроблення до 2–4 мм.

Результати досліджень і практика збагачення продукту синтезу показали, що тільки механічні або тільки фізичні методи не володіють достатньою селективністю при руйнуванні зростків графіт–алмаз, графіт–метал [2]. Для руйнування зростків застосовується так само короткочасна обробка кислотами. При такій обробці відбувається набухання і відшарування графіту від алмазу і металу.

Перший етап витягання алмазів полягає в розчиненні каталізатора кислотами або їх сумішами. Розплави лугів, як правило, руйнують кристали алмазів, тому на Україні і в зарубіжній практиці для розчинення металів при витяганні алмазів використовують частіше різні мінеральні кислоти або їх суміші. Найчастіше для видалення металів, спечи піддають обробці при невеликому нагріванні.

Використання методів флотацій в збагаченні алмазів найефективніше при витяганні дрібних алмазів з проміжних алмазографітових сумішей розміром менше 0,5 мм, а так само при остаточному витяганні алмазів з шламів. Тому цей метод зазвичай використовують у поєднанні з іншими методами, що дозволяє витягувати алмази з алмазографітової суміші з розміром алмазу більше 0,5 мм.

Слід зазначити, що вибір того або іншого методу збагачення алмазів на практиці диктується в основному структурними особливостями, якісним і гранулометричним складом продукту, зернистістю збагачення. Найбільший ефект дають комбіновані схеми збагачення.

Подальше збагачення алмазного концентрату полягає у виборчому доокисленні графіту різними окислювачами. Серед способів окислення графіту слід виділити такі групи: окислення різними газофазними окислювачами, окислення в рідині, окислення з використанням суспензій, окислення розплавами, окислення твердими матеріалами.

На третьому етапі обробки продукту синтезу алмазів віддаляються нерозчинні у воді, кислотах (за винятком HF) і водних розчинах лугів з'єднання, якщо останні присутні у великій кількості (більше 1 %). Зазвичай після видалення графіту в алмазах містяться компоненти літографського каменя. Як правило, для їх видалення використовують сплав алмазів з лугом. Звільнені від домішок кристали алмазів промивають водою і висушують, а рідку фазу, змішують з кислотним потоком і направляють на подальшу нейтралізацію [6].

Таким чином, не дивлячись на використання різних методів збагачення продуктів синтезу алмазів одержаних в системі Mn–Ni–С одним з основних видів відходів є кислі стоки, що містять в своєму складі з'єднання марганцю і нікелю.

1.2.3 Фізико-хімічні характеристики відходів

До складу стічних вод, що утворюються в технологічному циклі синтезу алмазів, входять: з'єднання марганцю, нікелю, шести– і тривалентного хрому, HCl, H2SO4 і силікати. Розділення цієї суміші представляє дуже складне технологічне завдання, при цьому одержані шлами у вигляді складних з'єднань в які входять MnO2, NiO, Cr2O3 не є ліквідними на хімічному ринку і достатньо складні в переробці.

Одним з ефективних методів зниження утворення токсичних відходів може бути розділення потоку з'єднання нікелю і марганцю і потоку з'єднання хрому, що містить, що містить, з подальшою утилізацією цих металів. Їх роздільна утилізація дозволяє організувати замкнутий цикл з практично повною відсутністю токсичних відходів. На практиці це можливо при відділенні двох рідких потоків один від одного: потоку що утворюється на стадії витягання металів-каталізаторів і потоку графіту, що утворюється на стадії окислення. Розчини, що одержуються після витягання металів-каталізаторів, містять велику кількість іонів цих металів. В основному це розчини HCl різної концентрації з підвищеним вмістом з'єднань марганцю і нікелю [7].

Слід зазначити, що в розчинах одержуваних в результаті обробки продуктів синтезу алмазів HCl можливі значні коливання концентрацій розчинених компонентів. Причиною цих коливань є з одного боку екзотермічність процесу розчинення металів, а звідси як наслідок неконтрольованість температури проведення процесу, а з іншого боку той факт, що процес витягання металів проводять кілька разів з кінцевою промивкою твердої фази водою. Цей факт слід врахувати при подальшому виборі методу утилізації відходів.

1.3 Основні методи утилізації відходів


Існують багато засобів утилізації нікелю, марганцю та їх суміші, коли неможливо утилізувати окремо.

Серед основних методів утилізації з’єднань нікелю можна виділити наступні: фізичні методи; сорбційні методи; електро-хімічні методи; з використанням цементації; осадження фосфатами; осадження реагентами, що містять сірку; осадження карбонатами; осадження гідроксидами.

Серед методів по утилізації з’єднань марганцю слід зазначити такі: фізичні методи; сорбційні методи; осадження сульфідами; осадження гідроксидами, осадження фосфатами та використання окисників.

Про методи утилізації нікелю та марганцю при їх одночасній присутності описано детальніше.

1.3.1 Фізичні методи

Відомий спосіб виділення хлоридів марганцю і нікелю з розчинів насиченням їх газоподібним хлороводнем. Для цього використовують газ, одержаний при відновленні хлоридів цих металів до металу за допомогою водню. Однак фізичні методи володіють рядом недоліків: використання токсичних і вибухонебезпечних реагентів, високі енергетичні витрати на проведення методу, висока тривалість процесу.

1.3.2 Електрохімічні методи

Застосування гальванокоагуляції для очищення стічних вод від з'єднань нікелю і марганцю. Пропонований метод заснований на використанні ефекту короткозамкнутого гальванічного елементу, поміщеного в оброблюваний розчин. Іде витягання металів як гальванічних пар: Fe–Cu, Fе–C, Mg–C і т.д. При очищенні стічних вод із здійсненням інтенсивної аерації повітрям, концентрація цих металів в очищеній воді досягає по 0,1 мг/л.

З розчинів після стадії витягання металів HCl при збагаченні надтвердих матеріалів запропоновано витягувати нікель, шляхом електрохімічної екстракції на нерозчинних анодах. Оптимальною концентрацією виділення нікелю з розчинів є 10–40 г/л.

Хоча, вживані електрохімічні методи володіють поряд недоліків: проведення процесу при температурі 340–345 К, висока чутливість до концентрацій компонентів розчину, велика тривалість процесу, неможливість досягнення норм гранично допустимі викиди по забруднюваних компонентах за одну стадію і високі енергетичні витрати.

1.3.3 Сорбційні методи

Відомий спосіб очищення стоків металургійних підприємств від марганцю, нікелю і заліза. Спосіб полягає у фільтруванні стічних вод через шар адсорбенту фракцією 0,6–1,25 мм із швидкістю фільтрування 0,6–8 м/ч. Як адсорбенти використовують мінерали кальцію силікатів складу 2CaO·SiO2 і 3CaO·SiO2. При початковій концентрації марганцю, заліза і нікелю в стоках 1,3 і 1 мг/л відповідно спосіб дозволяє одержувати в результаті очищення стічні води з концентрацією цих металів 0,045; 0,04; 0,03 мг/л. У разі присутності в стоках тільки одного з трьох металів, кінцева концентрація його знаходиться на тому ж рівні.

Таким чином, використовуваний метод має недоліки: застосування тільки для очищення розбавлених розчинів, велика тривалість процесу.

1.3.4 Використання цементації

Розглядається можливість очищення розчину, що містить 25 г/л марганцю, 0,2 г/л нікелю і 0,02 г/л кобальту з використанням цементації. Очищення від домішок нікелю і кобальту здійснювалося введенням марганцевого пилу або невеликих шматочків. Вивчення проводили для розчинів MnSO4, що містили, при рН=5–7. В результаті проведених досліджень було одержано, що тільки при тридцятикратному надлишку марганцю, що вводиться, при температурі 298 K концентрація нікелю знизилася до 40 мг/л. При використанні підвищеної температури і як відновник SO2, зниження концентрації нікелю в розчині не спостерігалося.

Одним з недоліків використання цементації є велика витрата металевого марганцю. Крім того, даний метод не дозволяє досягати гранично допустимих викидів по нікелю.

1.3.5 Осадження сірковмісними реагентами

Існує процес очищення розчинів, що містять 25 г/л марганцю, 150 г/л (NH4)2SO4, 0,25 г/л нікелю. Як сульфіди використовували сульфіди марганцю, амонію і натрію. При очищенні з використанням MnS були отримані результати, згідно яким, для повного очищення (відсутність) оптимальними умовами проведення процесу є рН=5–7, температура 293 К і перемішування протягом 1 ч, відстоювання до 18 ч. Підвищення температури до 365–375 К значно прискорює очищення і зменшує кількість MnS, що вводиться. Вміст сульфідної сірки в розчині після очищення – близько 0,015–0,017 г/л. Одержуваний осад NіS практично не містить в своєму складі з'єднань марганцю.

Існує спосіб очищення хромвмісних розчинів від важких металів, зокрема від марганцю і нікелю з використанням Na2S. Він полягає в обробці розчинів, що містять важкі метали натрію сульфідом в декілька стадій при рН=6,5–9,0 і пониженні до рН=2–4 після кожної стадії. При вмісті марганцю і нікелю в початковому розчині 1,2 і 1,65 г/л спосіб забезпечує очищення до 0,06 і 0,05 мг/л відповідно.

Таким чином, використання сульфідів для осадження не дозволяє розділяти марганець і нікель, при цьому воно приводить до утворення опадів, що містять сульфіди нікелю і марганцю, які складні в подальшому розділенні. Крім того, використання цього методу обмежене із-за здатності сульфідів піддаватися гідролізу і виділяти токсичний сірководень.

1.3.6 Осадження гідроксидами

Був досліджений процес очищення марганцевого електроліту, що містить 24–26,5 г/л MnSO4, CoSO4 0,02 і 0,2 г/л NiSO4, і електроліту, до складу якого окрім перерахованих з'єднань входив  150–180 г/л (NH4)2SO4 від нікелю і кобальту з використанням NаOH. Було одержано, що при рН=8,7 кінцевий розчин містить 2–2,5 мг/л нікелю і спостерігається повна відсутність кобальту.

Відмітною особливістю процесу осадження марганцю у вигляді Mn(OH)2 від осадження гідроксидів деяких інших металів є схильність його до співосадженню з цими гідроксидами. Наприклад, при осадженні з розчинів, що містять іони марганцю і цинку, причиною співосадження є утворення малорозчинного ZnMnO3.

Були вивчені термічні перетворення системи гідроксидів при співвідношенні Ni(OH)2:Mn(OH)2=2:1. При нагріванні суміші цих гідроксидів до 473–525 К спостерігається утворення суміші переважно шаруватих аморфних оксидів. Далі при нагріванні до 673 К спостерігається утворення суміші оксидів Mn(III,IV) і NіO. При 573 К спостерігається початок кристалізації з'єднання складу. Далі при нагріванні до 773 К спостерігається існування окрім Ni6MnO8, ще і NiMnO3. При подальшому нагріванні до 1073 К Ni6MnO8 і NiMnO3 перетворюються на NiMn2O4 і NіO.

Таким чином, найбільш прийнятним методом утилізації металів – каталізаторів синтезу алмазу, який вміщує Ni та Mn є вилуговування його мінеральною кислотою з подальшим осадженням у вигляді гідроксидів. До теперішнього часу найбільш не вивченою є стадія вилуговування мінеральними кислотами та вибір кислоти є одним із важливіших питань, які визначають подальші умови отримання товарних продуктів солей нікелю та марганцю.

2. ХАРАКТЕРИСТИКА СИРОВИНИ І ГОТОВОЇ ПРОДУКЦІЇ


Сірчана кислота – H2SO4 – сильна двоосновна кислота. Її маса складає 98. Прозора, масляниста рідина, що немає запаху. Змішується з Н2О та SO3 у будь-яких відносинах.

Температура кипіння водних розчинів H2SO4 збільшується зі збільшенням концентрації. Вона досягає максимуму при вмісті кислоти 98,3%.

H2SO4 – сильний окислювач, особливо при нагріванні, при цьому вона відновлюється до SO2 [8].

Окислювальні властивості для розбавленої кислоти не характерні. Розбавлена кислота взаємодіє з усіма металами, що знаходиться у ряду електричної напруги металів до водню з його виділенням.

На технічну сірчану кислоту існує стандарт по ГОСТ 2184–77*. За фізико-хімічним показникам сірчана кислота повинна відповідати нормам, які вказані у таблиці 2.1 [8].

Таблиця 2.1 – Фізико-хімічні характеристики сірчаної кислоти

Найменування показника

Контактна

Олеум

Покращена

Технічна

покращений

технічний

1-й сорт

2-й сорт

1

2

3

4

5

6

Масова частка моно–гідрата (H2SO4), %


92,5–94,0


Не менш 92,5


Не нормується

Масова частка віль–ного ангідрида (SO3), %




Масова частка заліза (Fe), %

0,006

0,02

0,1

0,006

Не нор–мується

Масова частка залиш–ку після прокалки, %


0,02


0,05

Не нор–мується


0,02


0,02

Масова частка свинця (Pb), %

0,001

Не нормується

0,0001

Не нор–мується

Прозорість

Прозора

Не нормується

Азотна кислота – HNO3 – негорюча пожежонебезпечна рідина, сильний окислювач. Її маса складає 63. При контакті спричиняє самозагорання, сильно димить на повітрі, виділяючи оксиди азоту і пари HNO3, які утворюють з вологою повітря туман; необмежено розчиняється у воді. Пари кислоти в 2,2 рази важче за повітря згідно з даними.

Випускається марки А і Б. Застосування марки А: у виробництві виробів електронної та радіоелектронної промисловості, в процесах нітрування органічних сполук, у виробництві вибухових речовин, при хімічній обробці металів, в медицині, у виробництві пластмас і інших цілях. Застосування марки Б: використовується для гальванічних робіт у виробництві хімічних реактивів, для розчинення домішок виробничих продуктів, в процесі нітрування органічних сполук, у виробництві вибухових речовин і ін.

На технічну азотну кислоту існує стандарт по ГОСТ 701–89 [9]. За фізико-хімічним показникам азотна кислота повинна відповідати нормам, які вказані у таблиці 2.2 [9].

Таблиця 2.2 – Фізико-хімічні характеристики азотної кислоти

Найменування

показника

Норма для марки

А (ОКП 21 21 31 0200)

Б (ОКП 21 21 31 0300)

Мас. доля HNO3, %, не меньше

98,6

97,5

Мас. доля H2SO4, % не більше

0,05

0,06

Мас. доля окислів азоту (N2O4), % не більше

0,2

0,3

Мас. доля залишку після прокалювання, % не більше


0,014


0,025


Соляна кислота – HCl – їдка, важка до горіння рідина. Молекулярна маса 36. Утворює дим на повітрі. Її пари не утворюють вибухонебезпечної суміші з повітрям. ГДК в робочій зоні 5 мг/м3. Клас небезпеки 2. Випускається марки А та Б.

На технічну соляну кислоту існує стандарт ГОСТ 857–95 [10]. За фізико-хімічним показникам соляна кислота повинна відповідати нормам, які вказані у таблиці 2.2.

1. Масову долю Hg нормують в кислоті, яку отримують ртутним електролізом із H2 та Cl2;

2. Допускається для харчової промисловості по узгодженню зі споживачем виготовлення кислоти з масовою доле хлористого водню н.б. 26%;

3. В кислоті, що поставляють для травлення металів, масова доля Fe не нормується.

Таблиця 2.3 – Фізико-хімічні характеристики соляної кислоти

Найменування показника

Норма для марки

А (ОКП 21 22 11 0100)

Б (ОКП 21 22 11 0200)

Вищий сорт

(ОКП 21 22 11 0220)

Перший сорт

(ОКП 21 22 11 0230)

Зовнішній вигляд

Прозора безкольорова або жовтувата рідина

Прозора жовтувата рідина


Мас. доля HCl, % не менше

35

33

31,5

Мас. доля Fe, % не більше

0,001

0,002

0,015

Мас. доля залишку після прокалювання, % не більше


0,01


0,015


0,1

Мас. доля вільного Cl, % не більше

0,002

0,002

0,008

Мас. доля As, % не більше

0,0001

0,0001

0,0002

Мас. доля Hg, % не більше

0,0003

0,0004

0,0005


Неочищений алмаз

Як сировина використовується графіт і каталізатор. Графіт – мінерал темно–сірого або чорного кольору, твердість 1–2, щільність 2,2 г/см3, вогнеупорний, електропровідний, хімічно стійкий, структура шарувата, гексагональна, довжина між атомами в базисній площині складає 1,42 А, а між атомами сусідніх базисних 3,38 А. (Порівняно великі відстані між базисними площинами, а отже і мала енергія зв'язку, що обумовлюють здатність графіту залишати сліди при натисканні).

Графіт одержують також штучно – нагріванням антрациту без доступу повітря, утворюючи щільні блоки.

Каталізатор – сплав нікелю (40%) з марганцем (60%), таке співвідношення (евтектичне) відповідає мінімальній температурі плавлення даного сплаву.

Після сплавки паці піддають гострінню на токарських верстатах, з метою одержання стружки.

Механічна суміш часточок графіту та каталізатора з розмірами від 1200 до 100 мкм (у залежності від режиму синтезу) застосовуються як спорядження.

Матеріалами контейнера можуть служити суміш вапняків, окислів алюмінію, магнію.

Порошкоподібна суміш графіту й алмаза, що утворилася в процесі синтезу має різні фізичні і хімічні властивості. Алмази, що одержуються статичним методом мають більший розмір часток, чим отриманих динамічним методом і являють собою моно кристали. Вибухові алмази – це частки розміром 20–30 мкм, що складаються з полікристалів поверхні та мають складну форму. Алмази, отримані динамічними методами характеризуються більш високою реакційною здатністю.

Алмаз по своєму хімічному складу є чистим вуглецем, так само як і графіт, що таким чином, є поліморфними модифікаціями того самого елемента, однак властивості їх різні. Це пояснюється відмінністю в будівлі їхніх кристалічних структур. Алмаз володіє кубічними гранецентрованими решітками з відстанями між атомами 0,356 нм. Графіт має шаруваті гексагональні решітки; відстані між атомами в шарі дорівнює 0,142 нм, а між шарами  0,339 нм. Такі великі відстані між шарами обумовлюють слабість хімічного зв'язку по цьому напрямку, завдяки чому графіт є пухкою, м'якою речовиною, шари легко сковзають і відокремлюються друг від друга. Алмаз же, як відомо, є самим твердим з усіх відомих нам речовин. Ця властивість в основному визначає цінність алмаза, як матеріалу в найрізноманітніших галузях промисловості (різці, фрези, абразивні кола, шліфувальні порошки і пасти, бурові долота і коронки, волоки протягання дроту, пилки для розрізування каменів).

Щільність алмаза дорівнює 3,5 г/см3, щільність графіту 2,26 г/см3. Порівняння цих чисел показує, що одержанню алмаза буде сприяти високий тиск (збільшення щільності, відповідно до принципу Ле Шател’є).

При низьких температурах теплоємності графіту та алмазу сильно відрізняються за своїм значенням, у міру ж підвищення температури ця різниця в їхніх розмірах зменшується та після Т=600 К значення стають однаковими і складають 16,30 Дж/(моль·К).

Фізико–хімічні властивості алмазів залежать від наявності в кристалічних решітках атомів домішок, наявності сторонніх фаз, мікротріщин та інших дефектів. У природних алмазах домішки знаходяться у виді окремих атомів і їхніх сполучень, а також входять до складу великих і субмікроскопічних з’єднань різних мінералів. Домішки металів і неметалів розподіляються по обсягу кристалів нерівномірно, у поверхневому шарі їхня концентрація вище. Наявність металевих внутрішньокристалічних з’єднань і поверхневих домішок характеризується величиною питомої сприйнятливості.

Поверхневі домішки впливають також на питомий електричний опір алмазу, причому, чим більше, тим електричний опір менше. Внутрішньокристалічні і поверхневі домішки істотно погіршують експлуатаційні властивості алмазів. Для видалення домішок використовують хімічний і термохімічний методи очищення, однак при їхній допомозі не завжди вдається одержати алмази з високим питомим опором.

Очищений продукт синтезу.

Розвиток виробництва синтетичних алмазів привів до того, що вони зайняли домінуюче місце у виготовленні алмаз –абразивного інструмента.

У новому стандарті усунуті недоліки, якими страждав попередній ДСТ, а також врахований багатий вітчизняний і закордонний досвід виробництва синтетичних і природних алмазів та їхнього застосування, накопичений в останні десятиліття у всіляких галузях промисловості. Новим ДСТУ передбачені марки алмазних порошків, їхня зернистість, вимоги до них і методи контролю, гарантуючи відповідності порошків, що випускаються, цим вимогам.

Стандарт поширюється на порошки, як із природних, так і синтетичних алмазів, призначений для виготовлення алмазів абразивного інструмента і застосування в незакріпленому стані у виді паст і суспензій. Алмазні порошки в залежності від розміру зерен, методу їхнього одержання і контролю поділяються на дві групи: шліф порошки, одержувані шляхом розсіву на ситах з контролем зернової сполуки ситовим методом та мікропорошки, одержані шляхом класифікації з використанням рідини і контролем зернової сполуки під мікроскопом.

Одержати алмазний порошок, що складається тільки з зерен одного розміру, не представляє можливим. Крім основної фракції, що переважає в складі порошку, ДСТ передбачає наявність побічних фракцій. При цьому зміст зерен основної і побічної фракцій у шліф порошках встановлюється у відсотках від маси контрольованого порошку, а в мікропорошках – від загального числа зерен, підданих контролю під мікроскопом.

Новий стандарт передбачає випуск шліф порошків із синтетичних алмазів п'яти марок: АСО, АСР, АСВ, АСК, АСС.

АСО – зерна із шорсткуватою найбільш розвинутою поверхнею, що ріже, і підвищеною крихкістю, що забезпечує їхнє гарне утримання в зв'язуванні і самозагострювання в процесі роботи.

Вони володіють прекрасними властивостями, що ріжуть, працюють з мінімальними витратами енергії і виділенням тепла. Алмази цієї марки рекомендуються для використання в інструментах на органічному зв'язуванні з застосуванням охолодної рідини і без неї.

АСР – зерна з меншою крихкістю і більшою міцністю, чим зерна АСО, також мають розвиту поверхню і добре утримуються в зв'язуванні. Рекомендуються для виготовлення інструмента на металевих і керамічних зв'язуваннях, можуть використовуватися і для інструмента на органічному зв'язуванні.

АСВ – зерна з меншою крихкістю, більшою міцністю, мають більш гладку поверхню в порівнянні з зернами АСО й АСР. Рекомендуються для виготовлення інструмента на органічних зв'язуваннях, що працюють при підвищених питомих поверхнях.

АСК – зерна з меншою крихкістю і меншою міцністю в порівнянні з зернами АСО, АСР, АСВ. Рекомендуються для виготовлення інструмента на твердих металевих зв'язуваннях, які застосовуються в особливо тяжких умовах роботи – різання й обробки природного каменю, граніту, мармуру, вапняку, а також інших твердих матеріалів.

АСС – зерна великої форми, що мають невелику міцність у порівнянні із синтетичними алмазами всіх перерахованих марок, а також з перерахованими алмазами. Рекомендуються для виготовлення бурового інструмента, виправлення абразивних кіл, різання й обробки корунду й інших особливо твердих матеріалів.

Шліф порошки з природних алмазів випускаються однієї марки – А і призначаються для інструмента на металевих зв'язуваннях.

Новим стандартом вперше у світі регламентується міцність зерен шліф порошків із синтетичних алмазів. При цьому якість шліф порошків із природних алмазів, як звичайно, характеризується тільки зерновою сполукою, а шліф порошків із синтетичних алмазів – зерновою сполукою і міцністю.

Міцність на стиск шліф порошків із синтетичних алмазів варіюються в широких бокових вівтарях. Наприклад, для зернистості 160/125 міцність зерен алмаза марок АСО, АСР, АСК і АСС виражається співвідношенням 1,00:2,14:2,96:5,35:10,70. Це дозволяє для кожного конкретного випадку обрати оптимальну марку алмаза і тим самим значно збільшити ефективність використання синтетичних алмазів і розширити сферу їхнього застосування.

Алмазні порошки у відповідність з новим ДСТУ випускаються таких марок: АСМ і АСН – із синтетичних алмазів; АМ і АН – із природних алмазів.

Мікропорошки марок АСМ і АМ – нормальної абразивної здатності; рекомендуються для виготовлення алмаз–абразивного інструмента, паст і суспензій, для обробки твердих сплавів, скла, кварцу, порцеляни, германія, кремнію й інших найбільш твердих і тендітних матеріалів. А також обробки деталей сталі, чавуна, кольорових металів і сплавів інших усіляких матеріалів, при необхідності одержання чистоти поверхні 9–14 класів.

Мікропорошки марок АСН і АН мають підвищену абразивну здатність і рекомендуються в основному для виготовлення інструмента, паст і суспензій, застосовуваних при обробці кристалів природних (брильянтових і інструмента) і синтетичних алмазів, корунду, рубіна, спеціальної кераміки й інших понад твердих, тендітних важко оброблювані матеріали.

Новим ДСТ також вперше у світовій практиці регламентується абразивна здатність мікропорошків із природних і синтетичних алмазів і шорсткість обробленої ними поверхні.

Мікропорошки зернистістю 3/2 і 1/0 перевірці на абразивну здатність не піддаються і випускаються тільки марок АСМ і АМ.

Перевірці мікропорошків на шорсткість обробленої ними поверхні перевіряється при обробці твердого сплаву Т15ДО6 чи ВК6 за ДСТ 3882-67. Досягається при цьому шорсткість поверхні і клас чистоти незалежно від марки мікропорошку повинні бути не нижче прийнятих за ДСТ.

Домішки в природних і синтетичних шліф порошках не повинні перевищувати 1,5 %, а в мікропорошках – 2,5 %. Вміст вологи в шліф і мікропорошках і із синтетичних, і природних алмазів не допускається більш 0,2 %.

Новий стандарт передбачає наступні позначення шліф і мікропорошків: марка алмаза, величина зернистості і ДСТ 9206–70.

Як приклади приводяться умовні позначки шліф порошків із синтетичного алмаза АСО зернистістю 125/100, природного алмаза А зернистістю 400/250 і мікропорошку АСН зернистістю 10/7.

Порошки розфасовуються у флакони ємкістю від 10 до 500 каратів. Точність зважування при розфасовці наступна: від 10 до 50 каратів – 0,05 карата, від 100 до 100 каратів – 0,10 карата, від 2500 до 5000 каратів – 0,20 карата.

Упровадження ДСТ 9206-70 на порошки алмазні, безумовно, буде сприяти подальшому підвищенню якості алмазних порошків і інструмента з них і підвищенню ефективності використання синтетичних і природних алмазів у народному господарстві.

Для визначення якості алмазних порошків необхідно:

- визначити зернову сполуку порошків;

- визначити міцність шліф порошків із синтетичних алмазів;

- визначити абразивну здатність алмазних мікропорошків;

- випробувати алмазні мікропорошки на шорсткість обробленої ними поверхні;

- визначити зміст домішок в алмазних порошках;

- визначити зміст вологи в порошках.

Склад очищеного продукту синтезу наведений у таблиці 2.4.

Таблиця 2.4 – Склад очищеного продукту синтезу

Мас. доля алмазу, % н/м

27,0

Мас. доля графіту, % н/м

54,0

Мас. доля Ni та Mn% не більше

1,5

Мас. доля S (у перерахунку на SO3, % не більше

0,5

Вологість, % не більше

3,0


2.3.1 Фізико–хімічні властивості сульфату марганцю

Сульфат марганцю MnSO4 – має температуру плавлення 973 К, приблизно при 1123 К розкладається на Mn3O4, SO3 і SO2. Розчинність у воді (г у 100 г): 52,9 (273 К), 64,8 (298 К), 35,5 (373 К), 20,5 (393 К), 3,9 (433 К). Відомі гідрати MnSO4 з 1,2,4,5 і 7 молекулами води. Моногідрат MnSO4·H2O утворюється при нагріванні інших гідратів сульфату марганцю до ~473 К, випадає із водних розчинів при 423 – 433 К. Дігідрат MnSO4·2H2O і тетрогідрат MnSO4·4H2O метастабільні. Дігідрат випадає з водних розчинів 298 – 313 К, тетрогідрат – при 300К. Пентогідрат MnSO4·5H2O має температуру плавлення 328 К. Гептогідрат MnSO4·7H2O – рожеві кристали, температура плавлення 281,6 К. Сульфат марганцю утворює аміакат з шістьма, а моногідрат з п’ятьма молекулами NH3. Сульфат марганцю зустрічається в природі у вигляді мінералів смікіту MnSO4·H2O, малардиту MnSO4·7H2O, джококуіту MnSO4·5H2O, ілезіту MnSO4·4H2O.

Одержують сульфат марганцю обробкою піролюзиту MnO2 горячою концентрованою H2SO4, розчиненням Mn і MnO у H2SO4, прокалюванням піролюзіту з безводним FeSO4, безводний сульфат марганцю – нагріванням його гідратів до 553 К.

Сульфат марганцю – проміжний продукт при переробці марганцевих руд і шламів. Його використовують для синтезу інших сполук Mn, як компонент електроліту при одержані MnO2 і Mn, компонент фарбників у текстильній промисловості, каталізатор у органічному синтезі, мікродобриво.

2.3.2 Фізико–хімічні властивості сульфату нікелю

Сульфат нікелю NiSO4 – лимонно–жовті кристали, що розкладаються вище 973 К з утворенням NiO і SO3, тиск дисоціації 7,5 кПа (1033 К); гігроскопічний; розчинність у воді (г у 100 г): 21,4 (273 К), 29,94 (303 К), 33,39 (323 К), 43,42 (372 К). Утворює гідрати, найважливіший з них – нікелевий купорос NiSO4·7H2O, який кристалізується з водних розчинів в інтервалі 276,4 до 304,5 К; температура плавлення 304,5 К; розчинність у воді 101 г у 100 г (283 К). Моногідрат NiSO4·H2O стійкий вище 357,8 К, збезводнюється при 553 К. Гідрати з 2, 3, 4, і 5 молекулами води метастабільні, кристалізуються з водних розчинів при 363 – 371 К.

Нікелевий купорос одержують взаємодією Ni, NiO, Ni(OH)2 або гідрокарбонату Ni з H2SO4; розчиненням Ni у розбавленій H2SO4, що вміщує трохи HNO3, з наступною нейтралізацією гідроксокарбонатом нікелю і упарюванням.

Сульфат нікелю зустрічається у природі: мінерали мореіозіт NiSO4·7H2O, ретгерсит α – (NiSO4·6H2O), нікельгексогідрит β – (NiSO4·6H2O).

Нікелевий купорос, а також суміш гепта- і гексагідратів використовують для одержання чистого електролітичного Ni, інших сполук Ni і нікельвмістних каталізаторів; нікелевий купорос – компонент електролітів у гальванотехніці для нанесення покриттів на метали; нікелевий купорос застосовують також як фунгіцид.

3. ОПИС ТЕХНОЛОГІЧНОЇ СХЕМИ


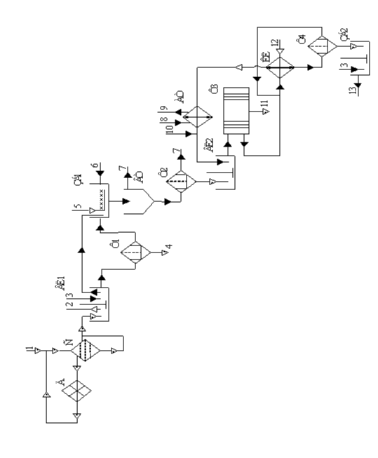
На рисунку 3.1 наведено принципову технологічну схему технології утилізації нікелю та марганцю у виробництві синтетичних алмазів.

Неочищений продукт синтезу подається на сита С, де розділяється на три фракції: d=0,75 мм; d=0,375 мм та d=0,125 мм.

Гранули, діаметр яких d>0,75 мм подаються знову на подрібнення у дробарку Д та знову повертаються на сита. Після сит неочищений продукт синтезу йде на вилуговування у реактор–вилужувач ВЛ1, куди також подається сірчана кислота з цеху приготування розчину.

Після закінчення циклу вилуговування, що складає 2 години, рідка фаза що являє собою розчини H2SO4 з концентрацією w=5–15 % ваг., що містять в своєму складі MnSO4 і NiSO4, декантується та подається в збірник ЗБ1.

Із ВЛ1 нижня частина суспензії подається на фільтр Ф1, де розділяється на тверду фазу та маточний розчин. Тверда частина – алмазографітова шихта, йде на подальшу переробку та отримання алмазу.

Відфільтрований розчин після фільтра Ф1 подається у збірник ЗБ1.

У ЗБ1 відбувається осадження сполук нікелю та марганцю за допомогою розчинів NaOH та H2O2, які подаються з цеху приготування розчинів. Крім того тут використовується розчин NaOH, що утворюється на стадії кінцевого очищення алмазів від домішок, що містять близько 1 % з'єднань кремнію.

Отримана суспензія після ЗБ1 відстоюється у відстійнику ВТ. Очищена рідина – водно-сольовий розчин з відстійника ВТ йде на переробку, а суспензія на фільтрування до фільтра Ф2.

При фільтруванні на фільтрі Ф2 утворюється очищена рідина і осад, що містять в своєму складі з'єднання таких елементів як: марганець, нікель, натрій, кремній та органічні сполуки.


Відфільтрована рідина прямує на подальшу переробку, а тверда фаза, яка містить переважно гідроксиди і оксиди марганцю і нікелю спрямовується у вилужувач ВЛ2, де піддається обробці NH4OH з концентрацією 20–24 %. В результаті такої обробки з'єднання нікелю переважно переходять в розчин, а з'єднання марганцю та заліза залишаються в нерозчиненому вигляді.

Отримана суспензія фільтрується на фільтр–пресі Ф3. Після чого тверда фаза, що містить з'єднання марганцю і 5–10 % нікелю, в перерахунку на чистий метал, прямує на металургійну переробку.

Після відділення твердої фази на фільтрі Ф3 із розчину, що містить аміачні комплекси нікелю відгоняють аміак разом з парою за допомогою кип’ятіння у КЛ. Далі аміак з парою прямує на конденсацію у АТ, а після чого знову потрапляє на стадію вилуговування сполук нікелю у ВЛ2. В результаті відгонки пари з аміаком нікель випадає в осад у вигляді Ni(OH)2, який відділяється від розчину фільтруванням на фільтрі Ф4. Обробкою осаду Ni(OH)2 за допомогою H2SO4 одержують розчин NiSO4 у ЗБ2, який є товарним продуктом. Після фільтрування розчин NaOH прямує на отримання нікелю (II) гідроксиду у КЛ.

Таким чином, запропонована схема дозволяє значно поліпшити екологічний стан у промисловому районі і дозволяє повернути цінний нікель у вигляді додаткової ліквідної хімічної продукції.

Для існуючого виробництва синтетичних алмазів запропоновано принципову технологічну схему очищення стічних вод, що містять з'єднання марганцю і нікелю, з двома способами утилізації водно-сольового розчину; електродіаліз з отриманням NaClО і H2 або спрямовування розчину у водооборотну систему підприємства.

4. ЕНЕРГОЗБЕРЕЖЕННЯ ТА ЕКОЛОГІЯ


Запропонована схема утилізації нікелю та марганцю значно скорочує кількість необхідних енергоресурсів за рахунок використання енергії розігріву реакційної суміші при розчиненні сірчаної кислоти та за рахунок реакції взаємодії металів з кислотою. Додатково для скорочення кількості енергоресурсів проводиться автоматичне регулювання температури і підігрів вмикається на останній стадії.

За рахунок використання H2SO4 зменшується кількість газо образних викидів та спрощена схема утилізації твердих відходів у вигляді суміші солей нікелю та марганцю.

Стічні води, та газові викиди, що містять іони нікелю та марганцю – токсичні речовини з досить різноманітним впливом на організм: можуть викликати зміни в кровообігу, органах подиху, нервовій системі, обмін речовин; загальну реактивність організму.

Екологічна обстановка залишається дуже складною. Проводиться багато досліджень з метою створення безвідходних технологій, що дозволять ліквідувати чи забезпечити мінімальні шкідливі викиди у водоймища, ґрунт і атмосферу.

Весь комплекс проведених досліджень і запропонована технологічна схема дозволяють скоротити кількість викидів та кількість необхідних енергоресурсів до мінімально можливих величин.

5. РОЗРАХУНОК МАТЕРІАЛЬНОГО БАЛАНСУ


Вихідні дані:

Концентрація H2SO4 = 15 %;

Співвідношення Ni/Mn = 40/60;

Ступінь перетворення (a) – 97 %;

Продуктивність – 20 млн. карат/місяць або 4000 кг/місяць;

Співвідношення (алмаз+графіт) / (Ni+Mn) = 50/50.

Маса суміші алмазів, що подається на очистку:

  (5.1)

Сумарна маса Ni+Mn:

                                  (5.2)

Визначаємо масу Ni:

                                                   (5.3)

Визначаємо масу Mn:

                                          (5.4)

Процес очищення алмазу від солей Ni представляємо у вигляді рівняння:

Ni + H2SO4 = NiSO4 + H2.            (5.1)

По цьому рівнянню розрахуємо кількість H2SO4, необхідну для взаємодії з нікелем:

. (5.5)

Тоді кількість отриманого NiSO4 складатиме:

. (5.6)

Кількість одержаного H2 за результатами реакції (5.1) складе:

 або

. (5.7)

Залишилось Ni після реакції:

. (5.8)

Процес очищення алмазу від солей Mn представляємо у вигляді рівняння:

Mn + H2SO4 = MnSO4 + H2.        (5.2)

По цьому рівнянню розрахуємо кількість H2SO4, необхідну для Mn:

.        (5.9)

Тоді кількість отриманого MnSO4 складатиме:

.

Кількість одержаного H2 за результатами реакції (5.2) складе:

 або

.

Залишилось Mn після реакції:

.

Усього по реакції (5.1) та (5.2) необхідно H2SO4:


Залишилось H2SO4 після реакцій (5.1–5.2):

.

Усього по реакції (5.1) та (5.2) необхідно H2:

 або

.

Розрахуємо кількість води, необхідної для отримання 15 % H2SO4:

.

Результати розрахунків зводимо у таблицю 5.1.

Таблиця 5.1 – Матеріальний баланс

Прихід

Витрати

Компонент

m, кг

м3

Компонент

m, кг

м3

Алмаз+графіт

4000


Алмаз+графіт

4000


Ni

1600


Ni

48


Mn

2400


Mn

72


H2SO4

6934


H2SO4

208,02


H2O

39293


H2O

39293


NiSO4



NiSO4

4077,3


MnSO4



MnSO4

6391,4


H2



H2

137,3

1537,5

Усього:

54227

Усього:

54227



6. РОЗРАХУНОК ТЕПЛОВОГО БАЛАНСУ


Вихідні дані приведені в таблиці 6.1.

Таблиця 6.1 – Теплоємність та тепловий ефект речовин [11]

Компонент

Теплоємність при 25 °С, Дж/моль·град

Тепловий ефект при 25 °С, кДж/моль

Алмаз+графіт

7,3


Ni

26,05

0

Mn

26,32

0

H2SO4 (15%)

137,57

194,6

H2О

75,3


NiSO4

80,0

–888,0

MnSO4

100,0

–994,0

H2

28,83

0


Тепловий ефект реакцій (5.1) та (5.2) розраховуємо за формулою:

        (6.1)

За даними таблиці 6.1 розраховуємо тепловий ефект реакції (5.1):

.

За даними таблиці 6.1 розраховуємо тепловий ефект реакції (5.2):

.

Розрахунок зводимо до визначення необхідної кількості тепла:

        (6.2)

де Qпралмаз – тепло, що подається з алмазом, кДж/моль;

QпрNi – тепло, що подається з Ni, кДж/моль;

QпрMn – тепло, що подається з Mn, кДж/моль;

 – тепло, що пішло з H2SO4, кДж/моль;

– тепло, що пішло з H2O, кДж/моль;

QТ1р-ції – тепло, що пішло на 1–у реакцію, кДж/моль;

QТ2р-ції – тепло, що пішло на 2–у реакцію, кДж/моль;

Qвиталмаз – тепло, яке виходить з алмазом, кДж/моль;

QвитNi – тепло, яке виходить з Ni, кДж/моль;

QвитMn – тепло, яке виходить з Mn, кДж/моль;

QвитMnSO4 – тепло, яке виходить з MnSO4, кДж/моль;

QвитNiSO4 – тепло, яке виходить з NiSO4, кДж/моль;

 – тепло, яке виходить з H2SO4, кДж/моль;

 – тепло, яке виходить з H2O, кДж/моль;

QвитH2 – тепло, яке виходить з H2, кДж/моль;

Qвит – тепло витрат (2 %), кДж/моль.

6.1 Розрахунок приходу тепла


Розрахунок приходу тепла розраховується за формулою:

                        (6.3)

де mі – маса компонента, кг;

tівх – температура входу, дорівнює 25 °С;

Сі – теплоємність, кДж/моль·град.

Тепло, яке надходить з алмазом:


Тепло, що надходить з нікелем:


Тепло, що надходить з марганцем:


Тепло, яке поступає з сірчаною кислотою:


Тепло, яке поступає з водою


Тепло, що пішло на реакцію (5.1):


Тепло, що пішло на реакцію (5.2):


Сумарний прихід тепла:


6.2 Витрати тепла


Розрахунок витрату тепла розраховується за формулою:

                    (6.4)

де tівих – вихідна температура °С.

Вихідне тепло алмазу складає:


Вихідне тепло з нікелем:


Вихідне тепло з марганцем:


Вихідне тепло NiSO4:

Вихідне тепло MnSO4:


Тепло, що виходить з сірчаною кислотою:


Тепло, що виходить з водою:


Вихідне тепло з Н2:


Тепло витрат:


Тоді вихідна температура потоків за умови витрат дорівнює:

                          (6.5)

+ 2021769,7

°С

Вихідне тепло алмазу складає:


Вихідне тепло з нікелем:


Вихідне тепло з марганцем:


Вихідне тепло NiSO4:


Вихідне тепло MnSO4:


Тепло, що виходить з сірчаною кислотою:


Тепло, що виходить з водою:


Вихідне тепло з Н2:


Результати розрахунків зводимо у таблицю 6.2.

Таблиця 6.2 – Тепловий баланс

Прихід тепла

Витрата тепла

Кількість теплоти

кДж/моль

Кількість теплоти

кДж/моль

Qпралмаз

730000

Qпралмаз

725036

QпрNi

1042000

QпрNi

31047,43

QпрMn

1579200

QпрMn

47053,84

QпрH2SO4

23847727,7

QвитNiSO4

8099125,2

QпрH2O

73968346,38

QвитMnSO4

15869891,35

QТ1р-ції

–28478


710566,9

QТ2р-ції

–50310

QпрH2O

73465361,6



QвитH2

98260,8



Qвит

2021769,7

Всього:

101088486

Всього:

101068112,8

7. РОЗРАХУНОК ОСНОВНОГО АПАРАТУ


Реактор–вилуговувач має вигляд циліндричного апарату, з конічним днищем.

Усі апарати працюють 8 годин в день. Один цикл складає 2 години. Знаючи кількість розчину, який переробляється за місяць, знайдемо об’єм розчину, який переробляється за один цикл.

кг/годину.

м3.

Знайдемо об’єм апарату:

, (7.1)

де (1+0,5) – співвідношення,

кг.

л.

Так як відомо, що співвідношення висоти апарату до його діаметру дорівнює приблизно 1,7, тоді

H = 1,7·d                                     (7.2)

З попередньої формули знайдемо діаметр апарату:

м.

Тоді висота апарату дорівнюватиме із формули (7.2):

H = 1,7·0,295 = 0,501 м.

Так як за умовою висота конічної частини апарату у 6 разів менша за загальну висоту, то:

 м.

Знайдемо об’єм конічної частини:

м3 = 1,9 л.

Знайдемо об’єм циліндричної частини апарату:

м3 = 5,7 л.

V = Vцил – Vкон = 0,0057 – 0,0019 = 0,0038 м3.

Висоту апарату приймаємо 510 мм. Висоту конусної частини приймаємо 85 мм. Діаметр апарату приймаємо 300 мм.

Із зовнішньої сторони апарат покривається рубашкою, що підігріває робочий розчин.

Враховуючи середовище в апараті вибираємо матеріал апарату.

Середовище: H2SO4 (15 %), при Т = 20–37 ˚С.

Матеріал: сталь Х18Н10Т + поліетиленова футеровка.

8. ОХОРОНА ПРАЦІ


8.1 Загальна характеристика умов здійснення технологічного процесу


8.1.1 Значення охорони праці

Охорона праці – це система правових актів та відповідальних їм соціально-економічних, організаційно технічних, санітарно-гігієнічних, лікувально-профілактичних засобів, та заходів які забезпечують збереження життя, здоров’я та працездатності людини в процесі [12].

Головним її завданням є забезпечення безпечної та високопродуктивної праці, зниження та ліквідація виробничого травматизму та професійних захворювань.

В теперішній час в хімічній промисловості здійснюється комплексна механізація та автоматизація найважливіших виробничих процесів.

Вровадження безперервних виробничих процесів дозволяє знизити велику кількість милу промислових цехів, звести до мінімуму викидання шкідливих речовин в навколишнє середовище. Також впроваджується наукова організація праці та вдосконалене високопродуктивне обладнання. Використовуються відходи виробництва.

Все дозволяє підвищити не тільки продуктивність праці, але і покращити умови праці на підприємствах.

8.1.2 Аналіз небезпечних та шкідливих виробничих факторів, які були присутні при проведенні процесу, приведені в таблиці 8.1.

Таблиця 8.1 – Перелік небезпечних та шкідливих виробничих факторів та їх джерел

Небезпеч–ний (шкід–ливий) виробничий фактор ГОСТ 12.0.003–74 [13]

Нормативно-технічний документ, регламенту–ючий умови безпеки

Джерело виник–нення

Характер дії фактора на організм людини

Нормативний показник та його значення

1

2

3

4

5

Висока електрична напруга 380 В

ПУЭ–87 [14] ГОСТ

12.1.030–81* [15]

Змішувач, насоси, дробарка та інше.

При проходженні через організм людини електрич–ний струм має термічну, електро–літину, механічну та біологічну дію. Це може призвес–ти до двох видів уражень: електричним трав–мам та електрик–ним ударам.

Сила струму порового від чутливого: пос–тійний І=5–7 А, змінний

І=0,6–1,6 мА, пороговіго невідпускаючо–го, постійний

І=50–80 мА, змінний

І=10–15 мА, фібриляційний струм постій–ний І=300 мА, змінний

І>50–100 мА.

Вибухо– та пожежне–безпечність H2O2, Н2SO4, та інші.

ГОСТ

12.1.044–89* [16]

ДСТУ 2272:

2006 [17]

ГОСТ

12.1.004–91* [18]

Реактори розчин–ники, реактор, та інші.

При попаданні в епіцентр пожежі опіки, задуха димом, вибух.

Див табл. 8.3

Запилюва–ність

ГОСТ 12.1.005–88 [19]

ГОСТ 12.1.007–88 [20]

Заванта–ження та виванта–ження змішува–ча, реак–тора, дробарки.

Див. табл. 8.2

ГДК, мг/м3 (див. табл. 8.2)

Продовження таблиці 9.1

1

2

3

4

5

Шум

ГОСТ 12.1.003–83* [21]

ДСН 3.3.6.037–99

[22]

Вентиля–ційне устатку–вання, насос, дробарка та інші.

Передається на робочі місця, які не мають джерел вібрації. При дії на організм людини виникають відхи–лення в переди–ричній, нервовій та серцево-судин–ній системах та в опорно-руховому апараті. При тривалій дії вини–кає «вібраційне захворювання»

Віброшвид–кість – V, м/с, віброприско–рення а, м/с2 та їх логарифмічні рівні La, Lv, дБ Lv = 92 дБ.

Шкідливі речовини (Н2SO4, NaOH та інші)

ГОСТ 12.1.005–88 [19]

ГОСТ 12.1.007–88 [20]

Техноло–гічний процес

Див. табл. 8.2

ГДК, мг/м3 (див. табл. 8.2)

Несприят–ливий мікроклімат (підвищена температура поверхні обладнання та матеріа–лів)

ГОСТ 12.1.005–88 [19]

ДСН 3.3.6.042–99 [23]

Реактор синтезу, сушиль–ний барабан, піч для спікання, термоо–кислювач та інші.

Порушення терморегуляції організму, тепло–вий удар, судорожна хворо–ба.

Припустимі та оптимальні температура, oC, відносна вологість, j, %, швидкість руху повітря (м/с)

(див. табл. 8.4)

Статична електрика

НПАОП

0.00–1.29–97 [24]

ГОСТ 12.1.018–93 [25]

Процеси дроблен–ня фільт–рації (просіву)та інші.

Негативно діє на психо-фізичний стан, судороги, фізіологічна дія, головний біль, порушення сну.

Мінімальна енергія зажигання мДж


8.1.3 Токсикологічна характеристика речовин і матеріалів

Токсикологічна характеристика речовин і матеріалів, які обертаються в процесі, приведенні в таблиці 8.2

Таблиця 8.2 – Характеристика речовин і матеріалів, які обертаються у виробництві

Найменуван–ня речовини

Клас небезпеки

ГОСТ 12.1.007–88 [20]

ГДК в повітрі та робочій зо–ні, мг/м3

ГОСТ 12.1.005–88 [19]

Характер дії речо–вини на організм людини

Перша допо–мога та заходи безпеки

1

2

3

4

5

Ni металіч–ний

2

0,5

Впливає на крово–течний та вугле–водневій обмін, прогресує наявний рак. Відсутність чи зниження апетит, функціональні змі–ни центральної нервової системи, сенсибілізатор.

ЗІЗ – пецодяг, распіратор ШБ–1 «Пелюстка», «Айстра–2» та інші. Вентиляція, захисні пасти, механізація.

Mn і його сполуки

2

0,3

Небезпечно вдиха–ти пил, діє на нервові тканини

Спецодяг, захисні оку–ляри, венти–ляція.

H2SO4

2

1

Подразнююча та припікаюча дія. Опіки шкіри. Вели–ка глубина уражен–ня, розщіпляє біл–кові речовини. Порушення дихан–ня і функцій нервової системи.

Промити водою, ЗІЗ – кислотостій–кий спецодяг протигаз мар–ки Б, БНФ, захисні окуляри, гумові чоботи, рукавиці.

NaOH

2

0,5

Діє припікаючи після опіків утворюються.

Промити водою, розчи–ном слабих кислот (оцто–вої та інших).

H2O2

3

Запальні хвороби шкирі. Подразнен–ня слизових, зайво–рювання бронхів та легенів.

Спецодяг, распіратори, вентиляція, герметизація обладнання.

Продовження таблиці 8.2

1

2

3

4

5

Na2SiO3

3

2

Подразнення слизової оболонки верхніх дихальних шляхів, опіки очей, на шкурі – лишає видні утворення

Захист органів дихання, шкі–ри.

NiSO4

2

0,5

Головний біль, запалення слизис–тої носу, виразки на носовій перего–родці, у гортані, трахеї.

ЗІЗ, промити уражені ділянки водою.

NH4OH

3

20,0

Високі концернт–рації мають високу сльозогінні дії, кашель, біль в очах, задуха, запаморочення.

Промити во–дою вражені ділянки, вди–хання чистого повітря. ЗІЗ – лужностійкий спецодяг, про–тигаз марки КД, захисні окуляри, гумо–ві чоботи, рукавиці.

Графіт, алмази: природні, штучні.

4

4

6

8

Технічний вуглець оказує подразню-ючу дію, захворю–вання легенів (антрокос)

ЗІЗ – спец–одяг, рапіра–тори, «Айстра–2», «ШБ–1», «Пелюстка», вентиляція.


8.1.4 Характеристика пальних речовин та матеріалів

Пожежно– і вибухонебезпечні властивості речовин і матеріалів, що застосовуються в процесі, наведені в таблиці 8.3.

Таблиця 8.3 – Характеристика пожежновибухової і пожежної небезпеки речовин і матеріалів, що обертаються у виробництві

Назва речовини (матеріалу)

Характеристика пожежо– і вибухо–небезпечності

Показники пожежної вибухонебезпечності

ГОСТ 12.1.044–89* [16]

Категорія та група вибухової суміші

ГОСТ 12.1.011–78* [26]

графіт

Температура само–

спалахування, оС

Нижня концентра–ційна межа спала–хування, г/м3

830

17–24

Вибухонебезпеч–ний (А), Т1

NH4OH

Температура само–

спалахування, оС

Концентраційні ме–жі поширення полум’я:

нижній

верхній

650


15

28

Т1


Сульфатна кислота є сильним окислювачем. Розбавлення сульфатна кислота розчиняє метали при цьому виділяється водень, а взаємодія її з лужноземельними металами супроводжується самозайманням.

Концентрована сульфатна кислота при взаємодії з металами може утворювати діоксиди сірки, сірку, сірководень. Присутність сульфатної кислоти посилює пожежобезпечні властивості деяких окиснювачів та багатьох органічних речовин та матеріалів.

У присутності пероксида водню спирти, кетони, ароматичні вуглеводні самозаймаються, або стабть чуттєвими до нагріву. Самозаймаються також тверді горючі матеріали, як бумага, деревина та інші.

8.1.5 Характеристика виробничого приміщення

Відповідно до ДБН В.1.1.7–2002 [27] вогнестійкості приміщення цеху Ш, тому що основні будівельні конструкції виготовлюють з цегли та залізобетону.

Відповідно до НАПБ Б–07.005–86 [28] приміщення цеху за вибухопожежною та пожежною небезпекою відноситься до категорії В.

По ступені небезпечності ураження електричним струмом приміщення відповідно до ПУЕ–87 [14] відносять до класу приміщень особливо небезпечних, так як є можливість одночасного доторкання до маючих з’єднань з землею металоконструкціями будівель, з однієї сторони, і до металевих корпусів електрообладнання – з іншої, температура в приміщеннях підвищена, а також хімічно–активне середовище руйнує ізоляцію струмоведучих частин електрообладнання.

Відділення цеху, де здійснюється процес змішування, подрібнення та інші матеріали відносяться до класу зон П–ІІа, П–ІІ, а також мають місце зони – 22 відповідно НПАОП 40.1–1.32–01 [29].

Все це відповідає даним нормам.

8.1.6 Ширина санітарно–захисної зони згідно ДНАОП 0.03–3.01–71 [30] – 100 м.

8.2 Промислова санітарія

8.2.1 Допустимі параметри метереологічних умов

Вибрані по ГОСТ 12.1.005–88 [19], ДСН 3.3.6.042–99 [23], допустимі параметри мікроклімату приведені в таблиці 8.4

Таблиця 8.4 – Допустимі параметри метереологічних умов

Категорія робіт по енергозатратам

Період року

Температура, оС

Відносна вологість, % не більше

Швидкість руху повітря, м/с, не більше

Середньої тяжкості ІІа

Холодний

17–23

75

0,3

Середньої тяжкості ІІа

Теплий

18–27

65 при 26 оС

0,2–0,4


Для забезпечення параметрів мікроклімату зазначених в таблиці 8.3, в роботі передбачено:

- автоматизація процесу;

- механізація процесу довантаження загрузки матеріалів;

- герметизація обладнання (дробарки, змішувачі–раектори та інші);

- теплоізоляція обладнання (сушильний барабан, термоокислювач та інші);

- застосування ЗІЗ (спецодяг, захисні окуляри, распіратори ШБ–1, «Пелюстка», «Астра–2» та інші);

- застосування згідно СНіП 2.04.05–91* [31] вентиляції, опалення в холодний період року.

8.2.2 Характеристика виробничого освітлення, згідно ДБН В.2.5–28–2006 [32], приведено у таблиці 8.5

Так, як приміщення цеху знаходить в IV поясі світлового клімату, то:

lN=lN·mN, (8.1)

де m – коефіцієнт світового клімату, дорівнює 0,9 (вікна на північ);

N – номер групи збагаченості природним світлом.

Таблиця 8.5 – Характеристика виробничого освітлення

Характер оглядової роботи

Розмір об’єкту розпізнання, мм

Розряд і підрозряд здорової праці

Характеристика фону

Контраст між об’єктом розпіз–нання і фоном

Природне освітлення

Штучне освітлення

Вид

КПО е, %

Вид

Еmin,

лк

Джерело світла, тип світильника

Середньої точності

0,5–1

світлий

великий

бок–ве


суміщене

комбі–новане

1,5


0,9

4,0

загаль–не


комбі–новане

150



300

Люмінісцементні лампи ЛД 40–4 ЛД 80–4 ПВЛМ 2´40 НОГЛ–80


8.3 Пожежна безпека


8.3.1 Можливі причини пожежі порушення процесу та правил пожежної безпеки, несправність обладнання, коротке замикання, розчинів кислот, самозаймистих матеріалів та інших.

 

8.3.2 Пожежна безпека забезпечується згідно з ГОСТ 12.1.004–91* [18] системами попередження пожежі, протипожежного захисту, організаційно технічними заходами.

 

8.3.3 Заходи протипожежного захисту:

1) наявність засобів оповіщення при пожежному електрична пожежна сигналізація, телефонний зв'язок;

2) застосування засобів пожежогасіння (зовнішній та внутрішній водопровід);

3) автоматичні засоби пожежежогасіння (спринклерні);

4) первинні засоби пожежогасіння (для приміщень категорій В S=500–600 м2, вогнегасники вуглекислотні ВВК–5 – 2шт, повітрянопінні ВПП–10 – 6 шт, ящики з піском, бочка з водою). Механічні припинення горіння та ізоляція, охолодження, розбавлення, механічний зрив полум’я.

Висновок

Проведені вище заходи дозволяють забезпечити безпечні та нешкідливі умови праці при виконанні процесу.

9. ТЕХНІКО–ЕКОНОМІЧНЕ ОБГРУНТУВАННЯ

 

Однією з важливих проблем сучасного розвитку виробничої бази в Україні є збільшення ефективності роботи транспорту, поліпшення капітальних будівель і забезпечення населення товарами хімічної промисловості.

Для визначення витрат на випуск й собівартість продукції розраховуються капітальні витрати на виробництво. Розрахунки вартості сировини, палива проводяться на підставі коефіцієнтів.

Штатний розклад, складений на основі заводських даних, фонд заробітної плати розрахований на основі діючих тарифних ставок на підприємствах України.

Заробітна плата ІТП і службовців прийнята згідно існуючого посадового окладу (сітки).

Розмір капітальних витрат на будівництво визначають на підставі їхнього обсягу й вартості 1 м3.

9.1 Розрахунок виробничої потужності проектованого цеху

Виробнича потужність цеху (G) розраховується по ведучому устаткуванню.

відповідно до формули:

                          (9.1)

де G – потужність цеху, т/рік;

А – кількість однотипного устаткування, дорівнює 1 шт.;

П – найбільша міцність одиниці устаткування, дорівнює 0,0179 т/год;

Феф – ефективний фонд часу роботи одиниці устаткування, год/рік.

Річний фонд часу роботи устаткування залежить від режиму роботи цеху. Цех утилізації нікелю та марганцю у виробництві синтетичних алмазів працює в 1 зміну тривалістю 8 год.

Ефективний фонд часу розраховують відповідно до формули:

(9.2)

де Д – кількість робочих днів у році, дорівнює 365 днів;

С – кількість змін у добу, дорівнює 1 шт.;

r – тривалість зміни, дорівнює 8 год.;

ДО1 – коефіцієнт зупинки й ремонту устаткування, дорівнює 0,99;

ДО2 – коефіцієнт на переустаткування (переоснащення), дорівнює 0,98;

Р – кількість днів ремонту, дорівнює 10–19 днів, приймаємо 19 днів.


9.2 Розрахунок вартості і потреби сировини і матеріалів

Потреба в сировині та матеріалах представлена таблиці 9.1.

Таблиця 9.1 – Потреба в сировині та матеріалах

Сировина

Питомі норми витрат, т/т

Об’єм виробництва, т

Річна потреба, т

Луг, т

21,7



48

1041,6

Пероксид водню, т

2,8

134,4

Сульфатна кислота, т

8,5

408

Всього


1584


Розрахунок вартості сировини та матеріалів представлений в таблиці 9.2. При визначенні оборотних коштів вартість сировини й матеріалів враховуються з податком на додану вартість, який складає 20 % від вартості матеріалів.

Таблиця 9.2 – Вартість сировини та матеріалів

Матеріал

Ціна, грн./т

Витрата, т

Вартість, грн.

На 1 т продукту, т

На річну програму, т

На 1 т продукту

На річну програму

Луг, т

800

21,7

1041,6

17360

833280

Пероксид водню, т

600

2,8

134,4

1680

80640

Сульфатна кислота, т

1200

8,5

408

10200

489600

Всього




29240

1403520


9.3 Визначення витрат по вартості енергоресурсів

Розрахунок вартості будь-якого виду енергоресурсів, електроенергії, визначається відповідно до формули:


де Ре – вартість виду енергоресурсу;

- погодинні витрати -ресурсів на к-устаткування;

Феф – ефективний річний фонд часу роботи к-устаткування, дорівнює

2681 год/рік:

К1 – коефіцієнт навантаження, дорівнює 0,75;

К2 – коефіцієнт одночасності, дорівнює 0,8;

К3 – коефіцієнт втрат, дорівнює 1,05.

Розрахунок потреби в енергоресурсах представлений в таблиці 9.3.

Таблиця 9.3 – Розрахунок потреби електроенергії

Обладнання

Кількість обладнання, шт.

Потужність, кВт/год

Кількість годин роботи, год

Необхідна потужність, кВт/рік

1

2

3

4

5

Дробарка

1

3,543


9500

Насоси

2

4,16


2681

11150

Фільтри

4

18,82

50450

Реактор

1

3,915

10500

Всього

8

30,436

81600


В таблиці 9.4 розраховано загальну потребу у енергоресурсах.

Таблиця 9.4 – Розрахунок потреби в енергоресурсах

Найменування

Витрати на виробництво 1 т

Витрати на річну програму

Ціна, грн.

Витрати на 1 т., грн.

Витрати на річну прог–раму, грн.

Вода, м3

529,55

25418,4

11,07

5862,1

281380,8

Електроенергія, кВт/год

1360

65280

0,54

734,4

35251,2

Всього




6596,5

316632


9.4 Розрахунок амортизаційних відрахувань

Початкова вартість устаткування приведена в таблиці 9.5.

Таблиця 9.5 – Вартість устаткування

Устаткування

Кількість одиниць

Ціна одиниці устатку–вання

Ціна всього встановлено–го устатку–вання, грн.

30 % монтаж та транспор­тування

Вартість устатку–вання, грн.

1

2

3

4

5

6

Дробарка

1

32000

32000

9600

41600

Нососи

2

10000

20000

6000

26000

Фільтри

4

40375

161500

48450

209950

Реактор-вилуговувач

1


40000

12000

52000

Всього



253500

76050

329550

Силові машини і облад–нання (7–8 % від вартос–ті)





26364

1

2

3

4

5

6

Невраховане обладнання (10–12 % від всього врахо­ваного)





32955

Транспортування (5 % від графи 4)





12675

Монтаж (20 % від графи 4)





50700

Спец роботи (8 % від графи 4)





20280

Всього





472524

Амортизація (15 % від вартості)





70878,6


9.4.1 Розрахунок кошторисної вартості будівництва

Площа ділянки поділяється на виробничу, допоміжну та побутову. Виробнича площа розраховується на основі даних о кількості обладнання. Допоміжна площа для вентиляційного обладнання складає 40–50 % від виробничої при цеху, який займає понад 200 м2 й 50–60 % при виробничій площі до 200 м2. Побутова площа розраховується виходячи з кількості робочих на ділянці й удільних норм площі на одного робочого, яка визначається за нормами й правилами СНиП 2.09.04–87.

Розрахунок вартості будови споруд виконується на основі об’єму будівництва та вартості 1 м2 споруди. В вартість споруди включать ще:

опалення й вентиляція                        5 %

водопровід й каналізація                    10 %

освітлення                                           5 %

інші роботи                                         6 %.

Розрахунок вартості споруд наведено у таблиці 9.6.

Таблиця 9.6 – Кошторис затрат на будівництво споруд

Вартість будівничих робіт

Вартість допоміжніх робіт

Загальна вартість допиміжніх робіт, грн

Повна вартість виробни–чих споруд, грн

Об’єм, м3

За 1 м3, грн

Загальна вартість

Опалення та вентиляція, грн

Водопровід та каналізація, грн

Електроосвітлення, грн

Інші роботи, грн

Виробниче

1008

250

151200

7560

15120

9072

7560

39312

190512

Адміністративні

65

380

13600

650

1300

780

650

3380

16380

Всього







274428

Амортизація (10 % від вартисті)

27443

Амортизація виробничих приміщень = 10 % * 190512 = 19051,2 грн.

Амортизація побутових приміщень = 10 % * 67536 = 6753,6 грн

Амортизація адміністративних приміщень = 10 % * 16380 = 1638 грн.

Загальна амортизація приміщень = 27443 грн.

9.5 Розрахунок затрат на оплату праці

Річний фонд оплати праці складається з фонду основної заробітної плати й фонду додаткової оплати праці. Фонд основної заробітної плати робітників залежить віл результатів їхньої роботи і визначається тарифними ставками, установленими розцінками, посадовими окладами, а також надбавками і доплатами в розмірах, не перевищуючих установлених законодавством. Розрахунок чисельності робочих приведений у таблиці 9.7.

Таблиця 9.7 – Розрахунок чисельності робочих

Назва професії

Чисельність робочих у зміну

Кількість змін за добу

Явочна чисельність

Коефіцієнт облікового складу

Облікова чисельність робочих

Основні робітники:






Апаратник

5

1

5

1,47

8

Оператор

2

1

2

1,47

3

Ітого:



7


11

Допоміжні робітники






Черговий слюсар

2

1

2

1,43

3

Електрик

2

1

2

1,43

3

Черговий механік

2

1

2

1,43

3

Ітого:



6


9

Всього:





20


Склад і кількість керівників, спеціалістів, службовців підприємства розраховується згідно вибраної організаційної структури і штатного розкладу.

Таблиця 9.8 – Баланс робочого часу одного робочого

Показники

Робочі

Основні

Допоміжні

Календарний фонд часу, дні

365

365

Неробочі дні, всього, в тому числі:



– свята;

12

12

– вихідні

98

98

номінальний фонд робочого часу

2040

2040

невиходи на роботу, дні:



– основні та додаткові відпустки:

18

18

– відпустка учням;

– відпустка по вагітності й пологам;

– по хворобі;

10

10

– виконання державних обов’язків;

5

корисний фонд робочого часу, дні;

228

234

середня тривалість робочого дня. год.;

8

8

корисний фонд робочого часу в рік. год.:

1824

1872

коефіцієнт переходу

1,47

1,43

Коефіцієнт переходу розраховується згідно формули:

Кпероб/(Фрмм)

Кпер= 2681/(1824*1) = 1,47; Кпер = 2681(1872*1) = 1,43.

В таблиці 9.8 наведені розрахунки річного фонду оплати праці основних та допоміжних робочих.

Таблиця 9.8 – Розрахунки річного фонду оплати праці основних та допоміжних робочих

Назва професії

Списочна кількість робочих

Тариф–ний розряд

Тарифна ставка, грн./год

Еф. фонд часу одного праців–ника

Фонд заробіт–ної пла–ти по тарифу, грн.

Доплати та над–бавки, грн.

Основ–ний фонд зарпла–ти, грн.

Дод. оплата праці, грн.

Річний фонд оплати праці, грн.

Основні працівники

Апарат–чик

5

3

5,42

2678

72578,3

14515,6

87093,9

8709,4

95803,3

Опера–тор

2

5

6,01

2678

32189,56

6437,9

38627,5

3862,75

42490,2

Ітого





104767,9

20953,5

125721,4

12572,2

138293,5

Слюсар

2

5

5,62

2678

30100,72

6020,1

36120,8

3612,08

39732,88

Елект–рик

2

4

6,01

2678

32189,56

6437,9

38627,5

3862,75

42490,25

Механік

2

5

7,12

2678

38134,72

7626,9

45761,6

4576,16

50337,76

Ітого:





100425,0

20085,0

120510

12051,0

132561,0

9.6 Розрахунок річного фонду оплати праці керівників та спеціалістів

Розрахунок річного фонду оплати праці (РФОП) керівників та спеціалістів наведено в таблиці 9.9.

Таблиця 9.9 – Розрахунок РФОП керівників та спеціалістів

Категорія працюючих

Чисельність, чол.

Оклад в місяць, грн.

Кількість місяців

Основний фонд зарплати, грн.

Дод. оплата праці, грн.

РФОП, грн.

Нач. цеху

1

1900

12

22800

2280

25080

Заст. нач. цеху

1

1600

12

19200

1920

21120

Технолог

1

1100

12

13200

1320

14520

Майстер

1

1220

12

14640

1464

16104

Економіст

1

1020

12

12240

1224

13464

Лаборант

1

917

12

11004

1100,4

12104,4

Всього

6


12

93084

9308,4

102392,4


9.7 Розрахунок витрат по утриманню й експлуатації обладнання

Розрахунок витрат по утриманню й експлуатації обладнання наведено в таблиці 9.10.

Таблиця 9.10 – Розрахунок витрат по утриманню й експлуатації обладнання

Назва статті

Розмір витрат, грн.

Примітка

1 Витрати на оплату праці



1.1 Основна заробітна плата допоміжних робітників

120510


1.2 Відрахування на соціальне страхування

43745,13

36,3 % від з/п

2 Матеріальні витрати



2.1 Витрати на проведення технічного обслуговування

16477,5

5 % від вартості обладнання

2.2 Витрати на технічне обслуговування

3954,6

1,2 % від вартості обладнання

3 Амортизація обладнання

70878,6


4 Інші невраховані витрати

19313

5 % від врахованих

Всього

274878,8



9.8 Розрахунок загальновиробничих витрат

Загальновиробничі витрати наведено в таблиці 9.11

Таблиця 9.11 – Розрахунок загальновиробничіх витрат

Назва статті

Розмір витрат, грн.

Примітка

1 Витрати на оплату праці



1.1 Основна заробітна плата керівників та спеціалістів

218805,4


1.2 Відрахування на соц. страхування

79426,4

36,3 % від з/п

2 Витрати на проведення ремонту

12349,26

4,5 % від вартості будівлі

3 Витрати на утримання будівлі

5488,56

2 % від вартості будівлі

2.2 Витрати на технічне обслуговування

3954,6

1,2 % від вартості обладнання

3 Амортизація будівлі

27443


4 Витрати на винахідливість та раціоналізацію

16965,77

5 % від з/п всіх робітників

Всього

364432,9



9.9 Калькуляція собівартості продукту

Калькуляція собівартості продукту складається згідно проведених розрахунків й наведена в таблиці 1.12.

Таблиця 9.12 – Калькуляція собівартості продукту


Найменування статей витрат

Витрати, грн.

На одиницю

На річний випуск

1

2

3

1. Матеріальні витрати сировини й матеріалів



1.1 Основні

29240

1403520

2. Енерговитрати



2.1. Електроенергія

734,4

35251,2

2.2. Вода

5862,1

281380,8

Всього

6596,5

316632

3. Оплата праці

2

3

3.1. Основна оплата основних робітників

2761,7

132561,0

3.2. Відрахування на оплату праці

760,6

36508,8

4. Затрати на утримання й експлуатацію обладнання

5726,6

274878,8

5. Загальновиробничі витрати

7592,4

364432,9

6. Загальнохозяйствені витрати

5031,2

241497,6

Всього виробнича собівартість

57709

2770031,1


ВИСНОВКИ


Розділення процесу очищення алмазу на окремі стадії, дозволило розробити гнучку технологічну схему, по якій можлива і утилізація шкідливих викидів, і зміна деяких параметрів як по кількісному, так і по якісному складі.

Розроблена принципова технологічна схема з утилізації нікелю та марганцю у виробництві синтетичних алмазів дозволяє закласти в проект майбутнього промислового виробництва найбільш ефективні на сьогоднішній день технологічні рішення.

Таким чином, в роботі проведено розрахунки матеріального та теплового балансів, розрахунок основного апарату, розрахунки з охорони праці та розрахована собівартість очищення відходів алмазного виробництва.

CПИСОК ДЖЕРЕЛ ІНФОРМАЦІЇ


1. Синтетические сверхтвердые материалы: В 3 т. / Алешин В.Г., Андреев В.Д., Богатырева Г.П., Шульженко А.А. / Под ред. Новикова Н.В. – Киев, 1986. – Т.1.: Синтез сверхтвердых материалов.

2. Синтез алмазов / Новиков Н.В., Федосеев Д.В., Шульженко А.А.,  Богатырева Г.П. / Под ред. Новикова Н.В. – Киев: Наукова думка, 1987.

3. Некоторые свойства алмаза, полученного взрывным методом / Ададуров Г.А., Балуев А.В., Бреусов О.И. и др. // Неорганические материалы. – 1977. – №4. – С. 649–653.

4. Безруков Г.Н., Бутузов В.П., Самойлович М.И. Синтетический алмаз. – М.: Недра, 1976. – 118 с.

5. Новиков Н.В. Развитие технологии синтеза алмазов // Сучасне матеріалознавство XXI сторіччя. – Київ: Наукова думка. – 1998. – С. 333–352.

6. Путятин А.А., Никольская И.В., Калашников Я.А. Химические методы извлечения алмазов из продуктов синтеза // Сверхтвердые материалы. – 1982. – №2. – С. 20–28.

7. Гринь Г.И., Семенов Е.А., Козуб П.А. Вопросы ресурсосбережения в производстве синтетических алмазов // Матеріали III наукової конференції “Молодь у вирішенні регіональних та транскордонних проблем екологічної безпеки. Перспективи формування Пан'європейської екологічної мережі”. – Чернівці: Зелена Буковина. – 2004. – С. 180–182.

8. ГОСТ 2184–77. Кислота серная техническая. Технические условия.– Введен 01.02.93.

9. ГОСТ 701–89. Кислота азотная концентрированная. Технические условия. – Введен с 01.06.90.

10. ГОСТ 857–95. Кислота соляная синтетическая техническая. Технические условия.– Введен с 01.01.97.

11. Карапетьянц М.К., Карапетьянц М.Л. Основне термодинамические константы неорганических и органических веществ. – М.: Химия, 1968.

12. Закон України “Про охорону праці”, К.: 11.02 р.

13. ГОСТ 12.0.003–74*. ССБТ. Опасные и вредные производственные факторы. Классификация.– Введен 01.01.76.

14. Правила устройства электроустановок ПУЭ–87. – М.: Энергостройиздат, 1988.

15. ГОСТ 12.1.030–81* ССБТ. Электробезопасность. Защитное заземление. Зануление. – Введен 01.01.82.

16. ГОСТ 12.1.044–89* ССБТ. Пожаровзрывобезопасность. Номенклатура показателей и методы их определения. – Введен 01.01.91.

17. ДСТУ 2272:2006 ССБТ. Пожежна безпека. Терміни та визначення – Діє з 01.01.07.

18. ГОСТ 12.1.004–91* ССБТ. Пожарная безопасность. Общие требования. – Введен 01. 07. 95.

19. ГОСТ 12.1.005–88 ССБТ. Общие санитарно-гигиенические требования к воздуху рабочей зоны. – Введен 01.01.89.

20. ГОСТ 12.1.007–88 ССБТ. Вредные вещества. Классификация и общие требования безопасности. – Введен 01.01.89.

21. ГОСТ 12.1.003–83* ССБТ. Шум. Общие требования безопасности. – Введ. 01.01.1989.

22. ДСН 3.3.6.037–99. Санітарні норми виробничого шуму, ультразвуку та інфразвуку. – К.: 1999.

23. ДСН 3.3.6.042–99. Санітарні норми мікроклімату виробничих приміщень. – К.: 2000.

24. НПАОП 0.00–1.29–97 Правила захисту від статичної електрики. Діє з 01.01.98.

25. ГОСТ 12.1.018–93 ССБТ Пожаровзрывобезопасноть статического электичества. Общие требования. – Введ. 01.01.1995.

26. ГОСТ 12.1.011–78* ССБТ Смеси взрывоопасные. Классификация и методы испытаний. – Введ. 01.07.1979.

27. ДБН В.1.1–5–2002 Пожежна безпека об’єктів будцівництва. – Діє з 01.01.03.

28. НАПБ Б-07.005-86 Определение категорий помещений и зданий по взрывопожарной и пожарной опасности. – Действуют с 01.01.87.

29. НПАОП 40.1–1.32–01 Правила будови електроустановок. Електрообладнання спеціальних установок. – Діє з 01.01.02.

30. ДНАОП 0.03–3.01–71 Санитарные нормы проектирования промышленных предприятий. – Действует с 01.01.72.

31. СНиП 2.04.05–91*У. Отопление, вентиляция и кондиционирование. – М.: Стройиздат, 1992.

32. ДБН В.2.5–28–2006. Природне та штучне освітлення. – К.: Мінбуд, 2006.

32. ГОСТ 2.791–74. ЕСКД. Обозначения условные графические. Отстойники и фильтры. – Введен 01.01.75.

33. ГОСТ 2.793–74. ЕСКД. Обозначения условные графические. Элементы и устройства машин и аппаратов химических производств. – Введен 01.01.81.

34. СТВУВ–ХПІ–3.01–2000 – Текстові документи у сфері навчального процесу. – Чинний від 2001–01–01.

Похожие работы на - Технологія утилізації нікелю та марганцю у виробництві синтетичних алмазів

 

Не нашли материал для своей работы?
Поможем написать уникальную работу
Без плагиата!
Без нейросетей!