|
Номинальная и максимальная
мощность, МВт
|
Давление пара: свежего и после
промперегрева,
МПа
|
Температура пара: свежего и после
промперегрева, 0С
|
Давление отработавшего пара,
кПа
|
Температура питательной воды,
С
|
Число регенеративных отборов пара
|
|
1150/1380
|
23,5/3,5
|
540/540
|
3,5
|
274
|
9
|
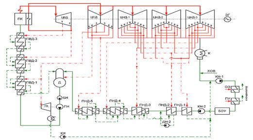
Описание турбины К-1200-240
Рис. 1
Турбина
К-1200-240 является самой мощной турбиной, выпускаемой ЛМ3 (рис. 1), а с учетом
возможной перегрузки до 1380 МВт – самой мощной в мире. Мощность 1200 МВт
обеспечивается при номинальных параметрах пара перед турбиной (23,5 МПа и
540°С), в промежуточном пароперегревателе (540°С), конденсаторе 3,58 кПа
(0,0365 кгс/см2) и при дополнительных отборах пара. Максимальная мощность
турбины достигается при отключении ПВД.
Турбина
работает при частоте вращения 50 l/с.
Конструкция
проточной части ЦВД аналогично ЦВД турбин К-300-240 и К-800-243 ЛМ3 выполнена
противоточной. Из сопловых коробок пар направляется в четыре ступени левого
потока, расположенные во внутреннем корпусе ЦВД, затем поворачивает на 180°,
обтекает внутренний корпус и проходит четыре ступени правого потока. Далее
четырьмя паропроводами пар из ЦВД с пара метрами 3,9 МПа и 295°С идет в
промежуточный пароперегреватель, откуда возвращается по четырем паропроводам к
двум блокам стопорных клапанов, расположенным по сторонам ЦСД. Параметры пара
после промежуточного перегрева 3,5 МПа и 540°С. Пройдя стопорные клапаны, пар
по четырем паропроводам направляется к четырем регулирующим клапанам ЦСД,
установленным непосредственно на корпусе ЦСД.
ЦСД -
двухпоточный, с двойным корпусом, с восемью ступенями в каждом потоке.
Из
выходных патрубков ЦСД пар отводится в две ресиверные трубы (в турбине
К-800-240-3 их было четыре) максимальным диаметром 2 м, расположенные на уровне
пола машинного зала. Из ресиверных труб пар поступает в каждый из трех корпусов
ЦНД по четырем патрубкам (по одному патрубку в верхней и нижней половине ЦНД с
двух сторон). Каждый поток ЦНД состоит из пяти ступеней. Длина рабочей лопатки
последней ступени равна 1200 мм при среднем диаметре 3 м, что обеспечивает
суммарную кольцевую площадь выхода пара 67,8 м2. Лопатка выполнена из
титанового сплава ТС-5.
2.
Предварительное
построение теплового процесса турбины в h-S диаграмме
Принимаю потерю давления
в стопорном и регулирующем клапанах 5% от Ро, определяем давление
перед соплами регулирующей ступени:
МПа,
чему отвечает температура
и энтальпия ho=3312 кДж/кг.
Потеря давления в
выхлопном патрубке:
кПа,
где Р2-давление за последней ступенью турбины,
-опытный коэффициент , Сп-скорость
пара в выхлопном патрубке.
Давление за последней
ступенью турбины: Р2=0,2016 +3,5=3,7016 кПа
Из диаграммы
=3544 кДж/кг
Потери давления в газовом
промперегревателе между турбиной и перегревателем оцениваются 0,09-0,11 от Рпп
и
МПа
Параметры пара в конце
изоэнтропийного расширения: h2t=2184 кДж/кг.
Первый изоэнтропийный
перепад:
кДж/кг
Второй:
кДж/кг
Изоэнтропийный перепад
энтальпий на турбину равен:
кДж/кг
Действительные перепады
энтальпий:
-относительный внутренний КПД принимаю равным
0,8
кДж/кг
кДж/кг
кДж/кг
кДж/кг
кДж/кг
Расход пара
турбоустановкой:
кг/с, где kp-коэффициент регенерации,
- механические КПД турбины
и электрогенератора (рис. 2).
Рис. 2 - Процесс
расширения пара в турбине
3.
Расчет
системы регенеративного подогрева питательной воды
Температура питательной
воды
По давлению в
конденсаторе
кПа
температура равна
По давлению в деаэраторе
МПа температура равна
Подогрев питательной воды
в одном ПВД:
Принимаю нагрев в
деаэраторе
и
температура питательной воды на входе в деаэратор
Подогрев воды в одном
ПНД:
турбина
тепловой процесс пар
Таблица 1 - Параметры
воды и пара для расчета системы регенеративного подогрева питательной воды
|
№ п/п
|
Наименование величины
|
Единица измерения
|
ПВД1
|
ПВД2
|
ПВД3
|
Деаэратор
|
ПНД4
|
ПНД5
|
ПНД6
|
ПНД7
|
|
1
|
Температура питательной воды на
входе в подогреватель
|
оС
|
241
|
208
|
175
|
165
|
137,4
|
109,7
|
82
|
54,3
|
|
2
|
Температура питательной воды на
выходе из подогревателя
|
оС
|
274
|
241
|
208
|
175
|
165
|
137,4
|
109,7
|
82
|
|
3
|
Энтальпия питательной воды на входе
в подогреватель
|
кДж/кг
|
1042,3
|
888,6
|
741,15
|
697,3
|
578,05
|
460,09
|
343,34
|
227,31
|
|
4
|
Энтальпия питательной воды на
выходе из подогревателя
|
кДж/кг
|
1205,6
|
1042,3
|
888,6
|
741,15
|
697,3
|
578,05
|
460,09
|
343,34
|
|
5
|
Температура конденсата греющего пара
|
оС
|
279
|
245
|
213
|
175
|
170
|
142,4
|
114,7
|
87
|
|
6
|
Энтальпия конденсата греющего пара
отбора
|
кДж/кг
|
1231,4
|
1061,5
|
911,43
|
741,2
|
719,2
|
599,5
|
481,28
|
364,3
|
|
7
|
Давление отбираемого пара
|
МПа
|
6,3202
|
3,65
|
2,02
|
0,9
|
0,79
|
0,382
|
0,169
|
0,0625
|
|
8
|
Энтальпия отбираемого пара
|
кДж/кг
|
3040
|
2936
|
3436
|
3268
|
3240
|
3104
|
2964
|
2808
|
Рис. 3
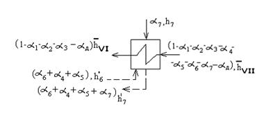
Расчет подогревателей
(рис. 3):
ПВД 1
Уравнение теплового
баланса:
Потери теплоты от
излучения нет.
ПВД 2
Рис. 4
ПВД3
Рис. 5
Деаэратор
Рис. 6
ПНД 4
Рис. 7
Рис. 8
ПНД 5
ПНД 6
Рис. 9
ПНД 7
Рис. 10
ПНД 8
Рис. 11
Расходы пара в
регенеративные подогреватели в кг/с







Внутренние мощности
отсеков турбины в кВт:
Суммарная мощность
турбины в кВт:
Относительная ошибка:
Рис. 12 - Процесс
расширения пара в одновенечной регулирующей ступени
4.
Расчет
регулирующей ступени
Определение кинематических параметров потока и относительного лопаточного
КПД
Регулирующая ступень,
согласно прототипу, одновенечная.
Окружная скорость на
среднем диаметре ступени
U=πdсрn
Принимаю средний диаметр
ступени dср=1м
U=3,14·1·50=157 м/с
Для выбора оптимального
соотношения U/Cф зададимся рядом значений
U/Cф =0,425; 0,45; 0,475; 0,495
Принимаю степень
реактивности
=0,03
Коэффициент скорости
соплового аппарата
=0,95
Произведем расчет для
соотношения U/Cф=0,4
Данные всего расчёта
сводятся в таблицу 2.
Условная скорость равна
Изоэнтропический перепад энтальпий, соответствующий
условной скорости
Изоэнтропийный перепад энтальпий, срабатываемый на
рабочих лопатках
Изоэнтропийный перепад энтальпий, срабатываемый в
соплах
Теоретическая скорость пара на выходе из сопел
Действительная скорость пара на выходе из сопел
Принимаю угол выхода потока из сопловых лопаток
, тогда относительная
скорость пара на входе в рабочие лопатки
и её направления – угол
определяем из входного треугольника
скоростей:
;
Теоретическая относительная скорость пара на выходе
из рабочих лопаток
По скорости
и степени реактивности
, определяем коэффициент скорости
рабочих лопаток
Действительная относительная скорость потока на
выходе из рабочих лопаток
Угол выхода потока пара из рабочих лопаток
принимаем
Из выходного треугольника скоростей определим
абсолютную скорость пара на выходе из рабочей решетки и её направление
;
Потери энергии в сопловом аппарате и рабочих
лопатках
Потери энергии с выходной скоростью
Относительный лопаточный КПД
с учётом потерь равен
Из
диаграммы определим объемы
и
;
Определяем высоту сопловой лопатки
Высота рабочей лопатки
Определим мощность, теряемую на преодоление сил
трения и вентиляцию
, где
;
;
;
;
;
Определим относительную величину потерь на трение и
вентиляцию
Относительный внутренний КПД
Таблица 2 - Расчет регулирующей ступени
|
№
п/п
|
Расчетные величины и формулы
|
Размерность
|
U/C0
|
|
0,425
|
0,45
|
0,475
|
|
1
|
|
м/с
|
157
|
|
2
|
|
м/с
|
369,41
|
348,88
|
330,5
|
|
3
|
|
кДж/кг
|
68,23
|
60,85
|
54,62
|
|
4
|
(принимаем)
|
–
|
0,03
|
|
5
|
=
|
кДж/кг
|
66,18
|
59,02
|
52,98
|
|
6
|
|
кДж/кг
|
2,0469
|
1,8255
|
1,6386
|
|
7
|
|
м/с
|
363,81
|
343,57
|
325,5
|
|
8
|
(принимаем)
|
–
|
0,95
|
|
9
|

|
345,62
|
326,4
|
309,23
|
|
10
|
(принимаем)
|
град
|
18
|
|
11
|
(из треугольника скоростей)
|
м/с
|
202,88
|
182,784
|
167,6
|
|
12
|
(из треугольника скоростей)
|
град
|
31
|
33
|
35
|
|
13
|
|
град
|
28
|
30
|
32
|
|
14
|
|
м/с
|
212,07
|
192,51
|
177,11
|
|
15
|
(из графика)
|
–
|
0,9223
|
0,927
|
0,9292
|
|
16
|
|
м/с
|
195,59
|
178,44
|
164,57
|
|
17
|
(из треугольника скоростей)
|
м/с
|
92,62
|
88,78
|
87,82
|
|
18
|
(из треугольника скоростей)
|
град
|
81
|
91
|
102
|
|
19
|
|
кДж/кг
|
6,452
|
5,752
|
5,164
|
|
20
|
|
кДж/кг
|
3,359
|
2,6096
|
2,142
|
|
21
|
|
кДж/кг
|
4,289
|
3,941
|
3,856
|
|
22
|
|
кДж/кг
|
14,1
|
12,3026
|
11,162
|
|
23
|
|
–
|
0,7933
|
0,7978
|
0,7956
|
|
24
|
|
м/с
|
328,704
|
310,42
|
294,095
|
|
25
|
|
м/с
|
14,48
|
-1,549
|
-18,258
|
|
26
|
|
м/с
|
343,184
|
308,871
|
275,837
|
|
27
|
|
–
|
0,7896
|
0,7968
|
0,7929
|
|
28
|
(из h-S
диаграммы)
|
МПа
|
18,2
|
18,8
|
19,2
|
|
29
|
(из h-S
диаграммы)
|
оС
|
495,37
|
500,1
|
503,59
|
|
30
|
(по таблицам)
|
м3/кг
|
0,016404
|
0,015957
|
0,01568
|
|
31
|
(принимаем)
|
–
|
1
|
|
32
|

|
м
|
0,05172
|
0,05327
|
0,05528
|
|
33
|
(из h-S
диаграммы)
|
МПа
|
18
|
18,6
|
19,2
|
|
34
|
(из h-S
диаграммы)
|
оС
|
496,23
|
500,72
|
504,07
|
|
35
|
(по таблицам)
|
м3/кг
|
0,016659
|
0,016188
|
0,01590
|
|
36
|

|
м
|
0,06132
|
0,0614
|
0,0623
|
|
37
|
|
кг/м3
|
60,494
|
62,22
|
63,306
|
|
38
|
 ;А=2;
|
кВт
|
151,597
|
155,923
|
158,644
|
|
39
|
|
–
|
0,002259
|
0,00261
|
0,00295
|
|
40
|
|
–
|
0,79104
|
0,79519
|
0,79265
|
|
41
|
|
кВт
|
53065,92
|
47574,4
|
42567,2
|
|
42
|
,
|
м/с
|
627,76
|
629,27
|
630,55
|
|
43
|
|
–
|
0,551
|
0,518
|
0,4904
|
|
44
|
Профиль сопловой лопатки (из
таблиц)
|
–
|
С-90-18А
|
|
45
|
,
|
м/с
|
629,14
|
630,43
|
631,6
|
|
|
–
|
0,311
|
0,283
|
0,261
|
|
Профиль рабочей лопатки (из таблиц)
|
–
|
Р-35-25А
|
|
|
|
|
|
|
|
Построение треугольников
скоростей одновенечной регулирующей ступени изображено на рис.4. Зависимость
относительного внутреннего КПД и U/CО изображена на рис.5. Из построенной зависимости
определяем
, который
равен 0,45. Для этого значения
рассчитали регулирующую ступень.
5.
Расчёт
первой и последней нерегулируемых ступеней.
Определим средний диаметр
последней ступени:
Расход пара в
конденсатор,
,
где
1- доля отбираемого пара
на регенерацию
Так как ЦНД двухпоточный
, то
Задаёмся потерей с
выходной скоростью
,
чтобы определить осевую составляющую выходной скорости
Определим уделный обьем
пара
,
где при
кПа , х = 0,9592,
= 0,0010037м3/кг,
= 35,908 м3/кг
м3/кг
м
Тогда высота лопатки
последней ступени:
м
Определяем диаметр первой
нерегулируемой ступени по формуле:
,
где
= 0,018254м
/кг – удельный расход пара на выходе из
сопловой решетки первой нерегулируемой ступени (задаемся перепадом энтальпий на
первой нерегулируемой ступени H1=40 кДж/кг)
=12
-выходной угол потока пара из сопловой решетки,
0,45-0,55; принимаем
=0,47 – оптимальное отношение скоростей,
м
Для ориентировочного
определения последнего диаметра ступеней ЦВД и ЦСД воспользуемся формулами:
м
м
При этом ориентировочно
можно считать что
принимаем для этих ступеней равным: 0,5.
По известным диаметрам
а также по принятому
оптимальному отношению скоростей определяем располагаемые перепады энтальпий в
этих ступенях:
Для определения числа
нерегулируемых ступеней турбины, строим диаграмму зависимости
,от длинны проточной части. И из
этого графика определяем среднее значение располагаемых перепадов энтальпий на
каждый цилиндр:
По известным значениям
энтальпий определяем их перепад на цилиндр:
кДж/кг.
Число ступеней в цилиндре
; Zцвд=7
Число ступеней в цилиндре
; Zцсд=8
Число ступеней в цилиндре
; Zцнд=5
Делим отрезок,
соответствующий длине проточной части ЦНД, на 3 равные части, проводим ординаты
и снимаем значения средних диаметров всех трех ступеней ЦНД:
;
;
;