Вимірювання складу речовини для підтримування оптимального технологічного процесу на теплових електричних станціях

  • Вид работы:
    Реферат
  • Предмет:
    Физика
  • Язык:
    Русский
    ,
    Формат файла:
    MS Word
    415,59 kb
  • Опубликовано:
    2011-02-09
Вы можете узнать стоимость помощи в написании студенческой работы.
Помощь в написании работы, которую точно примут!

Вимірювання складу речовини для підтримування оптимального технологічного процесу на теплових електричних станціях

ВСТУП

На теплових електричних станціях та у котельнях централізованого теплопостачання для підтримування оптимального технологічного процесу необхідно визначити склад багатьох речовин. Бо тільки за наявності інформації про склад речовин можна забезпечити свідомі й цілеспрямовані дії оперативного персоналу, що керує процесом виробництва енергії.

Таку інформацію можна одержати за допомогою приладів, що визначають і показують величину концентрації розчинів, склад газових сумішей, кількість вологи у паливі, ступінь кислотності або лужності розчинів. Виявляється, що у багатьох випадках такі прилади виконують на основі застосування електричних методів дослідження складних речовин.

Так, ступінь кислотності чи лужності розчинів визначають вимірюванням ЕРС, що виникає між зануреними в розчин електродами; склад газових сумішей визначають за зміною опорів, вимірюваних мостами у газоаналізаторах; кількість вологи у паливі визначають за величиною ємності діелектричних втрат у конденсаторах, де діелектриком є саме паливо; концентрацію розчинів солей чи кислот визначають за величиною електропровідності розчинів, що заповнюють випробувальні чарунки.

1. Вимірювання рівня кислотності розчинів

На енергетичних підприємствах, зокрема на теплових електричних станціях, досить часто виникає необхідність визначення ступеня кислотності, або лужності розчинів. Ця ступінь зумовлена активністю іонів водню, що є у розчинах. За кількісний показник активності іонів водню прийнято вважати від'ємний логарифм від концентрації іонів водню, помножений на коефіцієнт активності. Цей показник позначають як рН (водневий показник). Діапазон значень рН (від кислішого й до найлужнішого) становить від нуля й до 14. Для нейтральних розчинів — рН 7, для кислих — рН<7, для лужних — рН >7.

Величина рН найуспішніше визначається гальванометричним методом, основаним на вимірюванні різниці потенціалів електродних систем, ЕРС яких залежить від активності іонів водню у розчині.

Під терміном "рН-метр", який застосовується досить часто, розуміють систему вимірювання водневого показника (рН), яка складається з вимірювального (скляного) і допоміжного електродів, перетворювача, вимірювального приладу, допоміжних пристроїв та з'єднувальних ліній.

Вимірювальний і допоміжний електроди, звичайно, об'єднуються у чутливий елемент, котрий виконують як занурюваний (для використання у нерухомому розчині) чи проточний (для використання у трубах або лотках, де проходить розчин). Перетворювач являє собою електронний вольтметр чи потенціометр з дуже великим вхідним опором. Частіш за все перетворювач вимірювану ЕРС, що створюється на електродах, переробляє у стандартний сигнал постійного струму величиною 0...5 мА, 0...20 або 4...20 мА. До вимірювального приладу, що приєднують до перетворювача, особливих вимог не ставиться. Необхідно лише аби його границі вимірювання збігалися з номінальним струмом вихідного кола перетворювача та величина його опору не була більшою, ніж передбачено технічним описом приладу (звичайно це 1000 або 2500 Ом, хоча може бути і 40 Ом).

Щодо з'єднувальних ліній та допоміжного устаткування, то є одне серйозне обмеження: опір ізоляції всіх відрізків проводу, що з'єднує вимірювальний електрод з перетворювачем, має бути більшим ніж багато сотень (а то й тисяч) мегом, бо саме наявність менших опорів може суттєво знижувати вимірювану ЕРС цього електрода, власний опір якого становить 200...300 МОм. Цю лінію з'єднання електрода і перетворювача завжди слід виконувати коаксіальним кабелем, що має товсту і високоякісну ізоляцію між центральною жилою і екраном на рівні 5000 МОм на один кілометр довжини.

2. Вимірювання складу газових сумішей

Складу газових сумішей, зокрема наявності окремих домішок у повітрі, на теплових електростанціях та на інших підприємствах централізованого енергопостачання приділяється значна увага. Саме величиною концентрації окремих складових у цих сумішах визначається правильний хід технологічного процесу на окремих ділянках виробництва електричної чи теплової енергії, а іноді й безпека робочого персоналу.

Так, наявність збільшеної кількості твердих часток у димових газах свідчить про неповне згоряння палива і необхідність коригування цього процесу операторами. Про кількість твердих часток у димових газах свідчить їхня оптична щільність. Об'єктивно величину оптичної щільності оцінюють за допомогою димоміра, будову якого показано на рис. 1, а.

Трубу димоміра 5 встановлюють упоперек димоходу 4, чи упоперек відгалуження від нього так, щоб відбивач світла 1, електрична лампа розжарювання 2, конденсор 3, об'єктив 7, термобатарея 8 та два захисних скла 9 були розташовані за межами димоходу, щоб до них було легко доступитись. Труба 5 має декілька широких прорізів 6, довжина яких близька до розміру діаметра (чи ширини) димоходу 4.

Рис. 1 Димомір: а — будова; б — термобатарея

Дим, що проходить уздовж димоходу завдяки наявності широких прорізів 6, вільно заходить у трубу 5 і поглинає частину світла, що несе промінь від лампи 2, Завдяки цьому величина світлового потоку, що досягає термобатареї 8, буде дещо зменшеною, а це призведе до зменшення ЕРС термобатареї Ет і показань вольтметра чи потенціометра, які встановлені на щиті керування топками. Показання цих приладів функціонально залежатимуть від вмісту твердих часток у димових газах. Чим більшою буде напруга термобатареї, тим прозоріші димові гази, а значить ефективніше використовуватиметься паливо, що надходить у топку. Термобатарея, складена з шести термопар, що з'єднані послідовно, зображена на рис. 1, б. Всі кінці термопар, що підлягають опромінюванню, мають надійний тепловий контакт (але не електричний), з зачорненою металевою платівкою, розміщеною в скляному балоні, крізь стінку якого зібраний об'єктивом 7 промінь нагріває її разом з кінцями термопар. Внутрішній об'єм труби 5 повинен бути надійно відділений склом 9 від об'ємів, у яких розміщено освітлювальну лампу 2 з конденсором 3 та об'єктив 7 з термобатареєю 8.

Освітлювальна лампа живиться від стабілізатора напруги 10, бо величина світлового потоку цієї лампи значною мірою залежить від величини напруги, що її живить, і зміна величини цієї напруги сприятиме появі значних похибок у показаннях димоміра.

На жаль, за показаннями димоміра можна одержати лише первинну інформацію про характер процесу згоряння палива. Детальнішу інформацію можна одержати, аналізуючи хімічний склад суміші газів, що проходить димоходом.

Для аналізу газових сумішей (і не тільки тих, що є у димових газах) користуються електричними газоаналізаторами. Більшість з них розраховано на вимірювання вмісту однієї з компонент газової суміші, наприклад кисню, водню, метану, вуглецевого газу, оксиду вуглецю тощо.

·   термомагнітними;

·   термокондуктометричними;

·   оптико-акустичними;

·   термохімічними.

Для аналізу складних газових сумішей користуються комбінованими газоаналізаторами, котрі складаються з набору ряду блоків, де кожний блок розрахований на певний метод аналізу вмісту якоїсь з компонент цієї газової суміші.

Термомагнітні газоаналізатори придатні для визначення вмісту кисню у газовій суміші. У цих газоаналізаторах використана здатність кисню, як парамагнітного газу, створювати течію завдяки втягуванню його у проміжок між полюсами магніта і втрачати здатність до такого втягування за відносно невеликого його підігріву. Принципову схему, що пояснює дію термомагнітного газоаналізатора на кисень, показано на рис. 2. У найпростішому вигляді газоаналізатор виконано на основі неврівноваженого мосту для вимірювання електричного опору, де резистори R1 і R2 — це спіралі з тонкого платинового дроту, котрі є нагрівниками газової суміші. Ця суміш постійним магнітом відхиляється з основного потоку, перемішуваного по кільцевому каналу КК у діаметрально розташовану трубку Д. Об'єм суміші, що відхиляється дією магніта, буде тим більшим, чим більшим є вміст кисню у суміші, що проходить через газоаналізатор.

Рис. 2 Схема термомагнітного газоаналізатора

Таким чином, швидкість проходу суміші діаметральною трубкою буде тим більшою, чим більшим буде вміст кисню в суміші. Потрапляючи у цю трубку, газова суміш нагрівається теплом, що його виділяють платинові резистори R1 і R2 та втрачає свої магнітні якості (тобто не може бути притягнута у зворотному напрямі до магніта), тим самим забезпечується безперервність руху суміші цією трубкою.

Завдяки наявності безперервного потоку газової суміші, ще холодної у лівій частині діаметральної трубки, платиновий резистор R1 охолоджується дещо більше, ніж розташований далі по потоку резистор R2, повз який проходить вже підігріта суміш. Через різницю температури резисторів R1 і R2 величини їх опорів будуть дещо відмінними, що призводить до розбалансування мосту, створеного резисторами Rl, R2, R3, R4 і до появи відхилення покажчиками магнітоелектричного мілівольтметра МП. І це відхилення буде тим більшим, чим більшим буде вміст кисню у газовій суміші. Регульований резистор Rp призначений для початкового встановлення напруги на мості.

Для підвищення точності вимірювань термомагнітними газоаналізаторами їх застосовують разом з врівноваженими автоматичними мостами. Основна похибка таких газоаналізаторів з діапазоном вимірювання вмісту кисню 0...10 % не перевищує 5 % від діапазону вимірювання.

Додаткові похибки таких газоаналізаторів зумовлено головним чином наявністю у складі газової суміші, крім кисню, ще й інших складових, які можуть впливати на в'язкість суміші.

На жаль, термомагнітні газоаналізатори здатні визначати вміст у сумішах лише парамагнітних складових. Переважна кількість газових домішок не має значної магнітної сприйнятливості і виявити її термомагнітними газоаналізаторами неможливо.

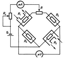
Вміст таких домішок визначають за допомогою термокондуктометричних газоаналізаторів, принцип дії яких полягає у використанні залежності величини теплопровідності газової суміші від вмісту складової, що має істотно більшу питому теплопровідність, порівняно з такою самою у інших складових суміші. Зазначимо, що коефіцієнти теплопровідності різних газів можуть суттєво відрізнятися між собою. Наприклад, такий коефіцієнт для хлору втроє менший ніж у повітря, а для водню у сім разів більший ніж у повітря.

Принципову схему термокондуктометричного газоаналізатора наведено на рис. 3. Газоаналізатор створено на основі неврівноваженого мосту, в схему якого введено дротяні резистори Rl, R2, R3, і R4, виконані з металу, що має значний температурний коефіцієнт електричного опору. Це можуть бути нікель, мідь, платина та інші метали, необхідно лише, щоб вони були хімічно стійкими стосовно контрольованої газової суміші. Кожний з названих резисторів встановлено у камері, яка зроблена у масивному металевому зливку, що забезпечує однакову температуру стінок в усіх камерах.

Рис. 3 Принципова схема термокондуктометричного газоаналізатора

Резистори R2 і R4 частіш за все містяться у камерах, заповнених повітрям, а резистори Rl і R3 — у камерах, крізь котрі проходить газова суміш, що підлягає аналізові. Міст живиться від джерела Б через регульований резистор Rр, за допомогою якого заздалегідь встановлюють певну величину струму живлення, контрольовану міліамперметром. Реохорд R у цій схемі забезпечує можливість встановлення нульового показання мілівольтметра — покажчика напруги розбалансування мосту до початку вимірювань, коли камери резисторів R1 і R3 заповнюють повітрям, як і камери резисторів R2 і R4.

При проходженні ж крізь камери резисторів Rl і R2 аналізованої газової суміші умови охолодження резисторів Rl, R3, і R2, R4 будуть різними, через що і температури нагріву вказаних пар резисторів відрізнятимуться. В результаті цього й величини опорів вказаних пар резисторів змінюються, що викликає розбалансування вимірювального мосту і появу відхилення стрілки мілівольтметра вздовж шкали, градуйованої у відсотках вмісту контрольованої складової у складі газової суміші.

Газову суміш, що надходить у камери, де розміщено резистори R1 і R3, необхідно відфільтрувати від часток пилу, а то й від інших домішок, які можуть вносити похибки у вимірювання (наприклад, тих, що мають коефіцієнт теплопровідності, близький за величиною до такого у контрольованій складовій).

Тут було розглянуто найпростішу схему термокондуктометричного газоаналізатора.

Реально ж на енергетичних підприємствах часто користуються газоаналізаторами, що створені на основі врівноважених автоматичних мостів. При цьому, звичайно, можна одержати дещо більшу точність вимірювань, але такі газоаналізатори значно дорожчі і складніші в обслуговуванні.

3. Вимірювання концентрації розчинів

розчин суміш концентрація речовина

На електричних станціях досить часто вимірюють концентрації окремих хімічних речовин у водяних розчинах.

Концентрації кислот, лугів та солей необхідно вимірювати для того, щоб забезпечити можливість підтримувати рівень величини концентрації розчинів у певних межах. Це необхідно для нормального протікання технологічних процесів. Для таких вимірювань найчастіше користуються кондуктометричними концентратомірами. Ці прилади визначають величину концентрації за величиною електропровідності (чи за оберненою їй величиною електричного опору) електродної чарунки, заповненої досліджуваним розчином.

Кондуктометричні концентратоміри можуть бути контактними, там, де електроди введено у схему вимірювання опору (частіше за все мостову) і мають безпосередній фізичний контакт з досліджуваною рідиною, чи безконтактними (де відсутній безпосередній контакт чутливої частини вимірювального устаткування з досліджуваною рідиною). Безконтактний метод вимірювання слід вважати більш прогресивним, бо при цьому унеможливлюється вплив стану поверхні вимірювальних електродів на результат вимірювань.

Кондуктометричні концентратоміри працюють виключно на змінному струмі, щоб уникнути похибок, пов'язаних з поляризацією вимірювальних електродів, яка завжди матиме місце при постійному струмі.

Користуватись кондуктометричними концентратомірами слід обачно, щоб уникнути появи грубих похибок, спричинених властивістю більшості розчинів мати однакові значення електричного опору (чи електричної провідності) чарунки при суттєво відмінних величинах концентрації. На рис. 4 наведено залежності питомої електропровідності γ водяних розчинів деяких речовин від величини їхньої концентрації С у цих розчинах.

Рис. 4. Залежності питомої електропровідності розчинів від концентрації (температура 20 °С)

Рис. 5 Схема автоматичного контактного кондуктоміра

Як видно, у всіх залежностей, що розглянуто, кожному значенню питомої електропровідності відповідає два, а для сірчаної кислоти — й чотири різних значення величини концентрації. Але у межах найбільш вірогідних величин концентрації (десь 0...20 .%) величина питомої електропровідності розчинів однозначно пов'язана з величиною концентрації.

Принципову схему для визначення величини концентрації розчинів на основі вимірювання величини опору розчину, залитого у чарунку контактного кондуктоміра, наведено на рис. 5. Цей кондуктомір являє собою автоматичний врівноважений міст, у якому електродну чарунку з досліджуваним розчином позначено як паралельно ввімкнені резистор Rx та ємність Сх. Компенсацію похибок при відхиленні температури довкілля від номінального значення виконує терморезитор Rт з паралельно ввімкненим манганіновим резистором R3. Резистори R1 і R2 також зроблено з манганіну. Конденсатор С увімкнено для кращого врівноваження мосту, в якому вже є ємність чарунки Сх. Міст врівноважують реохордом Rp, рухомий контакт якого, разом із покажчиком, приводить до руху реверсивний двофазний двигун РД, обмотка управління котрого живиться електронним підсилювачем П, керованим напругою, що є на вимірювальній діагоналі мосту у його розбалансованому стані. Двигун РД обертається доти, доки є напруга, й зупиняється, коли її не стане після збалансування мосту.

У безконтактному концентратомірі досліджуваний розчин не має контакту з будь-якими електродами, бо ЕРС, що викликає в ньому струм, індукується в одновитковій обмотці, створеній самим розчином.

Будову чутливого елемента такого концентратоміра зображено на рис. 6. Елемент складається з двох трансформаторів Тр1 і Тр2. Обмотку w1 першого трансформатора приєднують до мережі змінного струму, а обмотку w2 другого — до входу електронного підсилювача автоматичного потенціометра, що вимірює її ЕРС. Зв'язок між трансформаторами здійснює одновиткова обмотка w3, створена досліджуваним розчином, що протікає всередині кільцевої трубки, виконаної з ізоляційного матеріалу. До кільцевої трубки з двох боків приєднано прямі відрізки трубок, по одному з яких розчин надходить у кільце, а по іншому видаляється з нього, даючи можливість проводити вимірювання безперервно, у потоці розчину. Про величину електричного опору рідини, що міститься у замкненому каналі, створеному кільцевою трубкою, посередньо може свідчити величина ЕРС, що індукується в обмотці w2. Величина цієї ЕРС буде пропорційною струмові І2, що проходить кільцем, створеним трубкою з рідиною.

Рис. 6 Чутливий елемент безконтактногоконцентратоміра

Якщо ЕРС, індукована у цьому кільці магнітним потоком, що проходить магнітопроводом трансформатора Тр1, відома й відома величина струму І2, що проходить розчином, котрий міститься у кільці, то питання про величину опору розчину, що заповнює кільце, а отже і величину електропровідності розчину вирішується однозначно — величина електропровідності пропорційна величині ЕРС, виміряної на кінцях обмотки w2. Таким чином, показання автоматичного потенціометра, що вимірює вказану ЕРС, завжди будуть пропорційні величині електропровідності розчину, що є у кільцевому каналі устаткування.

З концентратомірів, які використовують на електричних станціях, слід назвати солеміри. Ці прилади застосовують для визначення вмісту солей у живильній воді парових та водогрійних котлів, у конденсаті або парі.

Солемір складається з датчика та врівноваженого мосту змінного струму, до котрого приєднують цей датчик. Принципово солемір не відрізняється від інших контактних концентратомірів, хіба що більш складною системою відбору й підготовки проби для вимірювань. Ця проба, перед надсиланням її у датчик, підлягає багатократному упарюванню (щоб позбавити її від можливої присутності аміаку та вуглекислоти), багатократному дроселюванню та охолодженню до 60...30 °С. Але жодне з устаткувань, що бере участь у підготовці проби, не має ніяких електротехнічних пристроїв і тому тут не розглядається. Щодо чутливого елемента датчика, то він має два пластинчасті електроди з ізольованими відводами, що безпосередньо занурені у воду чи конденсат, солоність яких визначається. Датчики солемірів розраховано на відносно малі концентрації, наприклад від 0,1 до 5 мг/л, хоча іноді вони бувають розраховані й до 4 г/л.

4. Вимірювання вологості речовин

Вологість — це вміст води у твердих та рідких речовинах або вміст водяної пари у повітрі чи газах. Прилади для вимірювання вологості мають назву вологоміри.

На підприємствах енергетики використовують тільки електричні вологоміри (за винятком тих, що вимірюють вологість у побутових приміщеннях). Електричні вологоміри можуть визначати величину вологості за величиною електропровідності вологої речовини, за величиною її діелектричної проникності чи за величиною діелектричних втрат.

Найпростішими за побудовою є вологоміри, що визначають величину вологості твердих чи сипких речовин за величиною їхньої електропровідності. Такі вологоміри виконують на основі приладів чи схем, призначених для вимірювання електричних опорів. Ці прилади чи схеми приєднують до електродів, занурених на певну глибину у речовину, вологість якої визначають за певної відстані між цими електродами. Звичайно, електропровідність твердих чи сипких речовин буде тим більшою (а вимірювальний опір тим менший), чим більшою буде вологість.

Зазначимо, що такий метод вимірювання вологості досить чутливий, бо за невеликих величин вологості відносна зміна величини питомого опору вологої речовини може бути у декілька разів більшою за відносну зміну самої вологості.

Разом з тим очікувана величина похибки при таких вимірюваннях може бути невизначеною через наявність значної величини температурного коефіцієнта питомого опору та невизначеність величини самої температури, котра на різній глибині сипкої речовини може бути різною. Якщо ж зважити на те, що контрольована речовина має однакову температуру по всій товщині шару, то температурну похибку можна суттєво зменшити, увімкнувши у сусіднє плече вимірювального мосту додатковий напівпровідниковий резистор (термистор), що має температурний коефіцієнт того самого знаку, що й у контрольованої речовини. Величину ж загального температурного коефіцієнта опору сусіднього плеча мосту можна зробити рівним величині температурного коефіцієнта опору контрольованої речовини, якщо змінити співвідношення між величиною опору термістора та резистора, увімкнених в одне плече мосту.

Для визначення вологості (тобто вмісту води) рідких речовин, що мають відносно великий питомий опір, наприклад мазуту чи іншого рідкого палива, доцільно користуватись ємнісними електричними вологомірами. Ці вологоміри використовують тому, що величина діелектричної проникності води у кілька десятків разів більша, ніжу якого завгодно рідкого палива. Тобто наявність домішки води у паливі повинна збільшувати ємність конденсатора, зануреного у паливо.

Вологомір, що вимірює вологість мазуту, який надходить до форсунки, що розпорошує його у топці, складається з ємнісної чарунки, встановленої всередині мазутного трубопроводу, і електронної схеми, що вимірює величину ємності конденсатора цієї чарунки. Вихідним приладом електронної схеми, градуйованим у відсотках вологості, є магнітоелектричний міліамперметр. Електронна схема має також релейний вихід — сигнальне реле вмикає своїми контактами світловий і акустичний сигнали, якщо величина вологості мазуту наближається до небезпечного рівня (звичайно це 15...20 %), за яким може статися гасіння факелу, створеного форсункою.

Цей вологомір має досить складну температурну компенсацію — додатковий ("зразковий") конденсатор, заповнений мазутом, що не має домішки води, який весь час перекачується крізь теплообмінник, розташований у потоці мазуту, що транспортується трубопроводом до форсунки. Слід вказати на значну загальну складність будови подібних вологомірів і недостатню їхню надійність в умовах безперервної експлуатації.

Вологоміри, що діють на основі вимірювання діелектричних втрат, влаштовано майже так, як і вологоміри, що діють на основі зміни величини ємності конденсатора певних розмірів, викликаної зміною діелектричної проникності. Виконані вони на основі мостових схем, але таких, які вимірюють величину тангенса кута діелектричних втрат у речовині, що слугує за діелектрик конденсаторної чарунки. Ці вологоміри застосовують у випадках, коли вміст води у контрольованій речовині більше впливає на величину діелектричних втрат, ніж на величину ємності.

Список рекомендованої літератури

1. Клюев А.С, Пин Л.М., Коломиец Е.И. Наладка средств измерений и систем технологического контроля: Справочное пособие. — М.: Энергоиздат, 1990.

2. Телешевский Б.Е. Измерения в электро- и радиотехнике. — М.: Высш. шк., 1984.

3. Телешевский Б.Е. Лабораторные работы по электро- и радиоизмерениям. — М.: Высш. шк., 1984.

4. Шаповаленко О.Г., Бондар В.М. Основи електричних вимірювань: Підручник.— К.: Либідь, 2002.

5. Шихин А.Я., Белоусова Я.М., Пухляков Ю.X. и др. Электротехника. — М.: Высш. шк., 1989.

 

Похожие работы на - Вимірювання складу речовини для підтримування оптимального технологічного процесу на теплових електричних станціях

 

Не нашли материал для своей работы?
Поможем написать уникальную работу
Без плагиата!
Без нейросетей!