Основи електротехніки

  • Вид работы:
    Контрольная работа
  • Предмет:
    Физика
  • Язык:
    Русский
    ,
    Формат файла:
    MS Word
    380,01 kb
  • Опубликовано:
    2011-01-17
Вы можете узнать стоимость помощи в написании студенческой работы.
Помощь в написании работы, которую точно примут!

Основи електротехніки

Задача 1

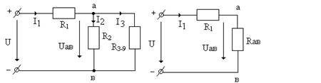
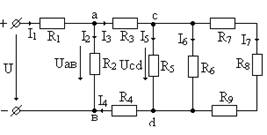
Задано величини напруги на вхідних затисках схеми й опору. Визначити струми у всіх вітках схеми (рис. 1.0).

Рис. 1.0


Вихідна схема

Дано:

U = 100 В; R1 = 10 Ом;

R2 = 20 Ом; R3 = 7 Ом;

R4 = 8 Ом; R5 = 10 Ом;

R6 = 20 Ом; R7= 10 Ом;

R8 = 5 Ом; R9 = 5 Ом.

Визначити: струми в вітках.

Рішення:

Рис. 1.1


Проставимо напрямки струмів у вітках від (+) до (-). Позначимо вузли а, в, с, d. Проставимо напрямки напруг на паралельних ділянках кола Uав, Ucd.

Схему перетворимо до еквівалентного опору. Опори R7, R8 і R9 з'єднані послідовно і еквівалентний опір цієї вітки дорівнює: R789 = R7 + R8 + R9 = 10 + 5 + 5 = 20 Ом (Рис. 1.1). Опори R6 і R789 з'єднані паралельно і їх еквівалентний опір: R6-9 = R6· R789/( R6 + R789)=20·20/(20+20)= 10 Ом (Рис. 1.2).


Опори R5 і R6-9 з'єднані паралельно і їх еквівалентний опір (опір паралельної ділянки кола cd): Rcd = R5· R6-9/( R5 + R6-9) = 10·10/(10+10) = 5 Ом (Рис. 1.3). R1 R1 R2 R3-9

Опори R3, Rcd і R4 з'єднані послідовно і їх еквівалентний опір:

R3-9 = R3 + Rcd + R4 = 7 + 5 + 8 = 20 Ом (Рис. 1.4).



Опори R2 і R3-9 з'єднані паралельно і їх еквівалентний опір (опір паралельної ділянки кола ав): Rав = R2· R3-9/( R2 + R3-9) = 20·20/(20+20) = =10 Ом (Рис. 1.5).

Еквівалентний опір усього кола (опори R1 і Rав з'єднані послідовно):

Rекв = R1 + Rав = 10 + 10 = 20 Ом (рис. 1.6).

Струми визначаємо за допомогою закону Ома, розглядаючи схеми в зворотному порядку.

Сила струму на вході кола:

I1 = U/Rекв = 100/20 = 5 А.

Напруга на паралельній ділянці ав:

Uав = I1·Rав = 5·10 = 50 В.

Сила струму: I2 = Uав/R2 = 50/20 = 2,5 A.

Сила струму: I3 = I4 = Uав/R3-9 = 50/20 = 2,5 А.

Напруга на паралельній ділянці cd:

Ucd = I3·Rcd = 2,5·5 = 12,5 В.

Сила струму: I5 = Ucd/R5 = 12,5/10 = 1,25 A.

Сила струму: I6 = Ucd/R6 = 12,5/20 = 0,625 A.

Сила струму: I7 = Ucd/R789 = 12,5/20 = 0,625 A.

Перевірка правильності рішення по першому закону Кірхгофа.

Вузол а: I1 – I2 – I3 = 0; 5 – 2,5 – 2,5 = 0.

Вузол c: I3 – I5 – I6 – I7 = 0; 2,5 – 1,25 – 0,625 – 0,625 = 0.

Задача 2

Дані всі ЕРС і опори в схемі (рис. 2.1). Потрібно:

1. Скласти рівняння Кірхгофа (не вирішуючи).

2. Перетворити пасивний трикутник опорів в еквівалентну зірку і визначити струми віток методами контурних струмів і двох вузлів.

3. Скласти баланс потужностей.

4. Побудувати потенційну діаграму для контуру, що містить обидві ЕРС.

Рис.2.1


Вихідна схема

Дано:

E1 = 60B,

E2 = 40 Ом,

R1 = 8 Oм,

R2 = 10 Oм,

R3 = 12 Oм,

R4 = 16 Oм,

R5 = R6 = R7 = 30 Oм

Рішення:

1. Довільно проставляємо в вітках напрямки струмів і вибираємо напрямки обходів обраних контурів.

Складаємо рівняння за законами Кірхгофа.

Перший закон.

Для вузла 1 I7 + I5 - I1 = 0.

Для вузла 2 I2 - I6 - I5 = 0.

Для вузла 3 I3 + I6 - I7 = 0.

Другий закон.

Для контуру А E1 + E2 = I1·R1 + I2·R2 + I5·R5.

Для контуру В E2 = I2·R2 – I3·(R3 + R4) + I6·R6.

Для контуру С 0 = I7·R7 – I5·R5 + I6·R6.

2. Перетворимо пасивний трикутник опорів в еквівалентну зірку (рис. 2.2).

Рис.2.2. Перетворення трикутника опорів у еквівалентну зірку

Так як опори трикутника однакові, то еквівалентні опори зірки (рис. 2.2) також однакові і рівні:


Рис.2.3. Розрахункова схема


R1/ = R1 + R57 = 8 + 10 = 18 Ом;

R2/ = R2 + R56 = 10 + 10 = 20 Ом;

R3/ = R3 + R4 + R67 =

=12 + 16 + 10 = 38 Ом.

1. Визначимо струми по методу контурних струмів (рис. 2.3). Для цього складемо контурні рівняння.

E1 + E2 = J1·(R1/ + R2/ ) + J2· R2/.

E2 = J1·R2/ + J2·(R2/ + R3/ ).

Підставимо чисельні значення.

100 = J1·38 + J2·20.

40 = J1·20 + J2·58.

Контурні струми знаходимо за допомогою методу визначників.

J1 = ∆1/∆ = 5000/1804 = 2,77.

J2 = ∆2/∆ = - 480/1804 = - 0,266.

Визначимо струми в вітках.

I1 = J1 = 2,77 A; I2 = J1 + J2 = 2,77 – 0,266 = 2,504 A.

I3 = - J2 = - 0,266 A.

Знак мінус свідчить про те, що струм у третій вітці в дійсності тече в зворотному напрямку.

2. Визначимо струми за допомогою методу двох вузлів (рис. 2.3). Спочатку визначимо вузлову напругу.


g1, g2, g3 – провідності відповідних віток. Далі визначимо струми в вітках.

I1 = (E1+UАВ)/ R1/ = (60- 10,11)/18 = 2,77 A.

I2 = (E1-UАВ)/ R2/ = (40 + 10,11)/20 = 2,505 A.

I3 = -UАВ/ R3/ = -10,11/38 = - 0,266 A.

3. Складемо баланс потужностей. Потужність, споживана від джерел ЕРС, повинна бути дорівнювати потужності, виділюваної в навантаженні (в опорах): Рспож = Рнагр.

E1· I1 + E2 · I2 = I12· R1/ +I22· R2/ + I32·R3/.

60 · 2,77 + 40 ·2,505 = 2,772 · 18 + 2,5052 · 20 + 0,2662 · 38.

266,4 = 266,3.

Погрішність розрахунків:


Точність розрахунку досить висока.

4. Для побудови потенційної діаграми визначимо потенціали всіх точок, попередньо прийнявши потенціал точки В рівним нулеві.

jB = 0; jÑ = jB  E1 = - 60 B; jÀ = jC + I1·R1 = - 60 + 2,77·18 = - 10,14 B; jD = jÀ + I2·R2 = -10,14 + 2,505·20 = 40 B; jB = jD –E2 = 0.

Рис.2.4. Потенційна діаграма

Задача 3

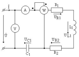
По заданих величинах визначити для кола (рис. 3.1) перемінного струму частотою f =50 Гц при амплітуді Uм і початковій фазі φu:

1. Показання приладів електромагнітної системи (вольтметра, амперметра і ватметра).

2. Побудувати в масштабі векторну діаграму напруг і струму.

3. Записати миттєві значення напруги і струму на вході кола:

i = Iм ּ Sin(ω·t + φi)

и

U = Uм ּ Sin(ω·t + φu).

Рис.3.1. Розрахункова схема.

Дано:

Uм =100 В, φu= 10о;

R1=20 Ом, R2=25 Ом;

L1= 63,8 мГн; С1= 100 мкФ.

Рішення:

Діюче значення напруги (показання вольтметра):

U = Uм/1,41 = 100/1,41 = 70,71 В.

Миттєве значення напруги:

U = 100 ּ Sin(ω·t + 10о).

Опори:

XL1 = ω·L1 = 2·π· f · L1 = 2·π· 50 ·63,8·10-3 = 20 Ом.

XС1 = 1/(ω·С1) = 1/(2·π· f ·З1) = 1/(2·π· 50 ·100·10-6) = 32 Ом.

Модуль повного опору кола:

z = [(R1 + R2)2 + (XL1 – XC1)]0,5 = [452 + (-12)2]0,5 = 46,57 Ом.

Зсув фаз між струмом і напругою:

φ = arc tg (XL1– XC1)/(R1 + R2) = arc tg(-12/45) = - 14,93o.

Модуль струму в колі (показання амперметра):

I = U/z = 70,71/46,57 = 1,52 А.

Амплітудне значення струму:

Iм = I·1,41 =1,52 · 1,41 = 2,15 А.

Початкова фаза струму:

φi = φu – φ = 10o + 14,93o = 24,93o.


I = 2,15 ּ Sin(ω·t + 24,93о).

Активна потужність у колі (показання ватметра):

P = I2 · (R1 + R2) = 1,522 · (20 + 25) = 104 Вт.

Для побудови векторної діаграми (рис. 3.2) визначимо модулі спадань напруги на кожнім елементі кола.

UR1 = I·R1 = 1,52 · 20 = 30,4 В; UL1=I · XL1=1,52 · 20 = 30,4 В;

UR2 = I ·R2 = 1,52 · 25 = 38 В; UC1 = I ·XC1 = 1,52·32 =48,64 В.

Виберемо масштаби. Для струму – довільний. Для напруг – 0,5 В в 1мм. При побудові векторної діаграми враховуємо другий закон Кірхгофа:

Ủ = ỦR1 + ỦL1 + ỦR2 + ỦC1.

Рис.3.2. Векторна діаграма

Задача 4

Задано значення напруги і всіх опорів у колі (рис. 4.1). Потрібно:

1. Визначити струми I1, I2, I3, напругу U2 і cosj кожної ділянки кола.

2. Обчислити активну, реактивну і повну потужності всього кола.

3. Побудувати в масштабі векторну топографічну діаграму струмів і напруг.

Рис.4.1. Розрахункова схема

Дано:

вхідна напруга U=380B;

опори

R1=185 Ом, R3 = 210 Ом, XL1 = 203 Ом,

XL3= 195 Ом,

XC2 = 200 Ом.

1. Визначимо повні опори віток. Показник оператора в градусах.

Z1 = R1 + jXL1 = 185 + j203 = 274,65 ·e j 47,66;

Z2 = - jXC2 = - j200 = 200·e - j90;

Z3 = R3 + jXL3 = 210 + j195 = 286,57·e j 43 .

Визначимо повний опір паралельної ділянки кола.


Визначимо повний опір усього кола.

Z = Z1+ Z23 = 185 + j 203 + 186 - j 200 = 371 + j 3 ≈ 371.

Визначимо комплексні значення струмів за допомогою закону Ома.

Повний струм



Спадання напруги на паралельній ділянці кола в комплексній формі.

= 1,024 ·273·e - j 47 = 280 ·e - j 47.

Струми в паралельних вітках у комплексній формі.


(Перевірка правильності визначення струмів по першому закону Кірхгофа: = 1,024 – 1,024 – j0,955 + j0,955 = 0).

Визначимо Cosφ кожної ділянки кола.

Cosφ1 = R1/Z1 = 185/274,65 = 0,67; Cosφ2 = R2/Z2 = 0/200 = 0;

Cosφ3 = R3/Z3 = 210/286 = 0,73.

2. Визначимо потужності. Комплекс повної потужності всього кола.

=380·1,024 = 390.

Модуль повної потужності всього кола S = 390 (B·A).

Активна потужність усього кола Р = 390 (Вт).

Реактивна потужність усього кола Q = 0 (В·Ар).

- сполучений струм у колі (міняється знак на протилежний у показнику оператора).

3. Для побудови топографічної векторної діаграми (рис. 4.2) знайдемо спадання напруги в комплексній формі на кожнім елементі в вітках кола.

= 1,024 ·185 = 190.

 = 1,024 ·195 ·e j 90= 200·e j 90.

= 280 ·e - j 47. = 0,955 ·e - j 90·210 = 200·e - j 90.

= 0,955 ·e - j 90 ·195·e j 90= 186.

Виберемо масштаби. Для векторів струмів: 0,1А – 1 см; для векторів напруг: 40В – 1 см. При побудові сполученої векторної діаграми струмів і напруг враховувати закони Кірхгофа.


Рис.4.2. Векторна діаграма

 
Задача 5.1

По заданих параметрах і лінійній напрузі визначити фазні і лінійні струми, активну потужність усього кола і кожної фази окремо (рис. 5.1). Побудувати топографічні векторні діаграми струмів і напруг на комплексній площині.

Рис.5.1. Розрахункова схема

Дано:

Uл =127 В;

Rав = 4 Ом;

Rвс = 8 Ом;

Rса = 6 Ом;

Xав = 3 Ом; Xав = 3 Ом;

Xвс = 4 Ом; Xса = 8 Ом.

Рішення:

Визначимо повні опори фаз у комплексному виді. Показник оператора в градусах.

Zав = Rав + j Xав = 4 + j3 = 5 · e j 36,87.

Zса = Rса + j Xса = 6 + j8 = 10 · e j 53,13.

Представимо вектори лінійних напруг на комплексній площині, сполучивши вектор напруги Ủвс із дійсною віссю комплексної площини (рис. 5.1.1), і запишемо їх у комплексному виді.

.

Рис.5.1 .1. Векторна діаграма напруг

Визначимо фазні струми за законом Ома.


Визначимо лінійні струми за допомогою першого закону Кірхгофа.

= 3,038 + j25,22 + 12,6 + j1,52 = 15,638 + j26,74 = 31 · e j 59,7.

=13,92 - j5,22 - 3,038 - j25,22=10,882 – j30,44=32,33 · e -j 70,33.

= -12,6 – j1,52 - 13,92 + j5,22 = - 26,52 + j3,7 = 26,78 · e j 172.

Визначимо активні потужності у фазах.

Рав = Iав2 · Rав = 25,42 · 4 = 2580,64 Вт.

Рвс = Iвс2 · Rвс = 14,862 · 8 = 1766,66 Вт.

Рса = Iса2 · Rса = 12,72 · 6 = 967,74 Вт.

Визначимо активну потужність усього кола.

Рав + Рвс + Рса = 2580,64 + 1766,66 + 967,74 = 5315,04 Вт.

Для побудови векторної діаграми (рис. 5.1.2) виберемо масштаби.

МU: 3 В в 1 мм. МI: 0,5 А в 1 мм.

Рис.5.1.2. Векторна діаграма напруг і струмів

Задача 5.2

По заданих параметрах і лінійній напрузі визначити фазні і лінійні струми і струм у нейтральному проводі, активну потужність усього кола і кожної фази окремо (рис. 5.2). Побудувати топографічні векторні діаграми струмів і напруг на комплексній площині.

Рис.5.2

Дано:

Uл =254 В;

Ra = 3 Ом;

Rв = 4 Ом;

Rс = 6 Ом;

Xа = 4 Ом;

Xв = 3 Ом;

Xс = 8 Ом.

Рішення:

Визначимо повні опори фаз у комплексному виді. Показник оператора в градусах.

Zа = Rа - jXа = 3 – j4 = 5·e –j53,13.

Zв = Rв + jXв = 4 + j3 = 5 · e j36,9. Zс = Rc + jXс = 6 + j8=10·e j53,13.

Рис.5.2.1. Векторна діаграма напруг

Представимо вектори фазних напруг на комплексній площині (рис. 5.2.1), сполучивши вектор напруги  з дійсною віссю комплексної площини, і запишемо них у комплексному виді. Модуль фазної напруги

Uф = Uл/1,73 = 254/1,73 = 147 В.

= 147;

= 147· e - j120;

= 147 · e j120.

Визначимо фазні струми за законом Ома (при з'єднанні навантаження зіркою рівні лінійним).


Визначимо струм у нульовому проводі за допомогою першого закону Кірхгофа.

=17,64 + j23,52 - 27,04 – j11,53 +5,77 + j13,52 =

= - 3,63 + j25,51 = 25,77 · e j98,1.

Визначимо активні потужності у фазах і всьому колі.

Ра = Iа2 · Rа = 29,42 ·3 = 2593 Вт. Рв = Iв2 · Rв = 29,42 ·4 = 3457 Вт.

Рс = Iс2 · Rс = 14,72 ·6 = 1297 Вт.

Р = Ра + Рв + Рс = 2593 + 3457 + 1297 = 7347 Вт.

Для побудови векторної діаграми (рис. 5.2.2) виберемо масштаби. МU: 3 В в 1 мм. МI: 0,5 А в 1 мм.

Рис. 5.2.2. Векторна діаграма напруг і струмів

 
Задача 5.3

По заданих параметрах і лінійній напрузі визначити фазні і лінійні струми і струм у нейтральному проводі, активну потужність усього кола і кожної фази окремо (рис. 5.3). Побудувати топографічні векторні діаграми струмів і напруг на комплексній площині.

Рис.5.3. Розрахункова схема                                                      

Дано:

Uл =220 В;

Rв = 3 Ом;

Xа = 15 Ом;

Xс = 10 Ом.

Рішення:

Визначимо повні опори в комплексному виді. Показник оператора в градусах.

Zа = jXа = j15 = 15 · e j90. Zв = Rв = 3. Zс = - jXс = - j10 = 10 · e - j90.

Рис.5.3.1. Векторні діаграми напруг генератора (а) і навантаження (б)

 

Представимо вектори фазних напруг генератора на комплексній площині (рис. 5.3.1 а), сполучивши вектор напруги генератора ỦА з дійсною віссю комплексної площини, і запишемо них у комплексному виді. Модуль фазної напруги

 

Uф = Uл/1,73 = 220/1,73 = 127 В.

127; 127· e - j120 = - 63,5 - j110; 127 · e j120 = - 63,5 + j110.

Визначимо зсув нейтралі.


Визначимо фазні напруги навантаження (див. рис. 5.3.1 б).

= 127 + 111,23 + j144,17=238,23 + j144,17=278,46 ∙ е j31,18.

=- 63,5 - j110 + 111,23 + j144,17=47,73 + j34,17=58,7 ∙ е j35,6.

=- 63,5+j110 +111,23+j144,17=47,73 + j254,17=258,6 ∙ е j79,4.

Визначимо фазні струми за законом Ома (при з'єднанні навантаження зіркою рівні лінійним).


По першому закону Кірхгофа сума струмів у комплексному виді повинна дорівнювати нулеві.

=9,61 – j15,88 + 15,96 + j11,32 - 25,42 + j4,76=0,15 + j0,2 ≈ 0.

Визначимо активні потужності у фазах і всьому колі.

Ра = Iа2 · Rа = 18,5642 ·0 = 0. Рв = Iв2 · Rв = 19,572 ·3 = 1149 Вт.

Рс = Iс2 · Rс = 25,862 ·0 = 0.

Р = Ра + Рв + Рс = 0 + 1149 + 0 = 1149 Вт.

Для побудови векторної діаграми виберемо масштаби. МU : 4 В в 1 мм. МI : 0,5 А в 1 мм.

Рис.5.3.2. Векторні діаграми напруг та струмів

Задача 6

До лінії трифазного струму (рис. 6.1) промислової частоти з напругою 380/220В за допомогою рубильників приєднуються споживачі:

а) лампи накалювання загальною потужністю Ра, Рв і Рc на напругу 220В;

в) індуктивні котушки з повним опором Zав=Zвс=Zса=19(Ом) при фазному куті зрушення Δφ у кожній фазі на напругу 380 В.

Вважаючи рубильники Кi включеними зобразити спрощену схему, а також:

1) визначити лінійні струми, споживані споживачами, включеними трикутником, накреслити векторну топографічну діаграму навантаження, з'єднаної трикутником;

2) визначити лінійні струми, споживані споживачами, включеними зіркою, накреслити векторну топографічну діаграму навантаження, з'єднаною зіркою;

3) накреслити окремо сполучену векторну топографічну діаграму. Сполучену діаграму вичертити крупно на окремому листі;

4) визначити показання амперметрів у схемі і струм нульового проводу, користуючись графічним методом (по сполученій діаграмі).

Рис. 6.1. Схема в загальному виді

Дано: включені рубильники

К1, К2, К3, К4, К5, К6;

Δφ = 30о,

РА = 4400 Вт,

РВ = 2200 Вт,

РС = 4400 Вт,

f = 50 Гц.

Рішення:

Розрахункова схема представлена на рис. 6.2.

Задачу вирішуємо розрахунково-графічним методом.

Рис.6.2. Розрахункова схема

1. Модулі фазних струмів трикутника:

Iав = Iвс = Iса = Uл /Zав = 380/19 = 20 А.

Лінійні струми в комплексній формі по першому закону Кірхгофа:

  

Будуємо векторну діаграму (рис. 6.3), прийнявши масштаби: напруг – 44 В в 1 см; струмів – 5 А в 1 см.

Рис.6.3. Векторна діаграма напруг та струмів

Так як навантаження симетрично, то лінійні струми навантаження, з'єднаної трикутником, однакові і відповідно до масштабу:

IA∆ = IB∆ = IC∆ = 5 (A/см) · 6,93 см = 36,65 А.

2. Модулі фазних (рівні лінійними при з'єднанні зіркою) струми зірки:

IAY = ICY = РА/Uф = 4400/220 = 20 А.

IВY = РВ/Uф = 2200/220 = 10 А.

Будуємо векторну діаграму в тих же масштабах (рис. 6.4).

Рис.6.4. Векторна діаграма

Струм нульового проводу: .

З діаграми відповідно до масштабу: I0 = 5(A/см)·2(см) = 10 А.

3. Будуємо сполучену векторну діаграму струмів і напруг у тих же масштабах струмів (рис. 6.5), за допомогою якої визначаємо лінійні струми всього кола (показання амперметрів і струм нульового проводу).

Відповідно до першого закону Кірхгофа в комплексній формі:

; ;

З діаграми відповідно до масштабу:

IA = 5 (A/см)∙ 10,5 (см) = 8,6 А;

IB = 5 (А/см) ∙ 8,6 (см) = 43 А; IC = 5 (А/см) ∙ 10,5 (см) = 52,5 А;

I0 = 5 (А/см) ∙ 2 (см) = 10 А.

Рис.6.5. Сумісна векторна діаграма

Література


1. МорозовА.Г. Электротехника, электроника и импульсная техника: Учеб. пособие для инженерно-экономических специальностей вузов. - М.: Высш.шк.1987.-448с.

3. Борисов Ю.М., Липатов Д.Н., Зорин Ю.Н. Электротехника.- М.: Энергоатомиздат,1985.-552с.

4. Пантюшин И.С. Сборник задач по электротехнике.-М.: Высш. шк. 1973.-253с.

Похожие работы на - Основи електротехніки

 

Не нашли материал для своей работы?
Поможем написать уникальную работу
Без плагиата!
Без нейросетей!