|
Показатели
|
ИНМ-50П-15/50НБ
|
|
Мощность, кВт
|
500
|
|
Число фаз
|
2
|
|
Мощность конденсаторной батареи,
квар
|
1800
|
|
Частота тока, Гц
|
50
|
|
Производительность, т/ч
|
1,8
|
|
Расход охлаждающей воды, м3/ч
|
5,0
|
2. ОПИСАНИЕ
ТЕХНОЛОГИЧЕСКОГО ПРОЦЕССА УЧАСТКА
В методических
нагревателях мерные заготовки с постоянной скоростью или через интервалы (с
равным темпом) перемещаются через индуктор. В индукторе одновременно находятся
несколько заготовок, нагретых от 20°С на входе до 1250°С на выходе. Длина
индуктора, число заготовок и скорость перемещения их рассматриваются таким
образом, чтобы заготовки на выходе достигали ковочной температуры и заданного перепада
по сечению.
Желательно, чтобы в индукторе
находилось не менее трех заготовок, так как электрический режим работы в момент
загрузки холодной заготовки и выгрузки нагретой в этом случае практически остается
без изменения.
В индукторе
периодического действия нагревается только одна заготовка (или часть ее) в
течение времени tH, достаточного для прогрева ее до ковочной
температуры и до заданной степени равномерности (перепада). Если по условиям
производительности требуется темп выдачи t0 меньше необходимого
времени нагрева tH, нужно иметь два или несколько нагревателей
(индукторов), в которых одновременно нагревается. Несколько заготовок. Число их
будет равно n = tH /t0.
Загрузка заготовок в индукторы должна быть сдвинута по времени на t0.
Кузнечные индукционные
нагреватели методического действия. Нагреватели серии КИН-К с кулисным приводом толкателя
предназначены для нагрева мерных заготовок по всей длине из стали, цветных
металлов и их сплавов цилиндрического и квадратного сечения в широком диапазоне
типоразмеров.
На рис.1 показан принцип
работы нагревателя серии ИНМ с толкателем. Перемещение заготовок в этом
нагревателе осуществляется толкателем с кривошипным механизмом, который, в свою
очередь, приводится от электродвигателя постоянного тока.
Толкатель непрерывно
совершает возвратно-поступательное движение, заталкивает холодную заготовку,
поступившую из загрузочного лотка на линию толкания, и перемещает одновременно
все заготовки в индукторе, выбрасывая с другого его конца нагретую. Число ходов
толкания в минуту, а следовательно, и темп выдачи нагретых заготовок регулируется
в пределах 3—20 с оборотами приводного двигателя серии ПМУ. При этом
электродвигатель остается постоянно включенным. Темп толкания свыше 20 с
регулируется реле времени. Привод толкателя в этом случае работает с
остановками электродвигателя.
Загрузка заготовок на
лоток ручная. Одновременно загружается 10—20 заготовок. Дальнейшее движение их
с лотка до выдачи происходит автоматически. Конструкция не предусматривает
механизированную загрузку вибробункерами, кассетами или другими средствами. На
выходе из индуктора имеется разгрузочное устройство, состоящее из редуктора и
вращающегося ролика. Нагретая заготовка при выталкивании попадает передним
концом на ролик и быстро удаляется из индуктора. Индуктор легкосъемный и быстро
может быть заменен на другой. Однако длина его для каждого типа нагревателя
сохраняется постоянной.
Индукционные нагреватели
серии ИНМ-Ш (с шаговым механизмом) показаны на рис.2.






Заготовки, подлежащие нагреву,
загружаются в бункер или кассеты, откуда они автоматически подаются на три
направляющие, проходящие через индуктор. Средняя из них подвижная и
конструктивно сделана так, что заготовки на ней легко удерживаются. Подвижная
направляющая приводится в возвратно-поступательное движение электродвигателем
посредством червячного редуктора и кулачкового диска. При своем движении она
поднимает заготовки с крайних направляющих и перемещает их небольшими шагами
через индуктор. Скорость перемещения определяется числом ходов в минуту и
длиной перемещения за один шаг. Изменяя число оборотов двигателя, можно менять
темп выдачи нагретых заготовок. Такая система позволяет полностью освобождать
индуктор от заготовок в конце нагрева и подавать их по одной на время настройки
нагревателя или штампов. Кроме того, в этом случае направляющие практически не
изнашиваются, а требования к торцам заготовок могут быть менее жесткими,
рекомендуются для заготовок больших сечений и сравнительно небольшой длины.
Некоторым недостатком
нагревателей является обязательное увеличение воздушного зазора между
индуктором и заготовкой, а следовательно, повышенная мощность конденсаторной
батареи.
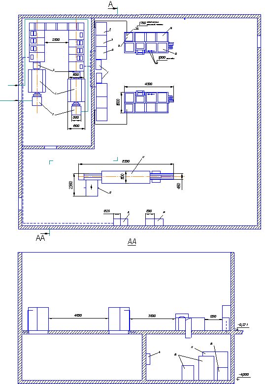
3. ПЛАНИРОВКА ЦЕХА
Индукционный нагревательные
установки промышленной частоты комплектуются: индукционным нагревателем с
комплектом сменных индукторов; конденсаторной батареей; механизмами загрузки,
выгрузки и транспортировки заготовок через индуктор; маслонапорной установкой и
гидравлическими панелями с электромагнитными золотниками; панелями с
контакторами и автоматическими выключателями; щитами и пультами управления с
коммутационной и контрольно-измерительной аппаратурой.
На уровне пола цеха
устанавливают: индукционный нагреватель с загрузочным бункером, механизмами
загрузки и выгрузки, шкафы управления, панели с гидроаппаратурой. В подвальном
помещении, в непосредственной близости от нагревателя устанавливают
конденсаторные батареи, маслонапорную установку, вольтодобавочный трансформатор,
контакторный панели, автоматический выключатель и измерительные трансформаторы.
Установки индукционного
нагрева с кузнечным нагревателем комплектуются оборудованием выполненным в виде
унифицированных блоков: нагревательного блока, трансформаторного шкафа, шкафа
управления. В нагревательном блоке находятся индуктор, водораспределитель и
сливная воронка; на выходе блока размещены механизм разгрузки и датчик контроля
темпа выдачи заготовок. В блоке подачи заготовок размещены механизм загрузки,
толкатель, его привод и элементы смазки.
Рис. 3 Планировка участка
1-трансформатор
ТМ-1600/10; 2- шкаф ВН; 3-соединительное устройство; 4-шкаф инвертора; 5-шкаф
реакторов; 6-выпрямительный шкаф; 7-шкаф управления; 8-трансформаторный шкаф
КИН; 9-батарея конденсаторов КИН; 10-нагревательный блок КИН; 11-индукционный
нагреватель ИНМ; 12-загрузочный бункер ИНМ; 13-панель с гидроаппаратурой ИНМ;
14-шкаф управления ИНМ; 15-автоматический выключатель ИНМ; 16-контакторный
панели; 17-конденсаторные батареи ИНМ; 18-вольтодобавочный трансформатор ИНМ;
4. ОПИСАНИЕ ЭТУ КАК
ПРИЕМНИКА ЭЛЕКТРОЭНЕРГИИ
Наибольшее
распространение получили индукционные нагревательные установки для нагрева
заготовок перед обработкой давлением (кузнечные нагреватели), установки для
поверхностной закалки деталей и вакуумные индукционные нагревательные
установки. Частота тока в них лежит в пределах 2,4 кГц—1,76 МГц. Они весьма
разнообразны по мощности: от 25 до 250 кВт —индукционные закалочные установки,
до 700 кВт — вакуумные и от 150 до 1500 кВт — кузнечные нагреватели. Мощность
наиболее крупных групп таких установок достигает 10—40 МВт. Их питание
осуществляется как от индивидуальных источников, так и от систем
централизованного питания. Источниками могут быть электромашинные
преобразователи частоты и все более широко применяемые в последние годы
статические преобразователи. Относительно питающей энергосистемы все эти установки
являются приемниками переменного трехфазного тока промышленной частоты, по
надежности электроснабжения— потребителями второй категории. Их режим работы
определяется режимом работы технологической линии, куда встроены
рассматриваемые нагреватели. Коэффициент мощности установок меняется в широких
пределах — от 0,03 при пустом индукторе до 0,3 при заполненном. С целью
уменьшения значения реактивной мощности, потребляемой установкой, в комплект
оборудования входит конденсаторная батарея, включаемая параллельно или
последовательно-параллельно с индукционным нагревателем.
Особенностью индукционных
установок средней частоты, питаемых от статических преобразователей, является
нагрузка питающей сети током несинусоидальной формы и искажение формы кривой
напряжения в общей точке системы, куда присоединены рассматриваемые установки.
Для питающей сети преобразователь частоты эквивалентен входящему в его состав
выпрямителю. В случае трехфазной мостовой схемы это приводит к наличию в
выпрямленном токе 5, 7, 11, 13 гармоник.
Для обеспечения
нормируемого ГОСТом коэффициента несинусоидальности количество подключаемых
преобразователей должно быть ограничено. Если мощность преобразователей до 200
кВт, их должно быть не более двух при мощности питающего трансформатора 1000
кВ-А; не более трех - при 1600 и не более четырех - при 2500 кВ-А. В
рассматриваемой схеме последовательно с преобразователем в сеть 0,4 кВ
включается реактор с относительным сопротивлением 8%.
Для компенсации
реактивной мощности в схемах электроснабжения участков или цехов с
индукционными установками применяются конденсаторные батареи КБ, которые
постоянно перегружаются токами высших гармоник, генерируемых статическими
преобразователями. Если мощность конденсаторных батарей составляет не менее 40%
суммарной мощности преобразователей, то их перегрузка не выходит за 30%,
допускаемых ПУЭ. Однако емкость батарей конденсаторов и индуктивность элементов
сети могут образовывать резонансные контуры, что ведет к необходимости
подключения последовательно с КБ токоограничивающих реакторов.
5. ГРАФИКИ НАГРУЗКИ
УЧАСТКА
Индивидуальные графики
нагрузки
Номинальная мощность
приемника:
Средняя нагрузка
приемника:
Коэффициент
использования:
Коэффициент включения:
Среднеквадратичная
нагрузка:
Коэффициент максимума:
Коэффициент спроса по
активной мощности:
Номинальная мощность
приемника:
Средняя нагрузка
приемника:
Коэффициент
использования:
Коэффициент включения:
Среднеквадратичная
нагрузка:
Коэффициент максимума:
Коэффициент спроса по
активной мощности:
Групповой график:
Номинальная мощность
приемника:
Номинальная мощность
приемника:
Средняя нагрузка
приемника:
Коэффициент
использования:
Коэффициент включения:
Среднеквадратичная
нагрузка:
Расчетная нагрузка по
допустимому нагреву:
где коэффициент максимума
принят равным:
из рис.1.9 [1];
Коэффициент спроса по
активной мощности:
6. ВЫБОР КОМПЛЕКТНОЙ
ТРАНСФОРМАТОРНОЙ ПОДСТАНЦИИ
Таблица. 4 Параметры
определения расчетных нагрузок.
|
Электроприемник
|
Кол-во
|
Pном, кВт
|
Кс
|
cosφ
|
Pp, кВт
|
Qp, квар
|
Sp, кВА
|
|
Преобразователь частоты
|
2
|
1260
|
0,8
|
0,94
|
1008
|
365,86
|
-
|
|
индук. нагреватель
|
1
|
500
|
0,95
|
1
|
500
|
0
|
-
|
|
Приводы механизмов
|
3
|
225
|
0,2
|
0,6
|
45
|
60
|
-
|
|
Суммарный показатель
|
6
|
1985
|
0,78
|
0,96
|
1553
|
425,86
|
1610,3
|
При выборе числа и
мощности трансформаторов подстанций рекомендуется выбирать при
двухтрансформаторных подстанциях мощность каждого трансформатора с таким
расчетом, чтобы при выходе из строя одного трансформатора оставшийся в работе
трансформатор мог нести всю нагрузку потребителей. Для этого номинальная
мощность трансформаторов двухтрансформаторной подстанции принимается равной 70%
от общей расчетной нагрузки цеха. Тогда при выходе из строя одного из
трансформаторов второй на время ликвидации аварии оказывается загруженным не
более чем на 140%, что допустимо в аварийных условиях.
Выбираем КТП-М-1600 с
двумя трансформаторами.
Коэффициент загрузки в
нормальном режиме установок:
Проверяем установленную
мощность трансформатора в аварийном режиме при отключение одного
трансформатора:
Следовательно, выбранные
мощности трансформаторов обеспечивают электроснабжение установок как в
нормальном, так и в аварийном режимах.
7. РАСЧЕТ ТОКОВ
КОРОТКОГО ЗАМЫКАНИЯ
а) Расчет токов КЗ на
шинах КТП
Рассчитаем ток К.З. на
шинах КТП, т.е. К.З. свыше 1 кВ. Зададимся базисными величинами.
;
;
Тогда
;
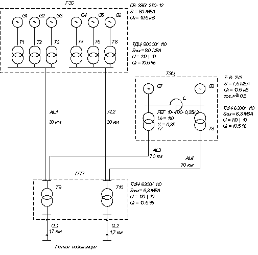
Определим сопротивления:
Для гидрогенератора типа
СВ395/250-12
Для трансформатора типа
ТДН-80000/110
Для воздушной линии
электропередачи AL-1, AL-2
Для турбогенератора типа Т-6-2
Для реактора типа РБГ-10-400-0,35
Для трансформатора типа ТМН-6300/110
Для воздушной линии
электропередачи AL-3, AL-4
Для кабельной линии
электропередачи CL-1, CL-2
Рис. 7 Схема внешнего
электроснабжения
Схема снабжения будет
иметь вид:
Рис. 8 Схема замещения
схемы снабжения.
Преобразуем схему
Рис. 9 Преобразование
схемы замещения
Рис. 10 Преобразование
схемы замещения
Рис.11 Преобразование
схемы замещения
Т.к выполняется условие
, то можно объединить источники.
Для определения тока
К.З.от гидрогенераторов определим расчётное сопротивление:
Так как
тогда ток К.З. от гидрогенератора
найдём следующим образом:
;
Для определения тока
К.З.от турбогенераторов определим расчётное сопротивление:
, то по расчетным кривым рис 1.58 [1]
определяем кратность тока
Определим ток короткого
замыкания:
;
;
.
б) Расчет
токов КЗ на шинах подстанции
Для проведения расчёта
тока К.З. составим схему замещения участка цепи, по которому протекает данный
ток.
Рис.12 . Схема замещения.
схемы снабжения после трансформаторной подстанции.
Определяем активное и
реактивное сопротивления схемы замещения:
;
;
;
Автоматический
выключатель Э40В.
Находим ток, протекающий
по данному участку:
;
По табличным данным
определяем сопротивления:
Автоматический
выключатель Э25В.
В качестве токоподвода
выбираем шинопровод магистральный алюминиевый ШМА-4, который рассчитан на
протекание токов до 1250 А.
;
.
; где l – длина токоподвода;
;
;
;
;
;
;
;
;
8. ВЫБОР
СИЛОВОГО ОБОРУДОВАНИЯ ЭТУ
1.
Выключатели
высокого напряжения QF1,QF2.
Условия выбора выключателя:
1)
2)
3)
4)
5)
6)
7) а)
б)
;
;
;
;
Выбираем выключатель типа
ВВЭ-10-20/630У3.
Исходя из вышеприведенных
данных, выключатель типа ВВЭ-10-20/630У3 удовлетворяет предъявляемым к нему
требованиям.
2.
Выключатели
высокого напряжения QF3, QF4, QF5.
Выбираем выключатель типа
Э40В.
3.
Выключатели
высокого напряжения QF6, QF7, QF8…
Выбираем выключатель типа
Э25В.
4.
Разъединители
QS1…
Условие выбора
разъединителя:
1)
2)
3)
4) а)
б)
Выбираем разъединитель
РВЗ-10/630 IУ3.
где
=0,05с;
=0,15с;
=0,05с;
1) 10 кВ ≥ 10 кВ
2) 630 А ≥ 364 А
3) 630 А ≥ 437 А
4) а) 52 кА ≥ 9,91 кА
б) 1600 кА²с≥ 381
кА²с
5.
Шины.
Условие выбора шин:
1)
2)
3)
4)
Выбираем алюминиевые шины
60×6 мм.
где
-плотность тока;
= 437 А;

=90 –максимально допустимая температура и напряжение,
на которую используется шина табл.1.15 [4].
Проверка на расчетные
нагрузки:
где
= 5 м – длина шин;
а = 0,15 м – расстояние
между шинами.
6.
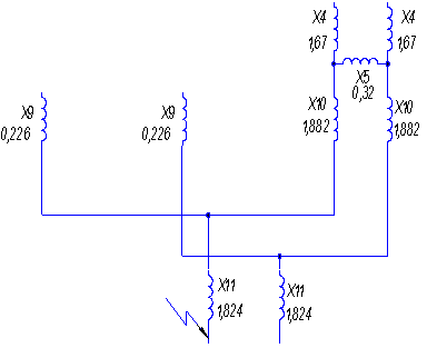
Симметрирующее
устройство для ИНМ.
Расчет симметрирующего
устройства для индукционной нагревательной установки:
Таблица 5
|
Заданная или определяемая величина
|
Формула или символ
|
Численное значение
|
|
Мощность трансформатора, кВА
|
|
1600
|
|
Максимальное вторичное напряжение,
В
|
|
400
|
|
Потребляемая активная мощность кВт
|
|
500
|
|
Рабочее напряжение
|
|
380
|
|
Минимальная мощность установки, кВА
|
|
250
|
|
Коэффициент мощности установки
|
|
0,866
|
|
Мощность реактора, квар
|
|
928
|
|
Ток реактора, А
|
|
2320
|
|
Реактивное сопротивление реактора,
Ом
|
|
345
|
|
Индуктивность реактора, Гн
|
|
1,1
|
|
Требуемая мощность симметрирующей
батареи реактора, квар
|
|
1392
|
|
Рабочее напряжение цепи конденсаторов,
В
|
|
330,6
|
|
Фактическая мощность батареи
конденсаторов, квар
|
|
7357
|
|
Число конденсаторов
|
|
148
|
|
Реактивное сопротивление цепи из
двух конденсаторов, Ом
|
|
4372
|
|
Общее число цепей
|
|
74
|
|
Реактивное сопротивление батареи
конденсаторов, Ом
|
|
59
|
|
Ток одной цепи батареи
конденсаторов, А
|
|
0,076
|
|
Полный ток батареи, А
|
|
5,6
|
|
Переменная часть батареи
конденсаторов, квар
|
|
6207
|
|
Минимальная ступень, квар
|
|
1000
|
|
Необходимое число ступеней
симметрирования
|
|
10
|
|
Разбивка переменной части батареи
квар
шт.
|
|
1000, 1000, 1000, 2000, 2000
20, 20, 20, 40, 40
|
|
Уточненная переменная часть батареи
квар
шт.
|
|
9000
180
|
|
Линейный вторичный ток, А
|
|
760
|
|
Коэффициент мощности трехфазной
сети
|
|
1,0
|
|
Потери активной мощности в
конденсаторах, кВт
|
|
22
|
|
Потери активной мощности в
реакторе, кВт
|
|
19
|
|
Суммарные потери в симметрирующем
устройстве
кВт
%
|
|
41
0,5
|
Конденсаторы КС2-0,38-50-3У3
(380 В, 50 квар), конденсаторы соединены по два последовательно. Кроме того, 12
шт. в резерве.
7.
Преобразователь
частоты для КИН
Для питания кузнечных
индукционных нагревателей КИН-500/1, выберем статические преобразователи
частоты типа ТПЧ-1У4.
Таблица 6
|
тип
|
Номинальный ток нагрузки, кА
|
Номинальное напряжение на выходе, В
|
Номинальная мощность, кВА
|
Номинальная рабочая частота, Гц
|
Коэффициент мощности
|
КПД
|
|
ТПЧ-1У4
|
1300
|
800
|
630
|
500-1000
|
0,94
|
0,94
|
8.
Трансформатор
тока.
Условие выбора
трансформатора тока:
1)
2)
3)
4)
5)

6)
Измерительные приборы:
Таблица.7
|
Приборы
|
Обозначение
|
Класс точности
|
,ВА(Вт)
|
|
Амперметр
|
Э351
|
1,5
|
0,5
|
|
Варметр
|
Д365
|
2,5
|
-
|
|
Счетчик Вт-часов
|
САУ4-И672М
|
2
|
2,5
|
|
Счетчик ВА-часов
|
СР4-И679
|
3
|
4,0
|
,
где
- сопротивление соединительных
проводов,
- сопротивление
подключенных приборов,
-
сопротивление контактов.
=0,1 Ом;
Выбираем медные провода с
Выбираем медный провод
марки М сечением
= 4 мм².
[4]
Выбираем трансформатор
тока ТЛМ-10-2.
1)
10 кВ ≥ 10
кВ
2)
600 А ≥ 364 А
3)
600 А ≥ 437
А
4)
100 кА≥ 9,91
кА
5)
кА²с
≥ 381 кА²с
9. Трансформатор
напряжения.
Условие выбора
трансформатора напряжения:
Измерительные приборы:
Таблица 8.
|
Приборы
|
Обозначение
|
Класс точности
|
,ВА(Вт)
|
|
Вольтметр
|
Э351
|
1,5
|
3
|
|
Варметр
|
Д365
|
2,5
|
-
|
|
Счетчик ВА-часов
|
СА4У-И672М
|
2
|
8
|
|
Счетчик Вт-часов
|
СР4-И679
|
3
|
8
|
=3+8+8=19ВА.
Выбираем трансформатор
напряжения НОЛ.0.8-10УХЛ3.
1) 10 кВ ≥ 10 кВ
2) 150 ВА ≥ 19 ВА.
9. РАСЧЕТ ПАРАМЕТРОВ СРАБАТЫВАНИЯ РЕЛЕЙНОЙ ЗАЩИТЫ
Максимальная токовая
защита:
Является основным видом релейной защиты в электрических сетях
промышленных предприятия, срабатывающий от резкого увеличения тока цепи при КЗ
или перегрузках. МТЗ выполнена с помощью токовых реле мгновенного действия
серии РТ-40, а выдержки времени, и время действия которого не зависит от
проходящего в цепи тока КЗ или перегрузки, т.е. представляет собой защиту с
независимой характеристикой времени срабатывания. Защита охватывает также
питающую линию и осуществляет отключение установки, воздействуя на
оперативно-защитный выключатель. На схеме рис.13 показаны катушки реле КА1, КА2,
КА3. Ток срабатывания реле:
Для трансформаторов тока
ТА1, ТА2 по условиям:
где
коэффициент трансформации
трансформатора тока,
kсх =1– коэффициент схемы, kн = 1,3– коэффициент надёжности, учитывающий
погрешность реле.
Защита от перегрузки:
Защита от перегрузки будет по низкой стороне и осуществляется
реле РТ-80 с зависимой от тока выдержкой времени, включенным на разность токов.
Защита от перегрузки действует на сигнал или на отключение оперативно-защитного
выключателя. Защита выполняется в 3-фазном 3-релейном исполнении с помощью реле
косвенного действия индукционного типа, имеющего ограниченно-зависимую
характеристику. На схеме рис.13 показаны катушки реле КА4, КА5, КА6. Ток
срабатывания реле:
10. РАЗРАБОТКА СИЛОВОЙ
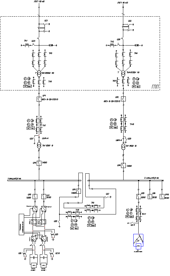
СХЕМЫ ПИТАНИЯ УСТАНОВКИ
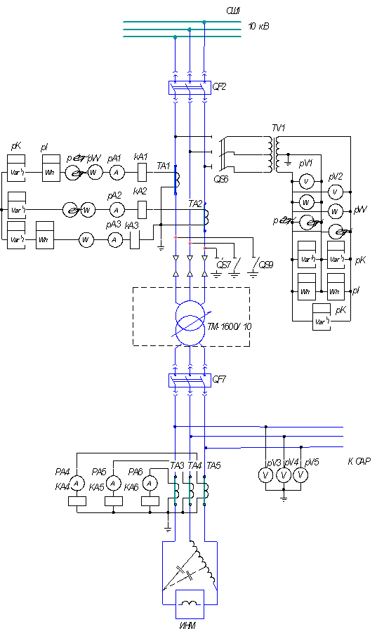
Питание установки
производится через высоковольтный выключатель
типа ВВЭ-10-20/630У3.
Контроль электрического
режима производится на стороне высокого и низкого напряжения: на стороне
высокого напряжения контролируется мощность, активная и реактивная
электроэнергия, потребляемая установкой, установлен фазометр
, имеется максимально-токовая защита
на реле
; по низкой -
контролируются ток и напряжение трансформатора, также установлена токовая
защита от перегрузки на реле
.
Максимальная токовая
защита выполнена по высокой стороне печного трансформатора на реле
максимального тока РТ-40. Защита от перегрузки устанавливается по низкой
стороне на реле РТ-80 индукционного типа с выдержкой времени.
Трансформаторы тока
имеют коэффициент
трансформации равный 5/5 и установлены для обеспечения безопасности
обслуживающего персонала. Токовые цепи измерительных приборов подключаются
через трансформаторы тока типа ТЛМ-10-2, цепи напряжения - к двум
трансформаторам напряжения типа НОЛ.0.8-10УХЛ3, собранным в схему открытого
треугольника.
Для симметрирования
нагрузки применяется схема с реактор-делителем.
Рис. 13. Подробная схема питания ИНМ
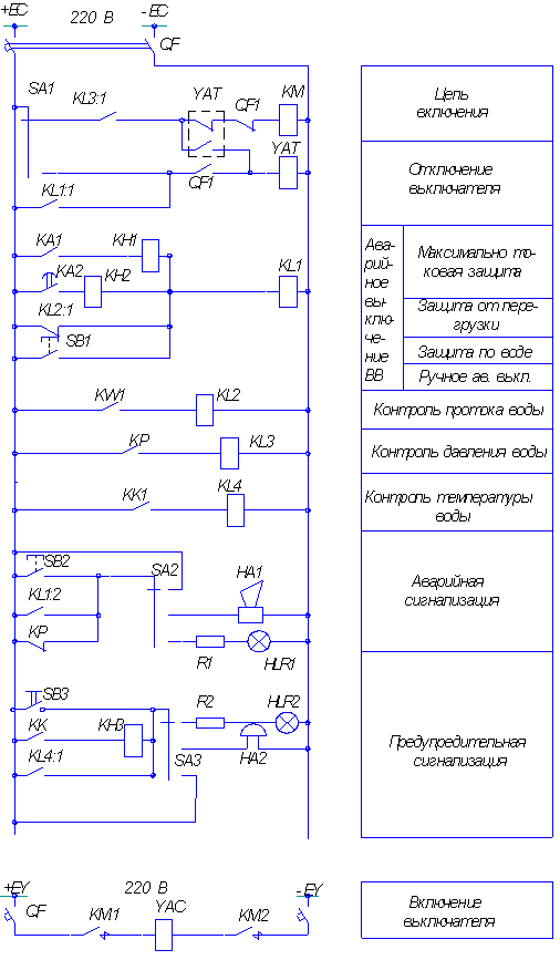
11. СХЕМА УПРАВЛЕНИЯ, ЗАЩИТЫ И СИГНАЛИЗАЦИИ
Основной
особенностью схемы управления высоковольтным выключателем с электромагнитным приводом
является то, что ему требуются две цепи с разными токами, так как по катушке
электромагнита включения проходят большие токи. Поэтому схему можно разделить
на две части – схема управления, защиты и сигнализации, и схема включения
электромагнита привода выключателя.
Для
включения установки нужно переключатель SA1
поставить в положение «вкл» (на схеме верхнее положение) при этом должно быть
достаточным давление воды в системе охлаждения KL3:1.
При этом включится контактор KM и включится
катушка привода включения ВВ YAC.
В схеме
управления предусмотрено аварийное выключение при выходе из нормального режима
работы различных систем. Аварийное выключение производится ступенчато.
При
незначительных отклонениях от нормального режима включается предупредительная
сигнализация в виде включающейся лампы или звонка, которая устанавливается
переключателем SA3 (переключатель позволяет
отключить сигнализацию). Контролируется температура воды KL4:1.
Аварийная сигнализация
включается вместе с аварийным выключением ВВ, контакт KL1:2. Аварийное выключение возможно при срабатывании
максимально-токовой защиты КА1, защиты от перегрузок КА2,
отсутствии протока воды KL2:1. Аварийное
отключение возможно нажатием кнопки SB1.
Рис.14 Схема управления защиты
и сигнализации
ЗАКЛЮЧЕНИЕ
В данной курсовой работе
спроектировано электроснабжение участка с двумя кузнечными индукционными
нагревателями КИН-500/1 и одним индукционным нагревателем ИНМ-50П-15/50НБ для
нагрева заготовок из цветных металлов и сплавов перед прессованием. Были
составлены индивидуальный и групповой графики нагрузок участка: коэффициент
использования
;
коэффициент включения
;
коэффициент спроса по активной мощности
. Были рассчитаны токи КЗ свыше 1 кВ:
и КЗ ниже 1 кВ:
Разработана схема
электроснабжения участка, планировка расположения электроустановок, выбрано
силовое оборудование ЭТУ. Разработана схема управления и сигнализации.
СПИСОК ИСПОЛЬЗОВАННОЙ
ЛИТЕРАТУРЫ
1) Электрооборудование
электротехнологических установок Метод. указания к курсовому проектированию / Сост.
А.Н.Миронова, Е.Ю.Смирнова; ЧГУ Чебоксары 2003.
2) Электроснабжение
электротехнологических установок Метод. указания к курсовому проектированию / Сост.
А.Н.Миронова, Е.Ю.Смирнова; ЧГУ Чебоксары 2003.
3) Миронов Ю.М., Миронова А.Н.
Электрооборудование и электроснабжение электротермических, плазменных и лучевых
установок Учеб. пособие для вузов. – М.: Энергоатомиздат. 1991. – 376 с.: ил.
4) Неклепаев Б.Н., Крючков И.П.
Электрическая часть электростанций и подстанций: Справочные материалы для
курсового и дипломного проектирования Учеб. пособие для вузов. – 4-е изд.,
перераб. и доп. - М.: Энергоатомиздат, 1989. – 608 с.: ил.
5) Электрооборудование и автоматика
электротермических установок: (Справочник) / Под ред. А.П. Альтгаузена, М.Д.
Бершицкого, М.Я. Смелянского, В.М. Эдемского. – М.: Энергия, 1978. – 304 с.,
ил.
6) Миронова А.Н., Миронов Ю.М. Особенности
электротехнологических установок как потребителей электроэнергии: Учеб. пособие
/ Чуваш. ун-т. Чебоксары, 1990. 76 с.
7) Шамов А.И., Бодажков В.А. проектирование
и эксплуатация высокочастотных установок. Л.: Машиностроение, 1974. 280 с.
Рис.. Силовая
электрическая схема питания всего заданного количества установок