Инверторный источник сварочного тока COLT 1300

  • Вид работы:
    Контрольная работа
  • Предмет:
    Физика
  • Язык:
    Русский
    ,
    Формат файла:
    MS Word
    2,04 Mb
  • Опубликовано:
    2010-12-29
Вы можете узнать стоимость помощи в написании студенческой работы.
Помощь в написании работы, которую точно примут!

Инверторный источник сварочного тока COLT 1300














Инверторный источник сварочного тока COLT 1300

Источники COLT 1300, COLT и PUMA 150 предназначены для ручной сварки металлов (технология ММА) и имеют похожие схемы и компоновку. Поэтому достаточно рассмотреть один из них — COLT 1300, чтобы получить достаточное представление об устройстве других.

Все три источника рассчитаны на работу от однофазной сети переменного тока напряжением 230 В ±10 % и частотой 50...60 Гц. Они имеют одинаковые габариты — 110x200x300 мм, но различаются мощностью и массой. Более мощные источники COLT 1300 и PUMA 150 массой 3,8 кг потребляют от сети мощность до 3,8 кВт и позволяют производить сварку электродами диаметром 1,6...3,25 мм. При этом PUMA 150 обеспечивает максимальный сварочный ток 130 А при относительной продолжительности включения (ПВ) 25 %, a COLT 1300 - 125 А при ПВ 15 %. Параметр ПВ показывает, какую часть времени рабочего (обычно десятиминутного) цикла сварку с помощью данного источника можно вести непрерывно, после чего для его охлаждения необходим перерыв.

Менее мощный источник COLT имеет массу 2,9 кг, потребляет от сети мощность до 2,1 кВт и позволяет производить сварку электродами диаметром 2,5 мм. COLT обеспечивает максимальный сварочный ток 75А при ПВ 30%

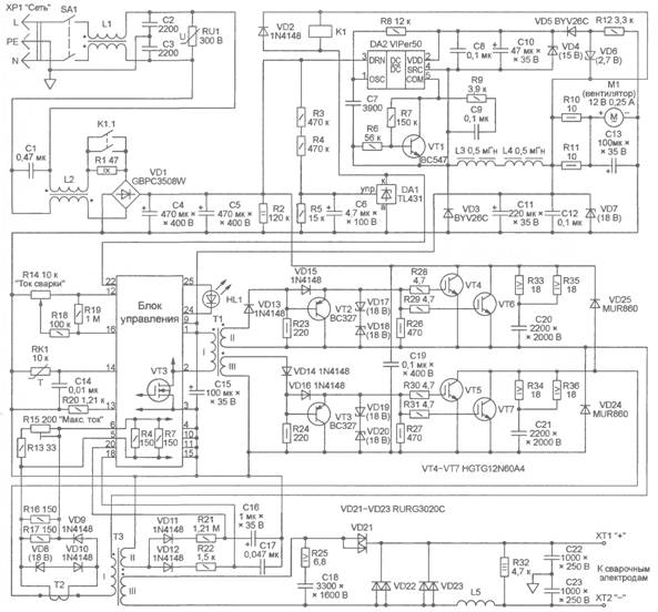
Силовая часть

На рис.1 изображена схема силовой части инверторного источника сварочного тока COLT 1300. Он подключается к сети переменного тока гибким шнуром с трехконтактной вилкой ХР1. Переменное сетевое напряжение через замкнутый выключатель SA1, фильтры помех L1C2C3, L2C1 и зарядный резистор R1 поступает на выпрямитель — диодный мост VD1 со сглаживающими конденсаторами С4 и С5.

Фильтры обеспечивают подавление как синфазной, так и противофазной помехи. Для их эффективной работы требуется заземление металлического корпуса источника через контакт РЕ вилки ХР1. Варистор RU1 защищает от кратковременных выбросов напряжения в сети.

При включении источника начальная зарядка конденсаторов С4 и С5 производится через специально предусмотренный резистор R1, что исключает перегрузку сети и диодов моста VD1 их зарядным током. По истечении времени, достаточного для зарядки конденсаторов, резистор R1 шунтирует контакты реле К1.1. Для определения момента окончания зарядки служит пороговое устройство на микросхеме DA1 — параллельном стабилизаторе напряжения (по прямому назначению). Ток в цепи катод—анод этой микросхемы начнет течь, когда конденсаторы С4 и С5 зарядятся до такой степени, что напряжение на управляющем входе микросхемы (оно поступает с резистивного делителя R3—R5) превысит внутреннее пороговое напряжение микросхемы (2,5 В). Начиная с этого момента, цепь питания обмотки реле К1 будет замкнута.

Напряжение низкого уровня на катодном выводе микросхемы DA1 служит и сигналом готовности для блока управления (БУ). Получив этот сигнал, БУ начинает формировать импульсы частотой приблизительно 57 кГц, которые через трансформатор Т1 поступают на входы двух драйверов, управляющих транзисторами инвертора. Драйверы собраны по одинаковым схемам, поэтому рассмотрим работу только одного из них — верхнего по схеме.

При открывании транзистора VT3 в БУ в обмотке II трансформатора Т1 индуцируется напряжение, полярность которого — открывающая для IGBT VT4, VT6 (плюс на затворе, минус на эмиттере). Через открытые диоды VD13 и VD15 и "антипаразитные" резисторы R28, R29 оно поступает на затворы IGBT. Резисторы R23 и R26 подавляют колебания в контуре, образованном индуктивностью и емкостью обмотки трансформатора. Стабилитроны VD17 и VD18 ограничивают напряжение затвор—эмиттер IGBT на безопасном уровне. Транзистор VT2 закрыт, поскольку его участок база—эмиттер зашунтирован открытым диодом VD15.

При закрывании в БУ транзистора VT3 полярность напряжения на обмотке II трансформатора Т1 изменяется на противоположную. Диоды VD13 и VD15 закрываются, а к участку база—эмиттер транзистора VT2 прикладывается через резистор R23 в открывающей этот транзистор полярности напряжение, до которого зарядилась на предыдущем этапе емкость затвор—эмиттер IGBT. Через открывшийся транзистор VT2 она быстро разряжается, IGBT закрываются.

Инвертор в COLT 1300 выполнен по распространенной в простых инверторных источниках сварочного тока схеме прямоходового одноактного полумостового преобразователя ("косого моста"). Каждый ключ инвертора состоит из двух соединенных параллельно IGBT VTA, VT6 и VT5, VT7. Рассмотренный в [1] сварочный источник RytmArc построен по аналогичной схеме.

Обмотки II и III трансформатора Т1 сфазированы таким образом, что оба ключа инвертора (все четыре IGBT) открываются одновременно. При этом энергия источника питания через трансформатор ТЗ поступает в сварочную цепь, магнитопровод этого трансформатора намагничивается. По закрывании IGBT энергия, накопленная в индуктивности рассеяния и магнитопроводе трансформатора ТЗ, возвращается в первичный источник, через диоды VD24 и VD25 происходит зарядка конденсаторов С4 и С5. Блокировочный конденсатор С19, установленный в непосредственной близости к IGBT и диодам инвертора, устраняет влияние на его работу индуктивности проводов, соединяющих инвертор с источником питания. Для контроля выходного тока инверторного источника служит трансформатор тока Т2, первичная обмотка которого — пропущенный через отверстие его кольцевого магнитопровода провод, идущий к трансформатору ТЗ. В интервале прямого хода инвертора ток вторичной обмотки трансформатора Т2 протекает через диод VD9 и резисторы R13, R15—R17, а также через резисторы R4, R7 в БУ С помощью подстроечного резистора R15 регулируют общее сопротивление нагрузки трансформатора тока. Пропорциональное сварочному току падение напряжения на этом сопротивлении используется в БУ для формирования падающей нагрузочной характеристики источника, необходимой для сварки по технологии ММА, а также для защиты инвертора от перегрузки по току.

В цикле обратного хода напряжение на вторичной обмотке трансформатора тока меняет полярность. Диод VD9 закрывается. VD10 открывается и ток, размагничивающий магнитопровод этого трансформатора, течет через стабилитрон VD8. Его напряжение стабилизации выбрано таким, что полное размагничивание магнитопровода за время обратного хода инвертора гарантировано.

Импульсное напряжение с обмотки III трансформатора ТЗ поступает в сварочную цепь через однополупериодный выпрямитель — диодную сборку VD21. Цепь R25C18 подавляет паразитные высокочастотные колебания. Дроссель L5 сглаживает выпрямленный ток. В паузах между импульсами сварочный ток течет через диодные сборки VD22 и VD23. Резистор R32 — минимальная нагрузка, необходимая инвертору в режиме холостого хода. Конденсаторы С22 и С23 образуют с дросселем L5 фильтр, подавляющий высокочастотные помехи, проникающие на выход сварочного источника. Ток сварки устанавливают переменным резистором R14. Терморезистор RK1 с отрицательным температурным коэффициентом сопротивления закреплен на теплоотводе IGBT VT4—VT7.

Дополнительная обмотка II трансформатора ТЗ и выпрямители на диодах VD11 и VD12 формируют сигналы, необходимые для реализации функций Anti-Stick (защита от залипания сварочного электрода) и Arc Force (форсирование дуги). Первая из них уменьшает выходной ток источника при замыкании электрода со свариваемой деталью, длящемся более 0,8 с. Вторая функция в определенных условиях увеличивает на некоторое время сварочный ток относительно заданного значения, что повышает стабильность горения дуги.

Постоянное стабилизированное напряжение +16 В для питания БУ формируется из выпрямленного сетевого напряжения с помощью понижающего преобразователя на специализированном контроллере VIPer50 (DA2). Ранее на страницах журнала "Радио" [2] было подробно описано устройство на аналоге VIPer50 — контроллере VIPerlOO, рассчитанном на вдвое больший ток нагрузки.

Контроллер DA2 устроен таким образом, что автоматически поддерживает между выводами SRC и VDD напряжение 13 В. Для того чтобы увеличить выходное напряжение преобразователя до 16 В, в цепь стабилизирующей обратной связи добавлен стабилитрон VD6 на 2,7 В. Фильтр L3L4C11C12 — сглаживающий. Через диод VD3 замыкается выходной ток в паузах между формируемыми контроллером импульсами. Узел на транзисторе VT1 необходим для ограничения до 1А тока истока мощного полевого транзистора , встроенного в контроллер DA2.

Стабилитрон VD4 защищает от опасного превышения напряжения питания контроллер DA2, а стабилитрон VD7 — БУ. Вентилятор М1 служит для обдува тепловыделяющих элементов сварочного источника. Он работает непрерывно. Резисторы R10 и R11 гасят избыток напряжения, питающего вентилятор.

Данные намоточных узлов источника:

Дроссель L2 — две обмотки по 8 витков медного провода диаметром 2 мм в эмалевой изоляции на ферритовом магнитопроводе того же типоразмера.

Дроссели L3, L4 — унифицированные на ток 1 А.

Дроссель L5 — 27 витков медного провода диаметром 4 мм в эмалевой изоляции, намотанных в два слоя без каркаса. Эскиз конструкции этого дросселя изображен на рис. 2.

Трансформаторы Т1 и Т2 — соответственно TI-116626 и ТА314200 (1:200) итальянской фирмы UTK component. Самостоятельно намотать трансформатор Т1 можно на кольце К20хЮх5 из феррита 2000НМ1. Обмотка 1 — 50 витков провода ПЭВ-2 диаметром 0,2 мм. Обмотки II и III должны быть надежно изолированы, например, лакотканью и содержать по 40 витков провода ПЭВ-2 диаметром 0,16 мм. Межобмоточную изоляцию желательно проверить мегаомметром с испытательным напряжением 1000 В. Магнитопроводом трансформатора тока Т2 может служить такое же кольцо. Его вторичная обмотка — 200 витков провода ПЭВ-2 диаметром 0,25 мм.

Рис. 1

 

Трансформатор ТЗ имеет магнитопровод Е55/28/25 из феррита N97 [3]. Обмотка 1 — 16 витков провода диаметром 2 мм. Обмотка II — пять витков в два провода диаметром 2,5 мм. Обмотка III — один виток провода диаметром 1 мм. Необычно в этом трансформаторе то, что, несмотря на высокую рабочую частоту, его обмотки намотаны одиночными медными проводами большого сечения. Данное решение имеет, видимо, определенные основания. Во-первых, трансформатор получается более технологичным, а во-вторых, обмотки из литцендрата имеют худший коэффициент заполнения окна магнитопровода, что не дает возможности существенно уменьшить габариты трансформатора. Плотность тока в обмотках трансформатора ТЗ достигает 14...15 А/мм2, из-за чего ПВ источника COLT 1300 и не превышает 15 %.

Сварочный источник имеет единственный подстроечный элемент - резистор R15, с помощью которого устанавливают максимальный ток сварки, соответствующий крайнему правому (по схеме) положению движка переменного резистора R14.


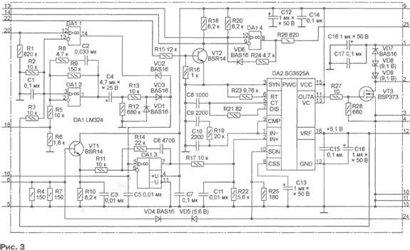
Блок управления

Схема БУ источника COLT1300 изображена на рис. 3. Он построен на ШИ контроллере SG3525A [4], назначение выводов которого приведено в таблице.

На выводы 6 и 5 БУ (вход пикового детектора на транзисторе VT1) поступает напряжение, пропорциональное выходному току сварочного источника. Постоянная времени цепи R10C3 значительно больше периода повторения импульсов тока, что гарантирует относительную неизменность напряжения на выходе детектора в течение периода повторения импульсов инвертора. Это напряжение поступает на ОУ DA1.3, где происходит его сравнение с напряжением, снимаемым с движка переменного резистора R14 (см. рис. 1), поступающим на вывод 16 БУ. Через корректирующую цепь R17R22C11 напряжение с выхода усилителя поступает на вход IN+ контроллера DA2. Коэффициент передачи встроенного в контроллер усилителя сигнала рассогласования установлен равным единице за счет обратной связи с выхода СМР на вход IN-, к которому подключена корректирующая цепь R19C9C10.

Частота импульсов внутреннего тактового генератора контроллера задана элементами R23, R21, С8. От номинала резистора R23 зависит длительность зарядки конденсатора С8 (8 мкс), а от номинала резистора В21 — длительность его разрядки (0,8 мкс). Импульсы на выходе 01)ТА контроллера следуют с частотой приблизительно 57 кГц (вдвое реже тактовых), а их коэффициент заполнения не может превышать 50 %, что необходимо для правильной работы однотактного инвертора.

По цепи П27Р28 эти импульсы поступают на затвор \/ТЗ — выходного транзистора БУ. Его стоковой нагрузкой служит обмотка I трансформатора Т1 (см. рис. 1). Диоды VD7—VD9 обеспечивают размагничивание магнитопровода этого трансформатора в паузах между импульсами.

В случае превышения максимального сварочного тока напряжение с вывода 6 БУ через диод VD4 и открывшийся стабилитрон VD5 поступит на вход выключения контроллера (SDN). В результате выход контроллера немедленно перейдет в отключенное состояние, транзистор VT3, а с ним и IGBT инвертора закроются. Неоднократное за небольшой промежуток времени срабатывание токовой защиты приводит к разрядке конденсатора "мягкого старта" С13 и довольно продолжительной паузе в работе контроллера, за которой последует "мягкий старт".

С вывода 20 БУ напряжение, пропорциональное выходному напряжению сварочного источника, поступает на неинвертирующий вход ОУ DA1.1, на инвертирующий вход которого подано образцовое напряжение 2,55 В (половина формируемого внутренним стабилизатором контроллера DA2 на его выводе VRF напряжения 5,1 В). Пока нагрузка источника — электрическая дуга, падение напряжения на которой превышает 20 В, напряжение на выводе 20 БУ больше образцового и высокий уровень на выходе ОУ DA1.1 удерживает диод VD2 закрытым. Залипание электрода приводит к уменьшению напряжения в сварочной цепи, а приблизительно через 0,8 с, необходимых для разрядки конденсатора С16 (см. рис. 1), снижается напряжение и на входе ОУ DA1.1. Высокий уровень на его выходе сменяется низким, и диод VD2 открывается. Это уменьшает задающее сварочный ток напряжение на неинвертирующем входе ОУ DA1.3 по сравнению с заданным переменным резистором R14 (см. рис. 1). В результате ток в сварочной цепи снижается до минимума, что и необходимо для реализации функции Anti-Stick.

Напряжение на выводе 18 БУ значительно быстрее, чем на выводе 20, следует за выходным напряжением сварочного источника благодаря значительно меньшей постоянной времени цепи R22C17(cm. рис. 1) по сравнению с цепью R21С16 (там же). Усиленная ОУ DA1.2 разность напряжения на выводе 18 БУ и образцового (2,55 В) поступает на дифференцирующую цепь C4R12. При резком уменьшении напряжения в сварочной цепи эта цепь формирует положительный импульс, поступающий через диод VD3 на неинвертирующий вход ОУ DA1.3 и кратковременно увеличивающий сварочный ток -так реализуется функция Arc Force.

Похожие работы на - Инверторный источник сварочного тока COLT 1300

 

Не нашли материал для своей работы?
Поможем написать уникальную работу
Без плагиата!
Без нейросетей!