Вибір схеми видачі потужності електростанції типу АЕС

  • Вид работы:
    Курсовая работа (т)
  • Предмет:
    Физика
  • Язык:
    Русский
    ,
    Формат файла:
    MS Word
    121,14 kb
  • Опубликовано:
    2010-12-13
Вы можете узнать стоимость помощи в написании студенческой работы.
Помощь в написании работы, которую точно примут!

Вибір схеми видачі потужності електростанції типу АЕС













КУРСОВА РОБОТА НА ТЕМУ:

ВИБІР СХЕМИ ВИДАЧІ ПОТУЖНОСТІ ЕЛЕКТРОСТАНЦІЇ ТИПУ АЕС

Cодержание

1. Вихідні дані завдання

2. Розподіл генераторів між РУ ВН і РУ СН

3. Вибір генераторів і блокових трансформаторів

4. Вибір АТ

5. Визначення втрат у трансформаторах блоків і АТ

6. Вибір провідників для ЛЕП на РУ-330 кВ і РУ-750 кВ

7. Кількість з'єднань на РУ-330 кВ і РУ-750 кВ

8. Вибір варіантів схем РУ всіх напруг

9. Техніко-економічний аналіз варіантів схем

9.1 Визначення втрат електроенергії від потоків відмов елементів схем РУ СН

9.2 Техніко-економічне зіставлення варіантів розглянутих схем

Література

1. Вихідні дані завдання


Виконати техніко-економічне зіставлення схем.

Вихідні дані завдання зведені в таблицю №1.

Тип електростанції й число встановлених на ній генераторів

Дані РУ вищої напруги

Дані РУ середньої напруги

напруга, кВ

потужність к.з. від системи, МВА

Напряже

ние, кВ

навантаження, МВт

потужність к.з. від системи, МВА

АЕС 7´1000 МВт

750

14000

330

3800/3200

12000

 

Кількість ЛЕП на напругу 750 кВ (4, довжиною 300 км.

Кількість ЛЕП на напругу 330 кВ (5, довжиною 30 км.

Час використання максимального навантаження Тнагр.мах=6000 годин.

Час використання встановленої потужності генераторів Тг.вуст.=7200 годин. Максимальна активна потужність, що віддається в енергосистему (7000 Мвт.

 


2. Розподіл генераторів між РУ ВН і РУ СН


Схема видачі потужності визначає розподіл генераторів між РУ різних напруг, трансформаторний і автотрансформаторний зв'язок між РУ, спосіб з'єднання генераторів із блоковими: трансформаторами, точки підключення резервних трансформаторів власних потреб.

Звичайно до РУ середньої напруги (СН) підключається стільки генераторів, скільки необхідно, щоб покрити навантаження в максимальному режимі.

Інші підключаються до РУ вищої напруги (ВН), тобто:

nг-сн = Рнг max / Рг = 3800/1000 » 4

де: Рнг max - максимальне навантаження РУ СН; Рг - потужність одного генератора; nг-сн - число генераторів, підключених до РУ СН.

 


3. Вибір генераторів і блокових трансформаторів


Згідно завдання вибираємо генератори проектованої станції (вибираються по активній потужності):

Вибираємо по (Л.3) генератор ТВВ-1000-4

Генератор

Ном. частота обертання, про/хв

Номінальна потужність

Ном. напруга, кВ

Cos jном.

Ном. струм, кА

х”

Та

S, МВА

Р, МВт

ТВВ-1000-4

1500

1111

1000

24

0,9

26,73

0,324

0,25


Згідно завдання вибираємо по (Л.3) блокові трансформатори:

Sбл. расч. = 1,05 Sг = 1,05 ´ 1111 = 1166,55 МВА

По літературі (3) вибираємо ОРЦ-417000/750 і ТЦ-1250000/330

Тип трансформатора

Sн, МВА

Рхх, кВт

Рк, кВт

НН, кВ

uквн-нн, %

uксн-нн, %

Iхх

ОРЦ 417000/750

3 ´ 417

3 ´ 320

3 ´ 800

24

14

45

0,35

ТЦ 1250000/330

1250

500

2800

24

14,5

-

0,55

 


4. Вибір АТ


Вихідні дані для розрахунку наведені в таблиці №1.

Повна потужність генератора Sг дорівнює:

Sг = Рг / cosj = 1000 / 0,9 = 1111 МВА

Тому що навантаження власних потреб (с.н.) Sсн не задані, то задаємо її самі з розрахунку 4-6% від потужності генератора:

Sсн = Sг ´ 5% / 100% = 1111 ´ 5% / 100% = 55,55 МВА

Максимальна повна потужність РУ СН:

Sн max = Р Снmax / cosj = 3800 / 0,85 = 4470,59 МВА

Мінімальна повна потужність РУ СН:

Sнг min = Р Сн min / cosj = 3200 / 0,85 = 3764,7 МВА

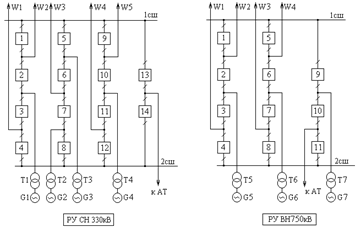
Розглянемо два варіанти схем:

Сиротенко

Рис.1 3 блоки на СН і 4 блоки на ВН

Розглядаємо 1-й варіант: 3 блоки на СН і 4 блоки на ВН.

SП min = SSГсн - Sнг min - Sсн = 3333 - 3764,7 - 166,65 = - 598,35 МВА

SП max = Sн max - SSГсн + Sсн = 4470,59 - 3333 + 166,65 = 1304,24 МВА

Sпа = Sн max - (SSГсн - Sг1) + Sсн = 4470,59 - (3333 - 1111) + 166,65 = 2415,24 МВА

де:

Sсн - потужність власних потреб;

Sг1 - потужність одного генератора;

SП min - мінімальна потужність перетікань РУ СН ® РУ ВН;

SП max - максимальна потужність перетікань РУ СН ® РУ ВН;

Sпа - потужність перетікань РУ СН ® РУ ВН при відключенні одного блоку;

SSГсн - сумарна потужність генераторів на СН;

Sнг min - мінімальна потужність навантаження на генератори СН;

Sн max - максимальна потужність навантаження на генератори СН.

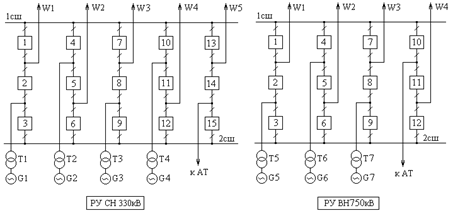
Розглядаємо 2-й варіант: 4 блоки на СН і 3 блоки на ВН.

SП min = SSГсн - Sнг min - Sсн = 4444 - 3764,7 - 222,2 = 457,1 МВА

SП max = Sн max - SSГсн + Sсн = 4470,59 - 4444 + 222,2 = 248,79 МВА

Sпа = Sн max - (SSГсн - Sг1) + Sсн = 4470,59 - (4444 - 1111) + 222,2 = 1359,79 МВА

Сиротенко

Рис.1 4 блоки на СН і 3 блоки на ВН

Вибираємо 2-й варіант: 4 блоки на СН і 3 блоки на ВН, тому що згідно розрахунку в другому варіанті максимальні потужності перетікань РУ СН (РУ ВН в аварійному режимі (відключення одного блоку) виявилися нижче майже вдвічі за значенням стосовно першого варіанта, що спричиняється вибір АТ з Л.3.

Розраховуємо потужність АТ:

SаТ расч. = 1359,79 МВА

По літературі (3) вибираємо 1 групу однофазних АТ: АОДЦТН-417000/750/330

Sн = 3 ´ 417 МВА; ВН = 750/ кВ; СН = 330/ кВ

 


5. Визначення втрат у трансформаторах блоків і АТ


Визначаємо втрати в автотрансформаторі.

Величина втрат у трифазній групі однофазних двох обмотувальних трансформаторів визначається по формулі:


Мвт (ч/рік

де:

n - число паралельно працюючих трансформаторів;

Sn - номінальна потужність трансформатора;

Snmax - максимальне навантаження трансформатора за графіком;

Рхх, Ркз - втрати потужності одного трансформатора потужністю Sn;

ТГ - число годин використання потужності (7200 годин);

tmax - час найбільших втрат (1% від ТГ).

Визначаємо втрати в трансформаторах блоку:

Величина втрат у трифазному двох обмотувальному трансформаторі визначається по формулі:

на напругу 330 кВ:


Мвт (ч/рік) на напругу 750 кВ:


Мвт (ч/рік

 


6. Вибір провідників для ЛЕП на РУ-330 кВ і РУ-750 кВ


Вибір провідників для ЛЕП на РУ-330 кВ:


де: n - кількість ліній.

По Л.3 вибираємо провідник АС 400/51

Iдоп. = 835 А.

Вибір провідників для ЛЕП на РУ-750 кВ:


де: n - кількість ліній.

По Л.3 вибираємо провідник АС 400/51

Iдоп. = 835 А.

7. Кількість з'єднань на РУ-330 кВ і РУ-750 кВ


У виді того, що групи РТСН живляться від ОРУ-330 і 150 кВ Запорізької ТЕС, що перебуває в 2-х км від АЕС, то на РУ-330 кВ і РУ-750 кВ АЕС ми їх не враховуємо.

Кіл-сть з'єднань на РУ 750 кВ:

n = nЛЭП + nг + nпртсн + nсекц. + nат = 4 + 3 + 0 + 0 + 1 = 8

Кіл-У з'єднань на РУ 330 кВ:

n = nЛЭП + nг + nпртсн + nсекц. + nат = 5 + 4 + 0 + 0 + 1 = 10

 


8. Вибір варіантів схем РУ всіх напруг


Схеми розподільних пристроїв (РУ) підвищених напруг електричних станцій вибираються по номінальній напрузі, числу приєднань, призначенню й відповідальності РУ в енергосистемі, а також з урахуванням схеми прилягаючої мережі, черговості й перспективи розширення.

Схеми РУ напругою 35 - 750 кВ повинні виконаються з урахуванням вимог і норм технологічного проектування.

При наявності декількох варіантів схем задовольняючих перерахованим вище вимогам перевага віддається:

- більше простому й економічному варіанту;

- варіанту, по якому потрібне найменша кількість операцій з вимикачами а роз'єднувачами РУ підвищеної напруги при режимних перемиканнях виводу в ремонт окремих ланцюгів і при відключенні ушкоджених ділянок в аварійних режимах.

Розглянемо основні види схем, застосовувані в схемах РУ330/750 кВ.

Сиротенко1

Схема №1. Схема із двома системами шин і трьома вимикачами на два ланцюги (3/2).

Схема із двома системами шин і трьома вимикачами на два ланцюги (сх.1). У розподільних пристроях 330 - 750 кВ застосовується схема із двома системами шин і трьома вимикачами на два ланцюги. Кожне приєднання включене через два вимикачі В нормальному режимі всі вимикачі включені, обидві системи шин перебувають під напругою Для ревізії будь-якого вимикача відключають його й роз'єднувачі, установлені по обох сторони вимикача Кількість операцій для виводу в ревізію - мінімальне, роз'єднувачі служать тільки для відділення вимикача при ремонті, ніяких оперативних перемиканні ними не роблять Достоїнства розглянутої схеми:

- при ревізії будь-якого вимикача всі приєднання залишаються в роботі;

- висока надійність схеми;

- випробування вимикачів виробляється без операцій з роз'єднувачами. Ремонт шин, очищення ізоляторів, ревізія шинних роз'єднувачів виробляються без порушення роботи ланцюгів;

- кількість необхідних операцій роз'єднувачами в плині року для виводу в ревізію по черзі всіх вимикачів, роз'єднувачів і збірних шин значно менше, ніж у схемі із двома робітниками й обхідний системами шин.

Розглянута схема:

- відключення КЗ на лінії двома вимикачами, що збільшує загальну кількість ревізій вимикачів;

- подорожчання конструкції РУ при непарному числі приєднань, тому що один ланцюг повинна приєднуватися через два вимикачі;

- зниження надійності схеми, якщо кількість ліній не відповідає числу трансформаторів. У цьому випадку до одного ланцюжка із трьох вимикачів приєднуються два однойменних елементи, тому можливо аварійне відключення одночасно двох ліній;

- ускладнення релейного захисту;

- збільшення кількості вимикачів у схемі.

Сиротенко2

Схема №2. Схема із двома системами шин і чотирма вимикачами на три ланцюги.

Схема із двома системами шин і із чотирма вимикачами на три приєднання (сх.2). Найкращі показники схема має, якщо число ліній в 2 рази менше або більше числа трансформаторів.

Достоїнства схеми:

- схема 4/3 вимикача на приєднання має всі достоїнства властивій полуторній схемі;

- схема більше економічна в порівнянні з полуторною схемою (1,33 вимикача на приєднання замість 1,5);

- секціонування збірних шин потрібно тільки при 15 приєднаннях і більше;

- надійність схеми практично не знижується, якщо до одного ланцюжка будуть приєднані дві лінії й один трансформатор замість двох трансформаторів і однієї лінії;

- конструкція ОРУ за розглянутою схемою досить економічна й зручна в обслуговуванні.

9. Техніко-економічний аналіз варіантів схем


9.1 Визначення втрат електроенергії від потоків відмов елементів схем РУ СН


Розрахунок робимо за допомогою комп'ютерної програми, розробленої випускником УІПА 2000 року Путиліним О.М.

Розрахунок показників надійності головної схеми РУ СН (3/2)

Тип станції - АЕС; Uном, кВ - 330; Топ, год - 2,0

Устаткування

Параметр потоку відмов,

1/рік

Час після відмови Тв, ч.

Час на пл. ремонт Тр,

ч/рік

Вимикачі

0,2500

75

271

Система шин

0,0130

5

3


Отримано результати для вимикачів і систем шин:

Відмова

У період

ремонту

W, 1/рік

ОП/Тв

ОВ

Wтиж.,

МВт год

B1


0,13000

l1/0,5

B2 B4 B7 B10 B13

52,9

B2


0,13000

 (l1) b1/16

B1 B3

2116,4

B3


0,13000

b1/16

B2 B6 B9 B12 B15

2116,4

B4


0,13000

b2/16

B5 B1 B7 B10 B13

2116,4

B5


0,13000

 (l2) b2/16

B4 B6

2116,4

B6


0,13000

l2/0,5

B5 B3 B9 B12 B15

52,9

B7


0,13000

l3/0,5

B8 B1 B4 B10 B13

52,9

B8


0,13000

 (l3) b3/16

B7 B9

2116,4

B9


0,13000

b3/16

B8 B3 B6 B12 B15

2116,4

B10


0,13000

b4/16

B11 B1 B4 B7 B13

2116,4

B11


0,13000

 (l4) b4/16

B10 B12

2116,4

B12


0,13000

l4/0,5

B11 B3 B6 B9 B15

52,9

B13


0,13000

l5/0,5

B14 B1 B4 B7 B10

52,9

B14


0,13000

l5/0,5 a1/0,5

B13 B15

52,9

B15


0,13000

 (a1)

B14 B3 B6 B9 B12

0,0

1СШ


0,03500


B1 B4 B7 B10 B13

0,0

2СШ


0,03500


B3 B6 B9 B12 B15

0,0

B1

B2

0,00770

l1/75

B4 B7 B10 B13

464,0

B1

B3

0,00770

 (l1) b1/16

B2 B4 B7 B10 B13

123,7

B1

B4

0,00770

l1/0,5

B2 B7 B10 B13

3,1

B1

B5

0,00770

 (l1) b2/25

B2 B4 B7 B10 B13

193,4

B1

B6

0,00770

l1/0,5

B2 B4 B7 B10 B13

3,1

B1

B7

0,00770

l1/0,5

B2 B4 B10 B13

3,1

B1

B8

0,00770

l1/0,5 l3/25

B2 B4 B7 B10 B13

157,8

B1

B9

0,00770

l1/0,5

B2 B4 B7 B10 B13

3,1

B1

B10

0,00770

l1/0,5

B2 B4 B7 B13

3,1

B11

0,00770

 (l1) b4/25

B2 B4 B7 B10 B13

193,4

B1

B12

0,00770

l1/0,5

B2 B4 B7 B10 B13

3,1

B1

B13

0,00770

l1/0,5

B2 B4 B7 B10

3,1

B1

B14

0,00770

l1/0,5 l5/25

B2 B4 B7 B10 B13

157,8

B1

B15

0,00770

l1/0,5

B2 B4 B7 B10 B13

3,1

B2

B1

0,00770

b1/16 l1/59

B3

488,8

B2

B3

0,00770

 (l1) b1/75

B1

580,1

B2

B4

0,00770

 (l1) b1/16

B1 B3

123,7

B2

B5

0,00770

 (l1) b1/16

B1 B3

123,7

B2

B6

0,00770

 (l1) b1/16

B1 B3

123,7

B2

B7

0,00770

 (l1) b1/16

B1 B3

123,7

B2

B8

0,00770

 (l1) b1/16

B1 B3

123,7

B2

B9

0,00770

 (l1) b1/16

B1 B3

123,7

B2

B10

0,00770

 (l1) b1/16

B1 B3

123,7

B2

B11

0,00770

 (l1) b1/16

B1 B3

123,7

B2

B12

0,00770

 (l1) b1/16

B1 B3

123,7

B2

B13

0,00770

 (l1) b1/16

B1 B3

123,7

B2

B14

0,00770

 (l1) b1/16

B1 B3

123,7

B2

B15

0,00770

 (l1) b1/16

B1 B3

123,7

B3

B1

0,00770

b1/16

B2 B6 B9 B12 B15

123,7

B3

B2

0,00770

b1/75

B6 B9 B12 B15

580,1

B3

B4

0,00770

b1/16

B2 B6 B9 B12 B15

123,7

B3

B5

0,00770

b1/16 l2/9

B2 B6 B9 B12 B15

179,4

B3

B6

0,00770

b1/16

B2 B9 B12 B15

123,7

B3

B7

0,00770

b1/16

B2 B6 B9 B12 B15

123,7

B3

B8

0,00770

b1/16 b3/25

B2 B6 B9 B12 B15

317,1

B3

B9

0,00770

b1/16

B2 B6 B12 B15

123,7

B3

B10

0,00770

b1/16

B2 B6 B9 B12 B15

123,7

B3

B11

0,00770

b1/16 l4/9

B2 B6 B9 B12 B15

179,4

B3

B12

0,00770

b1/16

B2 B6 B9 B15

123,7

B3

B13

0,00770

b1/16

B2 B6 B9 B12 B15

123,7

B3

B14

0,00770

b1/16 (a1)

B2 B6 B9 B12 B15

123,7

B3

B15

0,00770

b1/16

B2 B6 B9 B12

123,7

B4

B1

0,00770

b2/16

B5 B7 B10 B13

123,7

B4

B2

0,00770

b2/16 l1/9

B5 B1 B7 B10 B13

179,4

B4

B3

0,00770

b2/16

B5 B1 B7 B10 B13

123,7

B4

B5

0,00770

b2/75

B1 B7 B10 B13

580,1

B4

B6

0,00770

b2/16 (l2)

B5 B1 B7 B10 B13

123,7

B4

B7

0,00770

b2/16

B5 B1 B10 B13

123,7

B4

B8

0,00770

b2/16 l3/9

B5 B1 B7 B10 B13

179,4

B4

B9

0,00770

b2/16

B5 B1 B7 B10 B13

123,7

B4

B10

0,00770

b2/16

B5 B1 B7 B13

123,7

B4

B11

0,00770

b2/16 b4/25

B5 B1 B7 B10 B13

317,1

B4

B12

0,00770

b2/16

B5 B1 B7 B10 B13

123,7

B4

B13

0,00770

b2/16

B5 B1 B7 B10

123,7

B4

B14

0,00770

b2/16 l5/9

B5 B1 B7 B10 B13

179,4

B4

B15

0,00770

b2/16

B5 B1 B7 B10 B13

123,7

B5

B1

0,00770

 (l2) b2/16

B4 B6

123,7

B5

B2

0,00770

 (l2) b2/16

B4 B6

123,7

B5

B3

0,00770

 (l2) b2/16

B4 B6

123,7

B5

B4

0,00770

 (l2) b2/75

B6

580,1

B5

B6

0,00770

b2/16 l2/59

B4

488,8

B5

B7

0,00770

 (l2) b2/16

B4 B6

123,7

B5

B8

0,00770

 (l2) b2/16

B4 B6

123,7

B5

B9

0,00770

 (l2) b2/16

B4 B6

123,7

B5

B10

0,00770

 (l2) b2/16

B4 B6

123,7

B5

B11

0,00770

 (l2) b2/16

B4 B6

123,7

B5

B12

0,00770

 (l2) b2/16

B4 B6

123,7

B5

B13

0,00770

B4 B6

123,7

B5

B14

0,00770

 (l2) b2/16

B4 B6

123,7

B5

B15

0,00770

 (l2) b2/16

B4 B6

123,7

B6

B1

0,00770

l2/0,5

B5 B3 B9 B12 B15

3,1

B6

B2

0,00770

 (l2) b1/25

B5 B3 B9 B12 B15

193,4

B6

B3

0,00770

l2/0,5

B5 B9 B12 B15

3,1

B6

B4

0,00770

l2/0,5

B5 B3 B9 B12 B15

3,1

B6

B5

0,00770

l2/75

B3 B9 B12 B15

464,0

B6

B7

0,00770

l2/0,5

B5 B3 B9 B12 B15

3,1

B6

B8

0,00770

 (l2) b3/25

B5 B3 B9 B12 B15

193,4

B6

B9

0,00770

l2/0,5

B5 B3 B12 B15

3,1

B6

B10

0,00770

l2/0,5

B5 B3 B9 B12 B15

3,1

B6

B11

0,00770

l2/0,5 l4/25

B5 B3 B9 B12 B15

157,8

B6

B12

0,00770

l2/0,5

B5 B3 B9 B15

3,1

B6

B13

0,00770

l2/0,5

B5 B3 B9 B12 B15

3,1

B6

B14

0,00770

l2/0,5 a1/0,5

B5 B3 B9 B12 B15

3,1

B6

B15

0,00770

l2/0,5

B5 B3 B9 B12

3,1

B7

B1

0,00770

l3/0,5

B8 B4 B10 B13

3,1

B7

B2

0,00770

l3/0,5 l1/25

B8 B1 B4 B10 B13

157,8

B7

B3

0,00770

l3/0,5

B8 B1 B4 B10 B13

3,1

B7

B4

0,00770

l3/0,5

B8 B1 B10 B13

3,1

B7

B5

0,00770

 (l3) b2/25

B8 B1 B4 B10 B13

193,4

B7

B6

0,00770

l3/0,5

B8 B1 B4 B10 B13

3,1

B7

B8

0,00770

l3/75

B1 B4 B10 B13

464,0

B7

B9

0,00770

 (l3) b3/16

B8 B1 B4 B10 B13

123,7

B7

B10

0,00770

l3/0,5

B8 B1 B4 B13

3,1

B7

B11

0,00770

 (l3) b4/25

B8 B1 B4 B10 B13

193,4

B7

B12

0,00770

l3/0,5

B8 B1 B4 B10 B13

3,1

B7

B13

0,00770

l3/0,5

B8 B1 B4 B10

3,1

B7

B14

0,00770

l3/0,5 l5/25

B8 B1 B4 B10 B13

157,8

B7

B15

0,00770

l3/0,5

B8 B1 B4 B10 B13

3,1

B8

B1

0,00770

 (l3) b3/16

B7 B9

123,7

B8

B2

0,00770

 (l3) b3/16

B7 B9

123,7

B8

B3

0,00770

 (l3) b3/16

B7 B9

123,7

B8

B4

0,00770

 (l3) b3/16

B7 B9

123,7

B8

B5

0,00770

 (l3) b3/16

B7 B9

123,7

B8

B6

0,00770

 (l3) b3/16

B7 B9

123,7

B8

B7

0,00770

b3/16 l3/59

B9

488,8

B8

B9

0,00770

 (l3) b3/75

B7

580,1

B8

B10

0,00770

 (l3) b3/16

B7 B9

123,7

B8

B11

0,00770

 (l3) b3/16

B7 B9

123,7

B8

B12

0,00770

 (l3) b3/16

B7 B9

123,7

B8

B13

0,00770

 (l3) b3/16

B7 B9

123,7

B8

B14

0,00770

 (l3) b3/16

B7 B9

123,7

B8

B15

0,00770

 (l3) b3/16

B7 B9

123,7

B9

B1

0,00770

b3/16

B8 B3 B6 B12 B15

123,7

B9

B2

0,00770

b3/16 b1/25

B8 B3 B6 B12 B15

317,1

B9

B3

0,00770

b3/16

B8 B6 B12 B15

123,7

B9

B4

0,00770

b3/16

B8 B3 B6 B12 B15

123,7

B9

B5

0,00770

b3/16 l2/9

B8 B3 B6 B12 B15

179,4

B9

B6

0,00770

b3/16

B8 B3 B12 B15

123,7

B9

B7

0,00770

b3/16

B8 B3 B6 B12 B15

123,7

B9

B8

0,00770

b3/75

B3 B6 B12 B15

580,1

B9

B10

0,00770

b3/16

B8 B3 B6 B12 B15

123,7

B9

B11

0,00770

b3/16 l4/9

B8 B3 B6 B12 B15

179,4

B9

B12

0,00770

b3/16

B8 B3 B6 B15

123,7

B9

B13

0,00770

b3/16

B8 B3 B6 B12 B15

123,7

B9

B14

0,00770

b3/16 (a1)

B8 B3 B6 B12 B15

123,7

B9

B15

0,00770

b3/16

B8 B3 B6 B12

123,7

B1

0,00770

b4/16

B11 B4 B7 B13

123,7

B10

B2

0,00770

b4/16 l1/9

B11 B1 B4 B7 B13

179,4

B10

B3

0,00770

b4/16

B11 B1 B4 B7 B13

123,7

B10

B4

0,00770

b4/16

B11 B1 B7 B13

123,7

B10

B5

0,00770

b4/16 b2/25

B11 B1 B4 B7 B13

317,1

B10

B6

0,00770

b4/16

B11 B1 B4 B7 B13

123,7

B10

B7

0,00770

b4/16

B11 B1 B4 B13

123,7

B10

B8

0,00770

b4/16 l3/9

B11 B1 B4 B7 B13

179,4

B10

B9

0,00770

b4/16

B11 B1 B4 B7 B13

123,7

B10

B11

0,00770

b4/75

B1 B4 B7 B13

580,1

B10

B12

0,00770

b4/16 (l4)

B11 B1 B4 B7 B13

123,7

B10

B13

0,00770

b4/16

B11 B1 B4 B7

123,7

B10

B14

0,00770

b4/16 l5/9

B11 B1 B4 B7 B13

179,4

B10

B15

0,00770

b4/16

B11 B1 B4 B7 B13

123,7

B11

B1

0,00770

 (l4) b4/16

B10 B12

123,7

B11

B2

0,00770

 (l4) b4/16

B10 B12

123,7

B11

B3

0,00770

 (l4) b4/16

B10 B12

123,7

B11

B4

0,00770

 (l4) b4/16

B10 B12

123,7

B11

B5

0,00770

 (l4) b4/16

B10 B12

123,7

B11

B6

0,00770

 (l4) b4/16

B10 B12

123,7

B11

B7

0,00770

 (l4) b4/16

B10 B12

123,7

B11

B8

0,00770

 (l4) b4/16

B10 B12

123,7

B11

B9

0,00770

 (l4) b4/16

B10 B12

123,7

B11

B10

0,00770

 (l4) b4/75

B12

580,1

B11

B12

0,00770

b4/16 l4/59

B10

488,8

B11

B13

0,00770

 (l4) b4/16

B10 B12

123,7

B11

B14

0,00770

 (l4) b4/16

B10 B12

123,7

B11

B15

0,00770

 (l4) b4/16

B10 B12

123,7

B12

B1

0,00770

l4/0,5

B11 B3 B6 B9 B15

3,1

B12

B2

0,00770

 (l4) b1/25

B11 B3 B6 B9 B15

193,4

B12

B3

0,00770

l4/0,5

B11 B6 B9 B15

3,1

B12

B4

0,00770

l4/0,5

B11 B3 B6 B9 B15

3,1

B12

B5

0,00770

l4/0,5 l2/25

B11 B3 B6 B9 B15

157,8

B12

B6

0,00770

l4/0,5

B11 B3 B9 B15

3,1

B12

B7

0,00770

l4/0,5

B11 B3 B6 B9 B15

3,1

B12

B8

0,00770

 (l4) b3/25

B11 B3 B6 B9 B15

193,4

B12

B9

0,00770

l4/0,5

B11 B3 B6 B15

3,1

B12

B10

0,00770

l4/0,5

B11 B3 B6 B9 B15

3,1

B12

B11

0,00770

l4/75

B3 B6 B9 B15

464,0

B12

B13

0,00770

l4/0,5

B11 B3 B6 B9 B15

3,1

B12

B14

0,00770

l4/0,5 a1/0,5

B11 B3 B6 B9 B15

3,1

B12

B15

0,00770

l4/0,5

B11 B3 B6 B9

3,1

B13

B1

0,00770

l5/0,5

B14 B4 B7 B10

3,1

B13

B2

0,00770

l5/0,5 l1/25

B14 B1 B4 B7 B10

157,8

B13

B3

0,00770

l5/0,5

B14 B1 B4 B7 B10

3,1

B13

B4

0,00770

l5/0,5

B14 B1 B7 B10

3,1

B13

B5

0,00770

 (l5) b2/25

B14 B1 B4 B7 B10

193,4

B13

B6

0,00770

l5/0,5

B14 B1 B4 B7 B10

3,1

B13

B7

0,00770

l5/0,5

B14 B1 B4 B10

3,1

B13

B8

0,00770

l5/0,5 l3/25

B14 B1 B4 B7 B10

157,8

B13

B9

0,00770

l5/0,5

B14 B1 B4 B7 B10

3,1

B13

B10

0,00770

l5/0,5

B14 B1 B4 B7

3,1

B13

B11

0,00770

 (l5) b4/25

B14 B1 B4 B7 B10

193,4

B13

B12

0,00770

l5/0,5

B14 B1 B4 B7 B10

3,1

B13

B14

0,00770

l5/75

B1 B4 B7 B10

464,0

B13

B15

0,00770

l5/0,5 a1/0,5

B14 B1 B4 B7 B10

3,1

B14

B1

0,00770

l5/0,5 a1/0,5

B13 B15

3,1

B14

B2

0,00770

l5/0,5 a1/0,5

B13 B15

3,1

B14

B3

0,00770

B13 B15

3,1

B14

B4

0,00770

l5/0,5 a1/0,5

B13 B15

3,1

B14

B5

0,00770

l5/0,5 a1/0,5

B13 B15

3,1

B14

B6

0,00770

l5/0,5 a1/0,5

B13 B15

3,1

B14

B7

0,00770

l5/0,5 a1/0,5

B13 B15

3,1

B14

B8

0,00770

l5/0,5 a1/0,5

B13 B15

3,1

B14

B9

0,00770

l5/0,5 a1/0,5

B13 B15

3,1

B14

B10

0,00770

l5/0,5 a1/0,5

B13 B15

3,1

B14

B11

0,00770

l5/0,5 a1/0,5

B13 B15

3,1

B14

B12

0,00770

l5/0,5 a1/0,5

B13 B15

3,1

B14

B13

0,00770

a1/0,5 l5/75

B15

464,0

B14

B15

0,00770

l5/0,5 a1/0,5

B13

3,1

B15

B1

0,00770

 (a1)

B14 B3 B6 B9 B12

0,0

B15

B2

0,00770

 (a1) b1/25

B14 B3 B6 B9 B12

193,4

B15

B3

0,00770

 (a1)

B14 B6 B9 B12

0,0

B15

B4

0,00770

 (a1)

B14 B3 B6 B9 B12

0,0

B15

B5

0,00770

a1/0,5 l2/25

B14 B3 B6 B9 B12

154,7

B15

B6

0,00770

 (a1)

B14 B3 B9 B12

0,0

B15

B7

0,00770

 (a1)

B14 B3 B6 B9 B12

0,0

B15

B8

0,00770

 (a1) b3/25

B14 B3 B6 B9 B12

193,4

B15

B9

0,00770

 (a1)

B14 B3 B6 B12

0,0

B15

B10

0,00770

 (a1)

B14 B3 B6 B9 B12

0,0

B15

B11

0,00770

a1/0,5 l4/25

B14 B3 B6 B9 B12

154,7

B15

B12

0,00770

 (a1)

B14 B3 B6 B9

0,0

B15

B13

0,00770

 (a1)

B14 B3 B6 B9 B12

0,0

B15

B14

0,00770

 (a1)

B3 B6 B9 B12

0,0

B1

1СШ

0,00043

l1/0,5

B2

0,2

B1

2СШ

0,00043

 (l1) b1/16

B2 B4 B7 B10 B13

6,8

B2

1СШ

0,00043

 (l1) b1/16

B1 B3

6,8

B2

2СШ

0,00043

 (l1) b1/16

B1 B3

6,8

B3

1СШ

0,00043

 (l1) b1/16

B2 B6 B9 B12 B15

6,8

B3

2СШ

0,00043

b1/16

B2

6,8

B4

1СШ

0,00043

b2/16

B5

6,8

B4

2СШ

0,00043

 (l2) b2/16

B5 B1 B7 B10 B13

6,8

B5

1СШ

0,00043

 (l2) b2/16

B4 B6

6,8

B5

2СШ

0,00043

 (l2) b2/16

B4 B6

6,8

B6

1СШ

0,00043

 (l2) b2/16

B5 B3 B9 B12 B15

6,8

B6

2СШ

0,00043

l2/0,5

B5

0,2

B7

1СШ

0,00043

l3/0,5

B8

0,2

B7

2СШ

0,00043

 (l3) b3/16

B8 B1 B4 B10 B13

6,8

B8

1СШ

0,00043

 (l3) b3/16

B7 B9

6,8

B8

2СШ

0,00043

 (l3) b3/16

B7 B9

6,8

B9

1СШ

0,00043

 (l3) b3/16

B8 B3 B6 B12 B15

6,8

B9

2СШ

0,00043

b3/16

B8

6,8

B10

1СШ

0,00043

b4/16

B11

6,8

B10

2СШ

0,00043

 (l4) b4/16

B11 B1 B4 B7 B13

6,8

B11

1СШ

0,00043

 (l4) b4/16

B10 B12

6,8

B11

2СШ

0,00043

 (l4) b4/16

B10 B12

6,8

B12

1СШ

0,00043

 (l4) b4/16

B11 B3 B6 B9 B15

6,8

B12

2СШ

0,00043

l4/0,5

B11

0,2

B13

1СШ

0,00043

l5/0,5

B14

0,2

B13

2СШ

0,00043

l5/0,5 a1/0,5

B14 B1 B4 B7 B10

0,2

B14

1СШ

0,00043

a1/0,5 l5/15

B13 B15

5,1

B14

2СШ

0,00043

l5/0,5 a1/0,5

B13 B15

0,2

B15

1СШ

0,00043

a1/0,5 l5/0,5

B14 B3 B6 B9 B12

0,2

B15

2СШ

0,00043

 (a1)

B14

0,0

1СШ

B1

0,03000


B4 B7 B10 B13

0,0

2СШ

B1

0,03000


B3 B6 B9 B12 B15

0,0

1СШ

B2

0,03000

l1/25

B1 B4 B7 B10 B13

603,3

2СШ

B2

b1/25

B3 B6 B9 B12 B15

754,1

1СШ

B3

0,03000


B1 B4 B7 B10 B13

0,0

2СШ

B3

0,03000


B6 B9 B12 B15

0,0

1СШ

B4

0,03000


B1 B7 B10 B13

0,0

2СШ

B4

0,03000


B3 B6 B9 B12 B15

0,0

1СШ

B5

0,03000

b2/25

B1 B4 B7 B10 B13

754,1

2СШ

B5

0,03000

l2/25

B3 B6 B9 B12 B15

603,3

1СШ

B6

0,03000


B1 B4 B7 B10 B13

0,0

2СШ

B6

0,03000


B3 B9 B12 B15

0,0

1СШ

B7

0,03000


B1 B4 B10 B13

0,0

2СШ

B7

0,03000


B3 B6 B9 B12 B15

0,0

1СШ

B8

0,03000

l3/25

B1 B4 B7 B10 B13

603,3

2СШ

B8

0,03000

b3/25

B3 B6 B9 B12 B15

754,1

1СШ

B9

0,03000


B1 B4 B7 B10 B13

0,0

2СШ

B9

0,03000


B3 B6 B12 B15

0,0

1СШ

B10

0,03000


B1 B4 B7 B13

0,0

2СШ

B10

0,03000


B3 B6 B9 B12 B15

0,0

1СШ

B11

0,03000

b4/25

B1 B4 B7 B10 B13

754,1

2СШ

B11

0,03000

l4/25

B3 B6 B9 B12 B15

603,3

1СШ

B12

0,03000


B1 B4 B7 B10 B13

0,0

2СШ

B12

0,03000


B3 B6 B9 B15

0,0

1СШ

B13

0,03000


B1 B4 B7 B10

0,0

2СШ

B13

0,03000


B3 B6 B9 B12 B15

0,0

1СШ

B14

0,03000

l5/25

B1 B4 B7 B10 B13

603,3

2СШ

B14

0,03000

 (a1)

B3 B6 B9 B12 B15

0,0

1СШ

B15

0,03000


B1 B4 B7 B10 B13

0,0

2СШ

B15

0,03000


B3 B6 B9 B12

0,0

1СШ

2СШ

0,00011


B1 B4 B7 B10 B13

0,0

2СШ

1СШ

0,00011


B3 B6 B9 B12 B15

0,0

Усього

50828,1736404471


Подальший розрахунок робимо аналогічно.

Розрахунок показників надійності головної схеми РУ СН (4/3)

Тип станції - АЕС; Uном, кВ - 330; Топ, год - 2,0

Устаткування

Параметр потоку

відмов 1/рік

Час. після відмови

Тв, ч.

Час на пл. ремонт Тр,

ч/рік

Вимикачі

0,2500

75

271

Система шин

0,0130

5

3


Отримано результати для вимикачів і систем шин:

Відмова

У період ремонту

W, 1/рік

ОП/Тв

ОВ

Wтиж., МВт год

B1


0,14000

l1/0,5

B2 B5 B9 B13

56,1

B2


0,14000

 (l1) b1/16

B1 B3

2245,7

B3


0,14000

 (l2) b1/16

B2 B4

2245,7

B4


0,14000

l2/0,5

B3 B8 B12 B14

56,1

B5


0,14000

b2/16

B6 B1 B9 B13

2245,7

B6


0,14000

 (l3) b2/16

B5 B7

2245,7

B7


0,14000

 (l3) b3/16

B6 B8

2245,7

B8


0,14000

b3/16

B7 B4 B12 B14

2245,7

B9


0,14000

l4/0,5

B10 B1 B5 B13

56,1

B10


0,14000

 (l4) b4/16

B9 B11

2245,7

B11


0,14000

 (l5) b4/16

B10 B12

2245,7

B12


0,14000

l5/0,5

B11 B4 B8 B14

56,1

B13


0,14000

 (a1)

B14 B1 B5 B9

0,0

B14


0,14000

 (a1)

B13 B4 B8 B12

0,0

1СШ


0,02900


B1 B5 B9 B13

0,0

2СШ


0,02900


B4 B8 B12 B14

0,0

1СШ

B1

0,02300


B5 B9 B13

0,0

2СШ

B1

0,02300


B4 B8 B12 B14

0,0

1СШ

B2

0,02300

l1/20

B1 B5 B9 B13

360,3

2СШ

B2

0,02300


B4 B8 B12 B14

0,0

1СШ

B3

0,02300


B1 B5 B9 B13

0,0

2СШ

B3

0,02300

l2/20

B4 B8 B12 B14

360,3

1СШ

B4

0,02300


B1 B5 B9 B13

0,0

2СШ

B4

0,02300


B8 B12 B14

0,0

1СШ

B5

0,02300


B1 B9 B13

0,0

2СШ

B5

0,02300


B4 B8 B12 B14

0,0

1СШ

B6

0,02300

b2/20

B1 B5 B9 B13

450,4

2СШ

B6

0,02300


B4 B8 B12 B14

0,0

1СШ

B7

0,02300


B1 B5 B9 B13

0,0

2СШ

B7

0,02300

b3/20

B4 B8 B12 B14

450,4

1СШ

B8

0,02300


B1 B5 B9 B13

0,0

2СШ

B8

0,02300


B4 B12 B14

0,0

1СШ

B9

0,02300


B1 B5 B13

0,0

2СШ

B9

0,02300


B4 B8 B12 B14

0,0

B10

0,02300

l4/20

B1 B5 B9 B13

360,3

2СШ

B10

0,02300


B4 B8 B12 B14

0,0

1СШ

B11

0,02300


B1 B5 B9 B13

0,0

2СШ

B11

0,02300

l5/20

B4 B8 B12 B14

360,3

1СШ

B12

0,02300


B1 B5 B9 B13

0,0

2СШ

B12

0,02300


B4 B8 B14

0,0

1СШ

B13

0,02300


B1 B5 B9

0,0

2СШ

B13

0,02300

 (a1)

B4 B8 B12 B14

0,0

1СШ

B14

0,02300

 (a1)

B1 B5 B9 B13

0,0

2СШ

B14

0,02300


B4 B8 B12

0,0

1СШ

2СШ

0,00007


B1 B5 B9 B13

0,0

2СШ

1СШ

0,00007


B4 B8 B12 B14

0,0

Усього

44091,0562127092


Розрахунок показників надійності головної схеми РУ ВН (3/2)

Тип станції - АЕС; Uном, кВ - 750; Топ, год - 2,0

Устаткування

Параметр потоку

відмов, 1/рік

Час восст. після

відмови Тв, ч.

Час на пл. ремонт Тр, ч/рік

Вимикачі

0,2500

75

271

Система шин

0,0100

6

5


Отримано результати для вимикачів і систем шин:

Відмова

У період ремонту

W, 1/рік

ОП/Тв

ОВ

Wтиж., МВт год

B1


0,15000

l1/0,5

B2 B4 B7 B10

62,0

B2


0,15000

 (l1) b1/16

B1 B3

2478,5

B3


0,15000

b1/16

B2 B6 B9 B12

2478,5

B4


0,15000

b2/16

B5 B1 B7 B10

2478,5

B5


0,15000

 (l2) b2/16

B4 B6

2478,5

B6


0,15000

l2/0,5

B5 B3 B9 B12

62,0

B7


0,15000

l3/0,5

B8 B1 B4 B10

62,0

B8


0,15000

 (l3) b3/16

B7 B9

2478,5

B9


0,15000

b3/16

B8 B3 B6 B12

2478,5

B10


0,15000

a1/0,5

B11 B1 B4 B7

15,5

B11


0,15000

a1/0,5 l4/0,5

B10 B12

77,5

B12


0,15000

l4/0,5

B11 B3 B6 B9

62,0

1СШ


0,02500


B1 B4 B7 B10

0,0

2СШ


0,02500


B3 B6 B9 B12

0,0

1СШ

B1

0,01500


B4 B7 B10

0,0

2СШ

B1

0,01500


B3 B6 B9 B12

0,0

1СШ

B2

0,01500

l1/24

B1 B4 B7 B10

285,1

2СШ

B2

0,01500

b1/24

B3 B6 B9 B12

356,4

1СШ

B3

0,01500


B1 B4 B7 B10

0,0

2СШ

B3

0,01500


B6 B9 B12

0,0

1СШ

B4

0,01500


B1 B7 B10

0,0

2СШ

B4

0,01500


B3 B6 B9 B12

0,0

1СШ

B5

0,01500

b2/24

B1 B4 B7 B10

356,4

2СШ

B5

0,01500

l2/24

B3 B6 B9 B12

285,1

1СШ

B6

0,01500


B1 B4 B7 B10

0,0

2СШ

B6

0,01500


B3 B9 B12

0,0

1СШ

B7

0,01500


B1 B4 B10

0,0

2СШ

B7

0,01500


B3 B6 B9 B12

0,0

1СШ

B8

0,01500

l3/24

B1 B4 B7 B10

285,1

2СШ

B8

0,01500

b3/24

B3 B6 B9 B12

356,4

1СШ

B9

0,01500


B1 B4 B7 B10

0,0

2СШ

B9

0,01500


B3 B6 B12

0,0

1СШ

B10

0,01500


B1 B4 B7

0,0

2СШ

B10

0,01500


B3 B6 B9 B12

0,0

1СШ

B11

0,01500

a1/24

B1 B4 B7 B10

71,3

2СШ

B11

0,01500

l4/24

B3 B6 B9 B12

285,1

1СШ

B12

0,01500


B1 B4 B7 B10

0,0

2СШ

B12

0,01500


B3 B6 B9

0,0

1СШ

2СШ

0,00009


B1 B4 B7 B10

0,0

2СШ

1СШ

0,00009


B3 B6 B9 B12

0,0

Усього

35548,0950403431


Розрахунок показників надійності головної схеми РУ ВН (4/3)

Тип станції - АЕС; Uном, кВ - 750; Топ, год - 2,0

Устаткування

Параметр потоку

відмов, 1/рік

Час після

відмови Тв, ч.

Час на пл. ремонт Тр, ч/рік

Вимикачі

0,2500

75

271

Система шин

0,0100

6

5


Отримано результати для вимикачів і систем шин:

Відмова


W, 1/рік

ОП/Тв

ОВ

Wтиж., МВт год

B1


0,16000

l1/0,5

B2 B5 B9

65,3

B2


0,16000

 (l1) b1/16

B1 B3

2611,4

B3


0,16000

 (l2) b1/16

B2 B4

2611,4

B4


0,16000

l2/0,5

B3 B8 B11

65,3

B5


0,16000

l3/0,5

B6 B1 B9

65,3

B6


0,16000

 (l3) b2/16

B5 B7

2611,4

B7


0,16000

B6 B8

2611,4

B8


0,16000

l4/0,5

B7 B4 B11

65,3

B9


0,16000

b3/16

B10 B1 B5

2611,4

B10


0,16000

 (a1) b3/16

B9 B11

2611,4

B11


0,16000

a1/0,5

B10 B4 B8

16,3

1СШ


0,02000


B1 B5 B9

0,0

2СШ


0,02000


B4 B8 B11

0,0

1СШ

B1

0,01000


B5 B9

0,0

2СШ

B1

0,01000


B4 B8 B11

0,0

1СШ

B2

0,01000

l1/18

B1 B5 B9

147,0

2СШ

B2

0,01000


B4 B8 B11

0,0

1СШ

B3

0,01000


B1 B5 B9

0,0

2СШ

B3

0,01000

l2/18

B4 B8 B11

147,0

1СШ

B4

0,01000


B1 B5 B9

0,0

2СШ

B4

0,01000


B8 B11

0,0

1СШ

B5

0,01000


B1 B9

0,0

2СШ

B5

0,01000


B4 B8 B11

0,0

1СШ

B6

0,01000

l3/18

B1 B5 B9

147,0

2СШ

B6

0,01000


B4 B8 B11

0,0

1СШ

B7

0,01000


B1 B5 B9

0,0

2СШ

B7

0,01000

l4/18

B4 B8 B11

147,0

1СШ

B8

0,01000


B1 B5 B9

0,0

2СШ

B8

0,01000


B4 B11

0,0

1СШ

B9

0,01000


B1 B5

0,0

2СШ

B9

0,01000


B4 B8 B11

0,0

1СШ

B10

0,01000

b3/18

B1 B5 B9

183,8

2СШ

B10

0,01000

a1/18

B4 B8 B11

36,8

1СШ

B11

0,01000


B1 B5 B9

0,0

2СШ

B11

0,01000


B4 B8

0,0

1СШ

2СШ

0,00005


B1 B5 B9

0,0

2СШ

1СШ

0,00005


B4 B8 B11

0,0

Усього

32285,6627673157



9.2 Техніко-економічне зіставлення варіантів розглянутих схем


Основним критерієм оптимальності обраного варіанта є мінімум наведених витрат Зmin.

Зmin = Рн ´ ДО + И + В, (руб./рік)

де: Рн = 1/Тн = 0,12 - нормативний коефіцієнт технічної ефективності;

Тн - нормативний строк окупності;

К - капітальні вкладення, необхідні для здійснення схеми, обумовлені за укрупненими показниками вартості встаткування (укрупнена вартість осередків РУ);

И - щорічні експлуатаційні витрати;

І = 0,063 ДО + 0,025 ДО + Ипот. (руб./рік)

0,063 ДО - щорічні амортизаційні відрахування, прийняті рівними 6,3% від капітальних вкладень (руб./рік);

0,025 ДО - щорічні річні витрати на поточні ремонти й зарплату експлуатаційного персоналу, прийняті рівними 2,5% від капітальних вкладень (руб./рік);

Ипот. - річні витрати, викликані втратами електроенергії в електроустановках (руб./рік);

У - збиток від недовиробітку електроенергії.

В = W тиж. ´ С тиж,

Стиж. - вартість недовиробітку (= 0,12 грн/кВт ч)

РУ-330 кВ (3/2)

Зmin = Рн ´ К + И + В=

= (0.12*287200*15) +0.063*287200*15+0.025*287200*15+50828173*0.12 =6530180 грн

РУ-330 кВ (4/3)

Зmin = Рн ´ К + И + В=

= (0.12*287200*14) +0.063*287200*14+0.025*287200*14+44091056*0.12 =6127253 грн

РУ-750 кВ (3/2)

Зmin = Рн ´ К + И + В=

= (0.12*452000*12) +0.063*452000*12+0.025*452000*12+35548095*0.12 =5393963 грн

РУ-750 кВ (4/3)

Зmin = Рн ´ К + И + В=

= (0.12*452000*11) +0.063*452000*11+0.025*452000*11+32285663*0.12 =4908455 грн

На підставі розрахункових даних по наведених витратах вибираємо:

Þдля ОРУ-330 кВ схема 4/3;

Þдля ОРУ-750 кВ схема 4/3.

Сиротенко2

Література


1.   "Електрична частина станцій і підстанцій" Підручник/ О.А. Васильєв і ін. - 2-е видання, перероблене й доповнене. - К., 2000

2.   Рожкова Л.Д., Козулін В.С. Електроустаткування станцій і підстанцій. Підручник для технікумів. - К., 2006

3.   Неклепаєв Б.Н., Крючков Н.П. Електрична частина електростанцій і підстанцій. Довідкові матеріали для курсового й дипломного проектування. Підручник. - К., 1989

4.   Двоскин П.Н. Схемы и конструкции распределительных устройств - 3-е изд. М.: Энергоатомиздат, 1985

5.   Гук Ю.Б. и др. Проектирование электрических станций и подстанций. Учебное пособие для ВУЗов / Ю.Б. Гук, В.В. Колтан, С.С. Петров. - М., 1985

Похожие работы на - Вибір схеми видачі потужності електростанції типу АЕС

 

Не нашли материал для своей работы?
Поможем написать уникальную работу
Без плагиата!
Без нейросетей!