Електричний розрахунок освітлювальних мереж
Курсова робота
на тему:
«Електричний
розрахунок освітлювальних мереж»
Завдання
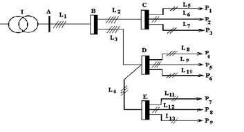
Рис. 1
Принципова електрична схема живлення мережі освітлення
Розрахувати
на мінімум провідникового матеріалу освітлювальну мережу, схема якої приведена
на рис. 1, для чого:
1.
Накреслити схему мережі і нанести на неї вихідні дані згідно свого
варіанта.
2.
Визначити допустиму утрату напруги в мережі.
3.
Для кожної ділянки мережі розрахувати момент навантаження в
.
4.
Визначити приведений момент навантаження для головної ділянки
(А-В).
5.
Розрахувати переріз кабелю головної ділянки.
6.
Вибрати стандартну величину перерізу кабелю головної ділянки.
7.
Розрахувати дійсну утрату напруги на головній ділянці по обраному
перерізу і значенню моменту навантаження головної ділянки.
8.
Визначити розрахункові утрати напруги для наступних ділянок по
формулі:
9.
Розрахувати переріз наступних ділянок ВС, BD, та DE по
і відповідним приведеним моментам
навантаження. Вибрати стандартні перерізи.
10.
Визначити фактичні утрати напруги на ділянках ВС, BD, та DE.
11.
Визначити розрахункові утрати напруги для наступних ділянок за ВС,
BD, та DE і розрахувати
їхні перерізи і дійсні утрати напруги.
12.
Перевірити всі вибрані перерізи по допустимому нагріванні і у
випадку не виконання умови на якій-небудь із ділянок, збільшити його переріз і
перерахувати наступну за даною ділянкою мережі по допустимій утраті напруги.
13.
На розрахунковій схемі для кожної ділянки вказати переріз проводу
чи кабелю і величину дійсних утрат.
Напругу
живлення прийняти рівною 380/220 В.
Вихідні
дані
Таблиця
1 – Параметри трансформатора та мережі живлення
|
Трансформатор
|
Мережа живлення
|
|
|
|
|
|
|
|
|
|
|
|
1600
|
18
|
6,6%
|
0,9
|
0,95
|
170
|
56
|
46
|
21
|
Таблиця
2 – Параметри групової мережі живлення
|
Групова мережа
|
|
|
|
|
|
|
|
|
|
|
|
|
11
|
42
|
20
|
35
|
30
|
2,5
|
3,5
|
1,5
|
4,5
|
3
|
1.
Допустима втрата напруги в мережі
·
формула для розрахунку:
;
·
її складові:
,
;
;
Тоді:
·
втрати напруги в трансформаторі:
·
допустимі втрати напруги в мережі:
2.
Для кожної ділянки мережі розраховуємо момент навантаження в
.
Результати
розрахунків зводимо в табл. 3.
Таблиця
3 – Моменти навантаження
|
|
1
|
2
|
3
|
4
|
5
|
6
|
7
|
8
|
9
|
DE
|
BD
|
BC
|
AB
|
|
|
2,5
|
3,5
|
1,5
|
2,5
|
3,5
|
1,5
|
4,5
|
4,5
|
3
|
12
|
19,5
|
7,5
|
27
|
|
|
11
|
11
|
11
|
42
|
42
|
42
|
20
|
35
|
30
|
21
|
46
|
56
|
170
|
|
|
27,5
|
38,5
|
16,5
|
105
|
147
|
63
|
90
|
157,5
|
90
|
252
|
897
|
420
|
4590
|
3.
Приведений момент навантаження для головної ділянки (АВ):
Потрібний
переріз жил кабеля головної ділянки:

5.
Дійсна втрата напруги на головній ділянці:
6.
Розрахункові втрати напруги для наступних ділянок:
7.
Переріз жил кабеля ділянок ВС, BD та DE:
Ділянка
ВС.
Приведений
момент навантаження:
Потрібний
переріз жил кабеля:
Стандартна
величина перерізу жил кабеля:
Дійсна
втрата напруги:
Розрахункові
втрати напруги для 1–3 ділянок:
Ділянка
BD.
Приведений
момент навантаження:
Потрібний
переріз жил кабеля:
Стандартна
величина перерізу жил кабеля:
Дійсна
втрата напруги:
Розрахункові
втрати напруги для наступних ділянок:
Ділянка
DE.
Приведений
момент навантаження:
Потрібний
переріз жил кабелю:
Стандартна
величина перерізу жил кабелю:
Дійсна
втрата напруги:
Розрахункові
втрати напруги для 7–9 ділянок:
9.
Визначаємо розрахунковий
та вибираємо
стандартний
переріз жил провідників 1–9 ділянок.
Формула
для розрахунку:
;
;
;
;
;
;
;
;
.
Результаті
розрахунку зводимо в табл. 4.
Таблиця
4 – Розрахунок перерізів жил провідників
|
|
1
|
2
|
3
|
4
|
5
|
6
|
7
|
8
|
9
|
|
|
27,5
|
38,5
|
16,5
|
105
|
147
|
63
|
90
|
90
|
|
|
12
|
12
|
12
|
32
|
32
|
32
|
12
|
12
|
12
|
|
|
1,55
|
1,55
|
1,55
|
2,68
|
2,68
|
2,68
|
1,88
|
1,88
|
1,88
|
|
|
1,49
|
2,07
|
0,89
|
1,22
|
1,71
|
0,73
|
3,98
|
6,98
|
3,98
|
|
|
1,5
|
2,5
|
1
|
1,5
|
2
|
1
|
4
|
10
|
6
|
10.
Дійсна витрата напруги на 1–9 ділянках
Формула
для розрахунку:
;
;
;
;
;
;
;
;
.
Результати
розрахунку зводимо в табл. 5, а отримані значення
вказуємо
на рис. 1.
Таблиця
5 – Розрахунок дійсних втрат напруги в 1–9 ділянках
|
|
1
|
2
|
3
|
4
|
5
|
6
|
7
|
8
|
9
|
|
|
27,5
|
38,5
|
16,5
|
105
|
147
|
90
|
157,5
|
90
|
|
|
12
|
12
|
12
|
32
|
32
|
32
|
12
|
12
|
12
|
|
|
1,5
|
2,5
|
1
|
1,5
|
2
|
1
|
4
|
10
|
6
|
|
|
1,53
|
1,28
|
1,38
|
2,19
|
2,3
|
1,97
|
1,8
|
1,31
|
1,07
|
11.
Розрахункові значення струмів окремих ділянок
Для
визначення розрахункових струмів окремих ділянок використовуємо формули:
– для
ділянок АВ, ВС, BD:
;
– для ділянок DE, 4–6:
;
– для
ділянок 1–3, 7–9:
.
;
;
;
;
;
;
;
;
;
.
Результати
розрахунків зводимо в табл. 6.
Таблиця
6 – Розрахункові значення струмів окремих ділянок
|
|
1
|
2
|
3
|
4
|
5
|
6
|
7
|
8
|
9
|
DE
|
BD
|
BC
|
AB
|
|
|
11,9
|
16,7
|
7,2
|
8
|
11,2
|
21,5
|
21,5
|
14
|
19
|
31
|
12
|
43,2
|
12.
Вибір виду провідника та перевірка вибраних перерізів провідників за допустимим
нагріванням
При
виборі допустимих значень струмів використовуємо додатки В, Г, Д, Е.
Результати
вибору зводимо в табл. 7 та табл. 8.
Рис. 2
Принципова електрична схема мережі освітлення з вихідними даними та
результатами розрахунків
Таблиця
7 – Вибір провідників та допустимих значень струмів для ділянок АВ, ВС, BD, DE
|
AB
|
BC
|
BD
|
DE
|
|
Вид провідни-ка
|
кабель
чотирижильний
з алюмінієвими
жилами
|
кабель
чотирижильний
з алюмінієвими
жилами
|
кабель
чотирижильний
з алюмінієвими
жилами
|
кабель
чотирижильний
з алюмінієвими
жилами
|
|
Спосіб
прокладання
|
у повітрі
|
у повітрі
|
у повітрі
|
у повітрі
|
|
|
16
|
2,5
|
10
|
4
|
|
|
43,2
|
12
|
31
|
19
|
|
|
|
|
|
|
Таблиця
8 – Вибір провідників та допустимих значень струмів для ділянок 1–9
|
|
1
|
2
|
3
|
4
|
5
|
6
|
7
|
8
|
9
|
|
Вид провідника
|
провід з
полівінілхлоридною ізоляцією
|
|
Спосіб прокладання
|
відкрито
|
1,5
|
2,5
|
1
|
1,5
|
2
|
1
|
4
|
10
|
6
|
|
|
11,9
|
16,7
|
7,2
|
8
|
11,2
|
4,8
|
21,5
|
21,5
|
14
|
|
|
23
|
30
|
17
|
23
|
26
|
17
|
41
|
80
|
50
|
Умова
для всіх ділянок освітлювальної мережі
виконується – перевірка вибраних перерізів провідників за допустимим
нагріванням є задовільною.
Висновок
В
даній розрахунково-графічній роботі розрахували на мінімум провідникового
матеріалу освітлювальну мережу, схема якої була приведена на рис. 1.
Визначили допустиму утрату напруги в мережі, що становить
. Для кожної ділянки мережі розрахували
момент навантаження, результати розрахунку в таблиці 3 – Моменти навантаження.
Визначили
приведений момент навантаження для головної ділянки (А-В), що становить
. Розрахували переріз кабеля головної
ділянки, що дорівнює
та перерізи всіх інших
ділянок. Визначили розрахункові та фактичні втрати напруги для всіх заданих
ділянок, визначили переріз кабелю на всіх заданих ділянках, результаті
розрахунку занесли в таблиці 7, 8.