Эпюра внутренних сил

  • Вид работы:
    Контрольная работа
  • Предмет:
    Физика
  • Язык:
    Русский
    ,
    Формат файла:
    MS Word
    78,60 kb
  • Опубликовано:
    2009-12-22
Вы можете узнать стоимость помощи в написании студенческой работы.
Помощь в написании работы, которую точно примут!

Эпюра внутренних сил

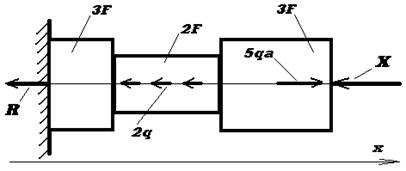
Задача №1


а = 0,5 м

q = 10 kH/м

F = 2,5 cм2

Е = 2×105 Мпа

DL -?, N -?, s -?

Решение.

Данная задача является статически неопределимой, так как её нельзя решить при помощи только уравнений статики (уравнений равновесия). Недостающее уравнение составим из условия деформаций. Для этого отбросим одну из заделок (правую) и заменим её действие неизвестной реактивной силой Х. Реакцию левой опоры примем R.


В данном случае можно составить только одно уравнение равновесия:

SХ = 0; 5qa - 2q×2a - R - X = 0;

X + R = qa (1)

Дополнительное уравнение составляем из условия, что общая длина стержня с жесткими заделками по концам не может измениться, следовательно: DL = 0:

Общее удлинение DL найдем как сумму удлинений от каждой из сил. Реактивная сила Х сжимает все три части составного стержня. Сосредоточенная сила 5qa растягивает левую и среднюю части, а также половину правой части стержня. Нагрузка 2q как равномерно распределенная сжимает среднюю часть стержня, затем как сосредоточенная сила 2q×2a сжимает левую часть. Реакция левой заделки R не влияет на деформацию стержня. Таким образом, имеем:

2Х×а + 5qa2 = 0; X = 2,5×qa = 2,5×10×0,5 = 12,5 Кн

Из уравнения (1) находим:

R = qa - 2,5×qa = -1,5×qa = -1,5×10×0,5 = -7,5 Кн

Зная реакции заделок и действующие нагрузки, строим эпюру внутренних сил N:


Для построения и эпюры напряжений s делим значение внутренней силы в каждой точке на площадь сечения. В местах изменения поперечного сечения будут происходить скачки напряжения из-за резкого изменения площади:

Похожие работы на - Эпюра внутренних сил

 

Не нашли материал для своей работы?
Поможем написать уникальную работу
Без плагиата!
Без нейросетей!