Электроснабжение деревни Анисовка

  • Вид работы:
    Курсовая работа (т)
  • Предмет:
    Физика
  • Язык:
    Русский
    ,
    Формат файла:
    MS Word
    207,11 kb
  • Опубликовано:
    2010-06-11
Вы можете узнать стоимость помощи в написании студенческой работы.
Помощь в написании работы, которую точно примут!

Электроснабжение деревни Анисовка

ТЮМЕНСКАЯ ГОСУДАРСТВЕННАЯ СЕЛЬСКОХОЗЯЙСТВЕННАЯ АКАДЕМИЯ

Факультет электрификации и автоматизации сельского хозяйства

Кафедра энергообеспечения с/х








Курсовой проект

по дисциплине

Электроснабжение сельского хозяйства

Тема: Электроснабжение деревни Анисовка


Выполнил студент гр. Э-047 «б»___________ Шипицин Ю.А.






Тюмень 2006

Содержание

ЗАДАНИЕ

Нагрузки 0,4 кВ

Введение

Расчет электрических нагрузок

Определение электрических нагрузок линий 0.38 кВ ТП-1

Линия Л1

Линия Л2

Линия Л3

Линия Л4

Определение нагрузки линии 0,38кВ ТП-2

Расчет для участков линий 0,38 кВ и трансформаторных подстанций полных мощностей, токов и коэффициентов мощности

Линия Л1

Выбор потребительских трансформаторов

Электрический расчет воздушных линий 10 кВ

Выбор сечения проводов

Участок линии 10 кВ № 0-1

Участок линии 10 кВ № 1-2

Участок линии 10 кВ № 1-3

Расчет основные технические характеристики проводов

Расчет потерь напряжения на участках

Участок линии 10 кВ № 0-1

Участок линии 10 кВ № 1-2

Участок линии 10 кВ № 1-3

Потери электрической энергии на участках

Участок линии 10 кВ № 0-1

Участок линии 10 кВ № 1-2

Участок линии 10 кВ № 1-3

Электрический расчет линий напряжением 0,38 кВ

Участок Л1

Участок 1-2

Участок 3-4

Участок 5-6

Участок Л2

Участок 1-2

Участок 3-4

Участок 5-6

Участок Л3

Участок 1-2

Участок 3-4

Участок 5-6

Участок Л4

Участок 1-2

Участок 3-4

Основные технические характеристики проводов

Расчет потерь напряжения на участках

Участок Л1

Участок линии Л2

Участок линии Л3

Участок линии Л4

Потери электрической энергии на участках

Участок линии Л1

Участок линии Л2

Участок линии Л3

Участок линии Л4

Расчет ТП-2.

Участок Л1

Участок 1-2

Участок 3-4

Основные технические характеристики проводов

Расчет потерь напряжения на участках

Участок Л1

Участок линии 1-2

Участок линии 3-4

Потери электрической энергии на участках

Участок линии Л1

Участок линии 1-2

Участок линии 3-4

Расчет токов короткого замыкания

Схема замещения электропередачи для расчета токов короткого замыкания

Ток минимального однофазного короткого замыкания в конце линии 0,38 кВ

Защита линии 0,38 кВ от токов короткого замыкания и перегрузки. 30

Линия Л1

Расчет заземляющего устройства

Расчет молниезащиты

Заключение

Литература



Введение

Вместе с развитием электроэнергетики страны стала развиваться электрификация сельских районов. На первых порах она сводилась главным образом к обеспечению в селе электрического освещения, но постепенно электроэнергия во все возрастающих объемах стала внедряться и в технологические процессы сельскохозяйственного производства. Сельская электрификация обеспечивалась в основном строительством мелких колхозных и совхозных гидроэлектростанций и тепловых электростанций на местном топливе, а с 50-х годов в стране началось широкое строительство сельских электрических сетей, присоединенным к мощным государственным энергосистемам. Дальнейшее развитие электрификации сельскохозяйственных объектов неразрывно связано с повышением качества и надежности поставляемой электрической энергии. На сегодняшний день без большого преувеличения можно сказать, что без электроэнергии не обходится ни один технологический процесс. Электроэнергия так тесно вплелась в сегодняшнее производство, что первоочередной задачей при проектировании тех или иных технологических процессов является электрификация — расчет и создание качественной, надежной и в тоже время простой и дешевой, удовлетворяющей поставленным требованиям системы энергоснабжения. Именно такую систему энергоснабжения деревни Анисовка я рассчитаю в данном курсовом проекте.

Расчет электрических нагрузок


Определение электрических нагрузок линий 0.38 кВ ТП-1

 

Линия Л1:

При количестве потребителей 18 коэффициент одновременности Ко=0,34.

Линия Л2:

При количестве потребителей 16 коэффициент одновременности Ко=0,34.

Линия Л3:

При количестве потребителей 11 коэффициент одновременности Ко=0,42.

Линия Л4:

При количестве потребителей 11 коэффициент одновременности Ко=0,42.

Тогда нагрузки:

Рд= Ко Σ Рдi ;                 Рв= Ко Σ Рвi ;        Qд= Ко ΣQдi ;        Qв= Ко ΣQвi .

В случаях,когда установленные мощности нагрузок отличаются по величине более чем в 4 раза и носят разнообразный характер,то для их определения воспользуемся методом суммирования с добавками:

Рдд. наиб.+ Рдi ;      Рвв. наиб.+ Рвi ;

Qд= Qд. наиб.+ Qдi ;    Qв= Qв. наиб.+ Qвi ;

Итого по линии Л1, Л2,Л3 и Л4:

Рд=24+23+18+26=91 кВт;                Рв=37+37+29+36=139 кВт;

Qд=7+8+6+11=32 кВар;                   Qв=10+11+6+9=36 кВар

Уличное освещение:

Длина линии Л1 составляет 172*8+262*2=1900 М.

Удельную мощность принимаем на уровне 0.003 кВт/М длины линии. Тогда полная мощность Sв=1900·0,003·1,2=6,84 кВА (1,2 это +20% для ПРА), следовательно:

Рв=S·cosφ=6,84·0.9=6,156кВт (cosφ=0.9 ПРА с компенсаторами);

Qв= S- Рв=6,84-6,156=0,684 кВар.

Результаты расчетов сведем в таблицу №1

Линии

Потребители

Ко-во, шт

Ко

Активная нагрузка, кВт

Реактивная нагрузка, кВар

На вводе

Расчетная

На вводе

Расчетная

Рдi

Рвi

Рдi

Рвi

Qдi

Qвi

Qдi

Qвi

Л1

Жилой дом

17

0,34

3,5

6

20,2

34,7

1,15

1,5

6,6

8,7

Детский сад

1

0,34

12

8

4,1

2,7

6

4

2

1,4

Расчетная нагрузка Л1

-

-

-

-

24,3

37,4

-

-

6,6

10

Л2

Жилой дом

15

0,34

3,5

6

17,9

30,6

1,15

1,5

5,9

7,7

Школа

1

0,34

14

20

4,8

6,8

7

10

2,4

3,4

Расчетная нагрузка Л2

-

-

-

-

22,6

37,4

-

-

7,6

10,6

Л3

Жилой дом

10

0,42

3,5

6

14,7

25,2

1,15

1,5

4,8

6,3

Баня

1

0,42

8

5

3,4

2,1

8

5

3,4

2,1

Расчетная нагрузка Л3

-

-

-

-

18

28,6

-

-

5,6

5,6

 

 

 Л4

Жилой дом

8

0,42

3,5

6

11,8

20,2

1,15

1,5

3,9

5

Корпус интерната

1

0,42

8

14

3,4

5,9

5

7

2,1

2,9

Клуб

1

0,42

5

14

2,1

5,9

3

8

1,3

3,4

Столовая

1

0,42

20

10

8,4

4,2

10

4

4,2

1,7

Расчетная нагрузка Л4

-

-

-

-

25,6

36,1

-

-

10,6

8,6

Итого по Л1, Л2 и Л3

-

-

-

-

90,8

139,5

-

-

30,4

34,8

Уличное освещение

-

1

-

-

-

6,2

-

-

-

0,7

Нагрузка ТП-1

-

-

-

-

90,8

145,7

-

-

30,4

35,5

Определение нагрузок линий 0,38 кВ и ТП-1             Таблица №1

Определение нагрузки линии 0,38кВ ТП-2


Расчет проводим аналогично расчету нагрузок ТП-1:

Рд= Ко Σ Рдi ;                 Рв= Ко Σ Рвi ;        Qд= Ко ΣQдi ;        Qв= Ко ΣQвi .

В случаях, когда установленные мощности нагрузок отличаются по величине более чем в 4 раза и носят разнообразный характер, то для их определения воспользуемся методом суммирования с добавками:

Рдд. наиб.+ Рдi ;      Рвв. наиб.+ Рвi ;

Qд= Qд. наиб.+ Qдi ;    Qв= Qв. наиб.+ Qвi ;

При количестве производственных потребителей 4 коэффициент одновременности Ко =0,8.

Итого по линии:

 

Рд= 71,2 кВт ;                Рв= 29 кВт ;          Qд= 52,8 кВар ;   Qв= 25,4 кВар;

Наружное освещение зданий.

Длина периметра территории (237+239)*2=952 М.

Удельную мощность принимаем на уровне 0.003 кВт/М периметра.

Тогда полная мощность Sв=952·0,003·1,2=3,4 кВА (1,2 это +20% для ПРА), следовательно:

Рв=S·cosφ=3,4·0.9=3,06 кВт (cosφ=0.9 ПРА с компенсаторами);

Qв= S- Рв=3,4-3,06=0,34 кВар.

Результаты расчетов сведем в таблицу №2

Определение нагрузок ТП-2                                                          Таблица №2

Потребители

Ко-во, шт

Ко

Активная нагрузка, кВт

Реактивная нагрузка, кВар

На вводе

Расчетная

На вводе

Расчетная

Рдi

Рвi

Рдi

Рвi

Qдi

Qвi

Qвi

Коровник

1

0,8

30

26

24

20,8

26

23

20,8

18,4

Молочный блок

1

0,8

25

25

20

20

12

12

9,6

9,6

Кормоприготовительное отделение

1

0,8

25

25

20

20

20

 20

16

16

Ремонтная мастерская

1

0,8

9

4,5

7,2

3,6

8

4

6,4

3,2

Итого

71,2

 29

52,8

25,4

Наружное освещение

1

3,06

0,34

Нагрузка ТП-2

71,2

32,06

52,8

25,74

Расчет для участков линий 0,38 кВ и трансформаторных подстанций полных мощностей, токов и коэффициентов мощности


Sд=;                Sв=;

Iд= Sд/(·Uном);            Iв= Sв/(·Uном);

cos= Рд\ Sд ;              cos= Рв\ Sв ;

Линия Л1


Sд===25 кВА;

Sв===38 кВА;

Iд= Sд/(·Uном)= 25/(·0,38)=39 А;

Iв= Sв/(·Uном)= 38/(·0,38)=59 А;

cos= Рд/ Sд =24/25=0,96;

cos= Рв/ Sв =37/38=0,97.

аналогично находим для линий Л2, Л3, Л4 и трансформаторных подстанций ТП-1 и ТП-2.

Результаты расчетов сведем в таблицу №3

Сводные данные расчета нагрузок в сетях 0,38 кВ                                таблица №3

Элементы сети

Мощность

Ток, А

Коэф. мощности

Активная, кВт

Реактивная, кВар

Полная, кВА

Рд

Рв

Од

Qв

Sд

Sв

Iд

Iв

cos

cos

Л1

24

37

7

10

25

 38

39

59

0,96

0,97

Л2

23

37

8

11

24

39

37

60

0,96

0,95

Л3

18

29

6

6

19

30

29

46

0,95

0,97

Л4

26

36

 11

9

28

37

43

57

0,93

0,97

ТП-1

100

146

30

36

104

150

161

232

0,96

0,97

ТП-2

71

32

53

26

89

41

138

63

0,80

0,78

Выбор потребительских трансформаторов


Номинальная мощность трансформаторов 10\0,4 кВ выбирается в зависимости от расчетной полной мощности, среднесуточной температуры охлаждающего воздуха и вида нагрузки. Место установки ТП выбираем в центре расположения нагрузок ближе к мощным потребителям. Рекомендуемый коэффициент загрузки трансформаторов 75%, но в противовес этой рекомендации встает экономическая целесообразность установки ТП повышенной мощности. Мощности деревни Анисовка уже сформировались и стабилизировались на данном уровне развития поэтому дальнейшее их расширение и как следствие увеличение потребляемой мощности маловероятно. Для ТП-1 выберем трансформатор ТМФ 160.Для ТП-2 выберем трансформатор ТМ 100.

Основные технические характеристики трансформаторов сведем в таблицу №4.

Основные технические данные трансформаторов 10\0,4 кВ       

Таблица №4

№ ТП

Sрасч., кВА

Тип

Sт.ном., кВА

Uвн.ном., кВ

Uнн.ном., кВ

ΔРхх, кВт

ΔРк.з., кВт

Uк.з., %

1

150

ТМФ

160

10

0,4

0,57

2,65

4,5

2

89

ТМ

100

10

0,4

0,37

2,27

4,5

Σ



260









 

Электрический расчет воздушных линий 10 кВ


Обе ТП питаются от ГПП 110\10 кВ. Расстояние от ГПП до контрольной точки 1 составляет 25000 М, от контрольной точки 1 до ТП-1 (к.т. 2) составляет 150 М, от контрольной точки 1 до ТП-2 (к.т. 3) составляет 450 М.

Для участка линии 1-2, питание от которого получают 2 ТП, коэффициент одновременности Ко=0,85.

Мощности участков, протекающие по ним токи определим из выражений:

Рд= Ко Σ Рдi ;                 Рв= Ко Σ Рвi ;        Qд= Ко ΣQдi ;        Qв= Ко ΣQвi;

Sд=;       Sв=;       Iд= Sд/(·Uном);  Iв= Sв/(·Uном);

учтя, что Uном=10 кВ.

 

Выбор сечения проводов


Выбираем сечение проводов по экономической плотности тока jэк [5], с дальнейшей проверкой провода по допустимому нагреву:

Fрасч.= Iр.max / jэк ;   Iдоп ≥ Iр.

Участок линии 10 кВ № 0-1

Намечаем использовать неизолированный сталеалюминевый провод марки «АС». При времени использования максимальной нагрузки Tmax=1000 ч, экономическая плотность тока составляет jэк=1,3 А/мм2 [5]. Тогда:

Fрасч.=9,3/1,3=7,2 мм2,

однако по механической прочности в линиях выше 1000 В не допускается устанавливать провода ниже АС25, поэтому применим провод АС25.

Проверим выбранное сечение провода по допустимому нагреву:

Iдоп=135 А ≥ Iр=7,2 А — выполняется.

Участок линии 10 кВ № 1-2

Намечаем использовать неизолированный сталеалюминевый провод марки «АС». При времени использования максимальной нагрузки Tmax=1000 ч, экономическая плотность тока составляет jэк=1,3 А/мм2. Тогда:

Fрасч.=9/1,3=6,9 мм2, однако по механической прочности в линиях выше 1000 В не допускается устанавливать провода ниже АС25, поэтому применим провод АС25.

Проверим выбранное сечение провода по допустимому нагреву:

Iдоп=135 А ≥ Iр=6,9 А — выполняется.

Участок линии 10 кВ № 1-3

Намечаем использовать неизолированный сталеалюминевый провод марки «АС». При времени использования максимальной нагрузки Tmax=1000 ч, экономическая плотность тока составляет jэк=1,3 А/мм2. Тогда:

Fрасч.=5,1/1,3=3,9 мм2, однако по механической прочности в линиях выше 1000 В не допускается устанавливать провода ниже АС25, поэтому применим провод АС25.

Проверим выбранное сечение провода по допустимому нагреву:

Iдоп=135 А ≥ Iр=3,9 А — выполняется.

Расчет основные технические характеристики проводов

Из справочных данных находим активное сопротивление 1 км провода АС25: ro=1,146 Ом/км.

Рассчитаем реактивное индуктивное сопротивление 1 км провода:

хо=0,145·lg(2·Dср/d) + 0,0157·μ

Dср=1500 мм — среднее геометрическое расстояние между проводами;

d=6,9 мм — диаметр провода;

μ≈1 — относительная магнитная проницаемость материла провода (для цветных металлов ≈1)

Поэтому

хо=0,145·lg(2·1500/6,9) + 0,0157·1=0,40 Ом/км.

Основные технические характеристики сталеалюминевых проводов сведем в таблицу №5.

Таблица №5

Провод

Dср, мм

ro, Ом/км

хо, Ом/км

Iр.max, А

Iдоп, А

АС25

1500

1,146

0,40

24,1

135

 

Расчет потерь напряжения на участках


Рассчитаем потери напряжения на участках в процентах.

Участок линии 10 кВ № 0-1:

ΔUд=== 5,7%;

ΔUв=== 5,7%.

Участок линии 10 кВ № 1-2:

ΔUд=== 0,02%;

ΔUв=== 0,03%.

 

Участок линии 10 кВ № 1-3:

ΔUд=== 0,05%;

ΔUв=== 0,02%.

 

Потери электрической энергии на участках

 

Участок линии 10 кВ № 0-1:

ΔW=3··rо·L· τ·10-3=3·9,32·1.146·4·(1580+1500)/2·10-3=47 кВт·ч/год.

 

Участок линии 10 кВ № 1-2:

ΔW=3··rо·L· τ·10-3=3·92·1.146·0,15·1500·10-3=62 кВт·ч/год.

 

Участок линии 10 кВ № 1-3:

ΔW=3··rо·L· τ·10-3=3·5,12·1.146·0,45·1580·10-3=635 кВт·ч/год.

Потери электрической энергии по всей линии:

ΔWл=47+62+635=744 кВт·ч/год.

Годовое потребление электроэнергии:

Wгодрасч·Тmax=151*(1000+1000)/2=105700 кВт·ч/год.

Потери по всей линии от годового потребления электроэнергии в процентах составят:

ΔWл %= ΔWл/ Wгод·100=744/105700=0,7%.

Суммарные потребительские потери во всех ТП 10:

ΔWт=2067 кВт·ч/год.

Потери электроэнергии в потребительских трансформаторах:

ΔWт %= ΔWт/ Wгод·100=2067/105700·100=1,87%

Результаты расчетов сведем в таблицу №6.

Электрический расчет ВЛ 10кВ

Таблица №6

Участок

Сумма мощностей ТП заучастком

Количество трансформаторов за участком, шт.

Ко

Расчетная мощность учаска

Рабочий ток, А

Марка и сечение провода

Потери напряжения ΔU, %

Потери энергии, ΔWл , кВт·ч

Длина, М

Активных, кВт

Реактивных, кВар

Активная, кВт

Реактивная, кВар

Полная, кВА

Днем

Ночью

Σ Рд

Σ Рв

ΣQд

ΣQв

Рд

Рв

Од

Qв

Sд

Sв

Iд

Iв

На участке

От ГПП до конца участка

На участке

От ГПП до конца участка

0-1

25000

171

178

83

62

2

0,85

145

151

71

53

161

160

9,3

9,2

АС25

5,7

5,7

5,7

5,7

47

1-2

150

100

146

30

36

1

1

146

30

36

104

155

6

9

АС25

0,02

5,72

0,03

5,73

62

1-3

450

71

32

53

26

1

1

71

32

53

26

89

41

5,1

2,4

АС25

0,05

5,75

0,02

5,72

635

Электрический расчет линий напряжением 0,38 кВ


В наружных линиях 0,38 кВ выбор провода будем производить по экономической плотности тока, с дальнейшей проверкой провода по допустимому нагреву:

Fрасч.= Iр.max / jэк ;   Iдоп ≥ Iр.

Расчет ТП-1

Участок Л1:

Намечаем использовать неизолированный сталеалюминевый провод марки «АС». При времени использования максимальной нагрузки Tmax=1000 ч, экономическая плотность тока составляет jэк=1,3 А/мм2 [5]. Тогда:

Fрасч.=59/1,3=45,4 мм2.

Применим провод АС50.

Проверим выбранное сечение провода по допустимому нагреву:

Iдоп=210 А ≥ Iр=59 А — выполняется.

Участок 1-2:

Fрасч.=27,4/1,3=21,1 мм2.

Применим провод АС25.

Проверим выбранное сечение провода по допустимому нагреву:

Iдоп=135 А ≥ Iр=27,4 А — выполняется.

Участок 3-4:

Fрасч.=32,8/1,3=24,2 мм2.

Применим провод АС25.

Проверим выбранное сечение провода по допустимому нагреву:

Iдоп=135 А ≥ Iр=27,4 А — выполняется.

Участок 5-6:

Fрасч.=32,8/1,3=24,2 мм2.

Применим провод АС25.

Проверим выбранное сечение провода по допустимому нагреву:

Iдоп=135 А ≥ Iр=27,4 А — выполняется.

Участок Л2:

Намечаем использовать неизолированный сталеалюминевый провод марки «АС». При времени использования максимальной нагрузки Tmax=1000 ч, экономическая плотность тока составляет jэк=1,3 А/мм2 [5]. Тогда:

Fрасч.=60/1,3=46,2 мм2.

Применим провод АС50.

Проверим выбранное сечение провода по допустимому нагреву:

Iдоп=210 А ≥ Iр=60 А — выполняется.

Участок 1-2:

Fрасч.=32,4/1,3=24,9 мм2.

Применим провод АС25.

Проверим выбранное сечение провода по допустимому нагреву:

Iдоп=135 А ≥ Iр=32,4 А — выполняется.

Участок 3-4:

Fрасч.=32,8/1,3=24,2 мм2.

Применим провод АС25.

Проверим выбранное сечение провода по допустимому нагреву:

Iдоп=135 А ≥ Iр=27,4 А — выполняется.

Участок 5-6:

Fрасч.=32,8/1,3=24,2 мм2.

Применим провод АС25.

Проверим выбранное сечение провода по допустимому нагреву:

Iдоп=135 А ≥ Iр=27,4 А — выполняется.

Участок Л3:

Намечаем использовать неизолированный сталеалюминевый провод марки «АС». При времени использования максимальной нагрузки Tmax=1000 ч, экономическая плотность тока составляет jэк=1,3 А/мм2 [5]. Тогда:

Fрасч.=46/1,3=35,4 мм2.

Применим провод АС50.

Проверим выбранное сечение провода по допустимому нагреву:

Iдоп=210 А ≥ Iр=60 А — выполняется.

Участок 1-2:

Fрасч.=18,1/1,3=13,9 мм2.

Применим провод АС16.

Проверим выбранное сечение провода по допустимому нагреву:

Iдоп=111 А ≥ Iр=13,9 А — выполняется.

Участок 3-4:

Fрасч.=32,8/1,3=24,2 мм2.

Применим провод АС25.

Проверим выбранное сечение провода по допустимому нагреву:

Iдоп=135 А ≥ Iр=27,4 А — выполняется.

Участок 5-6:

Fрасч.=14,3/1,3=11 мм2.

Применим провод АС16.

Проверим выбранное сечение провода по допустимому нагреву:

Iдоп=111 А ≥ Iр=14,3 А — выполняется.

Участок Л4:

Намечаем использовать неизолированный сталеалюминевый провод марки «АС». При времени использования максимальной нагрузки Tmax=1000 ч, экономическая плотность тока составляет jэк=1,3 А/мм2 [5]. Тогда:

Fрасч.=57/1,3=43,8 мм2.

Применим провод АС50.

Проверим выбранное сечение провода по допустимому нагреву:

Iдоп=210 А ≥ Iр=43,8 А — выполняется.

Участок 1-2:

Fрасч.=24,8/1,3=19 мм2.

Применим провод АС25.

Проверим выбранное сечение провода по допустимому нагреву:

Iдоп=135 А ≥ Iр=24,8 А — выполняется.

Участок 3-4:

Fрасч.=32/1,3=24,6 мм2.

Применим провод АС25.

Проверим выбранное сечение провода по допустимому нагреву:

Iдоп=135 А ≥ Iр=32 А — выполняется.

Fрасч.=32,8/1,3=24,2 мм2.

Применим провод АС25.

Проверим выбранное сечение провода по допустимому нагреву:

Iдоп=135 А ≥ Iр=27,4 А — выполняется.

Основные технические характеристики проводов


Таблица №7

Провод

Dср, мм

Ro, Ом/км

хо, Ом/км

Iдоп, А

АС16

1500

1,772

0,416

111

АС25

1500

1,146

0,40

135

АС50

1500

0,592

0,380

210

Расчет потерь напряжения на участках


Рассчитаем потери напряжения на участках в процентах.

Участок Л1:

ΔUд===7%;

ΔUв=== 10,7%.

 

Участок линии Л2:

ΔUд=== 6,9%;

ΔUв=== 10,8%.

 

Участок линии Л3:

ΔUд=== 4,9%;

ΔUв=== 7,4%.

 

Участок линии Л4:

ΔUд=== 7,5%;

ΔUв=== 9,4%.

 

Потери электрической энергии на участках

 

Участок линии Л1:

ΔW=3··rо·L· τ·10-3=3·592·0,592·0,6·1500·10-3=5564 кВт·ч/год.

 

Участок линии Л2:

ΔW=3··rо·L· τ·10-3=3·392·0,592·0,6·1500·10-3=2431 кВт·ч/год.

 

Участок линии Л3:

ΔW=3··rо·L· τ·10-3=3·462·0,592·0,55·1500·10-3=3100 кВт·ч/год.

 

Участок линии Л4:

ΔW=3··rо·L· τ·10-3=3·572·0,592·0,55·1500·10-3=4760 кВт·ч/год.

Потери электрической энергии по всей линии:

ΔWл=5564+2431+3100+4760=15855 кВт·ч/год.

Годового потребление электроэнергии :

Wгодрасч·Тmax=36*(1000+1000)/2=25200 кВт·ч/год.

Потери по всей линии от годового потребления электроэнергии в процентах составят:

ΔWл %= ΔWл/ Wгод·100=15855/25200=0,6%.

Расчет ТП-2


Участок Л1:

Намечаем использовать неизолированный сталеалюминевый провод марки «АС». При времени использования максимальной нагрузки Tmax=700 ч, экономическая плотность тока составляет jэк=1,3 А/мм2 [5]. Тогда:

Fрасч.=138/1,3=106,2 мм2.

Применим провод АС120.

Проверим выбранное сечение провода по допустимому нагреву:

Iдоп=390 А ≥ Iр=106,2 А — выполняется.

Участок 1-2:

Fрасч.=57,2/1,3=44 мм2.

Применим провод АС50.

Проверим выбранное сечение провода по допустимому нагреву:

Iдоп=210 А ≥ Iр=44 А — выполняется.

Участок 3-4:

Fрасч.=86,6/1,3=66,6 мм2.

Применим провод АС95.

Проверим выбранное сечение провода по допустимому нагреву:

Iдоп=330 А ≥ Iр=66,6 А — выполняется.

Основные технические характеристики проводов


Таблица №8

Провод

Dср, мм

Ro, Ом/км

хо, Ом/км

Iдоп, А

АС50

1500

0,592

0,380

210

АС95

1500

0,299

0,357

330

АС120

1500

0,245

0,349

390

 







Расчет потерь напряжения на участках


Рассчитаем потери напряжения на участках в процентах.

Участок Л1:

ΔUд===3,8%;

ΔUв=== 1,8%.

 

Участок линии 1-2:

ΔUд=== 1,8%;

ΔUв=== 1,6%.

Участок линии 3-4:

ΔUд=== 0,9%;

ΔUв=== 0,8%.

Потери электрической энергии на участках


Участок линии Л1:

ΔW=3··rо·L· τ·10-3=3·1382·0,245·0,15·1500·10-3=3149 кВт·ч/год.

Участок линии 1-2:

ΔW=3··rо·L· τ·10-3=3·57,22·0,592·0,1·1500·10-3=872 кВт·ч/год.

Участок линии 3-4:

ΔW=3··rо·L· τ·10-3=3·86,62·0,299·0,05·1500·10-3=505 кВт·ч/год.

Потери электрической энергии по всей линии:

ΔWл=3149+872+505=4526кВт·ч/год.

Годового потребление электроэнергии:

Wгодрасч·Тmax=71*(1000+1000)/2=49700 кВт·ч/год.

Потери по всей линии от годового потребления электроэнергии в процентах составят:

ΔWл %= ΔWл/ Wгод·100=4526/49700=0,09%.

Расчет токов короткого замыкания

Токи короткого замыкания необходимы для выбора оборудования, расчета и проверки защит, выбора устройств грозозащиты и заземления подстанции и т. п.

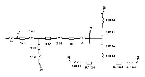
Составим исходную схему для расчета токов короткого замыкания:


Схема замещения электропередачи для расчета токов короткого замыкания:


Для приведения сопротивлений к базисным условиям воспользуемся системой именованных единиц, приведя все сопротивления к базисному напряжению Uб=0,4 кВ. Тогда сопротивления схемы замещения, приведенные к базисным условиям:

Сопротивление системы:

Хсб ===1,33·10-3 Ом;

Сопротивление трансформатора:

Rт.б=ΔРк.з/Sт.ном·/Sт.ном=2270/1·105·4002/1·105=14,2·10-3 Ом;

Хтб=uр %/100· /Sт.ном=4,27/100·4002/1·105=26,7·10-3 Ом;

Сопротивление линии:

rб=ro·L·(Uб/Uс.ном)2;         хбo·L·(Uб/Uс.ном)2, тогда

Л1:                       rб=2,45·10-3 Ом;   хб=3,49·10-3 Ом.

Л11-2:                    rб=5,98·10-3 Ом;   хб=7,14·10-3 Ом.

Л11-3:                    rб=8,97·10-3 Ом;   хб=10,7·10-3 Ом.

Л13-4:                    rб=29,6·10-3 Ом;   хб=19·10-3 Ом.

Л13-5:                                 rб=29,6·10-3 Ом;   хб=19·10-3 Ом.

Участок 0-1:        rб=45,8·10-3 Ом;   хб=16·10-3 Ом.

Участок 1-2:        rб=0,28·10-3 Ом;   хб=0,1·10-3 Ом.

Участок 1-3:        rб=0,8·10-3 Ом;     хб=0,3·10-3 Ом.

Результирующие сопротивления до точек короткого замыкания:

К1:    RΣ=0 Ом;                      XΣ=1,33·10-3 Ом.

К2:    RΣ=45,8·10-3+0,28·10-3=46,08·10-3 Ом; XΣ=1,33·10-3+16·10-3+0,1·10-3= 17,

43·10-3 Ом.

К3:    RΣ=61,08·10-3 Ом;                   XΣ=44,43·10-3 Ом.

К4:    RΣ=69,51·10-3 Ом;                   XΣ=55,06·10-3 Ом.

К5:    RΣ=93,13·10-3 Ом;         XΣ=66,92·10-3 Ом.

К6:    RΣ=93,13·10-3 Ом;                   XΣ=66,92·10-3 Ом.

Полные сопротивления:

ZΣ=

К1:    ZΣ===1,33·10-3 Ом;

К2:    ZΣ===49·10-3 Ом;

К3:    ZΣ=75,2·10-3 Ом;

К4:    ZΣ=88,2·10-3 Ом;

К5:    ZΣ=114·10-3 Ом;

К6:    ZΣ=114·10-3 Ом;

Токи трехфазного короткого замыкания:

К1:    ==6,95 кА;

К2:    4,7 кА;         К3:    3,1 кА;         К4:    2,6 кА;

К5:    2,02 кА;       К6:    2,02 кА;      

Токи двухфазного короткого замыкания:

К1:    ==6,05 кА;

К2:    =4,1 кА;          К3:    =2,7 кА;          К4:   =2,2 кА;

К5:    =1,7 кА;          К6:    =1,7 кА;

Ударные токи:

iу=

Ударный коэффициент:

=1+

К1:    =1+=1+=2;        iу===16,67 кА;

К2:    =1;                  iу=6,58 кА;

К3:    =1,01;              iу=4,4 кА;

К4:    =1,02;              iу=3,7 кА;

К5:    =1,01;              iу=2,4 кА;

К6:    =1,01;              iу=2,4 кА;

Мощность короткого замыкания:

К1:    =Sс.к=120 МВА;

К2:    ==81,3 МВА;

К3:    =2,1 МВА;

К4:    =1,8 МВА;

К5:    =1,4 МВА;

К6:    =1,4 МВА;

Ток минимального однофазного короткого замыкания в конце линии 0,38 кВ

Ток минимального однофазного короткого замыкания в конце линии 0,38 кВ определяется с целью проверки защиты на чувствительность. Этот ток как правило однофазный и возникает он у потребителя из-за неисправности технологического оборудования:

,

где

 — минимальное фазное напряжение на шинах 0,4 кВ ТП-1, принятое с учетом оценки качества напряжения у потребителя Vш.0,4 =+4,9 %:

=220·(1+ Vш.0,4\100)=220·(1+4,9/100)=230,78 В.

 — полное сопротивление трансформатора току замыкания на корпус:

для трансформатора 10/0,4 кВ со схемой соединения обмотки «звезда-звезда с нулем» при Sт.ном=400 кВА, составляет =0,195 Ом.

 — полное сопротивление петли «фаза-нуль» от шин 0,4 кВ ТП-1 до конца линии 0,38 кВ:

=,

где

, , ,  — активное и индуктивное сопротивление фазного и нулевого провода (сопротивлением вводных проводов не учитывается т. к. их длина менее 20 м);

L — длина линии.

В моей системе самой удаленной точкой является точка 4 линии Л1, тогда

== =(0,01+0,03+0,05)·=0,04 Ом.

Тогда

=405 А.

Результаты расчетов сведем в таблицу №11.

Таблица №10 Результаты расчетов токов короткого замыкания

Точка КЗ

Uс.ном, кВ

Сопротивление, ·10-3 Ом

Ку

Токи, кА

, МВА

RΣ

XΣ

ZΣ

iу

К1

10

0

1,33

1,33

2

6,95

6,05

16,67

120

К2

10

46,08

17,43

49

1

4,1

6,58

81,3

К3

0,4

61,08

44,43

75,2

1,01

3,1

2,7

4,4

2,1

К4

0,4

69,51

55,06

88,2

1,02

2,6

2,2

3,7

405

1,8

К5

0,4

93,13

66,92

114

1,01

2,02

1,7

2,4

1,4

К6

0,4

93,13

66,92

114

1,01

2,02

1,7

2,4

1,4


Защита линии 0,38 кВ от токов короткого замыкания и перегрузки


Линии 0,38 кВ питающие 3-х фазные потребителей, защищаются в основном автоматическими выключателями (ВА) со встроенными электромеханическими тепловыми расцепителями и электромагнитной токовой отсечкой.

Номинальный ток автоматического выключателя:

Iном АВ ≥ Кз·Iр. max, где

Кз — коэффициент учитывающий точность изготовления ВА, принимаемый 1,1-1,05.

Чувствительность защиты к токам КЗ:

Кч КЗ=Iк min/nотс·Iном АВ ≥ Кч.КЗ доп.,

где

Iк min — минимальный ток КЗ, в нашем случае Iк min=;

nотс — коэф. отсечки;

Кч.КЗ доп. — допустимая чувствительность защиты к токам КЗ.

Также при выборе АВ учтем его номинальное напряжение и стойкость к токам КЗ.

Расчетный максимальный ток через мощность определяется:

Iр. max=

 

Линия Л1


Номинальный ток автоматического выключателя:

Iном АВ ≥ Кз·Iр. max=1,1·138=151,8 А, принимаем ВА51-35М2-340010 с nотс=3.

Чувствительность защиты к токам КЗ:

Кч.КЗ доп.=1,25 (ток>100 А)

Кч КЗ= Iк min/nотс·Iном АВ ≥ Кч.КЗ доп.=2200/3·160 =4,6≥1,25 — выполняется.

Выбранный АВ надежно защитит линию от перегрузки и токов КЗ.

Потребители:

Коровник:

Расчетный максимальный ток:

Iр. max=== 58,4 А;

Номинальный ток автоматического выключателя:

Iном АВ ≥1,1·58,4=64,24 А,

принимаем ВА51-35М1-340010 с nотс=3.

Чувствительность защиты к токам КЗ:

Кч.КЗ доп.=1,4 (ток < 100 А)

Кч КЗ=2200/3·80 =9,1≥Кч.КЗ доп.=7,9 — выполняется.

Выбранный АВ надежно защитит потребителя от перегрузки и токов КЗ и т. д.

Таблица №12

Потребитель

Iр. max

Тип АВ

Iном АВ

Жилой дом

9,4

ВА51-35М1

16

Школа на 150 мест

37,1

ВА51-35М1

50

Спальный корпус школы-интерната на 70 мест

24,5

ВА51-35М1

31,5

Детские ясли-сад на 100 мест

21,9

ВА51-35М1

25

Клуб со зрительным залом на 200 мест

22,7

ВА51-35М1

25

Столовая на 30 мест

34,1

ВА51-35М1

40

Баня на 20 мест

14,3

ВА51-35М1

16

Коровник на 400 коров

58,4

ВА51-35М1

80

Молочный блок при коровнике на 10 тн. Молока

в сутки.

42,1

ВА51-35М1

50

Кормоприготовительное отделение при коровнике на 20 т/сут

48,7

ВА51-35М1

63

Центральная ремонтная мастерская на 15 тр-ров

18,3

ВА51-35М1

20

 

Расчет заземляющего устройства


Определим расчетное сопротивление одного вертикального электрода:

Rв=0,3·ρ·Ксез.в.=0,3·300·1,5=117 Ом

Находим предельное сопротивление совмещенного ЗУ:

Rзу1==6,25 Ом;

Iз===20 А;

Принимаем Rзу2=4 Ом.Но так как ρ>100 Ом·м,то для расчета принимается

Rзу≤4=4 =12 Ом

Определяется количество вертикальных электродов:

Расчетное:

N'в.р= Rв/ Rзу=117/12=9,75.

Принимаем N'в.р=10

С учетом экранирования:

Nв.р= N'в.рв=10/0,69=14,5.

Принимаем N'в.р=15

Так как контурное ЗУ закладывается на расстоянии не менее 1м,то длина по периметру закладки равна:

Lп=(А+2)·2+(В+2)·2=(15+2)·2+(12+2)·2=62 м.

Тогда расстояние между электродами уточняется с учетом формы объекта.По углам устанавливают по одному вертикальному электроду,а оставшиеся-между ними.Для равномерного распределения электродов окончательно принимается Nв=16,тогда

ав=В'/nв-1=14/4=3,5 м; аа=А'/ nа-1=17/4=4,25 м;

ав-расстояние между электродами по ширине объекта,м;

аа-расстояние между электродами по длине объекта,м;

nв-количество электродов по ширине объекта;

nа-количество электродов по длине объекта.

Расчет молниезащиты

Применим двойную тросовую молниезащиту. Высоту опор троса примем 22 м. Определим параметры молниезащиты. Найдем полную высоту молниеотвода:

h=hоп-2=22-2=20 м;

hо=0,85h=0,85·20=17 м;

ro=(1,35-25·10-4h)h=(1,35-25·10-4·20) ·20=26 м;

ro-радиус защиты на уровне земли.

Найдем высоту средней части молниеотвода:

hc= hо-(0,14+5·10-4·h)(L-h)=17-(0,14+5·10-4·20)·(25-20)=16,05 м;

rc=ro=26 м;

rc-ширина средней части зоны молниеотвода на уровне земли и на высоте защищаемого объекта.

rcх= rо(hc-hx)·1/hc=26·(16,05-10)·1/16,05=9,8 м;

rcх-длина зоны молниеотвода на уровне защищаемого сооружения.

rx=(1,35-25·10-4h)(h-1,2hx)=(1,35-25·10-4·20)·(20-1,2·10)=10,4 м.

Определяются максимальные габариты защищаемого сооружения:

А=а+2rcx=40+2·9,8=59,6 м.

Принимаем А=59 м.

В=L=2rx=25+2·10,4=45,8

Принимаем В=45 м.

А*В*Н=59*45*10

Заключение

Рассчитанная система электроснабжения деревни Анисовка полностью удовлетворяет поставленным требованием надежности, безопасности и качества электрической энергии с одной стороны и относительно небольшими затратами с другой, что особенно важно для сельскохозяйственных предприятий находящихся подчас в не самых выгодных условиях на экономической арене.

Достижение должной надежности электроснабжения обеспечивается установкой 2-х однотрансформаторных комплектных трансформаторных подстанций. Система надежно защищена современными автоматическими выключателями марок ВА51-35М1, проверена на стойкость к токам короткого замыкания и надежность срабатывания при удаленном коротком замыкании.

Безопасность электроснабжения обеспечивается применением ТП закрытого типа, защитой внутренних проводок не только от коков КЗ, но и от перегрузки.

Литература

1. Методическое указание по расчету нагрузок в сетях 0,38 – 10 кВ сельскохозяйственного назначения. Руководящие материалы по проектированию электроснабжения сельского хозяйства (РУМ). М.: Сельэнергопроек, 1981г.

2. Методическое указание к курсовой работе по проектированию электрических осветительных установок. Челябинск 1999г.

3.  П.М. Михайлов. Пособие по дипломному проектированию. Тюмень 2004г.

4.  Будзко И.А., Гессен В.Ю. Электроснабжение сельского хозяйства. – Изд. 2-е, перераб. и доп. М.: Колос 1979г.

5. Правила Устройства Электроустановок. Шестое издание, переработанное и дополненное, с изменениями. М.: Агропромиздат 2002г.

Похожие работы на - Электроснабжение деревни Анисовка

 

Не нашли материал для своей работы?
Поможем написать уникальную работу
Без плагиата!
Без нейросетей!