Электроосвещение квартир

  • Вид работы:
    Контрольная работа
  • Предмет:
    Физика
  • Язык:
    Русский
    ,
    Формат файла:
    MS Word
    192,25 kb
  • Опубликовано:
    2010-04-06
Вы можете узнать стоимость помощи в написании студенческой работы.
Помощь в написании работы, которую точно примут!

Электроосвещение квартир

Содержание

Введение

1. Характеристика объекта

2. Выбор ВРУ и щитков освещения

2.1 Схема квартирного группового распределительного щита

2.2 ВРУ

2.3 Схемы питания групповых щитков

2.4 Щитки для жилых зданий

3. Выбор способов прокладки проводов

3.1 Прокладка проводов

4. Подготовительно – заготовительные работы

4.1 Разметка

4.2 Пробивные работы

4.3Крепежные работы

5. Монтаж светильников

6. Монтаж электроустановочных изделий

7. Техника безопасности при работе с электроинструментом

Заключение

Литература

Введение

Важную роль в развитии отечественной электротехнике сыграли труды русских ученых и изобретателей П.Н. Яблочкова, А.Н. Лодыгина, М.О. Доливо-Добровольского и др. приоритет в создании и применении трехфазной системы переменного тока принадлежит М.О. Доливо-Добровольскому, который в 1891 г. осуществил передачу электрической энергии мощности около 150 кВт. При напряжении 15кВ на расстоянии 175 км. Им же были созданы синхронный генератор, трехфазный трансформатор и асинхронный двигатель.

Принципом развития энергосистемы РФ является производство электроэнергии на крупных электростанциях, объединяемых в Единую энергосистему страны общей высоковольтной сетью 500 – 1150 кВ. До 1960 г. мощность крупных генераторов, тепловых электростанций (ТЭС) составила 100 мВт. На одной электростанции установили 6 – 8 генераторов. Поэтому мощность крупных ТЭС составила 600 – 800 мВт. После освоения блоков 150 – 200 мВт. Мощность крупнейших электростанций повысилась до 1200 мВт., а после освоения блоков 300 мВт. до 2400 мВт.

В настоящее время вводят тепловые электростанции мощностью 6000 мВт. с блоками 500 – 800 мВт.

Эффективность объединения энергосистем обусловлено экономией суммарной установленной мощности генераторов за счет: совмещения максимума нагрузки электросистем, сдвинутых во времени различных географических поясах; уменьшение необходимой мощности аварийного и ремонтного резерва в энергообъединении по сравнению с разрозненными системами; укрупнение электростанций и улучшение режима их работы.

Получаемый эффект существенно превышает затраты на строительство и эксплуатацию межсистемных линий электропередачи. К 2000 г. производство электроэнергии в РФ приблизилось к 924 млрд. кВт/ч.

Из общего количества вырабатываемой в стране электроэнергии более 50% преобразуется в механическую энергию с помощью электропривода. Электропривод является наиболее энергоемким потребителем электроэнергии, определяющим экономическую эффективность производственных процессов и темпы повышения производительности труда.

Электрификация прочно вошла во все сферы народного хозяйства. От ее успешного развития во многом зависит экономика страны и благополучие народа.

1. Характеристика объекта

Все потребители делятся на 3 категории. Жилое здание относится к потребителям 3 – ей категории, для которых допустимы перерывы электроснабжения на время необходимое для ремонта или замены поврежденного элемента системы электроснабжения, но не более 1 – их суток. Питание здания осуществляется от ТП кабеля до распредустройства, расположенного в подвальном помещении. Весь объект имеет 5 этажей. При расчете следует предусмотреть установку выключателей на всех потребителей и на отдельных с избирательной работой средств защиты, т.е. предусматривается автоматическая защита от перегрузок и токов короткого замыкания. На кухнях электроплиты защищаются дифференциальными предохранителями (дифференциальной защитой) каждая квартира должна иметь индивидуальную систему учета. Существует отдельный учет потребляемой энергии и всеми потребителями здания, учитывающий еще учет уличного.

2. Выбор ВРУ и щитков освещения

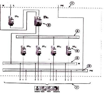
2.1 Схема квартирного группового распределительного щита

На вводе в квартиру устанавливается УЗО ВД:№ с дифференциальным током 30 мА, соединенное последовательно с автоматическим выключателем ВА63. На схеме представлены несколько групп потребителей тока в квартире: группа розеток и выключателей, защищенная двумя автоматическими выключателями ВА63 (номинальный ток 16А), электрическая плита, защищенная автоматическим выключателем ВА63 (номинальный ток 25А). При выделении в отдельную стиральной машины или кондиционера устанавливается выключатель ВА63 с номинальным током 16А.


корпус щита

соединительный элемент нулевых рабочих проводников

соединительный элемент зажимов нулевых рабочих проводников

соединительный элемент автоматов

выключатель дифференциального выключателя

автоматы

линии групповых сетей

2.2 ВРУ

Монтаж ВРУ, пунктов щитков производится индустриальным методом с предварительной подготовкой в МЭЗ всех крепежных конструкций, сборкой в блоке, установкой и подключением счетчиков и комплектной доставкой в зону установки.

Квартирные щитки открытого исполнения ШК поставляют на объект, как правило, без счетчиков после проверки устанавливают перед сдачей жилых домов в эксплуатацию.

ВРУ, например, ВРУ – 1, служит для приема, распределения и учета электроэнергии в сетях 380/220 В. с глухо заземленной нейтралью трехфазного переменного тока частотой 50 Гц., а так же для защиты линий при перегрузках и коротких замыканиях в общественных зданиях и жилых домах повышенной этажности.

Устройства, собираемые из панелей одностороннего обслуживания шкафного или открытого типа, могут быть однопанельными (1) и многопанельными. Аппараты учета (счетчики, трансформаторы тока) размещены в специальном отсеке (2) панели и закрываются отдельной дверью, аппаратура автоматического управления освещение в отсеке (3) групповых линий. В правой нижней части устройства находится распределительный отсек (4). Ввод проводов и кабелей осуществляется как с низу так и сверху через верхнюю съемную крышку отсека (1) ввода. Максимальное количество и сечение жил проводов или кабелей, присоединяемых к одному вводному зажиму на 250А, составляет 4х95 мм – 2, на 400 А. – 4х150мм – 2 и на 200А. – 2х95мм – 2.

ВРУ, имеющие различные электрические схемы собирают из вводных, распределительных и вводно-распределительных панелей одинаковых размеров (1700х800х450мм) и соединяют между собой болтами. В нижних рамах каждой панели имеются 4 отверстия для крепления ВРУ к строительному основанию болтами. Все ВРУ – 1 имеют установочные размеры. Применяют так же и блочные панели ВРУ-1-41-ОЩ,состоящие из распределительной панели ВРУ-1 и шкафа КК878 (КК873) с аппаратурой автоматического управления освещения. Шкафы с габаритными размерами 1200х600х200мм. имеют подставку (500х600х200мм) и могут устанавливаться отдельно от распределительных панелей.

После установки выверки и закрепления панелей из корпуса заземляют, присоединяя нулевые жилы питающих кабелей (или проводов) к нулевой шине.

ВРУ, устанавливают в щитовых помещениях, а на данном объекте в подвальном помещении.

2.3 Схемы питания групповых щитков

Схемы питания групповых щитков зависит от мощности питающих щитков и конфигурации осветительной сети. Линия питания от вводного ящика подводится непосредственно через магистральный осветительный щиток к групповым щиткам позволяющие от данного щитка отводить групповые линии к светильникам или к другим щиткам либо осветительным шинопроводом.

2.4 Щитки для жилых зданий

Осветительные квартирные щитки служат для питания, учета электрической энергии и защиты сети квартир до 220В. они получают питание от этажных щитков, смонтированных на лестничной площадке. Щитки ЩК1101УХЛ4 с тремя автоматами (АЕ1000) пакетным выключателем и счетчиком электрической энергии устанавливают открыто на стене и крепят с помощью четырех отверстий на панелях. Конструкция щитков ЩК2101УХЛ отличается от предыдущей тем, что применяется для скрытой установки в нише.

Этажные осветительные щитки ЩЭ выпускаются трех основных типов: с аппаратами защиты вводов в квартиры, с аппаратами защиты групповых линий и отделений слаботочных устройств и с аппаратами защиты групповых линий. Они предназначены для установке в нишах. С помощью этажных осветительных щитков ЩЭ1409УХЛ4, ЩЭ1410УХЛ4 с аппаратами защиты на вводе групповых линий четырех квартир присоединяют к магистрали без ее разрезания. На шасси рамы с права и слева установлены четыре автоматических выключателя, ответвительные зажимы для присоединения этих выключателей к проводам магистрали стойки и зажимы для присоединения нулевых проводов вводов в квартиры к нулевому проводу питающей линии. Щитки укрепляю в нише четырьмя распорными болтами, расположенными на шасси. Провода стояка проходят через эту же нишу, их можно прокладывать до и после установки щитка. Дверца щитков имеет запорную защелку.

3. Выбор способов прокладки проводов

По способу выполнения проводки внутри помещения делятся на открытые и скрытые. Для данного проекта выберем скрытые, выполняемые внутри конструктивных элементов зданий,

Выбор рода проводки и способа ее выполнения зависит от условий среды в помещениях. В помещения с высокой температурой (около электроплит) прокладываются провода с термостойкой изоляцией. Окончательный выбор способа проводки и типа проводится по экономическим показателям.

3.1 Прокладка проводок

Прокладка проводов или готовых узлов электропроводок, крепление проводов и кабелей, затяжки в проходы и трубы. При этом нужно учитывать, чтобы провода к розеткам, выключателям и т.д. имели необходимый ремонтный запас. Ответвления и соединения выполняются только в коробках или на контактах штепсельных розетках и выключателей. Сопротивление изоляции вновь смонтированных электропроводок должно быть не менее 0.5 М ОМ.

Проводка должна выполняться проводами необходимого сечения и изоляции, должна удовлетворять нормы ПУЭ.

В соединительных коробках соединение выполняем при помощи сварки, а затем изоляции этого места изоляционными колпачками.

Для освещения в квартирах используем провод ВВГ 3*1,5м2, а для розеток провод ВВГ 3*2,5м2. Учитывая возросшую потребляемую мощность современной бытовой технике целесообразно сделать для кухни отдельную проводку (на отдельный автомат) с более мощным сечением провода ВВГ 3*2,5м2 или даже 3*4м2. Для электроплиты используется провод ВВГ 3*6м2.

4. Подготовительно – заготовительные работы

4.1 Разметка

Современной и индустриальной является скрытая проводка, устанавливаемая в специальных канал разработанных и выполненных при изготовлении строительных конструкций на заводе железобетонных изделий. Если же этого нет, то проводится разметка для подрозетников, выключателей, розеток в нужных местах и с учетом правил ПУЭ, т.е. с соблюдением высоты от пола (для выключателя 1,5м). Места установки ламп накаливания, вводных щитков, щитков квартирных, вводного щита намечаются места, где нужно выполнить пробивные работы (например, проход проводов через стену), отверстие в панели на потолке для выполнения подвеса проводов с лампой накаливания или люстрой.

Определяется расстояние между распределительными коробками, квартирными и вводными щитками, расстояние от распределительных коробок до выключателей. Разметку производят на основании строительных чертежей.

4.2 Пробивные работы

Выполняются при наличии разметки. Выполняться, могут вибратором. Вибратором делают отверстие в стенах, в которых прокладываются провода. Трубы обеспечивают возможность смены проводки. Заготовка отверстий под осветительную арматуру и установки выключателей и розеток. Пробивка борозд и закрепления в них трубопровода, подготовка ниш под щитки.

4.3 Крепежные работы

После заготовительных работ в бороздки закладываются провода и прикрепляют их скобами, хомутами из изоляционного материала, а на стенах примораживают их алебастром. Установка выключателей, розеток выполняется в специальных нишах, и примораживаются алебастром. Щитки крепятся дюбелями. Заводы выпускают различные монтажные детали и крепежные изделия: дюбеля, скобы, болты, штыри и т.д.

Дюбель капроновый представляет капроновую втулку с двумя продольными разрезами. Удерживается в отверстии за счет того, что при ввертывании шурупа стенки дюбеля заклинивают его в отверстие.


5. Монтаж светильников

Монтаж светильников и установочных изделий: зарядка светильников осуществляется на заводах изготовителях или в мастерской. Для зарядки светильников используют проводники с медными жилами сечением не менее 0.5мм2 в помещениях и не менее 1мм2 вне помещений (над крыльцом).

Изоляция проводников должна быть теплостойкой. Поэтому провода с пластмассовой изоляцией для зарядки светильников не применяются. Наиболее для этой цели подходят провода ПРКС или РРБС с теплостойкой изоляцией. Для зарядки светильников с лампами накаливания мощностью не более 60Вт. можно применять провода ПРГ.

При зарядке светильников, снаружи оставляют проводники длина которых должна быть достаточна для присоединения к сети в ближайшей установочной коробке. Для присоединения к патрону светильника провода оконцовывают колечком или пестиком в зависимости от контактных зажимов патрона.

Фазный проводник присоединяется к центральным зажимам патрона для ламп накаливания. Нулевой провод обычно присоединенный к заземленной нейтрали трансформатора, подключают к резьбовой части патрона. Внутри конструкции светильников натяжение проводов, а также их соединение (скрутка) не допускаются.

Светильники подключают к питающей сети, подключая их либо с помощью опресовки, либо с помощью резьбовых зажимов или штепсельных разъемов.

Небольшие эксплуатационные и монтажные удобства представляют штепсельные разъемы.

Крепления светильников с лампами накаливания осуществляют на крюках.

Отверстия в потолке закрываются потолочными розетками. Плафоны подвешивают к потолкам на шпильках. Спуски от потолков к светильникам выполняют трубчатыми штангами, снабженными резьбой для крепления к светильнику и серьгой для подвески к крюку.

Для освещения подъезда применяют люминесцентные лампы. Короба крепят к стенам. Ответвления к светильникам в коробах выполняют без разрыва магистрали с помощью специальных зажимов.

Применяют осветительные устройства ЛОУ ТП-2*40 и ЛОУ ТП 2*80, представляющие непрерывную светящуюся линию на здании применяют светильник на кронштейне, проводка к которому выполняется кабелем или в трубах.

Светильники присоединяются к стойкам и кронштейнам по средствам переходных коробок, устанавливаемых на резьбовые патрубки стоек и кронштейнов. В тех же коробках провода светильника соединяют с проводами осветительной сети.

6. Монтаж электроустановочных изделий

Монтаж розеток и выключателей:

Выключателями называют приборы, осуществляющие прерывание тока в электросети. В зависимости от конструкции выключатели делятся на кнопочные, рычажные, барабанные и клавишные. Если на выключателе 220В 5А, это значит, что этим выключателем можно выключать ток до 5А и U=220В.

Как выключатель, так и розетку устанавливают в специальные коробки (стаканы), вмазанные в стену алебастровым раствором. Если стена из гипсокартона, то стакан фиксируется с помощью подтягивающихся винтом лапок. Надежней и спокойней если стакан выполнен из диэлектрического материала. Высота установки стаканов, а соответственно и розеток, выключателей на стене должна приниматься равной 1,5м.

Отверстие под розетку проще всего высверлить дрелью со специальной, круглой режущей насадкой. Провести провода в монтажную коробку, после чего закрепить ее на стене алебастром. Заведенные в коробку провода соединяются с клеммами розетки. Установить в коробку розетку, зафиксировав ее на стене с помощью регулировочных винтов. Последним шагом устанавливается декоративная накладка. Аналогичным образом устанавливается выключатель.

7. Техника безопасности при работе с электроинструментом

Лицам, работающим с электроинструментом, разбирать и монтировать самим инструмент, кабель, штепсельные соединения и другие части не разрешается. Нельзя допускать работу электроинструментом при возникновении хотя бы одной из следующих неисправностей: повреждение штепсельного соединения, кабеля или его защитной трубки, повреждение крышки щеткодержателя, не четкая работа выключателя, искрение щеток на коллекторе, сопровождающиеся появление кругового огня на его поверхности, вытекания смазочного материала из редуктора или вентиляционных каналов, появление дыма или запаха, характерного для горячей изоляции, появление повышенного шума, стука, вибрации, поломка или появление трещин в корпусной детали, рукоятки, защитном ограждении, повреждение рабочей части инструмента.

У электроинструмента класса 1, кроме того должна быть проверена исправность цепи заземления между его корпусом и заземляющим контактом штепсельной вилки. Электроинструмент не соответствующий хотя бы одному из перечисленных требований или с просроченной датой периодической проверки выдавать для работы не разрешается.

При работе с электроинструментом класса 1 применение средств индивидуальной защиты (диэлектрические перчатки, галош, коврики и т.д.) обязательно.

Электроинструментом классов 2 и 3 можно работать без применения индивидуальных средств защиты.

Электроинструмент и вспомогательное оборудование к нему (трансформаторы, преобразователи частоты, защитно-отключающие устройства, кабели-удлинители) подвергают периодической проверки не реже 1 раз в 6 месяцев.

У электроинструмента измеряют сопротивление обмоток и токоведущего кабеля относительно корпуса и наружных металлических деталей, у трансформаторов между первичной и вторичной обмотками и между каждой из обмоток и корпусом.

Исправность цепи заземления проверяют с помощью устройства на напряжение не более 12В, один контакт, который подключают к заземляющему контакту штепсельной вилки, а другой - доступный для прикосновения к металлической детали инструмента (например, к шпинделю). Инструмент считается исправным, если устройства показывают наличие тока.

Заключение

В своей дипломной работе я полностью раскрыл тему: «Электроосвещение 1-го этажа пятиэтажного жилого дома» по следующим вопросам:

выбор ВРУ и щитков освещения.

выбор способов прокладки проводов.

монтаж электроустановочных изделий.

монтаж светильников.

Т.Б при работе с электроинструментом.

Литература

1.   Электрическая часть осветительных установок. Рябов М.С., А.А. Цитерман.

2.   Правила устройства электроустановок.

3.   Слесарь-электромонтажник. Ю.В. Корнилов.

4.   Справочник молодого электромонтера.

5.   Т.Б. при электромонтажных работах. О.П. Корнилович.

6.   Обучение в электромонтажных мастерских.


Не нашли материал для своей работы?
Поможем написать уникальную работу
Без плагиата!
Без нейросетей!