Электрооборудование свинарника на 1200 голов СПК "Холопеничи"
МИНИСТЕРСТВО СЕЛЬСКОГО ХОЗЯЙСТВА И
ПРОДОВОЛЬСТВИЯ
РЕСПУБЛИКИ БЕЛАРУСЬ
Учреждение образования
БЕЛОРУССКИЙ ГОСУДАРСТВЕННЫЙ
АГРАРНЫЙ
ТЕХНИЧЕСКИЙ УНИВЕРСИТЕТ
Кафедра теплотехники
Дипломное проектирование
Электрооборудование свинарника на
1200 голов СПК Холопеничи
выполнил:
студент
гр.2эа Алейчик Д.В.
проверил:
к. т. н.,
доцент Матвеенко И.П.
Минск - 2009
Аннотация
Дипломный
проект на тему: "Электрооборудование свинарника на 1200 голов СПК “Холопеничи"
Крупского района с разработкой схемы управления микроклиматом" выполнен в
объеме: расчетно-пояснительная записка на ___ листах, таблиц - ___, рисунков - ___;
графическая часть - на ___ листах формата А1.
Ключевые
слова: электрооборудование, электропривод, схема электрическая принципиальная,
микроклимат, отопительно-вентиляционная система, теплопотери.
В проекте
произведен расчет и выбор осветительных установок, силового оборудования
свинарника-откормочника, определены электрические нагрузки на вводе, расчет и
выбор сетей внутри помещения свинарника, выбран тип и рассчитана мощность
трансформаторной подстанции, расчет низковольтных питающих распределительных
сетей. В соответствии с целями и задачами дипломного проекта разработана схема
электрическая принципиальная управления отопительно-вентиляционной системой. Произведен
расчет и выбор основных частей энергосберегающей установки. Выполнены расчеты
технико-экономических показателей.
В
графической части показан генплан СТФ, показано расположение силового
оборудования и осветительных установок в свинарнике-откормочнике, приведена
схема питающей и распределительной сети, план свинарника-откормочника с
нанесением расположения ОВС, схема электрическая принципиальная управления
отопительно-вентиляционной системой, принципиальная схема блока
импульсно-фазового регулирования, таблица технико-экономических показателей.
Содержание
Введение
1. Общая часть
1.1 Характеристика хозяйства
1.2 Характеристика объекта электрификации
1.3 Технология производственных процессов
1.3.1 Характеристика и параметры технологического
оборудования
1.4 Расчет и выбор силового электрооборудования
1.4.1 Характеристика мест размещения электроустановок
1.4.2 Расчет основных параметров электроприводов
1.5 Расчет электрических нагрузок
1.5.1 Обоснование метода расчета
1.5.2 Расчет электрических нагрузок по методу
технологического графика
1.6 Проектирование силовых внутренних электропроводок
1.6.1 Система токоведущих проводников. Система заземления
1.6.2 Определение месторасположения электрического ввода
в здание. Предварительный выбор ВРУ и РП
1.6.3 Составление структурной схемы электрической сети
здания
1.6.4 Основные решения по выполнению принципиальных схем
питающей и распределительной сети
1.6.5 Выбор коммутационных аппаратов
16.6 Выбор аппаратов защиты
1.6.7 Выбор электромагнитных пускателей
1.6.8 Выбор видов электропроводок
1.6.9 Расчет сечений проводов и кабелей
1.7 Светотехнический расчет осветительных установок
1.7.1 Краткая характеристика помещений
1.7.2 Выбор источников света
1.7.3 Выбор системы и вида освещения
1.7.4 Выбор нормируемой освещенности и коэффициента
запаса
1.7.5 Выбор осветительных приборов
1.7.6 Размещение осветительных приборов в освещаемом
пространстве
1.7.7 Расчёт мощности или определение количества и
размещения светильников, устанавливаемых в помещении
1.7.8 Выбор напряжения и схемы питания электрической сети
1.7.9 Определение количества и мест расположения
групповых щитков, выбор их типа и компоновка трассы сети
1.7.10 Выбор марки проводов (кабелей) и способов
прокладки сети
1.7.11 Защита электрической сети от аварийных режимов
1.7.12 Расчёт и проверка сечения проводников
электрической сети
1.8 Проектирование внешнего электроснабжения
1.8 1 Выбор типа, числа, мощности и местоположения
1.8.2 Проектирование сетей 0,4 кВ
2. Специальная
часть
2.1 Существующие технические решения по обеспечению
микроклимата в свинарнике
2.2 Расчет тепловоздушного режима
2.2.1 Определение влаговыделений животными
2.2.2 Выбор системы отопления и вентиляции
2.3 Разработка схемы управления микроклиматом
3. Безопасность жизнедеятельности
3.1 Требования безопасности при монтаже
энергооборудования свинарника на 1200 голов
3.2 Основные требования электробезопасности при
эксплуатации оборудования свинарника
3.3 Расчет эффективности зануления
3.4 Безопасность жизнедеятельности в чрезвычайных
экологически неблагоприятных ситуациях
3.4.1 Пожарная безопасность
3.4.2 Влияние производства на окружающую среду
3.4.3 Мероприятия по безопасности жизнедеятельности в
чрезвычайных ситуациях
4. Технико-экономическое обоснование
4.1 Актуальность проблемы
4.2 Выбор вариантов
4.3 Натуральные технико-экономические показатели
4.4 Капиталовложения
4.5 Эксплуатационные издержки
4.6 Рыночные показатели экономической эффективности
вариантов технических решений
Заключение
Литература
Свиноводство
является и в перспективе останется одной из ведущих отраслей сельского
хозяйства в Европе. К преимуществам этой отрасли относятся многоплодие свиней,
короткий эмбриональный период, скороспелость и высокий убойный выход мяса.
Беларусь
является традиционным регионом разведения свиней. Свинина в общем объеме мясной
продукции, произведенной во всех категориях хозяйств, занимает более трети, а
во многих регионах - половину объемов производства мяса.
С
переводом животноводства на промышленную основу резко изменились условия обитания
животных, возросла изоляция их от естественной внешней среды. При
индустриальных способах содержания организм животных испытывает большие
функциональные нагрузки, изменяются его адаптивные реакции на внешние
раздражители, которые нередко становятся для них стрессовыми. В результате
нарушается физиологическое состояние организма, чаще проявляются заболевания
животных, обусловленные снижением естественной резистентности и
иммунологической реактивности, особенно у молодняка.
В связи с
этим актуальное значение приобретают методы профилактики болезней животных за
счет совершенствования зоогигиенических мероприятий, в частности микроклимата,
направленных на активацию защитных и продуктивных функций организма.
Несоответствие
основных факторов микроклимата (температуры, влажности и скорости движения
воздуха, наличия в нем аэронов, микроорганизмов, пыли и вредных газовых примесей,
уровня освещенности в
помещениях,
акустического фона, атмосферного давления и т.д.) оптимальным зоогигиеническим
параметрам обусловливает у животных нарушения обмена веществ, замедление
окислительно-восстановительных процессов в тканях, нарушение
воспроизводительных функций маточного поголовья, задержку роста и развития
молодняка, прироста живой массы животных, увеличение заболеваемости и падежа
молодняка, расхода кормов и себестоимости продукции.
Создание
оптимального микроклимата в современных животноводческих зданиях возможно лишь
при оборудовании совершенных систем отопления, вентиляции, освещения, средств
локального обогрева с автоматическим управлением и регулированием, а также
обеспечении надлежащей тепло - и гидроизоляции ограждающих конструкций, также
имеет важное значение для продления срока службы зданий и установленного в них
технологического оборудования, а также для улучшения условий труда
обслуживающего персонала, который в значительной мере определяет
производительность труда.
В связи с
возрастающим дефицитом энергоресурсов в стране важнейшим вопросом в области
микроклимата является изыскание и внедрение на животноводческих фермах и
комплексах энергосберегающих технологий, позволяющих эффективно использовать
топливно-энергетические ресурсы и за счет этого значительно снизить
энергопотребление отопительно-вентиляционных систем.
Коммунальное
унитарное сельскохозяйственное предприятие "Северный" является государственной
организацией. Оно был основано в 1984 году.
СПК
"Холопеничи" находится в Крупском районе Минской области.
Общая
земельная площадь предприятия составляет 4223 га в том числе сельскохозяйственных
угодий 3055 га: пашня 1791 га; сенокосы 737 га; пастбища 505 га;
сады 22
га;
Предприятие
занимается растениеводством и животноводством.
На
угодьях хозяйства выращиваются следующие культуры:
зерновые
и бобовые 556 га, в том числе озимые 106 га и яровые 386 га;
лен 60 га;
рапс 70
га;
картофель
40 га;
кормовые
корнеплоды 40 га;
кукуруза
на силос 163;
зернобобовые
56.
Животноводство
имеет мясомолочное направление. На территории предприятия находятся две молочно-товарные
фермы, ферма крупнорогатого скота, свинотоварная ферма, конюшня. Общее
поголовье ферм составляет 400 коров, 881 голову молодняка КРС, 3340 голов
свиней и 14 лошадей.
На
территории хозяйства также находятся два зерносушильных комплекса,
овощехранилища, мельница, машинотракторный стан. Состав машинотракторного парка
следующий:
трактора
всех марок 49 ед.;
прицепы
31ед.;
сеялки 14
ед.;
картофелесажалки
2 ед.;
плуги 14 ед.;
культиваторы
14 ед.;
сенокосилки
тракторные 13 ед.;
кормоуборочные
комплексы 4 ед.;
комбайны
14 ед.;
жатки 2
ед.;
пресс-подборщики
2 ед.;
опрыскиватели
2 ед.;
грузовые
авто 25 ед.
Основные электрифицированные сельскохозяйственные машины установленные и
используемые в СПК "Холопеничи".
Число эл. Общая
двигателей. мощность, кВт.
- Зерновая стационарная сушилка
барабанного типа СЗСБ-8А 10 38
- Зерновой метатель ЗМ-30
1 7
- Сомопередвижной зерновой
зернопогрузчик ЗПС-100
2 10,5
- Зерноочистительно-сушильный
комплекс КЗС-20Ш
26 131,5
- Раздатчик для ферм КРС
РК-50
3 9,7
- Раздатчик для свиноферм
3 7,1
КС-1,5
- Доильные установки «Елочка»
2 26,5
- Охладители молока
ТО-2 3 3,27
Объектом
проектирования является свино-товарная ферма с законченным циклом производства
на 6000 голов в год. Откорм одной смены длится 150 дней.
Ферма
располагается на отдельно отведенной площади равной 3,6 га. На ее территории
расположены два откормочника, блок репродукции поросят, блок для
поросят-отъемышей и свинарник-маточник. Ферма также имеет ветпункт, изолятор,
кормоцех с корнеплодохранилищем, котельную. К вспомогательным постройкам можно
отнести автомобильные весы, погрузочно-разгрузочную рампу, санпропускник,
дезбарьеры, площадку для топлива, пожарные резервуары.
Здание
свинарника-откормочника в плане прямоугольной формы длинной 96 м, шириной 16 м,
высотой 3,6 м. Общая площадь 1536 м2.
Стены
здания выполнены из кирпича. Перекрытия - асбестоцементные листы и полужесткие
минераловатные плиты с последующей заделкой стыков и укладкой кровли из рубероида.
Пол проходов выполнен из бетона, пол клеток - чугунные решетки.
К
вспомогательным помещениям относятся: электрощитовая, помещение для
контрольного взвешивания свиней, помещение для инвентаря, помещение для
приводов навозоуборочных транспортеров, венткамеры, тамбуры.
Здание
свинарника предназначено для содержания и откорма в течение 135 дней 1200
поросят. Здание разделено на две изолированные секции по 600 голов. Секции
разделены на групповые станки с содержанием по 20 поросят в каждом. Станки
располагаются в четыре ряда образуя два кормовых прохода.
Технология
откорма свиней - откорм с безвыгульным мелкогрупповым содержанием в станках,
оборудованных щелевыми полами. Откармливают влажными кормосмесями, в которые
входят как сочные, так и концентрированные корма, произведенные в собственном
кормоцехе. Процесс приготовления и подачи корма в блоки и откормочники
автоматизирован.
Кормление
поросят производится из сосковых кормушек и поилок, установленных в станках. Кормление
двухразовое влажными кормовыми смесями. Заполнение кормушек производится
мобильным кормораздатчиком-смесителем КС-1,5.
В здании
поддерживается микроклимат с параметрами: температура воздуха - 14.20
, относительная влажность - 40. .75%,
содержание углекислого газа - 2 л/м3, скорость движения воздуха в
теплый период - 0,5 м/с, в холодный период - 0,3 м/с. Параметры микроклимата
поддерживаются с помощью приточно-вытяжной вентиляции, системы обогрева и
освещения.
Удаление
навоза из свинарника осуществляется навозоуборочными транспортерами ТС-1.
Транспортеры
удаляют навоз из помещения в навозонакопители.
В
свинарнике-откормочнике для осуществления производственного процесса применяем следующее
оборудование:
мобильный
кормораздатчик КС-1,5;
транспортер
навозоуборочный ТС-1;
отопительно-вентиляционная
система "Климат-45М".
Кормораздатчик-смеситель
КС-1,5 предназначен для смешивания и раздачи влажных (60. .80%) кормовых смесей
всем возрастным группам свиней на репродукторных и откормочных фермах. Раздатчик
перемещается по рельсовому пути, проложенному вдоль кормушек. Может раздавать
корм в кормушки расположенные по одну или обе стороны от раздатчика,
приготавливать и раздавать полужидкие и сухие корма.
Основные
узлы: бункер, шнековая и лопастная мешалка, выгрузные шнеки, дозирующие
устройства, ходовая тележка, приводы, распределительная коробка, площадка для
оператора, электрооборудование.
Навозоуборочный
транспортер ТС-1 со скрепером типа “Каретка” применяется для удаления навоза
из-под решетчатых полов в свиноводческих помещениях. Они выпускаются двух
модификаций - продольные и поперечные. Продольные - для удаления навоза из-под
решетчатых полов внутри помещений. Поперечные - для транспортировки навоза в
поперечном канале от животноводческих помещений до навозосборников и
навозохранилищ.
Для
регулирования микроклимата внутри помещения применяется
отопительно-вентиляционная система. В состав отопительно-вентиляционной системы
входит вентиляционное оборудование "Климат-45М". В данной системе
применяются вентиляторы с возможностью регулирования подачи воздуха за счет
изменения частоты вращения вала электродвигателя. В них используются
низконапорные вентиляторы серии ВО. Электродвигатели вентиляторов химо- и
влагостойки, допускают проведение дезинфекций, малошумные, обладают низкой
вибрацией.
Вентиляторы
ВЦ4-70 предназначены для притока воздуха в помещение. Состоит из рабочего
колеса, каркаса, всасывающего и нагнетательного патрубков, электропривода.
Технические
данные технологического оборудования:
Кормораздатчик-смеситель
КС-1,5
подача
при раздаче корма с полностью 30
открытыми
заслонками, т/ч
частота
вращения подающего 14
механизма,
об/мин
частота
вращения шнековой мешалки, об/мин 80
частота
вращения раздающих шнеков, об/мин 220
скорость
передвижения, м/с 0,36
длинна
раздатчика, мм 2700
ширина,
мм 1800
высота,
мм 1970
масса, кг
930
Транспортер
скребковый ТС-1
продольный поперечный
подача,
т/ч 10 10
длина
транспортирования, м 2/90 225
количество
рабочих органов, шт. 8 10
высота
рабочего органа, мм 390 390
масса
рабочего органа, кг 45 45
ширина
захвата, мм 660 660
глубина
навозных каналов, мм 800 1500
масса, кг
1450 3120
Отопительно-вентиляционная
система
Вытяжные
вентиляторы
комплект
"Климат-45М"
марка
вентилятора ВО-4
производительность
вентилятора, м3/ч 3300
количество
вентиляторов 24
частота
вращения электродвигателя
вентилятора,
об/мин
номинальная
950
минимальная
480
мощность
электродвигателя, кВт 0,37
диаметр
рабочего колеса, м 0,4
масса
вентилятора, кг 16
Приточные
вентиляторы
марка
вентилятора ВЦ4-70
установленная
мощность, кВт 2,2
воздухопроизводительность,
м3/ч 11500
полное
давление создаваемое 500
вентилятором,
Па
частота
вращения об/мин. 950
габаритные
размеры, мм
длина 920
ширина 895
высота 1102
масса, кг
186,3
Установки
вытяжной вентиляции расположены в нишах железобетонных плит, из которых
выполнены перекрытия, приточные вентиляторы на площадках, расположенных в
торцах здания, на уровне двух метров. Электроприводы навозоуборочных
транспортеров располагаются в отдельных помещениях.
Установки
раздачи корма размещены в проходах, на рельсах закрепленных на железобетонном
полу.
Произведём
расчёт электродвигателя, для привода канатно-скреперного транспортера ТС-1.
Определим
максимально возможную нагрузку в начале уборки, затем по условиям пуска
определим достаточный пусковой момент и мощность электродвигателя.
Определим
сопротивление движению рабочей ветви, Н;
(1.1)
где GH - масса порции
навоза, GH =495 кг [14];
GС - масса скрепера, Gc=45 кг;
WС - приведенный коэффициент
сопротивления перемещению навоза и скрепера; Wc=1,8,
стр.423 [14];
g - ускорение свободного падения,
g=9,81 м/с2;
L - длина цепи, L=180 м;
fН - коэффициент трения каната по
настилу, fН=0,5; стр.424 [14];
q - масса одного метра каната, q=0,4 кг; стр.423 [14].
Усилие,
затрачиваемое на преодоление сопротивления перемещения холостой ветви, Н:
(1.2)
Сопротивление
на преодоление инерции, Н:
(1.3)
где vcp -
средняя скорость, 0,25м/с стр.424 [14];
t - время разгона, с.
Натяжение
набегающей ветви каната, Н
(1.4)
Общее
сопротивление движению скреперной установки, Н:
(1.5)
Определим
требуемую мощность двигателя, кВт:
(1.6)
где ŋн
- коэффициент полезного действия передачи, ŋн =0,97;
Выбираем
электродвигатель марки АИР100S4, IР
- 64, с номинальной мощностью Рн=3 кВт.
При
выборе конструктивного исполнения электрооборудования, прежде всего необходимо
учитывать условия его эксплуатации, под которыми следует понимать воздействие
климатических факторов, состав окружающей среды, в частности содержание
коррозионно-активных элементов, взрыво - и пожароопасных смесей и т.д.
Так как
электрооборудование устанавливается для макроклиматического района с умеренным
и холодным климатом в помещении с искусственно регулируемыми климатическими
условиями, то климатическое исполнение будет УХЛ5. В помещении
свинарника-откормочника необходимо устанавливать оборудование со степенью
защиты оболочки IP54, так как эта защита удовлетворяет
нормальным эксплуатационным характеристикам помещения [27].
Все
данные по электродвигателям заносим в табл.1.1
Таблица 1.1
Основные параметры электродвигателей
|
Механизм или технологическая
операция
|
Показатели
|
|
Тип электродвигателя
|
Климат.
исполнен
|
Степень
защиты
|
Рн, кВт
|
Iн, А
|
сosφ, о. е.
|
КПД η,%
|
Кi
|
Iп, А
|
|
Кормораздатчик КС-1,5
двигатель раздачи
двигатель мешалки
привод перемещения
|
АИР71А4
АИР112М4
АИР71А4
|
УХЛ5
УХЛ5
УХЛ5
|
IP54
IP54
IP54
|
0,55
5,5
0,55
|
1,7
11,4
1,7
|
0,7
0,86
0,7
|
70,5
85,5
70,5
|
5,0
7,0
5,0
|
8,5
79,8
8,5
|
|
Транспортер ТС-1
|
АИР100S4
|
УХЛ5
|
IP64
|
3,0
|
6,7
|
0,83
|
82
|
7,0
|
46,9
|
|
Вентилятор вытяжной
|
АИРП80А6
|
УХЛ5
|
IP54
|
0,37
|
1,33
|
0,65
|
65
|
4,5
|
6
|
|
Вентилятор приточный
|
АИР80В2
|
УХЛ5
|
IP54
|
2,2
|
4,9
|
0,83
|
81
|
6,5
|
31,85
|
Для
объектов, где технологический процесс осуществляется строго по времени, то есть
когда выдерживается ритмичность производства, наиболее точно расчетную мощность
можно определить, построив график электрических нагрузок.
В АПК к
объектам с ритмичным производством относятся животноводческие здания. В
зданиях, где содержатся животные, в соответствии с зоотехнией большинство
технологических процессов механизировано с помощью электроприводов.
Поскольку
расчет ведем для свинарника-откормочника и в производственном процессе
задействованы биологические существа, где необходимо поддерживать заданный ритм
производства, то наиболее удобным и рациональным для расчета принимаем метод
технологического графика.
Сущность
метода заключается в составлении графика электрических нагрузок. Перед
построением графика предварительно проводим изучение и анализ технологического
процесса и электроприемников: определяем месторасположения приемников, выявляем
мощности электроприемников, выясняем режим работы, выявляем однофазные
электроприемники, определяем время работы электроприемников.
После
анализа технологического процесса сведем результаты во вспомогательную табл.1.2.
На основании вспомогательной таблицы строим график электрических нагрузок.
Таблица 1.2
Вспомогательная таблица
|
№
|
Наименование
технологической
операции
|
Марка
рабочей
машины
|
Номинальная мощность, кВт.
|
Длительность работы, ч.
|
1
|
2-4
|
5
|
6
|
7
|
8
|
9
|
10
|
11
|
12-14
|
15
|
16
|
17
|
18
|
19
|
20
|
21
|
22-24
|
|
Длительность действия операции, ч
|
1
|
ОВС
приток
вытяжка
Климат-45М
|
8,8
8,88
|
24
24
|
----------------------------------------------------------------------------------------------------------------------------------------------------------
|
2
|
Кормление животных
|
КС-1,5
|
14,3
|
2
|
- - ---
|
3
|
Уборка навоза
|
ТС-1
|
12
|
1
|
|
4
|
Освещение
|
--------
|
4,5
|
7
|
------------- - ----------- -
|
Рисунок 1.1
- Нагрузочная диаграмма
Из
графика электрических нагрузок видно, что максимальная мощность равна Рмакс=36,48
кВт. Длится максимум нагрузки tм=60
мин. Поскольку время действия максимума больше 0,5 часа, то за расчетную
принимаем нагрузку равную максимальной, кВт:
.
Определяем
расход электроэнергии за сутки, кВтч:
(1.7)
где Pi - мощность i-го электроприемника, кВт;
ti -
длительность работы i-го электроприемника, ч.
Установленная
мощность, кВт:
(1.8)
Определяем
величину установленной мощности с учетом электроприемников, участвующих в
формировании максимума нагрузок.
Рассчитываем
средневзвешенное значение коэффициента мощности нагрузок:
(1.9)
где tgφ - определяем через
каталожные данные cosφ конкретных
электроприемников, участвующих в формировании максимума нагрузок [8].
Расчетный
ток, А:
(1.10)
где U - линейное напряжение сети, В.
Питание
электроустановок здания предусматривается напряжением 380/220 В переменного
тока от отдельно стоящей двухтрансформаторной подстанции закрытого типа. Система
токоведущих проводников для питания электроприемников, относящихся к силовому
электрооборудованию - трехфазная четырехпроводная - от ТП до ВРУ-1. Питающие
линии от подстанции выполнены кабелем, проложенным в земле. На вводе в здание
предусматривается повторное заземление кабеля ("брони").
Для
проектируемого объекта принимаем систему заземления типа TN-С-S, которая характеризует тем, что от трансформаторной
подстанции до ввода в здание предусматривается трехфазная четырехпроводная
система проводников, а от вводного устройства до распределительных пунктов
применяется - пятипроводная, а от распределительного пункта к электродвигателю -
четырехпроводная (три фазы и РЕ-проводник).
Анализ
установленных электроприемников показывает, что в основном они расположены в
здании симметрично относительно оси 9. Исходя из этого, ориентировочно центр
электрических нагрузок расположен в осях 9-10. Из условий месторасположения
центра электрических нагрузок, для размещения электрических щитов, принимаем
помещение №2 (электрощитовая). На вводе производим установку вводного
устройства серии ВРУ-1. Способ установки устройства - напольный. Климатическое
исполнение - У3, степень защиты - IP54. В качестве
аппаратов защиты принимаем предохранители ПН-2.
Для
питания отдельных групп электроприемников принимаем шкаф распределительный типа
ШР-11 с восемью отходящими линиями. В качестве аппаратов защиты принимаем
предохранители типа НПН-2.
Для
приема и распределения электроэнергии в свинарнике-откормочнике предусматриваем
радиально-магистральную схему электрической сети. После анализа все
электроприемники с учетом их расположения и принадлежности к технологическим
линиям разбиваем на группы. Принимаем что электроприемники №1, №2, №3, В1. В12,
П1 и П2 запитываются от узла питания РП1, установленного в электрощитовой. Остальные
электроприемники - от РП2, установленного также в электрощитовой. Щиток
освещения запитывается непосредственно от вводного устройства.
Управление
электроприемниками кормораздатчиков производится с пультов управления, которые
поставляются в комплекте с технологическим оборудованием.
Ввод в здание
осуществляется двумя питающими линиями, с возможностью перевода питания с одной
линии на другую, при выходе из строя первой питающей линии.
Для
защиты обслуживающего персонала, а также животных, находящихся в здании, в
случае прикосновения к токоведущим частям, на вводе в здание предусматриваем
автоматическое отключение питания. Для устанавливаем автоматический выключатель
серии ВД1 с УЗО с номинальным отключающим дифференциальным током 100 мA.
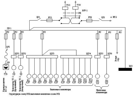
Структурную
схему электрической сети приведем на рис.1.2
Рисунок 1.2
- Структурная схема электрической сети
Принципиальная
схема питающей сети это графический документ дающий полное представление об
электрической сети здания, на которой приведена информация обо всех
электрических цепях, всех аппаратах и устройствах, а также изделиях необходимых
для исполнения сети.
Принципиальную
схему разрабатываем на основании структурной схемы. Сначала выполняем
принципиальную схему питающей сети, затем - распределительной. Разработку
принципиальной схемы распределительной сети начинаем с вычерчивания линий шин
РП, записываем информацию о самом РП, под чертой указываем заводской тип
устройства. На принципиальных схемах все аппараты указываем полностью и
обозначаем линии. Разработку принципиальной схемы питающей сети начинаем с
вычерчивания вводного устройства. Далее ее выполняем в такой же последовательности
как схему распределительной сети.
Принципиальные
схемы питающей и распределительной сети приведем в графической части (лист 2).
Коммутационный
аппарат на вводе в ВРУ поставляется в комплекте с данным устройством. В нашем
случае коммутационным аппаратом является переключатель.
Номинальное
напряжение переключателя, В:
где
- номинальное напряжение
сети, в данном случае расчетное напряжение на вводе в РП, В.
Номинальный
ток переключателя, А:
(1.11)
где Iн. уст - номинальный ток
уставки, в данном случае расчетный ток на вводе в РП, А.
Принимаем
переключатель на 250 А.
Исходя из
этого условия, а также выше перечисленных в п.1.6 2 дипломного проекта принимаем
вводное устройство ВРУ-1-11-10-М-У3IP54 с номинальным
напряжением U=400В и током переключателя Iн=250А, стр.30 [7].
Коммутационный
аппарат на вводе в РП также поставляется в комплекте с ШР11. В данном случае
коммутационным аппаратом является рубильник ВР32-35В. Принимаем
распределительные пункты типа ШР11-73504-54У3 с предохранителями НПН2-60 на
отходящих линиях и током шкафа Iн=400А, стр.37
[7]. Шкаф имеет восемь отходящих линий.
Выбор
предохранителей производим по трем условиям:
(1.12)
(1.13)
(1.14)
где Uн. уст. - номинальное напряжение установки
или сети, В;
Iдл - длительно воздействующий
ток (рабочий ток двигателя при полной загрузке), А;
Imax - пусковой ток
двигателя, А;
α
- коэффициент учитывающий условия пуска электродвигателя, стр.27 [1].
Произведем
выбор предохранителя для защиты питающей сети кормораздатчика.
Номинальное
напряжение сети, В:
Ток
плавкой вставки, А:
(1.15)
где kод - коэффициент
одновременности;
Ip. max - рабочий
ток двигателя при полной загрузке, А.
(1.16)
где Iпуск. н - пусковой ток наибольшего по
мощности двигателя, А.
Принимаем
предохранитель по табл.2.15 [10] НПН2-60-40 c
номинальным током плавкой вставки 40 А.
Произведем
выбор предохранителя для защиты электропривода навозоуборочного транспортера. Ток
плавкой вставки, А:
Принимаем
предохранитель НПН2-60-20.
Произведем
выбор предохранителя, обозначенного на структурной схеме электрической сети как
FU1. Расчетный ток в этом случае будет равен 34,65 А,
то есть половине тока на вводе.
По току
плавкой вставки выбираем предохранитель, А:
Принимаем
предохранитель ПН2-100-50, с номинальным током плавкой вставки 50 А.
Остальные
предохранители выбираем аналогично. Данные предохранителей сносим в табл.1.3
Таблица 1.3
Аппараты защиты
|
Обозначение
по принц.
схеме
|
Ток, А
|
Принятая
величина
α
|
Расчетная
величина
Imax/α
|
Защитный аппарат
|
|
Ip
|
Imax
|
Обозна-
чение
|
Тип
|
Iн,
А
|
Iвст,
А
|
|
1
|
2
|
3
|
4
|
5
|
6
|
7
|
8
|
9
|
|
Н1
|
34,65
|
114,45
|
2,5
|
45,78
|
FU1
|
ПН2-100
|
100
|
50
|
|
1Н1
|
14,8
|
83,2
|
2,5
|
33,28
|
FU
|
НПН2-60
|
63
|
40
|
|
2Н1
|
6,7
|
46,9
|
2,5
|
18,76
|
FU
|
НПН2-60
|
63
|
20
|
|
3Н1
|
6,7
|
46,9
|
2,5
|
18,76
|
FU
|
НПН2-60
|
63
|
20
|
|
1ВН1
|
15,96
|
20,61
|
2,5
|
8,12
|
FU
|
НПН2-60
|
63
|
16
|
|
1П1
|
4,9
|
31,85
|
2,5
|
12,74
|
FU
|
НПН2-60
|
63
|
16
|
|
1
|
2
|
3
|
4
|
5
|
6
|
7
|
8
|
9
|
|
2П1
|
4,9
|
31,85
|
2,5
|
12,74
|
FU
|
НПН2-60
|
63
|
16
|
|
Н2
|
34,65
|
114,45
|
2,5
|
45,78
|
FU2
|
ПН2-100
|
100
|
50
|
|
4Н1
|
14,8
|
83,2
|
2,5
|
33,28
|
FU
|
НПН2-60
|
63
|
40
|
|
5Н1
|
6,7
|
46,9
|
2,5
|
18,76
|
FU
|
НПН2-60
|
63
|
20
|
|
6Н1
|
6,7
|
46,9
|
2,5
|
18,76
|
FU
|
НПН2-60
|
63
|
20
|
|
3ВН1
|
15,96
|
20,61
|
2,5
|
8,12
|
FU
|
НПН2-60
|
63
|
16
|
|
3П1
|
4,9
|
31,85
|
2,5
|
12,74
|
FU
|
НПН2-60
|
63
|
16
|
|
4П1
|
4,9
|
31,85
|
2,5
|
12,74
|
FU
|
НПН2-60
|
63
|
16
|
Произведем
выбор автоматического выключателя QF1 для защиты
электроприводов кормораздатчика КС-1,5.
Автоматический
выключатель выбираем по следующим условиям:
номинальное
напряжение автомата, В:
(1.17)
где Uну - номинальное напряжение установки,
В.
номинальный
ток автомата, А:
(1.18)
где Iну - номинальный ток установки, А.
ток
теплового расцепителя, А:
(1.19)
где kнт - коэффициент надежности, стр.33 [1];
Iр - рабочий ток установки, А.
ток
срабатывания электромагнитного расцепителя, А:
(1.20)
где kн. э - коэффициент
надежности, учитывающий разброс по току электромагнитного расцепителя и
пускового тока электродвигателя, стр.33 [1];
Imax - максимальный
ток установки, А.
Произведем
выбор:
Принимаем
к установке автоматический выключатель серии ВА51-25-340010Р54У5 с номинальным
током 25А, током теплового расцепителя 20 А, током срабатывания
электромагнитного расцепителя 140А, табл.2.19 [10].
Аналогично
выбираем автоматический выключатель для защиты от аварийных режимов работы
приточного вентилятора ВЦ4-70. Выбираем автоматический выключатель серии
ВА51-25 с номинальным током 25 А, током теплового расцепителя 8 А, током
срабатывания электромагнитного расцепителя 80А.
Произведем
выбор теплового реле для защиты электропривода вентилятора от перегрузок. Тепловое
реле выбираем по условиям:
номинальное
напряжение реле, В:
(1.21),
номинальный
ток реле, А
(1.22),
ток
нагревательного элемента реле, А:
(1.23)
Принимаем
тепловое реле типа РТЛ101004 с
током теплового расцепителя Iнр = 3,8…6,0 А,
прил. В [15].
Выбор
электромагнитного пускателя производим по номинальному току и напряжению,
исполнению и категории размещения.
Произведем
выбор пускателя для управления электроприводом вентилятора ВЦ 4-70.
Номинальное
напряжение пускателя, В:
(1.24)
Номинальный
ток пускателя, А:
(1.25)
Принимаем
электромагнитный пускатель ПМЛ-120002 с номинальным током 10А, прил. Б [15].
Для
управления электроприемников принимаем кнопочный пост ПКЕ-112-2.
В
свинарнике-откормочнике применяем как наружную, так внутреннюю электропроводку.
Наружная электропроводка применяется для освещения входов и наружных лестниц,
внутренняя - для питания электроприемников внутри здания.
В здании
свинарника монтируем открытую электропроводку на лотках. Отходящие линии от
лотков к вытяжным вентиляторам выполняем в металлорукавах, от лотка к щитам
управления навозоуборочного транспортеров и приточных вентиляторов - открыто на
скобах, от щита к электроприводам навозоуборочных транспортеров - в
металлорукавах, от щитов управления к приточным вентиляторам - открыто на
скобах. Запитку электрооборудования кормораздатчиков производим при помощи
гибкого кабеля, уложенного по деревянному лотку.
Для
выполнения электропроводки в здании свинарника-откормочника применяем кабель
марки АВВГ с алюминиевыми жилами. Для питания кормораздатчика КС-1,5 применим
гибкий кабель КГ с медными жилами.
В
помещениях, где находятся животные, выполняем устройство выравнивания
электрических потенциалов, а также дополнительную систему уравнивания
потенциалов, которая объединяется с помощью защитных РЕ-проводников.
Для этого
все открытые проводящие части и сторонние проводящие части, доступные одновременному
прикосновению (трубы водопровода, стойловые металлические конструкции,
напольная решетка) соединяются между собой.
Выбор
сечения жил кабелей производим по условию нагревания длительно расчетным током:
(1.26)
где Iдл - длительный (расчетный) ток
электроприемника, А; I’доп -
длительно допустимый ток кабеля, А: КП - поправочный
коэффициент, учитывающий условия прокладки проводов и кабелей (прил. К [27]).
По
условию соответствия сечения проводника току срабатывания защитного аппарата:
, (1.27)
где Kз - кратность допустимого тока
проводника по отношению к номинальному току или току срабатывания защитного
аппарата (прил. М [27]);
Iз - номинальный ток или ток
срабатывания защитного аппарата, А (для предохранителей номинальный ток плавкой
вставки), табл.1.3;
Произведем
расчет сечения жилы кабеля для линии 2Н1. Допустимый ток двигателя, А:
По табл.12.1
[1] принимаем стандартное сечение жилы кабеля 2,5 мм2 с допустимым
током для пятижильного кабеля 17,48 А.
Поскольку
условие выполняется, то окончательно принимаем кабель АВВГ 5×2,5 с
допустимым длительным током 17,48 А. Выбор сечения жил кабелей для питания
остальных электроприемников производим аналогично, данные заносим в табл.4. После
определения сечения жил всех кабелей производим проверку на потери напряжения
самой длинной линии, которые в конце участка линии не должны превышать 4%.
Потери
напряжения на участке 2Н1 определяем по формуле:
(1.28)
где Р
- мощность на участке, кВт;
F - площадь поперечного сечения
токопроводящей жилы, мм2.
С -
коэффициент зависящий от материала проводов, системы
и
напряжения сети,
.
Данные по
расчету потерь заносим в табл.1.4
Таблица 1.4.
Расчет сечений кабелей
|
Участок
сети
|
Ip,
А
|
Iвст,
А
|
l,
м
|
Марка и
сечение
|
Iтабл,
А
|
∆U,%
|
|
1
|
2
|
3
|
4
|
5
|
6
|
7
|
8
|
|
Н1
|
34,65
|
50
|
0,33
|
3,5
|
АВВГ5×16
|
55,2
|
0,09
|
|
1Н1
|
14,8
|
40
|
0,33
|
3,0
|
АВВГ5×4
|
24,84
|
0,12
|
|
1Н2
|
14,8
|
40
|
1
|
56
|
КГ4×2,5
|
25,8
|
3,48
|
|
2Н1
|
6,7
|
20
|
0,33
|
62
|
АВВГ5×2,5
|
17,5
|
1,62
|
|
2Н2
|
6,7
|
20
|
1
|
7
|
АВВГ4×2,5
|
17,5
|
0,18
|
|
3Н1
|
6,7
|
20
|
0,33
|
64
|
АВВГ5×2,5
|
17,5
|
1,67
|
|
3Н2
|
6,7
|
20
|
1
|
3
|
АВВГ4×2,5
|
17,5
|
0,08
|
|
1ВН1
|
15,96
|
16
|
0,33
|
2
|
АВВГ5×2,5
|
17,5
|
0,08
|
|
2ВН1
|
7,98
|
10
|
0,33
|
2
|
АВВГ5×2,5
|
17,5
|
0,04
|
|
В1Н2
|
1,33
|
6
|
1
|
23
|
АВВГ4×2,5
|
17,5
|
0,07
|
|
В2Н2
|
1,33
|
6
|
1
|
29
|
АВВГ4×2,5
|
17,5
|
0,09
|
|
В3Н2
|
1,33
|
6
|
1
|
35
|
АВВГ4×2,5
|
17,5
|
0,11
|
|
В4Н2
|
1,33
|
6
|
1
|
41
|
АВВГ4×2,5
|
17,5
|
0,13
|
|
В5Н2
|
1,33
|
6
|
1
|
47
|
АВВГ4×2,5
|
17,5
|
0,15
|
|
В6Н2
|
1,33
|
6
|
1
|
53
|
АВВГ4×2,5
|
17,5
|
0,17
|
|
В7Н2
|
1,33
|
6
|
1
|
53,5
|
АВВГ4×2,5
|
17,5
|
0,17
|
|
В8Н2
|
1,33
|
6
|
1
|
47,5
|
АВВГ4×2,5
|
17,5
|
0,15
|
|
В9Н2
|
1,33
|
6
|
1
|
41,5
|
АВВГ4×2,5
|
17,5
|
0,13
|
|
В10Н2
|
1,33
|
6
|
1
|
35,5
|
АВВГ4×2,5
|
17,5
|
0,11
|
|
В11Н2
|
1,33
|
6
|
1
|
29,5
|
АВВГ4×2,5
|
17,5
|
0,09
|
|
В12Н2
|
1,33
|
6
|
1
|
23,5
|
АВВГ4×2,5
|
17,5
|
0,08
|
|
П1Н1
|
4,9
|
16
|
0,33
|
60
|
АВВГ5×2,5
|
17,5
|
1,15
|
|
П1Н2
|
4,9
|
16
|
1
|
2
|
АВВГ4×2,5
|
17,5
|
0,04
|
|
П2Н1
|
4,9
|
16
|
0,33
|
60
|
АВВГ5×2,5
|
17,5
|
1,15
|
|
П2Н2
|
4,9
|
16
|
1
|
2
|
АВВГ4×2,5
|
17,5
|
0,04
|
|
О1
|
7,3
|
10
|
1
|
12
|
АВВГ5×2,5
|
17,5
|
0,47
|
|
Н2
|
34,65
|
50
|
0,33
|
3,5
|
АВВГ5×16
|
55,2
|
0,09
|
|
4Н1
|
14,8
|
40
|
0,33
|
11,5
|
АВВГ5×4
|
24,84
|
0,45
|
|
4Н2
|
14,8
|
40
|
1
|
56
|
КГ4×2,5
|
25,8
|
3,48
|
|
5Н1
|
6,7
|
20
|
0,33
|
62
|
АВВГ5×2,5
|
17,5
|
1,62
|
|
5Н2
|
6,7
|
20
|
1
|
7
|
АВВГ4×2,5
|
17,5
|
0,18
|
|
6Н1
|
6,7
|
20
|
0,33
|
64
|
АВВГ5×2,5
|
17,5
|
1,67
|
|
6Н2
|
6,7
|
20
|
1
|
3
|
АВВГ4×2,5
|
17,5
|
0,08
|
|
3ВН1
|
15,96
|
16
|
0,33
|
2
|
АВВГ5×2,5
|
17,5
|
0,08
|
|
4ВН1
|
7,98
|
10
|
0,33
|
2
|
АВВГ5×2,5
|
17,5
|
0,04
|
|
В13Н2
|
1,33
|
6
|
1
|
17
|
АВВГ4×2,5
|
17,5
|
0,05
|
|
В14Н2
|
1,33
|
6
|
1
|
23
|
АВВГ4×2,5
|
17,5
|
0,07
|
|
В15Н2
|
1,33
|
6
|
1
|
29
|
АВВГ4×2,5
|
17,5
|
0,09
|
|
В16Н2
|
1,33
|
6
|
1
|
35
|
АВВГ4×2,5
|
17,5
|
0,11
|
|
В17Н2
|
1,33
|
6
|
1
|
41
|
АВВГ4×2,5
|
17,5
|
0,13
|
|
В18Н2
|
1,33
|
6
|
1
|
47
|
АВВГ4×2,5
|
17,5
|
0,15
|
|
В19Н2
|
1,33
|
6
|
1
|
47,5
|
АВВГ4×2,5
|
17,5
|
|
В20Н2
|
1,33
|
6
|
1
|
41,5
|
АВВГ4×2,5
|
17,5
|
0,13
|
|
В21Н2
|
1,33
|
6
|
1
|
35,5
|
АВВГ4×2,5
|
17,5
|
0,11
|
|
В22Н2
|
1,33
|
6
|
1
|
29,5
|
АВВГ4×2,5
|
17,5
|
0,09
|
|
В23Н2
|
1,33
|
6
|
1
|
23,5
|
АВВГ4×2,5
|
17,5
|
0,08
|
|
В24Н2
|
1,33
|
6
|
1
|
17,5
|
АВВГ4×2,5
|
17,5
|
0,06
|
|
П3Н1
|
4,9
|
16
|
0,33
|
60
|
АВВГ5×2,5
|
17,5
|
1,15
|
|
П3Н2
|
4,9
|
16
|
1
|
2
|
АВВГ4×2,5
|
17,5
|
0,04
|
|
П4Н1
|
4,9
|
16
|
0,33
|
60
|
АВВГ5×2,5
|
17,5
|
1,15
|
|
П4Н2
|
4,9
|
16
|
1
|
2
|
АВВГ4×2,5
|
17,5
|
0,04
|
Произведем
расчет потерь напряжения в конце самой протяженной линии:
(1.29)
Поскольку
условие ∆U <
4% соблюдается, то делаем вывод, что кабели выбранные по допустимому току
удовлетворяют требованиям потерь напряжения (исходя из данных табл.1.4),
которые не превышают 4%. Значит выбор кабелей произведен верно.
Свинарник-откормочник
на 1200 голов предназначен для содержания и откорма поросят в течение 135 дней.
Стены
здания выполнены из кирпича. Перекрытия - сборные железобетонные плиты. Полы -
бетонные. Окна, двери - деревянные. Отделка внутренняя - побелка известковым
раствором.
Инженерное
оборудование. Отопление - водяное с параметрами 95°С. Вентиляция -
приточно-вытяжная с механическим побуждением.
Таблица 1.5
Характеристика помещений
|
№ на плане
|
Наименование и размеры
(длина × ширина ×
высота, м)
помещений
|
Характеристика поверхностей
|
|
стен
|
потолка
|
|
1
|
Помещение для откорма свиней (42×8×3)
|
Побелка
|
Побеленный потолок
|
|
2
|
Электрощитовая (3×2,5×3)
|
Побелка
|
Побеленный потолок
|
|
3
|
Помещение для контрольного
взвешивания свиней (6×2,5×3)
|
Побелка
|
Побеленный потолок
|
|
4
|
Инвентарная (3×2,5×3)
|
Побелка
|
Побеленный потолок
|
|
5
|
Помещение для приводов
транспортеров
(6×3,2×3)
|
Побелка
|
Побеленный потолок
|
|
6
|
Тамбур (3×3×3)
|
Побелка
|
Побеленный потолок
|
|
7
|
Коридор (16×3×3)
|
Побелка
|
Побеленный потолок
|
|
8
|
Венткамера (6×3,2×2)
|
Побелка
|
Побеленный потолок
|
|
9
|
Освещение входов
|
-
|
-
|
|
10
|
Освещение лестничной площадки
|
-
|
-
|
Выбор
источников света определяется технико-экономическими показателями и
производится по рекомендациям СНБ 2.0405-98 и "Отраслевых норм освещения
сельскохозяйственных предприятий, зданий и сооружений".
В
соответствии с требованиями СНБ в помещении для откорма, электрощитовой и
помещении для контрольного взвешивания свиней принимаем газоразрядные лампы
низкого давления, а в остальных помещениях, а также уличное освещение - лампы
накаливания.
Выбор
системы освещения зависит от уровня нормируемой освещенности рабочих
поверхностей. Так как нормируемая освещенность рабочей поверхности 200 лк и
менее применяем систему общего освещения, которое выполнено с равномерным
размещением светильников. Вид освещения - рабочее и дежурное, которое занимает
10% от рабочего.
Нормируемую
освещенность рабочих поверхностей можно определить по табл.2.5 [3] или СНБ 2.0405-98,
в зависимости от характеристики зрительных работ, наименьшего размера объекта
различения, контраста объекта различения с фоном и характеристики фона. Для
облегчения определения норм освещенности на основе СНБ 2.0405-98 разработаны
отраслевые нормы рабочего освещения производственных, административных, общественных
и бытовых помещений, нормируемая освещенность по которым определяется в
зависимости от технологического назначения помещений.
Уменьшение
освещенности в расчетах установленной мощности источников учитывается
коэффициентом запаса Кз, значение которого зависит от наличия пыли,
дыма и копоти в рабочей зоне помещения, от конструкции светильников, типа
источников света и периодичности чисток светильников. Значение коэффициентов
запаса приведены в СНБ 2.0405-98.
Отраслевые
нормы освещения сельскохозяйственных предприятий, зданий и сооружений
рекомендуют принимать коэффициент запаса для ламп накаливания 1,15, а для
газоразрядных ламп - 1,3. При этом чистка светильников должна проводиться не
реже 1 раза в 3 месяца. Результаты решений сведём в табл.1.6
Определяем
категорию помещения №1 по условиям окружающей среды и минимально допустимую
степень защиты светильника. Из номенклатуры светильников выделяем те, которые
удовлетворяют минимально допустимой степени защиты. Учитывая производственный
характер помещения, оставляем светильники, имеющие прямой (П) класс
светораспределения. Так как высота подвеса светильников 2,8 м, то целесообразно
выбрать светильник, имеющий кривую силы света Д или Г-1. Предварительно
принимаем светильник ЛСП18-2×36 прямого светораспределения (П) с кривой
силой света (Д) и степенью защиты IP54 по табл.2.2 [3].
Аналогично
выбираем светильники для других помещений и данные заносим в табл.1.6
Таблица 1.6
Результаты выбора светильников
|
№ по плану и наименование
помещения
|
Категория
среды
|
Е, лк
|
Кз
|
Плоскость
нормирования
|
Система освещения
|
Минимально допустимая
степень защиты
|
Вид освещения
|
Принятый светильник
|
|
Наименование
серии
|
Тип КСС
|
Степень
защиты
|
|
1. Помещение для откорма свиней
|
сырое
|
50
|
1,3
|
Г-0
|
Общая равномерная во всех
помещения
|
IP54
|
Рабочее во всех помещениях кроме
помещения №1
|
ЛСП18-2×36
|
Д-1
|
IP54
|
|
2. Электрощитовая
|
сухое
|
150
|
1,3
|
В-1,5
|
IP20
|
ЛСП18-2×36
|
Д-1
|
IP54
|
|
3. Помещение для контрольного
взвешивания свиней
|
сырое
|
150
|
1,3
|
Г-0,8
|
IP20
|
ЛСП18-2×36
|
Д-1
|
IP54
|
|
4. Инвентарная
|
сухое
|
50
|
1,15
|
Г-0
|
IP20
|
НСП02
|
М
|
IP54
|
|
5. Помещение
для приводов транспортеров
|
влажное
|
30
|
1,15
|
Г-0,8
|
IP54
|
НСП02
|
М
|
IP54
|
|
6. Тамбур
|
сухое
|
20
|
1,15
|
Г-0
|
IP20
|
ПСХ
|
М
|
IP54
|
|
7. Коридор
|
сухое
|
75
|
1,15
|
Г-0
|
IP54
|
ЛСП18-2×36
|
Д-1
|
IP54
|
|
8. Венткамера
|
сухое
|
30
|
1,15
|
В-0,8
|
IP20
|
НСП02
|
М
|
IP54
|
|
9. Освещение входов
|
нар. уст.
|
20
|
1,15
|
Г-0
|
IP54
|
НСП02
|
М
|
IP54
|
|
10. Лестничная клетка
|
нар. уст.
|
20
|
1,15
|
Г-0
|
IP54
|
ПСХ
|
Д-1
|
IP54
|
Размещаем
светильники в помещении для содержания поросят в светящуюся линию над проходом.
В остальных помещениях - по углам прямоугольника (соотношение сторон не более
1,5:
1) или
вершинам ромба с учётом допуска к светильникам для обслуживания.
Требования
к минимально допустимой высоте установки светильников изложены в ПУЭ и зависят
от категории помещения по степени опасности поражения электрическим током,
конструкции светильника, напряжения питания ламп.
Помещение
№1.
Светильники
подвешиваются на тросу. Трос крепится на высоте равной Но=3,0
м.
Расчётная
высота, в м, установки светильника:
Нр
=Но-hсв,
(1.30)
где Но
- высота крепления троса, м;
hс - высота свеса светильника (расстояние
от светового центра светильника до перекрытия), определяемая с учётом размеров
светильников и способа их установки, м.
Нр
=3- 0,2=2,8 м.
Для светильника
ЛСП18-2×36 λс=1,2…1,6 (табл.2.14 [3]). Принимаем λс=1,6.
Расстояние
между светильниками в ряду, м:
Lв=1,6·Нр, (1.31)
Lв = 1,6·2,8=4,48 м.
Расстояние
от стены до ряда и до крайнего светильника в ряду, м:
lа= (0,3...0,5) Lв, (1.32)
la=lв
= 0,3.4,48=1,34 м.
Число
рядов принимаем равное N2=1. Так
ряд располагается в проходе.
Аналогично
размещаем светильники в других помещениях, и результаты заносим в табл.1.7
Таблица 1.7
Параметры размещения светильников в помещениях
|
№ по плану и наименование помещения
|
НР,
м
|
Количество, шт.
|
Расстояние, м
|
Способ крепления светильников
|
|
N2
|
N1
|
LA
|
LB
|
lA
|
lВ
|
|
1. Помещение для откорма свиней
|
2,8
|
1
|
-
|
-
|
-
|
1,34
|
4
|
На тросу
|
|
2. Электрощитовая
|
1,3
|
1
|
-
|
-
|
-
|
0,6
|
1,5
|
На крюках
|
|
3. Помещение для контрольного
взвешивания свиней
|
2
|
2
|
-
|
-
|
-
|
0,6
|
1,01
|
На крюках
|
|
4. Инвентарная
|
2,8
|
1
|
1
|
-
|
-
|
1,5
|
1,25
|
На крюках
|
|
5. Помещение
для приводов транспортеров
|
2
|
2
|
1
|
-
|
3,3
|
1,6
|
1,35
|
На крюках
|
|
6. Тамбур
|
2,8
|
1
|
1
|
-
|
-
|
1,5
|
1,5
|
На крюках
|
|
7. Коридор
|
2,8
|
4
|
1
|
-
|
4,3
|
1,5
|
1,5
|
На крюках
|
|
8. Венткамера
|
2
|
2
|
1
|
-
|
1,6
|
1,35
|
На крюках
|
|
9. Освещение входов
|
2,8
|
1
|
1
|
-
|
-
|
-
|
-
|
На крюках
|
|
10. Освещение лестничной площадки
|
2,5
|
1
|
1
|
-
|
-
|
-
|
-
|
На крюках
|
Произведем
расчет мощности ламп в помещении для откорма свиней методом удельной мощности. Метод
применяют при приближенном расчете осветительных установок помещений.
По табл.2.20
[3] определяем табличное значение удельной мощности:
.
По табл.2.17
[3] в зависимости от материала и окраски рабочих поверхностей определяем
коэффициент отражения рабочих поверхностей:
потолка
; стен
;
рабочей
поверхности
.
Определяем
расчетное значение удельной мощности, для чего вычисляем значения поправочных
коэффициентов:
коэффициент
приведения коэффициента запаса к табличному значению:
, (1.33)
где Кзреал
- реальное значение коэффициента запаса осветительной установки, табл.2.9
[3];
Кзтабл
- табличное значение коэффициента запаса осветительной установки, табл.2.20
[3];
.
коэффициент
приведения коэффициентов отражения к табличном значениям:
(1.34)
где Sп - площадь потолка, м2;
Sс - площадь стен, м2;
Sр - площадь рабочей
поверхности, м2.
коэффициент
приведения напряжения питания к табличному значению, принимаем К4
= 1, так как Uн = 220В.
Определяем
число светильников в помещении, шт:
(1.35)
Принимаем
число светильников в помещении N1
= 10 светильников.
Произведем
проверку рассчитанного количества и марки ламп точечным методом. На плане
помещения помечаем контрольную точку - точку с минимальной освещённостью. Затем
вычисляем значения условной освещённости в контрольной точке.
Разделим
предварительно помещение №1 на 2-е равные части, так как ряд светильников
расположен над проходом. Выполняем светотехнический расчёт точечным методом.
По табл.1.6
определяем Ен=50 лк, коэффициент запаса Кз=1,3.
Расчётная высота установки светильников Нр=2,8 м (табл.1.7).
Размещаем
ряд светильников на плане помещения в соответствии с исходными данными и
намечаем контрольную точку, которая расположена у стены на расстоянии от начала
ряда 2,8 м и 4 м от самого ряда, т.е. L1=2,8
м и P1 = 4м. Освещенность
в этой точке должна быть не менее 25% от номинальной, т.е.12,5 лк (стр.85 [3]).
Определяем
приведённые размеры: 
(1.36)

(1.37)
(1.38)
(1.39)
По
линейным изолюксам для светильников с ЛЛ и КСС типа Д рис.2.13 [3] определяем е1=40
лк; e2=61 лк. Суммарная
освещенность в контрольной точке, лк:
∑еа
= е1 + е2, (1.40), ∑еа=
40 + 61=101 лк.
Определяем
расчётное значение линейной плотности светового потока, лм:
(1.41),
где Ен
- нормированное значение освещённости рабочей поверхности табл.2.5 [3], лк;
Кз
- коэффициент запаса табл.2.9 [3];
µ
- коэффициент добавочной освещённости, учитывающий воздействие "удалённых"
светильников и отражённых световых потоков на освещаемую поверхность (принимаем
равным 1,1…1,2);

Рисунок 1.3
- План помещения №1
По табл.1.7
[3] поток лампы будет равен 3050 лм.
Количество
светильников в светящемся ряду длиной, м:
(1.42)

(1.43)
где nс - число ламп в светильнике, шт.;
Lр - длина светящегося ряда, м.
Принимаем
N1 = 10.
Расстояние
между светильниками в ряду, предварительно определив длину светильника по табл.1.7
[3] lс = 1,348 м:
(1.44)
Результаты
расчёта сводим в табл.1.8
Таблица 1.8
Светотехническая ведомость
|
№ п/п
|
Наименование помещения
|
Габариты (длинахширинах
высота)
|
Класс по условиям окружающей среды
|
Коэффициенты отражения (ρп,
ρс, ρр),%
|
Система освещения
|
Нормы освещенности, лк
|
Поверхность нормирования
освещенности
|
Светильники
|
Лампы (тип, мощность, Вт)
|
Установленная мощность, Вт
|
Примечание
|
|
Тип
|
Число
|
|
1
|
Помещение для откорма свиней
|
(42×8×3)
|
сырое
|
30,10,10
|
Общая равномерная во всех
помещениях
|
50
|
Г-0
|
ЛСП18-2×36
|
4×9
|
ЛБ-36
|
2592
|
Состоит из
4-х частей
|
|
2
|
Электрощитовая
|
(3×2,5×3)
|
сухое
|
30,10,10
|
150
|
В-1,5
|
ЛСП18-2×36
|
1
|
ЛБ-36
|
72
|
|
|
3
|
Помещение для контрольного
взвешивания свиней
|
(6×2,5×3)
|
сырое
|
30,10,10
|
150
|
Г-0,8
|
ЛСП18-2×36
|
2
|
ЛБ-36
|
144
|
|
|
4
|
Инвентарная
|
(3×2,5×3)
|
сухое
|
30,10,10
|
50
|
Г-0
|
НСП02
|
1
|
Б220-230-40
|
40
|
|
|
5
|
Помещение для приводов
транспортеров
|
(6×3,2×3)
|
влажное
|
30,10,10
|
30
|
Г-0,8
|
НСП02
|
2×2
|
Б220-230-60
|
240
|
Два помещения
|
|
6
|
Тамбур
|
(3×3×3)
|
сухое
|
30,10,10
|
20
|
Г-0
|
ПСХ
|
4×1
|
Б220-230-60
|
240
|
Четыре помещения
|
|
7
|
Коридор
|
(16×3×3)
|
сухое
|
30,10,10
|
75
|
Г-0
|
ЛСП18-2×36
|
4
|
ЛБ-36
|
288
|
|
|
8
|
Венткамера
|
(6×3,2×2)
|
сухое
|
30,10,10
|
30
|
В-0,8
|
НСП02
|
2×2
|
Б220-230-60
|
240
|
Два помещения
|
|
9
|
Освещение входов
|
-
|
нар. уст.
|
-
|
|
20
|
Г-0
|
НСП02
|
4
|
Б220-230-60
|
240
|
|
|
10
|
Освещение лестничной площадки
|
-
|
нар. уст.
|
-
|
|
20
|
Г-0
|
ПСХ
|
2
|
Б220-230-60
|
120
|
|
|
11
|
Дежурное освещение
|
-
|
-
|
-
|
-
|
-
|
-
|
ЛСП18-2×36
|
4
|
ЛБ-36
|
288
|
|
|
ИТОГО
|
4504
|
|
В общем
случае выбор напряжения электрической сети осветительной установки определяется
степенью опасности поражения людей и животных электрическим током в
рассматриваемом помещении.
В
помещениях без повышенной опасности напряжение 220 В допускают для всех
светильников общего назначения независимо от высоты их установки.
В
помещениях с повышенной опасностью и особо опасных, при установке светильников
с лампами накаливания на высоте более 2,5 м над полом или обслуживающей
площадкой, так же допускают напряжение 220 В. При высоте подвеса меньше 2,5 м
должны применять светильники, конструкция которых исключает возможность доступа
к лампе без специальных приспособлений, либо напряжение должно быть не выше 42
В. Разрешается установка светильников с люминесцентными лампами на высоте менее
2,5 при условии, что их контактные части будут недоступны для случайных
прикосновений.
Светильники
местного стационарного освещения с лампами накаливания в помещениях без
повышенной опасности должны питаться напряжением 220 В, а в помещениях с
повышенной опасностью и особо опасных - не выше 42 В.
В
случаях, если опасность поражения электрическим током усугубляется теснотой,
неудобным положением работающего, соприкосновением с большими металлическими
хорошо заземленными поверхностями, питание переносных светильников должно быть
не выше 12 В.
Наиболее
часто для питания электрического освещения в сельскохозяйственном производстве
применяют систему трехфазного тока с глухим заземлением нейтрали напряжением
380/220 В. Источники света при этом подключают, как правило, на фазное
напряжение.
Осветительные
и облучательные сети, прокладываемые от источников питания до потребителей,
состоят из групповых и питающих линий. Групповые линии прокладывают от групповых
щитков до светильников или облучателей и штепсельных розеток. К питающим линиям
относят участки сети от источника питания до групповых щитков.
Питающие
линии выполняем пятипроводными (трёхфазными), а групповые - трех - и
четырёхпроводными в зависимости от нагрузки и длины.
Питающие
линии могут быть магистральными, радиальными или радиально-магистральными. Наиболее
широкое распространение на сельскохозяйственных предприятиях нашли
радиально-магистральные схемы.
Схемы
питания осветительной или облучательной установки выбирают по следующим
условиям: надёжность электроснабжения, экономичность (минимальные капитальные и
эксплуатационные затраты), удобство в управлении и простота эксплуатации.
Радиальные
сети по сравнению с магистральными имеют меньшее сечение проводов, меньшие зоны
аварийного режима при неисправности в питающих сетях, но большую общую
протяжённость. Необходимость применения радиальной сети может быть также
вызвана условиями взаимной планировки мест подстанций и осветительных щитков,
при которых трасса магистральной питающей сети будет чрезмерно удлинена.
Применение
чисто магистральной сети целесообразно для сокращения общей протяженности. В
месте разветвления линии устанавливают распределительный пункт, от которого
могут отходить как магистральные, так и радиальные групповые линии.
При
планировке сети возможны различные варианты её выполнения, даже в пределах
одной радиально-магистральной системы. Когда применение одного варианта не
очевидно, тогда необходимо прибегать к технико-экономическому сопоставлению
вариантов.
Помещения
свинарника-откормочника относятся к помещениям с повышенной опасностью. ПУЭ в
этом случае допускает применение напряжения 220В, с условием что светильники и
питающие их сети расположены на высоте 2,5 м. При этом конструкция светильника
должна исключать доступ к лампе без специальных приспособлений (для
светильников с лампами накаливания) и случайное прикосновение к контактным
частям (для светильников с люминесцентными лампами).
Систему
токоведущих проводников принимаем ТN-С-S.
Количество
групповых щитков осветительной установки определяют, исходя из размеров здания
и рекомендуемой протяжённости групповых линий. Принимают длину четырехпроводных
трехфазных групповых линий напряжением 380/220В равной 80 м, напряжением - 220/127
В - 60 м и, соответственно, двухпроводных однофазных - равной 35 м и 25 м. Однофазные
групповые линии целесообразно применять в небольших конторах, а также в средних
помещениях при установке в них светильников с лампами накаливания мощностью до
200 Вт и с люминесцентными лампами. Применение трехфазных групповых линий
экономично в больших помещениях (птичниках, коровниках, свинарниках и т.д.),
освещаемых как лампами накаливания, так и газоразрядными лампами.
Ориентировочное
количество групповых щитков nш можно
определить по формуле:
, (1.45)
где nщ - рекомендуемое количество групповых щитков, шт.;
А, В - длина
и ширина здания, м;
r - рекомендуемая протяженность групповой линии, м.
Для
уменьшения протяженности и сечения проводов групповой сети щитки устанавливают
по возможности в центре электрической нагрузки, координаты которого:
, (1.46),
, (1.47)
где хц,
уц - координаты центра электрических нагрузок в координатных
осях х, у;
Рi - мощность i-й
электрической нагрузки, кВт;
хi, уi - координаты i-й электрической нагрузки в координатных осях х, у.
При
выборе мест установки групповых осветительных щитков учитывают также и то, что
групповые щитки, предназначенные для управления источниками оптического
излучения, устанавливают в местах, удобных для обслуживания: проходах, коридорах
и на лестничных клетках. Щитки, имеющие отключающие аппараты, устанавливают на
доступной для обслуживания высоте (1,8...2,0 м от пола).
При
компоновке внутренних сетей светильники объединяют в группы так, чтобы на одну
фазу группы приходилось не более 20 ламп накаливания или 50 люминесцентных ламп.
Осветительные
щитки выбирают в зависимости от количества групп, схемы соединения, аппаратов
управления и защиты, а также по условиям среды, в которых они будут работать. В
зависимости от условий среды в помещениях применяют групповые щитки
незащищенные, защищенные и защищенные с уплотнением. Щитки защищенные с
уплотнением предназначены для установки в производственных помещениях с
тяжелыми условиями среды. Большое значение имеет также выбор трассы сети,
которая должна быть не только кратчайшей, но и наиболее удобной для монтажа и
обслуживания. Прокладка сети по геометрически кратчайшим трассам практически
невозможна или нецелесообразна по причинам конструктивного и технологического
характера. Трассу открытой проводки, как по конструктивным, так и по
эстетическим соображениям намечают параллельно и перпендикулярно основным
плоскостям помещений. Только при скрытой проводке на горизонтальных плоскостях
можно применять прямолинейную трассировку между фиксированными точками сети.
Выбранные
трассы питающих и групповых линий, места установки групповых щитков,
светильников, выключателей и розеток наносят на план помещения согласно
условным обозначениям.
В
соответствии с результатами светотехнического расчёта вычерчиваем план здания (графическая
часть лист 4). Наносим на него в виде условных обозначений светильники (ряды
светильников). Принимаем щиток с трехфазными группами. Рекомендуемая
протяжённость линий r = 80 м.
Вычисляем
требуемое количество, шт., групповых щитков:
.
Принимаем
один щиток. Для определения места его установки рассчитываем координаты центра
электрической нагрузки. Исходя из количества светильников и мощности ламп, в
каждом помещении определяем установленную мощность по формуле, кВт:
Рi = N1i ·N2i ·nci
·Pлi,
(1.48)
Р1=10·1·2·0,036=0,72
кВт,
Р1.1=10·1·2·0,036=0,72кВт,
Р1.2=10·1·2·0,036=0,72кВт,
Р1.3=10·1·2·0,036=0,72кВт,
Р2 =1·1·2·0,036=0,072
кВт,
Р3 =
2·1·2·0,036=0,144 кВт,
Р4=1·1·1·0,04=0,04
кВт,
Р5=1·2·1·0,06=0,12
кВт,
Р5.1=1·2·1·0,06=0,12
кВт,
Р6=1·1·1·0,06=0,06
кВт,
Р6.1=1·1·1·0,06=0,06
кВт,
Р6.2
= 1·1·1·0,06=0,06 кВт,
Р6.3
=1·1·1·0,06=0,06 кВт,
Р7=
1·4·2·0,036=0,288 кВт,
Р8=1·2·1·0,06=0,12
кВт,
Р8.1=1·2·1·0,06=0,12
кВт,
Р9=1·1·1·0,06=0,06
кВт,
Р9.1=1·1·1·0,06=0,06
кВт,
Р9.2
=1·1·1·0,06=0,06 кВт,
Р9.3=1·1·1·0,06=0,06
кВт,
Р10=1·1·1·0,06=0,06
кВт,
Р10.1=1·1·1·0,06=0,06
кВт.
Приняв,
что нагрузка каждого помещения сосредоточена в центре, и построив оси
координат, определим координаты центров всех помещений, считая левый нижний
угол началом координат. Данные сводим в табл.1.9
Таблица 1.9
Определение координат центра нагрузок
|
№ по плану и наименование
помещения
|
Руст, кВт
|
Х, см
|
Y,
см
|
|
|
|
1 Помещение для откорма свиней
|
0,72
|
26
|
12
|
|
|
1.1 Помещение для откорма свиней
|
0,72
|
774
|
12
|
|
|
1.2 Помещение для откорма свиней
|
0,72
|
74
|
4
|
|
|
1.3 Помещение для откорма свиней
|
0,72
|
26
|
4
|
|
|
|
|
|
|
|
2 Электрощитовая
|
0,072
|
51,25
|
14,5
|
|
|
3 Помещение для контрольного взвешивания
свиней
|
0,144
|
51,25
|
8
|
|
|
4 Инвентарная
|
0,06
|
51,25
|
1,5
|
|
|
5 Помещение для приводов
транспортеров
|
0,12
|
3,5
|
8
|
|
|
5.1 Помещение для приводов
транспортеров
|
0,12
|
96,5
|
8
|
|
|
6 Тамбур
|
0,06
|
3,5
|
14,5
|
|
|
6.1 Тамбур
|
0,06
|
96,5
|
14,5
|
|
|
6.2 Тамбур
|
0,06
|
3,5
|
1,5
|
|
|
6.3 Тамбур
|
0,06
|
96,5
|
1,5
|
|
|
7 Коридор
|
0,288
|
49,5
|
8
|
|
|
8 Венткамера
|
0,12
|
3,5
|
8
|
|
|
8 Венткамера
|
96,5
|
8
|
|
|
9 Освещение входа
|
0,06
|
1
|
12
|
|
|
9.1 Освещение входа
|
0,06
|
99
|
12
|
|
|
9.2 Освещение входа
|
0,06
|
1
|
4
|
|
|
9.3 Освещение входа
|
0,06
|
99
|
4
|
|
|
10 Освещение лестничной клетки
|
0,06
|
1
|
8
|
|
|
10.1 Освещение лестничной клетки
|
0,06
|
99
|
8
|
|
Определяем
координаты центра электрических нагрузок всего здания по формулам (1.46), (1.47):
,

.
С учётом
рассчитанного центра электрических нагрузок и с целью обеспечения удобства
обслуживания и экономии проводникового материала размещаем групповой щиток на
стене в коридоре x=50 м; y=8 м.
Определяем
требуемое количество групповых линий в групповом щитке, количество однофазных
групп, шт:
, (1.48)
Для
удобства управления освещением принимаем шесть групповых линий.
Выбираем
на стр.40 [7] групповой щиток ПР11-3052-54У3 с двенадцатью однополюсными автоматическими
выключателями типа ВА21-29-10000-20УХЛ3.
На плане
здания намечаем трассы прокладки сетей, места установки выключателей,
обозначаем, номера групп и приводим данные светильников.
Осветительную
электропроводку, как правило, следует выполнять проводами и кабелями с
алюминиевыми жилами. С медными жилами ее выполняют только во взрывоопасных
помещениях классов В-1 и В-la. Гибкие кабели с медной
жилой и резиновой изоляцией марки КРПТ, КРПГ применяют для подключения переносных
или передвижных источников оптического излучения.
При
проектировании сельскохозяйственных объектов используют следующие способы
прокладки электропроводок: на тросе; на лотках и в коробах; в пластмассовых и
стальных трубах; металлических и гибких резинотехнических рукавах; в каналах
строительных конструкций; проводом и кабелем по строительным основаниям и
конструкциям.
При
выборе того или иного способа прокладки электропроводки необходимо учитывать
условия среды помещения, его строительные особенности,
архитектурно-художественные экономические требования. Во всех помещениях -
открытая проводка. По категории помещения и условиям окружающей среды из табл.1.6
выбираем кабель АВВГ. Составляем расчётную схему сети, на которой указываем
номера расчетных точек, длины участков и присоединенные мощности.
Рисунок 1.4
- Расчетная схема осветительной сети
К
аварийным режимам в осветительных сетях относят: токи короткого замыкания,
неполнофазный режим работы (для трёхфазной линии), токи утечки. Для защиты от
токов короткого замыкания служат автоматические выключатели ВА 21-29 с
номинальным током Ip=16А.
Принимаем
допустимые потери напряжения ΔU = 2,0%
и коэффициент спроса Кс = 0,85. Тогда расчётное значение
сечения проводника на участке, мм2:
, (1.49)
где S - сечение проводов участка, мм2;
ΣМ-
сумма моментов рассчитываемого и всех последующих участков с тем же числом
проводов, что и у рассчитываемого, кВт·м;
ΣМ
= ∑Р·l, (1.50)
Σα·m - сумма моментов всех
ответвлений с числом проводов, отличающихся от числа проводов рассчитываемого
участка, кВт·м;
α
- коэффициент приведения моментов, зависящий от числа проводов рассчитываемого
участка и в ответвлениях.
С -
коэффициент зависящий от материала проводов, системы и напряжения сети,
ΔU - допустимая потеря напряжения,%
от Uн;
l - длина участка, м.
Определяем
сечение линии 0-1 по формуле (1.49):



.
Определяем
сечение линии 0-1 по формуле:





=3,22мм
.
Принимаем
ближайшее большее стандартное сечение S0-1=4,0
мм
Определяем
расчётный ток на участке 0-1, А:
, (1.51)
где Uл - линейное напряжение сети, 380В;
cos
- коэффициент мощности:
(1.52)
Проверяем
принятое сечение на нагрев. Длительно допустимый ток для данного сечения Iдоп= 28А стр.464 [9]:
Iдоп ≥ Iр, (1.53)
28 А ≥
7,32 А.
Определяем
действительную потерю напряжения в линии 0-1,%:
(1.54)
.
Далее при
расчетах групповых линий данное значение потери напряжения будем вычитать из
заданного значения 2,5%.
По
расчётному току выбираем ток уставки электромагнитного расцепителя
автоматического выключателя, А:
Iу ≥ Iр,
(1.55)
Iу = 10А > 7,32 А.
Проверяем
выбранное сечение на соответствие вставке защитного аппарата:
Iдоп ≥ β·Iу, (1.56)
где β
- коэффициент, учитывающий нормированное соотношение между длительно допустимым
током проводников и током уставки защитного аппарата β = 1.
28А >
1 · 4,79= 9,3 А.
Используя
формулы расчета потерь напряжения и выбора сечения провода, а также проверку
его для участка 0-1 аналогично произведем расчет групповых линий, данные
расчета снесем в табл.9. Однако следует помнить, что при расчете потерь
напряжения в групповых линиях следует учитывать потерю на участке 0-1.
Таблица 1.10
Результаты расчета и проверки сечения линий освещения
|
Группа,
участок
|
Siуч.,
мм2
|
Ip,
А
|
Iдоп.,
А
|
∆U,%
|
Iу,
А
|
|
1
|
2
|
3
|
4
|
5
|
6
|
|
Участок 0-1
|
4,0
|
7,32
|
28
|
1,02
|
10
|
|
Группа N1
|
|
|
|
|
6,3
|
|
1-2
|
2,5
|
3,2
|
19
|
1,057
|
|
|
Группа N2
|
|
|
|
|
6,3
|
|
1-3
|
2,5
|
3,2
|
19
|
1,092
|
|
|
Группа N3
|
|
|
|
|
6,3
|
|
1-4
|
2,5
|
3,2
|
19
|
1,063
|
|
|
Группа N4
|
|
|
|
|
6,3
|
|
1-5
|
2,5
|
3,2
|
19
|
1,074
|
|
|
Группа N5
|
|
|
|
|
6,3
|
|
1-6
|
2,5
|
3,88
|
19
|
0,2
|
|
|
6-7
|
2,5
|
2,45
|
19
|
0,474
|
|
|
7-8
|
2,5
|
0,54
|
19
|
0,076
|
|
|
8-9
|
2,5
|
0,27
|
19
|
0,027
|
|
|
7-10
|
2,5
|
0,45
|
19
|
0,012
|
|
|
7-11
|
2,5
|
0,82
|
19
|
0,073
|
|
|
11-12
|
2,5
|
0,27
|
19
|
0,014
|
|
|
11-13
|
2,5
|
0,27
|
19
|
0,016
|
|
|
11-14
|
2,5
|
0,27
|
19
|
0,02
|
|
|
Группа N6
|
|
|
|
|
6,3
|
|
1-15
|
2,5
|
3,71
|
19
|
0,24
|
|
|
15-16
|
2,5
|
2,45
|
19
|
0,474
|
|
|
16-17
|
2,5
|
0,54
|
19
|
0,076
|
|
|
17-18
|
2,5
|
0,27
|
19
|
0,027
|
|
|
18-19
|
2,5
|
0,45
|
19
|
0,012
|
|
|
19-20
|
2,5
|
0,82
|
19
|
0,073
|
|
|
21-22
|
2,5
|
0,27
|
19
|
0,014
|
|
|
22-23
|
2,5
|
0,27
|
19
|
0,016
|
|
|
22-24
|
2,5
|
0,27
|
19
|
0,02
|
|
|
22-25
|
2,5
|
2,45
|
19
|
0,474
|
|
|
Группа N7
|
|
|
|
|
6,3
|
|
1-26
|
2,5
|
0,65
|
19
|
0,112
|
|
|
26-27
|
2,5
|
0,33
|
19
|
0,036
|
|
|
26-28
|
2,5
|
0,33
|
19
|
0,038
|
|
|
1-29
|
2,5
|
0,65
|
19
|
0,112
|
|
|
29-30
|
2,5
|
0,33
|
19
|
0,036
|
|
|
29-31
|
2,5
|
0,33
|
19
|
0,038
|
|
Исходя из
условия использования системы заземления TN-C-S, для подключения осветительного
щитка, используем трехфазную пятипроводную линию, а для подключения
светильников однофазную трехпроводную, выполненные соответственно кабелем
АВВГ5×4,0 и АВВГ3×2,5.
трансформаторных
подстанций
Определим
нагрузки на вводах к потребителям.
Таблица 1.11
Нагрузки отдельных потребителей и их координаты
|
Номер
потре-
бителей
|
Наименование
потребителей
|
Расчетная мощность, кВт
|
Координаты
Нагрузок, м
|
Коэффициенты
мощности
|
|
Рд
|
Рв
|
X
|
Y
|
cosφд
|
cosφв
|
|
1
|
Блок репродукции поросят
|
25
|
25
|
20
|
16,5
|
0,92
|
0,96
|
|
1а
|
Блок репродукции отъемышей
|
35
|
35
|
6,5
|
16,5
|
0,8
|
0,85
|
|
1б
|
Свинарник-маточник на 100 маток
|
25
|
28
|
14
|
16,5
|
0,92
|
0,96
|
|
2
|
Блок откорма свиней
|
48,5
|
48,5
|
31,5
|
16,5
|
0,8
|
0,85
|
|
2а
|
Блок откорма свиней
|
48,5
|
48,5
|
38
|
16,5
|
0,8
|
0,85
|
|
3
|
Кормоцех
|
55
|
25
|
26
|
14,5
|
0,8
|
0,8
|
|
4
|
Корнеплодохранилище
|
3
|
2
|
25,5
|
11,5
|
0,75
|
0,8
|
|
5
|
Ветсанпропускник
|
2
|
9,5
|
1
|
0,85
|
0,9
|
|
6
|
Автомобильные весы
|
2
|
3
|
18
|
4
|
0,8
|
0,9
|
|
7
|
Погрузочно-разгрузочная рампа
|
0
|
2
|
46
|
9
|
0
|
1
|
|
8а
|
Амбулатория
|
2
|
3
|
45
|
24
|
0,85
|
0,9
|
|
8б
|
Стационар на 8 станков
|
2
|
3
|
45
|
22
|
0,8
|
0,85
|
|
8в
|
Склад дезсредств
|
0
|
1
|
45
|
30
|
0
|
1
|
|
9
|
Изолятор
|
2
|
2
|
45
|
27
|
0,92
|
0,96
|
|
14
|
Котельная
|
28
|
30
|
33
|
3
|
0,92
|
0,96
|
Делим все
потребители по соизмеримой мощности на группы и определим расчетную нагрузку,
кВт, каждой группы по формуле:
(1.57)
где Рб
- большая из нагрузок в группе, кВт;
∆Рi - надбавка
соответствующая меньшей мощности по табл.5.5 [2], кВт.
Первая
группа: блок репродукции поросят, блок репродукции отъемышей и свинарник маточник:
Вторая
группа: свинарники-откормочники:
Третья
группа: кормоцех, корнеплодохранилище, ветсанпропускник, автомобильные весы,
погрузочно-разгрузочная рампа, ветпункт, изолятор, котельная.
Далее
расчет будем вести для дневного максимума нагрузок, так как он является
наибольшим.
Расчетная
мощность трансформаторной подстанции:
Определим
средневзвешенный коэффициент мощности:
(1.58)
Полная
расчетная нагрузка, кВА:
Определим
допустимые потери напряжения и допустимые надбавки трансформатора.
Исходными
данными для расчета электрических сетей являются допустимые нормы отклонения
напряжения. Для сельскохозяйственных потребителей оно не должно выходить за
пределы - 5% при 100-процентной нагрузке и +5% при 25-процентной.
Рассматриваем
ближайшую от ТП точку при 25% нагрузке и наиболее удаленную при 100% нагрузке. Результаты
расчета сводим в табл.1.12:
Таблица 1.12. Определение допустимых потерь напряжения и допустимых
надбавок трансформатора
|
№
п/п
|
Элементы схемы
|
Нагрузка
|
|
100%
|
25%
|
|
1.
2.
3.
4.
|
Шины питающей подстанции
ВЛ-10 кВ
Трансформатор 10/0,4
а) надбавка
б) потеря
ВЛ-0,38 кВ
а) потери во внутренних сетях
б) потери во внешних сетях
|
+5
7
+7,5
4
2,5
4,0
|
0
1,75
+7,5
1
0
0
|
|
5.
|
Отклонение напряжения у
потребителей
|
-5
|
+4,75
|
Определяем
приближенное число трансформаторных подстанций:
(1.59)
где F - площадь объекта, км2.
Принимаем
одну трансформаторную подстанцию. Так как проектируемый объект по степени
обеспечения надежности электроснабжения является объектом второй категории, то
проектируем трансформаторную подстанцию с двумя трансформаторами.
Мощность
трансформаторной подстанции должна соответствовать полной расчетной мощности,
принимаем два трансформатора мощностью 160 кВА каждый.
Выбор и
месторасположение трансформаторных подстанций осуществляем исходя из следующих
критериев:
1 - установка
ТП должна производится как можно ближе к центру электрической нагрузки;
2 - длины
воздушных линий не были длиннее 0,5 км;
3 - обеспечивалась
хорошая разводка для кабельных линий;
4 - возможность
удобного подвода линии 10 кВ.
Электроснабжение
потребителей объекта проектируем от ЗТП по типовому проекту 407-3-108 с двумя
трансформаторами типа ТМ-160 с полной мощностью Sтп=320
кВА.
Коэффициент
загрузки трансформаторов:
(1.60)
Что
рекомендуется при проектировании.
Определяем
центр нагрузок:
(1.61),
(1.62)
где, Рp. i - расчетная мощность i-го
потребителя, кВт;
Xi, Yi - координаты i-го
потребителя, мм.

ЗТП,
согласно произведенному расчету, необходимо расположить в точке с координатами:
X = 25,7 см; Y =
14,6 см. Так как эта точка попадает на здание кормоцеха, то практически ЗТП
располагаем ниже по оси Y в свободной зоне,
учитывая при этом подходы к ТП воздушных линий 10 кВ и 0,38 кВ.
Произведем
расчет кабельной линии к зданию №2 по генплану. Кабель прокладываем в траншее в
земле.
Здание
является потребителем второй категории.
Предусматриваем
две кабельные линии от разных секций низковольтных шин ТП. Каждую кабельную
линию рассчитываем на полную нагрузку. Сечение жил кабеля рассчитываем условию:
(1.63)
Принимаем
кабель АВВГ 5×16 с Iдл. каб=82,8А.
Проверяем его по условию:
(1.64)
где Кп
- коэффициент, зависящий от числа проложенных кабелей в траншее, принимаем
по таблице 1.3.26 [17].
Проверим
выбранный кабель по потере напряжения. Определим момент, кВт. м;
Определяем
потерю напряжения для кабеля с сечением жилы 25 мм2.
, (1.65)
Остальные
линии 0,4 кВ рассчитываем аналогично, результаты расчета сносим в табл.1.13 и 1.14.
Таблица 1.13. Кабельные линии
0,4 кВ
|
N
кабеля
|
Потребитель
Здание N
по генплану
|
Рр,
кВт
|
Ip,
А
|
Марка
кабеля
|
М,
кВт·м
|
∆U%
|
|
1,2
|
2
|
36,5
|
69,3
|
АВБбШв4×25
|
3285
|
2,8
|
|
3,4
|
2а
|
36,5
|
69,3
|
АВБбШв4×35
|
4745
|
2,9
|
|
5,6
|
1б
|
25
|
41,3
|
АВБбШв4×25
|
1750
|
1,5
|
|
7,8
|
1а
|
60
|
107,9
|
АВБбШв4×70
|
3600
|
1,2
|
|
9,10
|
1
|
85
|
149,2
|
АВБбШв4×70
|
3400
|
3,8
|
|
11
|
14
|
28
|
46,3
|
АВБбШв4×25
|
1540
|
3,4
|
|
12,13
|
3 и 4
|
56,8
|
111,5
|
АВБбШв4×25
|
3294
|
2,9
|
Таблица 1.14.
Воздушные линии 0,4 кВ
|
N
уч.
|
Pp,
кВт
|
Ip,
А
|
l,
м
|
Марка и
сечение
жилы
|
М,
кВт·м
|
∆U%
|
|
0-1
|
34
|
58,8
|
5
|
4А25+А25
|
170
|
1,7
|
|
1-2
|
3,2
|
5,7
|
37,5
|
4А25+А25
|
120
|
0,4
|
|
2-А
|
2
|
3,6
|
10
|
4А25+А25
|
20
|
0,1
|
|
2-3
|
2
|
3,6
|
26
|
4А25+А25
|
52
|
0,3
|
|
3-4
|
2
|
3,6
|
13
|
4А25+А25
|
26
|
0,2
|
|
4-В
|
2
|
3,6
|
5
|
4А25+А25
|
10
|
0,1
|
|
1-12
|
31,6
|
54,6
|
40
|
4А25+А25
|
1264
|
1,6
|
|
12-К
|
28
|
46,3
|
12
|
4А25+А25
|
336
|
0,3
|
|
12-13
|
5,6
|
10
|
38
|
4А25+А25
|
212,8
|
0,5
|
|
13-14
|
2
|
3
|
20
|
4А25+А25
|
40
|
0,2
|
|
14-П
|
2
|
3
|
14
|
4А25+А25
|
28
|
0,1
|
|
13-15
|
4,4
|
7,9
|
40
|
4А25+А25
|
176
|
0,3
|
|
15-16
|
4,4
|
7,9
|
40
|
4А25+А25
|
176
|
0,2
|
|
16-И
|
4,4
|
7,9
|
15
|
4А25+А25
|
66
|
0,1
|
В
настоящее время в свинарнике-откормочнике установлена децентрализованная
система микроклимата с продольной воздухораздачей. Приточная
отопительно-вентиляционная установка предназначена для подачи и распределения (при
необходимости подогретого) воздуха в помещении. Она состоит из четырех
вентиляторов ВЦ 4-70 с электродвигателями АИР80В2У3 (Рн=2,2
кВт), электрокалориферов СФОЦ-60 и воздуховодов равномерной раздачи
прямоугольного сечения (600
400) длинной
по 45 м с регулируемыми отверстиями, вытяжка при этом естественная, через
вытяжные шахты, расположенные между воздуховодами.
Основными
достоинствами и недостатками этой отопительно-вентиляционной установки являются:
отсутствие
вытяжных воздуховодов и применение естественной вытяжки, благодаря чему снижены
эксплуатационные затраты на удаление воздуха из помещения, однако она менее
эффективна, чем механическая, поскольку не обеспечивает автоматического
управления воздухообмена помещения. Подача воздуха вытяжной вентиляцией должна
составлять 75% производительности приточной;
применение
электрокалориферов, которые просты в эксплуатации и не требуют применения
защиты от замораживания по сравнению с водяными калориферами, но использование
электрической энергии увеличивают энергозатраты системы; - малая степень
автоматизации по регулированию микроклимата в помещении, что уменьшает
эксплуатационные затраты по регулировке, наладке и техническому обслуживанию
автоматики, но ее применение позволяет поддерживать оптимальные параметры
микроклимата в помещении.
Главным
источником и резервом снижения затрат электроэнергии и топлива на выполнение
технологических процессов является рационализация потребления энергии на
создание и поддержание требуемых параметров микроклимата.
Снижение
энергозатрат на создание оптимального микроклимата осуществляется по нескольким
направлениям:
разработка
и применение энергосберегающих технологий содержания животных;
утилизация
тепла, выбрасываемого с вентиляционным воздухом;
снижение
теплопотерь через ограждающие конструкции;
применение
систем вентиляции с локальной воздухоподачей непосредственно в зону расположения
животных, местного электрообогрева;
автоматизация
поддержания заданных режимов и параметров микроклимата на основе использования
микропроцессорной техники, создание автоматических комплектов оборудования,
работающих по заданной программе;
, (2.1)
где
- температурный коэффициент
влаговыделений (табл.2.2);
Таблица 2.1
Выделение теплоты, влаги и углекислого газа
|
Группа животных
|
Живая масса,
кг
|
Тепловой поток тепловыделений,
|
Влаговыделения,
|
Выделения ,
|
|
Полных
|
явных
|
|
Свиньи на откорме
|
100
|
369
|
266
|
152
|
47,6
|
Таблица 2.2
Температурные коэффициенты
|
Периоды года
|
Температура ,
|
Температурные коэффициенты
|
|
Тепловыделений
|
Влаговы-делений
|
Выделений
|
|
полных
|
Явных
|
|
Холодный
|
20
|
0,9
|
0,67
|
1,5
|
0,9
|
|
Переходный
|
20
|
0,9
|
0,67
|
1,5
|
0,9
|
|
Теплый
|
27,4
|
0,87
|
0,24
|
2,5
|
0,87
|
- влаговыделение одним животным (табл.2.1),
;
- число животных.

;
Дополнительные
влаговыделения в зимний период составляют 10% от общего влаговыделения:
, (2.2), 
Суммарные
влаговыделения:

.
Рассчитаем
количество
, выделяемого животными,
:
, (2.3)
где
- температурный коэффициент выделений
и полных тепловыделений;
- количество
, выделяемого одним животным,
.

;
На
свиноводческих фермах применяют вентиляционные системы, посредствам которых
подают подогретый воздух в верхнюю зону помещения по воздуховодам равномерной
раздачи. Кроме того, предусматривают дополнительную подачу наружного воздуха в
теплый период года через вентбашни, окна, двери.
Тепловая
мощность отопительно-вентиляционной системы,
:
, (2.4)
где
- тепловой поток теплопотерь через
ограждающие конструкции,
, по
типовому расчету
.
- тепловой поток на нагревание
вентиляционного воздуха,
;
- тепловой поток на испарение влаги
внутри помещения,
;
- тепловой поток явных тепловыделений
животными,
.
Тепловой
поток на нагревание приточного воздуха,
:
(2.5)
где
- расчетная плотность воздуха (
);
- расход приточного воздуха в зимний
период года, (
);
- расчетная температура наружного
воздуха, (
);
- удельная изобарная теплоемкость
воздуха (
).

.
Тепловой
поток на испарение влаги с открытых водных и смоченных поверхностей,
:
, (2.6)
где
- расход испаряемой влаги для зимнего
периода,
.

.
Тепловой
поток явных тепловыделений,
:
,
где
- температурный коэффициент явных
тепловыделений;
- тепловой поток явных тепловыделений
одним животным,
;
- число голов.

;

По
типовому расчету тепловые потери через ограждения
.
Для
вытяжной вентиляции применяем вентиляционное оборудование "Климат-45М".
Комплект вентиляционного оборудования обеспечивает заданную температуру путем
регулирования воздухообмена в свиноводческом помещении. Для создания
микроклимата рекомендуется устанавливать в помещениях свиноводческих ферм до
1800 поросят отъемышей комплект оборудования "Климат-45М" с 24
вентиляторами типа ВО-4 с общей воздухопроизводительностью 80000 м3
/ч. Комплект оборудования позволяет регулировать температуру в помещении в
пределах от 0 до 35 0С путем изменения частоты вращения рабочего
колеса вентилятора, отключения нескольких или всех вентиляторов. Установленная
мощность комплекта "Климат-45М" 8,88 кВт. Технические характеристики
комплекта вентиляционного оборудования "Климат-45М" приведены на стр.90
[23].
Для
подачи воздуха в помещение используем четыре тепловентилятора состоящих из
водяного калорифера и вентилятора оборудованного электродвигателем. Разрабатываем
схему управления микроклиматом, при которой изменяется количество
теплоносителя, поступающего в водяной калорифер из котельной, что снижает
затраты на расходование тепловой энергии.
В
соответствии с выбранными калорифером и вентилятором заполняем табл.2.3
характеристик отопительно-вентиляционной системы:
Таблица 2.3
Характеристика отопительно-вентиляционной системы.
|
Обозначение
|
Количество
систем
|
Наименование
помещения
|
Тип
установки
|
Вентилятор
|
|
тип
|
номер
|
исполнение
|
положение
|
,
|
,
|
,
|
,
|
|
-
|
4
|
Свинарник
|
Е 6,3.100-2
|
ВЦ 4-70
|
6,3
|
1
|
П
|
11500
|
500
|
2,2
|
2850
|
|
-
|
АИР80В2
|
2,2
|
2850
|
КВББ
|
7
|
1
|
-25
|
14,9
|
119,78
|
263,89
|
|
|
-
|
24
|
ВО-4
|
80000
|
1: 6
|
8,88
|
от 0 до 35
|
|
1
|
540
|
|
|
Описание
элементов схемы управления микроклиматом:
1) Термопреобразователь
сопротивления медный ТСМ-1199/5-20 Диапазон Рабочих температур - 50…100 ºС.
Измеряет температуру в помещении, устанавливается на расстоянии 5 м от
калорифера (его выхода).
Настраивается
по зоотехническим требованиям на температуры от +15 до +20 ºС, в
зависимости от периода года и возраста поросят.
2) Измеритель
регулятор МТ2141-Н-ВY-2A. C. A. Пределы регулирования от - 50,0
до +200 ºС с медным первичным преобразователем 50М.
Врезается
в щит управления приточным вентилятором. Габаритные размеры
96×48×120 мм.
3) Биметаллический
датчик для предотвращения замораживания калорифера ТАД101-1. Диапазон
температур от - 10 до +90 ºС. Гистерезис 9 ºС.
Устанавливается
в трубе на выходе из калорифера. Настраивается механически на температуру +5
ºС.
4) Клапан
запорно-регулирующий односедельный фланцевый КЛАЗАР (КЗР). Рабочее давление 1,6
МПа ТУ.3741-001-546348-53-2002. Температура окружающей среды от - 25 до +40
ºС. Температура рабочей среды от - 25 до 225 ºС. Диаметр Dn=80 мм. Условное обозначение 24ч9456р. Электропривод
AVM234R, мощностью P=4 Вт. Ход штока 50 мм, усилие 2500 Н. Масса 3,5 кг.
Устанавливается
перед входом в калорифер и регулирует проходное отверстие, изменяя количество
теплоносителя, поступающего в водяной калорифер.
5) Реле
промежуточное марки ПЭ-37. Номинальное напряжение U=220В.
Токовая нагрузка контактов I=6 A.
Количество контактов замыкающих/размыкающих - 3/3. Габаритные размеры
90×34×93 мм. Масса 0,28 кг.
6) Однополюсный
автоматический выключатель фирмы ИЭК марки ВА47-29, номинальный ток Iн=1 А. Номинальное напряжение 230/400
В. Масса 96 гр.
Разработка
щита управления не производится, так как прибор МТ2141 врезается в переднюю
панель шкафа управления приточным вентилятором.
Схема
управления микроклиматом работает следующим образом.
Предварительно
задается необходимая температура внутри свинарника по зоотехническим
тревованиям +15 до +20 ºС, в зависимости от периода года и возраста
поросят. При увеличении температуры в помещении выше заданной, измеряемой термпреобразователем
Rк, измеритель-регулятор А1 замыкает цепь (клеммы 6,7) обмотки
"закрытия" исполнительного механизма привода запорно-регулирующего
клапана, происходит уменьшение пропускного отверстия. При этом уменьшается
количество теплоносителя (горячая вода) поступающего в водяной калорифер и
происходит снижение температуры.
При
снижении температуры в помещении ниже установленной, измеритель-регулятор А1
замыкает цепь (клеммы 3,4) питания обмотки "открытия" ИМ, происходит
увеличение пропускного отверстия, тем самым увеличивается количество
поступающего в водяной калорифер теплоносителя.
Конечные
выключатели SQ1 и SQ2
установленные в корпусе запорно-регулирующего клапана отключают электропривод (размыкают
цепь питания одной из обмоток) при полном открытии (закрытии) пропускного
отверстия.
В схеме
предусмотрена защита водяного калорифера от замерзания. В том случае, когда
температура воды на выходе из калорифера снизится до +5 ºС, замкнется
контакт биметаллического датчика SK, запитается катушка
промежуточного реле KV, которое в свою очередь включает
обмотку "открытия" и размыкает цепь питания обмотки "закрытия"
ИМ электропривода запорно-регулирующего клапана. Кроме того реле КV своим контактом отключает цепь питания магнитного пускателя
приточного вентилятора.
При
установлении температуры теплоносителя на выходе из калорифера выше
установленной реле SK размыкается, KV
обесточивается. Схема возвращается в исходное состояние.
На 5
листе графической части приведена принципиальная электрическая схема управления
микроклиматом.
При
поступлении электродвигателей, электрических аппаратов и другого
энергооборудования на ферму его необходимо очистить от пыли и консервирующих
смазочных материалов.
При
снятии консервирующего покрытия путем обтирки ветошью, смоченной бензином или
керосином не разрешается производить вблизи работы с огнем. Использованный
после обтирки материал собирают в металлический ящик с крышкой для последующего
уничтожения. Также необходимо проверить целостность частей энергооборудования
внешним осмотром, проверить наличие и затяжку крепёжных болтов, состояние
подшипников электродвигателей. Энергооборудование и рабочие машины размещают в
соответствии с проектом и устанавливают на прочном основании.
Работы по
установке машин на фундаменты выполняют в рукавицах с использованием исправных
инструментов. По окончанию монтажа перед включением проверяют сопротивление
изоляции электрооборудования мегаомметром (изоляция силовой и осветительной
электропроводки, обмотки электродвигателей), величина сопротивления должна быть
не менее 0,5 МОм. До начала работ по измерению сопротивления изоляции
необходимо убедиться в отсутствии работающих монтажников. Перед присоединением
проводов от зажимов мегаомметра к обмоткам или выводам электрооборудования
снимают электрический заряд с помощью разрядной штанги. При измерении
сопротивления изоляции кабельной линии принимают меры, исключающие возможность
подачи не нее напряжения.
Передаточные
устройства вентиляторов, насосов, щиты управления должны быть закрыты кожухами,
металлические токоведущие части электрооборудования (корпуса электродвигателей,
распредустройств и т.п.) зануляют присоединенным к рабочему нулевому проводу. После
завершения монтажных работ проверяют техническое состояние электрооборудования.
Электроприводы транспортеров, насосов, вентиляторов вначале опробуют на
холостом ходу, а затем - под нагрузкой.
Перед
пробным пуском необходимо проверить:
крепление
фундаментных болтов электродвигателей;
отсутствие
посторонних предметов внутри оборудования;
наличие
зануления.
Опробование
работы электродвигателей совместно с механизмами должно производиться только
после получения разрешения монтажных организаций и в присутствии их
представителя. В случае выполнения работ на двигателе или механизме должны быть
приняты меры против ошибочной подачи напряжения на отключенный двигатель. Электрические
аппараты и распредустройства монтируются на прочных основаниях с соблюдением
правил безопасности при работе с монтажными инструментами.
Перед
монтажом вентиляционной установки "Климат-45М" выполняется
балансировка рабочего колеса вентилятора. При монтаже пробиваются проемы
соответствующих размеров в перекрытии или в совмещенной кровле здания. Выполняется
бетонное основание с горизонтальной верхней поверхностью. К бетонному основанию
крепится монтажная плита. Крепление монтажной плиты к корпусу установки
производится к секции вентилятора, к которой производится установка защитной
сетки.
При
монтаже электрооборудования необходимо обеспечить герметизацию вводов в
двигатели и датчики температуры, а так же надежное заземление металлических
оболочек устройства управления и оборудования, которое должно быть выполнено в
соответствии с требованиями Правил техники безопасности при эксплуатации
электроустановок потребителей.
Монтаж и
наладка оборудования и приборов автоматики производятся квалифицированными
специалистами, имеющими допуски к монтажу и эксплуатации электрооборудования,
электроприборов и сетей до 1000В.
Обслуживание
электрооборудования свинотоварной фермы осуществляется электромонтером с
квалификационной группой не ниже III, при выполнении
работ с приставной лестницей должен быть помощник с группой не ниже II. Включать и отключать пусковую аппаратуру вентиляторов
разрешается обслуживающим эти машины лицам после получения инструктажа и
практического обучения на рабочем месте электриком.
Запрещается
совмещать отверстия в собираемых деталях пальцами. Надо пользоваться ломиками,
бородками. Нельзя поддерживать вручную привариваемые конструкции массой более
10 кг или мелкие детали. Их следует до сварки укрепить струбцинами. Пробивая
отверстия в кирпиче или бетоне, следует надевать защитные очки. При сквозной
пробивке надо пользоваться шлямбурами или скарпелями, длина которых не менее
чем на 200 мм превышает толщину стены. Все работы по монтажу электродвигателей
нужно выполнять до подключения к нему проводов.
Для
обеспечения безопасности работы ввод объекта в эксплуатацию разрешается
производить только по окончании монтажных и наладочных работ. Все рабочие,
осуществляющие монтаж электрооборудования должны иметь удостоверения о проверке
знаний по технике безопасности. Перед проведением электромонтажных работ с
рабочими должен быть проведен инструктаж.
При
монтаже электрооборудования на свинотоварной ферме возможны работы на высоте с
применением лестниц, стремянок и подмостей.
При строительно-монтажных
работах больше всего несчастных случаев происходит в связи с падением человека
с высоты или из-за падения на людей сверху каких-либо предметов. Поэтому
соблюдение правил безопасности при работе на высоте имеет для
электромонтажников первостепенное значение. Не допускается использовать
недостаточно длинные лестницы или недостаточно высокие подмости, наращивая их
снизу или сверху ящиками, стульями. Запрещается также работать с двух верхних
ступенек приставных лестниц и стремянок; рабочий должен стоять не выше чем на
расстоянии 1 м от верхнего конца лестницы. Высота приставной лестницы не должна
превышать 5 метров. При необходимости выполнить монтажные работы на высоте от 4
до 7 метров, используют передвижные леса (пирамиды или платформы), то есть
вышки на роликах с площадкой, рассчитанной не менее чем на двоих и огражденной
перилами. Во время работы ролики пирамид нужно заклинивать, а во время
передвижения пирамид или телескопических вышек на них не должно быть ни людей,
ни инструмента. При высоте более 7 метров используют неподвижные леса. Леса и
подмости должны быть заводского изготовления, с паспортом
предприятия-изготовителя. При монтаже часто приходится выполнять
погрузочно-разгрузочные работы и использовать грузоподъёмные механизмы. К этим
работам можно допускать только специально обученных или проинструктированных
рабочих. При подъёме груза более 20 кг в одном месте, или выше чем на 3 метра,
следует применять хотя бы "малую механизацию", то есть блоки, катки,
тележки. Для подъема груза более 300 кг необходимо применять краны, погрузчики,
тельферы. При электромонтажных работах одному взрослому мужчине разрешается
переносить тяжести не более 50 кг, причем груз 45…50 кг следует поднимать на
спину или плечи и снимать с помощью других рабочих. Женщине разрешается
переносить или поднимать тяжести не более 15 кг, при чередовании этой работы с
другой, а при постоянной в течение смены переноске груза или подъема его на
высоту не более 1,5 м - не более 10 кг вместе с тарой или упаковкой. Подростков
нельзя использовать специально на погрузочно-разгрузочных работах.
В
процессе наладки оборудования комплекта "Климат-45М" следует
проверить надежность крепления рабочих колес вентиляторов на валах
электродвигателей, крепление кронштейнов, жалюзи, устройства управления на
стене.
Необходимо
также проверить качество внешнего монтажа, герметичность ввода аппаратов защиты
и двигателей, правильность электрических соединений и их надежность, наличие и
качество заземления электрооборудования и измерить сопротивление изоляции
двигателей вентиляторов.
Опробуют
электродвигатели поочередным их включением автоматическими выключателями. При
этом контролируют правильность вращения крыльчатки каждого вентилятора.
Если все
электродвигатели вращаются неправильно, необходимо поменять местами два
питающих электродвигателя провода на выходе блока управления или входном
клеммнике силового ящика.
Если один
или несколько электродвигателей вращаются неправильно, следует поменять местами
два провода, питающих электродвигатель на соответствующем выходном клеммнике
силового ящика.
Помещения
животноводческих ферм по степени опасности поражения электрическим током
относятся к особо опасным. Поэтому в них запрещается работать на токоведущих
частях, находящихся под напряжением, и даже заменять под напряжением лампы. К
особо опасным помещениям относятся стойловые помещения, моечные, кормоцеха.
Электроводонагреватели
согласно "Руководящим указаниям по обеспечению электробезопасности
электротермических установок и устройств, применяемых в сельскохозяйственном
производстве" трубопроводы горячей и холодной воды должны быть занулены и
присоединяться к корпусу котла через изолирующие вставки. При этом длина
вставки между металлическими патрубками должна быть:
(3.1)
где, d - внутренний диаметр вставки, м;
ρв
- удельное электрическое сопротивление воды при 20 0С для
трубопроводов холодной воды и 100 0С - для горячей.
У
элементных водонагревателей, установленных в помещениях с искусственным или
естественным выравниванием потенциалов, не требуется изолирующая вставка в
трубопроводе горячей воды, если разборе происходит в этом же помещении, а
корпус водонагревателя надежно соединен с устройством или металлоконструкциями,
обеспечивающими выравнивание потенциалов с напряжением прикосновения до 12 В.
Электродвигатель
и распределительный щит навозоуборочного транспортера необходимо располагать в
специальном помещении, причем шкивы и приводной ремень должны быть ограждены.
Электродвигатели
обслуживают в спецодежде; на ходу запрещено вытирать и ремонтировать движущиеся
части или смазывать их без специальных приспособлений. Запрещено регулировать
натяжение ремня вентилятора во время работы двигателя.
В здании
объекта проектирования все металлические нетоковедущие детали необходимо
занулить, т.е. соединить с защитным проводником или при его отсутствии с
нулевым проводом питающей сети. В качестве защиты животных от поражения
электрическим током в помещениях откорма устанавливают устройства выравнивания
электрических потенциалов (УВЭП).
Устройство
выравнивания электрических потенциалов выполняют согласно РД РБ 02150.007-99. Все
металлоконструкции, к которым могут прикоснуться животные должны быть
электрически соединены между собой, со строительными железобетонными
конструкциями и с нулевым защитным проводом электрической сети. Элементы УВЭП
изготавливаются из оцинкованной, либо не оцинкованной стали диаметром
соответственно 6 - 8 мм и прокладываются в бетонном полу под обеими ногами
животных. Проводники УВЭП могут быть смещены в сторону нулевого потенциала на
расстояние до 1 м и в противоположную сторону на расстояние до 0,5 м. Для
исключения электропатологии животных, напряжение прикосновения в нормальном
эксплуатационном режиме не должно превышать 0,5 В.
После
строительства объекта необходимо экспериментально проверить соответствие
возможных наибольших напряжений прикосновения и шага допустимым значениям.
Для
лучшего выравнивания потенциалов необходимо все металлические конструкции,
имеющие соединения с землей, соединять путем сварки.
УВЭП
подлежит обязательному присоединению к защитному нулевому проводу сети не менее
чем в двух разных точках. Соединение продольных и поперечных проводников УВЭП
следует выполнять только методом сварки, покрывая, сварочные швы
антикоррозийным лаком.
Предпусковой
контроль эффективности выравнивания потенциала осуществляется в два этапа: при
выполнении пусконаладочных работ и после месяца эксплуатации помещения. Схема
измерения напряжения прикосновения представлена на рис.3.1 Контроль
осуществляется путем измерений распределения напряжений прикосновения и шага. Максимальное
значение этих напряжений не должно превышать 0,5 В как было сказано выше в
нормальных режимах и 12 В - в аварийных.
При
контроле на первом этапе при плохом выравнивании потенциалов эксплуатация
помещения запрещается до тех пор, пока не будут выполнены мероприятия по
обеспечению надлежащего выравнивания потенциалов. Если окажется, что после
месяца эксплуатации в помещении напряжение прикосновения и шага превысит
допустимые значения, следует проложить дополнительно выравнивающие элементы или
забить стержни и довести напряжение до допустимых значений. Результаты
измерения напряжений прикосновения и шага, осмотров оформляются актами.
Рисунок 3.1
Схема измерения напряжения прикосновения при замыкании на корпус в сети 0,38 кВ
с глухозаземленной нейтралью и использованием короткозамыкателя. 1 -
трансформатор 10/0,38; 2 - трехполюсный выключатель; 3 - предохранители; 4 -
силовой распределительный щит; 5 - короткозамыкатель; 6 - резистор, имитирующий
сопротивление тела животного; 7 - занулённая металлоконструкция; 8 -
измерительная пластина.
На ферме
кроме зануления и устройства выравнивания электрических пот енциалов также
используется также устройство защитного отключения (УЗО).
Вводно-распределительных
устройств (ВРУ), распределительных щитов (РЩ), устанавливаемых в
сельскохозяйственных и других общественных зданиях комплектуются устройствами
защитного отключения.
Применение
УЗО целесообразно и оправдано по социальным и экономическим причинам в
электроустановках всех возможных видов и самого различного назначения.
Устройства
защитного отключения, реагирующие на дифференциальный ток, наряду с
устройствами защиты от сверхтока, относятся к дополнительным видам защиты
человека от поражения при косвенном прикосновении, обеспечиваемой путем
автоматического отключения питания. Защита от сверхтока (при применении
защитного зануления) обеспечивает защиту человека при косвенном прикосновении -
путем отключения автоматическими выключателями или предохранителями
поврежденного участка цепи при коротком замыкании на корпус.
При малых
токах замыкания, снижении уровня изоляции, а также при обрыве нулевого
защитного проводника зануление недостаточно эффективно, поэтому в этих случаях
УЗО является единственным средством защиты человека от поражения электрическим
током.
В основе
действия защитного отключения, как электрозащитного средства, лежит принцип
ограничения (за счет быстрого отключения) продолжительности протекания тока
через тело человека при непреднамеренном прикосновении его к элементам
электроустановки, находящимся под напряжением. Из всех известных
электрозащитных средств УЗО является единственным, обеспечивающим защиту
человека от поражения электрическим током при прямом прикосновении к одной из
токоведущих частей.
Другим,
не менее важным свойством УЗО является его способность осуществлять защиту от
возгораний и пожаров, возникающих на объектах вследствие возможных повреждений
изоляции, неисправностей электропроводки и электрооборудования.
УЗО
встраивают в розеточные блоки или вилки, через которые подключаются
электроинструмент или бытовые электроприборы, эксплуатируемые в особо опасных -
влажных, пыльных, с проводящими полами и т.п. помещениях. Основные функциональные
блоки УЗО представлены на рис.3.2
Рисунок 3.2
Структура УЗО
1 - дифференциальный
трансформатор тока; 2 - пусковой орган (пороговый элемент); 3 - исполнительный
механизм; 4 - цепь тестирования.
В
нормальном режиме, при отсутствии дифференциального тока - тока утечки, в
силовой цепи по проводникам, проходящим сквозь окно магнитопровода
трансформатора тока 1 протекает рабочий ток нагрузки. Проводники, проходящие
сквозь окно магнитопровода, образуют встречно включенные первичные обмотки
дифференциального трансформатора тока. Если обозначить ток, протекающий по
направлению к нагрузке, как I1, а от нагрузки как I2, то
можно записать равенство: I1 = I2. Равные токи во
встречно включённых обмотках наводят в магнитном сердечнике трансформатора тока
равные, но векторно встречно направленные магнитные потоки Ф1 и Ф2.
Результирующий магнитный поток равен нулю, ток во вторичной обмотке
дифференциального трансформатора также равен нулю. Пусковой орган 2 находится в
этом случае в состоянии покоя.
При
прикосновении человека к открытым токопроводящим частям или к корпусу
электроприёмника, на который произошел пробой изоляции, по фазному проводнику
через УЗО кроме тока нагрузки I1 протекает дополнительный ток - ток
утечки (I), являющийся для трансформатора тока
дифференциальным (разностным).
Неравенство
токов в первичных обмотках (I1 + I в фазном
проводнике) и (I2, равный I1, в нейтральном проводнике) вызывает
неравенство магнитных потоков и, как следствие, возникновение во вторичной
обмотке трансформированного дифференциального тока. Если этот ток превышает
значение уставки порогового элемента пускового органа 2, последний срабатывает
и воздействует на исполнительный механизм 3.
Исполнительный
механизм, обычно состоящий из пружинного привода, спускового механизма и группы
силовых контактов, размыкает электрическую цепь. В результате защищаемая УЗО
электроустановка обесточивается.
Для
осуществления периодического контроля исправности (работоспособности) УЗО
предусмотрена цепь тестирования 4. При нажатии кнопки "Тест" искусственно
создается отключающий дифференциальный ток. Срабатывание УЗО означает, что оно
в целом исправно.
Для
эффективности работы зануления необходимо соблюдение условия:
(3.2)
где Iк. з - ток однофазного короткого замыкания, А;
Iэ. р - ток электромагнитного расцепителя
автоматического выключателя, табл.5.3 [1], А;
К -
кратность тока короткого замыкания относительно уставки аппарата защиты, п.1.7 79
[17].
Произведем
расчет эффективности зануления тепловентилятора ТВ. Установка защищается от
перегрузки и тока короткого замыкания автоматическим выключателем АЕ2036 на
номинальный ток 25А, с током теплового расцепителя 20 А и коэффициентом
кратности тока электромагнитного расцепителя Кi=7
(табл.5.3 [1]). Для расчета приведем расчетную схему на рис.2.3
Рисунок 2.3
Расчетная схема
Определим
величину тока короткого замыкания, А:
(3.3)
где zтр - сопротивление фазы трансформатора току
однофазного к. з., Ом;
zф. о - полное сопротивление петли проводов
фазный-нулевой, Ом.
(3.4)
где Rф - активное сопротивление фазного проводника
току однофазного к. з., Ом;
Rн - активное сопротивление нулевого проводника току
однофазного к. з., Ом;
xф - удельное реактивное сопротивление фазного
проводника току однофазного к. з., прил.15 [9], Ом/м;
xн - удельное реактивное сопротивление нулевого
проводника току однофазного к. з., прил.15 [9], Ом/м.
Поскольку
сечение всех жил кабеля одинаково, то Rф=Rн.
(3.5)
где
ρ - удельное сопротивление проводника, Ом мм2/км;
l - длина проводника, км;
S - сечение проводника, мм2.
Проверка
показывает, что зануление в данном случае эффективно.
Большинство
современных предприятий характеризуются повышенной пожарной опасностью, так как
на них используется значительное количество легковоспламеняющихся и горючих
жидкостей, сжиженных горючих газов, твердых горючих материалов, разветвленная
сеть трубопроводов, большая оснащенность производства электроустановками и т.д.
Пожарная
безопасность определяется как состояние объекта, при котором исключается
возможность пожара, а в случае его возникновения предотвращается воздействие на
людей опасных факторов пожара и обеспечивается защита материальных ценностей.
Пожарная
безопасность обеспечивается комплексом мероприятий, предотвращающих
возникновение пожара и системой пожарной защиты, обеспечивающей успешную борьбу
с возникшим пожаром или взрывом.
Производство
объекта проектирования по пожароопасности относится к категории "Д" так
как оно не относится к категориям А, Б, В или Г. К категории "Д" относятся
производства, в которых обращаются только негорючие вещества в практически
холодном состоянии.
Для
тушения загораний и пожаров на ферме используются такие первичные средства защиты
как лопаты, ящики с песком, топоры, ломы, ведра, огнетушители. Огнетушители по
виду огнетушащего вещества бывают пенные, химически-пенные, воздушно-пенные,
жидкостные, газовые, порошковые. Из ручных химических пенных огнетушителей на
животноводческих фермах широко используется огнетушитель типа ОХП-10. Также для
тушения возгораний в электроустановках используются углекислотные и
углекислотно-бромэтиловые огнетушители (ОУ-2, ОУ-5, ОУБ-3А, ОУБ-7А).
Опыт
работы на животноводческих фермах и комплексах показывает, что интенсификация
животноводства часто не сопровождается улучшением гигиенических и
ветеринарно-санитарных условий в животноводческих помещениях, оказывает
отрицательное воздействие на здоровье животных, интенсивно загрязняет
окружающую среду. Большая концентрация и частые перегруппировки животных на
ограниченной площади, интенсивное, но не всегда сбалансированное кормление,
действие различных неблагоприятных факторов снижают их естественную
резистентность.
Основными
источниками загрязнения почвы и водоёмов от животноводческих предприятий
являются навоз, моча, техническая вода и дезинфицирующие средства, используемые
во время ветеринарно-санитарных мероприятий.
Снизить
загрязняющее влияние животноводческих комплексов на прилегающую территорию
можно в результате правильного проектирования технологии производства и
застройки ферм. Для этого необходимо:
предусматривать
профилактические перерывы с целью постоянного поддержания высокой санитарной
культуры;
практиковать
проведение общих ветеринарно-санитарных мероприятий, способствующих снижению
количества микрофлоры в помещениях и предупреждению их разноса;
вокруг
комплексов и на их территориях создавать санитарно-защитные зеленые зоны;
обеззараживание
навоза производить естественным, экологически безопасным биотермическим
способом для чего организовывать на каждой ферме цеха для его утилизации;
совершенствовать
систему обеспечения микроклимата помещений и внешней рециркуляции отработанного
воздуха;
усилить
контроль за качеством проектирования, обязательно проводить комплексную
экологическую экспертизу проектов ферм.
Во время
выращивания и содержания, животных в помещении на окружающую среду влияют
атмосферный воздух и продукты жизнедеятельности организма (теплота, влага,
углекислый и клоачные газы); продукты разложения навоза (аммиак, сероводород) и
целый ряд газов с неприятным запахом (индол, скатол, меркаптан, акталдегид и др.).
В воздухе накапливаются пыль органического и неорганического происхождения,
различные микроорганизмы и др.
Количество
продуктов жизнедеятельности, выделяемых организмом, различно и зависит от вида
животных, их пола, возраста, живой массы, продуктивности и уровня обмена
веществ, температуры воздуха, его влажности и подвижности, а также от времени
суток (бодрствования или сна). Мужские особи продуцируют более интенсивно. Чем
больше живая масса, тем выше уровень выделений. Более высокая продуктивность
животных соответствует повышенному обмену веществ и большему выводу отходов
физиологических процессов из организма. Между температурой и уровнем обмена
веществ в организме существует обратная зависимость: при повышении температуры
количество вводимой теплоты и углекислого газа уменьшается, а при понижении
повышается. В то же время с выделением влаги наблюдается обратная картина. Высокая
влажность воздуха в сочетании с высокой температурой тормозят выделение теплоты
и испарение влаги с поверхности тела и дыхательных путей. Высокая важность и
низкая температура усиливают теплоотдачу организма. Движение воздуха влияет на
отдачу теплоты. При высокой температуре окружающей среды усиленная подвижность
воздуха повышает потовыделение, следовательно, и теплоотдачу организма, а при
низкой резко увеличивает теплопотери. Ночью, во время сна, у животных
значительно замедляются физиологические процессы и всякого рода выделения
уменьшаются соответственно на 20 и 40%.
Степень
загрязнения окружающей среды животными характеризуется не их размерами, а
интенсивностью физиологических процессов, отнесенных к условной единице живой
массы. Витающие в окружающем воздухе вредные вещества отрицательно действуют не
только на животных, но и на ограждения зданий и средства механизации
производственных процессов. Поэтому зоогигиенистами установлены, а нормами
технологического проектирования предприятий для содержания животных и птиц
узаконены предельно допустимые концентрации (ПДК) вредных газов в воздухе
животноводческих помещений. Установлена величина ПДК нетоксичной пыли в воздухе
помещений - 10 мг/м3.
Поддержание
в постоянной готовности автономных источников электроэнергии один из
определяющих факторов обеспечения устойчивости работы комплекса откорма свиней
в условиях чрезвычайной ситуации.
На
территории комплекса питающих электросетей возможно возникновение чрезвычайных
ситуаций:
при
несвоевременной проверке заземляющих устройств в случае выхода из строя
возможна массовая гибель поросят.
при
выходе из строя питающей сети в зимний период возможна гибель поросят
вследствие нарушения отопительной системы. Для устранения этой чрезвычайной
ситуации требуется автономный источник питания. В данном случае дизельная
электростанция.
Один час
простоя при кормлении или поении это недобор 2-3% планового выпуска продукции
за сутки.
Расчет
мощности дизельной электростанции:
(3.6)

(3.7)
(3.8)
(3.9)
где Рмах1,
Рмах2 - суммарные мощности соответственно электродвигателей,
электропотребителей и осветительной нагрузки ДЭС, кВт.
Ру,
Рон - установленные мощности соответственно электродвигателей и осветительной
нагрузки, кВт;
Кс
- коэффициент спроса, 0,8.
Ксн
- коэффициент, учитывающий расход энергии на собственные нужды, 0,85.
Кпот
- коэффициент, учитывающий потери мощности в сетях, 1,05.

Из табл.48
[26] выбираем передвижную электростанцию ДГ50М1-3/1.
Технические
характеристики ДГ50М1-3/1:
Мощность -
50 кВт;
напряжение
- 230 или 400 В;
дизель -
6Ч12/14 (К-457М1 или К-470М1);
мощность
двигателя - 160 л. с.;
число
оборотов - 1500 об/мин;
синхронный
генератор - ДГС-92-4М;
вид
топлива - Д;
уд. расход
топлива, г/ (кВт. ч) - 264+13,5;
монтаж -
рама-салазки;
масса -
2130 кг;
длина, мм
- 2860;
ширина,
мм - 785;
высота,
мм - 1455.
Один из
основных недостатков современного сельского хозяйства состоит в высокой
себестоимости конечной продукции, делающей ее не конкурентно способной на
мировом рынке.
Отсюда
перед сельским хозяйством РБ стоит чрезвычайно важная задача по всемерному
снижению издержек во всех отраслях сельского хозяйства.
Основными
источниками повышения эффективности является: снижение энергозатрат на единицу
продукции, увеличение среднесуточного привеса живой массы поросят, повышение
продуктивности при дальнейшем доращивании и откорме поголовья, снижение расхода
корма на единицу прироста массы, снижение капитальных вложений и
эксплуатационных расходов за счет получения дополнительной продукции и
увеличения срока службы технологического оборудования и зданий.
Ввиду
своего географического положения РБ фактически не располагает собственными
энергоресурсами, поэтому она вынуждена импортировать из России около 85%
энергоресурсов от общей потребности в них народного хозяйства. Это происходит
при постоянном росте оптовых цен на все без исключения высококачественные
энергоносители. Отсюда одной из важнейших задач перед сельским хозяйством
страны является всемерное снижение затрат топлива и электроэнергии за счет
применения энергоэффективного оборудования.
Увеличение
количества и улучшения качества продукции животноводства, как фактор снижения
себестоимости, во многом зависят и от условий, в которых содержатся животные.
Создание
и поддержание оптимального микроклимата в условиях промышленного животноводства
позволяет использовать те большие резервы для увеличения производства
животноводческой продукции, которые обусловлены наследственностью животных.
Тепловой
режим животноводческих помещений устанавливается в результате процессов тепло -
и массообмена, происходящих как внутри помещений, так и через наружные
ограждения. Он формируется под действием системы отопления и вентиляции в
зависимости от метеорологических параметров наружного воздуха и технологических
характеристик строительных конструкций.
Благоприятная
температура - одно из необходимых условий нормального обмена вещества в
организме. Нарушение же теплового режима отрицательно сказывается на проявлении
всех жизненных функций. Содержание животных в холодных, сырых и плохо
вентилируемых помещениях приводит к снижению привесов на 20 - 30% и увеличению
заболеваемости молодняка в 2 - 3 раза. Отсутствие надежного микроклимата
представляет одну из причин увеличения расходов кормов на 20 - 30% и срок
выращивания и откорма в 1,6 - 1,8 раза по сравнению с зоотехническими нормами. Для
широкого применения при проектировании и реконструкции существующих
животноводческих помещений разработаны оптимальные параметры микроклимата для
различных возрастных и производственных групп животных. Микроклимат нормируется
в зоне размещения животных, высоту которой принимают 1,5 м от уровня пола. Микроклимат
не нормируется в помещениях для хранения инвентаря, подстилки, фуража.
Отклонение
от расчетных температур достигается в пределах
20С.
В свинарнике разрешается в самый холодный период уменьшать температуру
внутреннего воздуха на 50С ниже расчетной (но не менее чем 50С)
в течение 5 дней подряд, но не более 10 дней в году. При этом относительная
влажность может быть увеличена до 85%.
Для
широкого применения при проектировании новых и реконструкции существующих
животноводческих помещений разработаны оптимальные параметры микроклимата для
различных возрастных и производственных групп животных, которые обеспечиваются
отопительно-вентиляционными системами (ОВС), в которых воздушное отопление
совмещено с их вентиляцией.
Конструкции
ОВС зависят от объемно-планировочных решений, вида, возраста и количества
животных, от технологии содержания и вида источника тепловой энергии.
В
помещениях для откорма и выращивания свинопоголовья в зависимости от
климатической зоны, вместимости здания и возраста животных применяют системы
вентиляции с естественным и механическим побуждением подачи воздуха, без
подогрева и подогревом его в холодный период года.
Вентиляционно-отопительные
системы отличаются схемами воздухообмена, источниками тепловой энергии, набором
оборудования. В качестве тепловых установок для нагрева приточного воздуха в
холодный период года используют электрокалориферы и теплогенераторы, работающие
на жидком или газообразном топливе.
В данном
дипломном проекте планируется применение в свинарнике комплекта вентиляционного
оборудования "Климат-45М". В качестве отопительных приборов для
нагрева наружного воздуха в комплекте серии "Климат" могут
применяться паровые, водяные, огневые и электрические калориферы.
Произведем
экономическую оценку систем микроклимата в свинарнике-откормочнике на 1200
голов. Исходные данные для расчета берем из специальной части и сводим их в
табл.4.1
Таблица 4.1
Исходные данные
|
НАИМЕНОВАНИЕ
|
ПОКАЗАТЕЛИ
|
|
Теплопотери через ограждения, Вт/0С
|
2884,4
|
|
Воздухопроизводительность
вентиляторов, м3/ч
|
36000
|
|
Тепловыделения животными, Вт
|
213860
|
|
Потери тепла на испарение, Вт
|
18870
|
|
Расчетная температура наружного
воздуха, 0С
|
-25
|
|
Температура внутри помещения, 0С
|
20
|
|
Вид топлива, сжигаемого в
котельной
|
Уголь
|
|
Тариф на электроэнергию, руб. /кВт·ч
|
138
|
|
Протяженность теплотрассы, м
|
85
|
|
Протяженность ЛЭП, м
|
58
|
За
базовый вариант принимаем отопительно-вентиляционную систему с
электрокалориферными установками СФОЦ-60 совместно с комплектом вентиляционного
оборудования "Климат-45М". За проектируемый отопительно-вентиляционную
систему на базе тепловентиляторов ТВ с водяными калориферами совместно с "Климат-45М".
Тепловая
мощность, необходимая для отопления свинарника-откормочника, определяется из
уравнения теплового баланса:
, (4.1)
где
- теплопотери через ограждения, Вт/0С;
- воздухопроизводительность, м3/ч;
- температура внутреннего воздуха, 0С;
- расчетная наружная температура, 0С;
- расчетная плотность воздуха (
=1,2 кг/м3);
- потери тепла на испарение, Вт;
- тепловыделения животными, Вт.
кВт
Исходя из
величины мощности системы отопления, определяем марку, количество и мощность
калориферной установок в базовом варианте и количество тепловентиляторов ТВ с
водяными калориферами КВББ.
Таблица 4.2
Варианты теплоснабжения свинарника
|
ВАРИАНТЫ
|
Базовый
|
Проектируемый
|
|
Марка ОВС
|
Е.6,3.100-2
|
|
Установленная тепловая мощность,
кВт
|
480
|
480
|
|
Установленная мощность
электродвигателей приточных вентиляторов, кВт
|
12
|
8,8
|
|
Количество СФОЦ-60, шт
|
4
|
---
|
|
Количество установок Е.6,3.100-2,
шт
|
---
|
4
|
Находим
граничную температуру, при которой автоматика включает систему отопления:
, (4.2),
По
справочной литературе, исходя из граничной температуры, находим среднюю
температуру наружного воздуха за отопительный период
и продолжительность отопительного
периода
.
= - 9,8
= 72 сут.
Годовое
число часов использования максимальной нагрузки системы отопления находим из
уравнения:
(4.3)
где
- расчетная наружная температура,
;
- средняя температура отопительного
периода,
;
- коэффициент, учитывающий
непроизводительные потери тепла
на регулирование;
- коэффициент, учитывающий потери тепла
в теплоразводящих
сетях;
- число суток отопительного периода.
ч,
ч
Годовой
расход теплоты на отопление при использовании электрокалориферов определяется
по формуле:
, (4.4)
где
- мощность системы отопления, кВт;
3,6 -
коэффициент перевода кВт в МДж.
МДж
Годовой
расход теплоты на отопление при использовании тепловентиляторов ТВ с водяными
калориферами:
МДж
Годовой
расход электрической энергии на тепловые нужды при использовании
электрокалориферов определяется по формуле:
, (4.5)
где 0,29 -
коэффициент перевода МДж в кВт;
- к. п. д. электрокалориферной
установки.
кВт. ч
Годовой
расход натурального топлива при использовании тепловентиляторов ТВ с водяными
калориферами:
, (4.6)
где
- теплотворная способность натурального
топлива, 25,42 МДж/кг;
- к. п. д. котельной.
т
Расход
условного топлива определяем из выражения:
, (4.7)
где 29,31
- теплотворная способность условного топлива, МДж/кг.
т.
Годовой
расход электрической энергии приточной вентиляцией определяется по формуле:
, (4.8)
где
- суммарная установленная мощность
электродвигателей, кВт;
- коэффициент загрузки по мощности;
- к. п. д. электродвигателя.
кВт. ч.
кВт. ч.
Расход
энергоресурсов при использовании калориферов:
, (4.9)
где
- средний расход условного топлива в
расчете на 1 кВт. ч
отпущенной
электроэнергии.
кг у. т.
Для
тепловентиляторов ТВ с водяными калориферами расход энергоресурсов определяется
по формуле:
, (4.10)
где
- годовой расход условного топлива, кг.
кг у. т.
Электроемкость
процесса отопления и вентиляции для ОВС с электрокалориферами:
, (4.11)
где
- поголовье животных в помещении.
кВт. ч/гол.
Для ОВС
на базе тепловентиляторов ТВ с водяными калориферами:
, (4.12)
кВт. ч/гол
Энергоемкость
процесса:
, (4.13)
кг у. т. /гол
кг у. т. /гол
Капиталовложения
в систему обеспечения микроклимата электрокалориферами:
, (4.14)
где
- капиталовложения в трансформаторную
подстанцию, тыс. руб;
- капиталовложения в
линию электропередач, тыс. руб;
- капиталовложения
в отопительно-вентиляционную систему, тыс. руб;
Капиталовложения
в систему обеспечения климата тепловентиляторами ТВ с водяными калориферами:
(4.15)
где
- капитальные вложения в котельную, тыс.
руб;
- капиталовложения в теплотрассу, тыс. руб.
, (4.16)
где
- мощность системы отопления, кВт;
- удельные капиталовложения в 1 МВт установленной
мощности, тыс. руб.
1,25 -
коэффициент, учитывающий затраты на монтаж и транспортировку оборудования;
руб.
Капиталовложения
в теплотрассу:
, (4.17)
где
- удельные капиталовложения в 1МВт
установленной мощности котельной, руб.;
тыс. руб.
Капиталовложения
в трансформаторную подстанцию:
, (4.18)
где
- капиталовложения в трансформаторную
подстанцию мощностью 160 кВт, тыс. руб.;
n - количество трансформаторных подстанций.
- коэффициент перевода капиталовложений
в действующие цены.
тыс. руб.
Капиталовложения
в ЛЭП:
, (4.19)
где
- удельные капиталовложения в 1 км ЛЭП,
тыс. руб.;
- длина ЛЭП, км.
тыс. руб.
Капиталовложения
в отопительно-вентиляционную систему с электрокалориферами определяются по
формуле:
, (4.20)
где
- стоимость калориферных установок, тыс.
руб.;
- количество калориферных установок, шт.;
тыс. руб.
Капиталовложения
в отопительно-вентиляционную систему с тепловентиляторами ТВ с водяными
калориферами определяются по формуле:
, (4.21)
где
- стоимость ОВС на базе
тепловентиляторов ТВ с водяными
калориферами,
тыс. руб.;
- количество тепловентиляторов ТВ с
водяными калориферами, шт.
тыс. руб.
Итого
полная стоимость системы микроклимата на базе:
электрокалориферов
тыс. руб.
тепловентиляторов
ТВ с водяными калориферами
тыс. руб.
Эксплуатационные
издержки по отопительно-вентиляционным системам определяются формулой:
, (4.22)
где З
- расходы на зарплату персоналу, тыс. руб.;
- отчисления на социальные нужды, тыс. руб;
А -
амортизационные отчисления на реновацию оборудования, котельной и теплотрассы,
тыс. руб.;
КР
- затраты на техническое обслуживание, текущий и капитальный
ремонт,
тыс. руб.;
Э -
затраты на энергоресурсы, тыс. руб.
, (4.23)
где
- число рабочих в смену;
- почасовая заработная плата одного
рабочего, тыс. руб.;
- годовые затраты труда, ч.;
Определяем
почасовую заработную плату одного рабочего:
, (4.24)
где
- тарифный коэффициент (для 5-го
разряда - 1,73);
- корректирующий коэффициент, 1,5;
- ставка первого разряда за месяц (65
тыс. руб);
- среднемесячный фонд рабочего времени
(168,5 ч);
- повышающий коэффициент, 1,2.
тыс. руб/ч.
До
установки тепловентиляторов ТВ с водяными калориферами в свинарнике согласно
штатному расписанию работали два оператора, обслуживающих ОВС. Режим работы -
односменный. Продолжительность рабочего дня 8 часов, при пятидневной рабочей
неделе. После установки - один оператор. Годовой фонд заработной платы
обслуживающего персонала с начислениями:
тыс. руб. /год
тыс. руб. /год
Отчисления
на социальные нужды:
, (4.25)
где
- процент отчислений, 30%.
тыс. руб. /год
тыс. руб. /год
Амортизация
ОВС:
, (4.26)
где
- нормы амортизации (%).
На базе
электрокалориферов:
тыс. руб.
На базе
тепловентиляторов ТВ с водяными калориферами:
тыс. руб.
Издержки
на капитальный ремонт:
, (4.27)
где
- годовые нормы отчислений на
капитальный ремонт,%.
На базе
электрокалориферов:
тыс. руб.
На базе
тепловентиляторов ТВ с водяными калориферами:
тыс. руб.
Затраты
на энергоресурсы для ОВС на базе электрокалориферов:
, (4.28)
где
- тариф на электроэнергию для тепловых
нужд сельскохозяйственных потребителей с учетом НДС (1 кВт=0,138 тыс. руб)
тыс. руб.
Затраты
на энергоресурсы для ОВС на базе тепловентиляторов ТВ с водяными калориферами:
, (4.29)
где
- себестоимость тепловой энергии (1
ГДж=16,9 тыс. руб)
тыс. руб.
Эксплуатационные
издержки ОВС на базе электрокалориферов:
тыс. руб.
Эксплуатационные
издержки ОВС на базе тепловентиляторов ТВ с водяными калориферами:
тыс. руб.
Таблица 4.3
Элементы эксплуатационных издержек
|
Элементы затрат
тыс. руб.
|
Варианты
|
Изменение
(2-1)
|
|
СФОЦ-60
|
ТВ
|
|
Заработная плата
|
4435,2
|
2217,6
|
-2217,6
|
|
Отчисления на социальные нужды
|
1330,56
|
665,28
|
-665,28
|
|
Амортизация
|
1576,92
|
3896,36
|
2319,44
|
|
Капитальный ремонт
|
407,4
|
3762,7
|
3355,3
|
|
Энергозатраты
|
98770,34
|
48466,1
|
-50304,24
|
|
ИТОГО:
|
106520,42
|
59008,04
|
- 47512,38
|
Из
вышеприведенной таблицы следует, что реализация предлагаемого решения позволяет
снизить суммарные эксплуатационные издержки на 47512,38 тыс. руб. при этом
наблюдается увеличение затрат на амортизацию и капитальный ремонт, и, наоборот
их снижение за счет уменьшения заработной платы и энергозатрат.
При
внедрении в производство тепловентиляторов ТВ с водяными калориферами
возрастает полученная хозяйством прибыль.
Прирост
чистой прибыли при реализации проекта:
, (4.30)
где
- прибыль от реализации продукции, тыс.
руб. /год.;
- ставка налоговых отчислений из
прибыли, 27,8%;
С1,
С2 - текущие издержки до и после реализации проекта.
тыс. руб.
Так как в
связи с использованием одной системы вместо другой налогообложение не
изменится, то его не учитываем.
При
анализе вариантов капиталовложений при внедрении системы годовой инвестиционный
доход определяем по формуле:
, (4.31)
тыс. руб.
Чистый
дисконтированный доход:
, (4.32)
где
- коэффициент приведения к началу
периода.
, (4.33)
где
- процентная ставка дисконтирования,
для энергетики Е = 0,1;
- расчетный период. Принимаем Т
= 7 лет
тыс. руб.
Срок
возврата капиталовложений с учетом дисконтирования определяем по формуле:
, (4.34)
где
- коэффициент возврата капитала.
, (4.35)
года
Так как
и
,
то внедрение тепловентиляторов ТВ с водяными калориферами эффективно.
Для
определения эффективности внедрения системы определяем простой срок окупаемости
капиталовложений:
, (4.36)
где
- капиталовложения в проектируемый
вариант, тыс. руб.;
- годовой доход, тыс. руб.
года.
Срок
окупаемости капиталовложений составляет 2,34 года.
Индекс
доходности инвестиций:
(4.37)
Выполненные
расчеты оформляем в виде табл.4.4
Таблица 4.4
Технико-экономические показатели проекта
|
Показатели
|
Варианты
|
Изменение
(2-1)
|
|
СФОЦ-60
|
ТВ
|
|
1. Поголовье, голов
|
1200
|
1200
|
0
|
|
2. Годовой расход теплоты, Гдж
|
2372,85
|
2768,32
|
395,47
|
|
3. Продолж. отопительного периода,
ч/год
|
1373,18
|
1602,04
|
228,86
|
|
4. Энергоемкость процесса, кг у. т.
/гол
|
190,8
|
115,68
|
-75,12
|
|
5. Капиталовложения, тыс. руб.
|
-
|
73053,61
|
-
|
|
6. Эксплуат. издержки, тыс. руб. /год
в том числе энергозатраты
|
106520,42
98770,34
|
59008,04
48466,1
|
- 47512,38
50304,24
|
|
7. Прирост прибыли, тыс. руб. /год
|
-
|
34303,94
|
34303,94
|
|
8. Годовой доход, тыс. руб.
|
-
|
36623,38
|
36623,38
|
|
9. Чистый дисконтированный доход
за расчетный период, тыс. руб.
|
-
|
79299,65
|
79299,65
|
|
10. Индекс доходности проекта, отн.
ед.
|
-
|
1,97
|
-
|
|
11. Срок окупаемости
капиталовложений с учетом дисконтирования, лет
|
-
|
2,34
|
-
|
Проведенный
технико-экономический расчет отопительно-вентиляционной системы
свинарника-откормочника показывает, что наиболее выгодным вариантом для
поддержания микроклимата является использование вентиляторов ТВ с водяными
калориферами. Применение этого оборудования позволяет снизить энергозатраты в 2
раза, получить годовой доход 36623,38 тыс. руб., срок окупаемости
капиталовложений с учетом дисконтирования составит 2,34 года.
В
соответствии с заданием на дипломное проектирование разработана схема
управления микроклиматом в свинарнике-откормочнике КУСХП “Северный".
Благодаря
замене электрокалориферов на водяные, применение автоматизации для приточных
вентиляторов и применение вытяжной установки "Климат-45М" удалось
создать оптимальные параметры микроклимата при меньших энергозатратах.
При
капитальных вложениях 56393,49 тыс. рублей срок окупаемости составляет 2,66
года. Дисконтный доход за расчетный срок службы составляет 58110,32 тыс. рублей.
1. Каганов И.Л. Курсовое и дипломное
проектирование. - М.: ”Агропромиздат", 1990. - 356с.
2. Стандарты предприятия: Правила оформления
дипломных и курсовых проектов (работ) для специальности С03.02-00.А.К. Занберов,
А.Г. Цубанов. - М.: Ротапринт БАТУ, 1999. - 42с.
3. Степанцов В.П. Светотехническое оборудование
в сельскохозяйственном производстве. - Мн.: ”Ураджай", 1987. - 216с.
4. Электрическое освещение и облучение:
Методические указания к практическим занятиям/ Николаенок М.М., Кустова Р.И. - Мн.:
ротапринт БАТУ, 1994. - 154с.
5. СНБ 2.04.05-98 Естественное и искусственное
освещение.
6. Электрооборудование осветительных
и облучательных установок: Справочное пособие/Степанцов В.П., Пашинский В.А., Кустова
Р.И. и др.; Под общей редакцией В.П. Степанцова. - Мн.: ”Ураджай", 1991. -
191 с.
7. Основы проектирования энергооборудования:
практикум. Часть 1.А.Н. Занберов. - Мн.: БГАТУ, 2004. - 62с.
8. Основы проектирования энергооборудования:
практикум. Часть 1.А.Н. Занберов. - Мн.: БГАТУ, 2004. - 82с.
9. Будзко И.А., Зуль Н.М. Электроснабжение
сельского хозяйства. - М.: Агропромиздат, 1990. - 496 с.
10. Расчет линий электропередачи сельскохозяйственного
назначения: Учебное пособие для студентов с. х. вузов/ Янукович Г.И. - Мн.: БГАТУ,
2002. - 86с.
11. Расчет электрических нагрузок в сетях
сельскохозяйственного назначения: Методическое пособие для студентов с. х. вузов/
Янукович Г.И. - Мн.: БГАТУ, 2003. - 190с.
12. Фоменков А.П. Электропривод сельскохозяйственных
машин, агрегатов и поточных линий. - М.: Колос, 1984. - 288с.
13. Герасимович Л.С., Цубанов А.Г. Справочник
по теплоснабжению сельского хозяйства. - Мн.: ”Ураджай", 1993. - 372с.
14. Техническое обеспечение процессов
в животноводстве: Учебник / В.К. Гриб, Л.С. Герасимович, С.С. Жук и др.; Под общ.
ред. В.К. Гриба. - Мн.:
Бел. навука, 2004. - 831с.
15. Электропривод: Методическое пособие.В.
В. Гурин, Л. А Калинин. - Мн.: Ротапринт БГАТУ, 2003. - 82с.
16. Райцельский Л.А. Справочник по осветительным
сетям. - М.: ”Энергия", 1968. - 320с.
17. Правила устройства электроустановок/Минэнерго
- 6-е изд., пераб. и доп. - М.: Энергоатомиздат, 2004. - 641с.
18. Соколов Б.А., Соколова Н.Б. Монтаж
электрических установок. - М.: ”Энергоатомиздат", 1991. - 596с.
19. Луковников А.В., Шкрабак В.С. Охрана
труда. - М.: ВО”Агропромиздат", 1991. - 322с.
20. Посник М.И. Защита населения и объектов
народного хозяйства в чрезвычайных ситуациях. - Мн.: ”Унiверсiтэцкае", 1997. - 284с.
21. Система планово-предупредительного
ремонта и технического обслуживания электрооборудования сельскохозяйственных предприятий.
Госагропром СССР. - М.: ВО”Агропромиздат", 1987. - 191с.
22. Методические указания к экономическому
обоснованию дипломных проектов для студентов специальности С 03.02 “Электрификация
сельского хозяйства”.В. В. Ширшова - Мн.: РотапринтБАТУ, 1994. - 59с.
22. Мороз Ю.Д., Ширшова В.В. Эффективность
механизации и автоматизации животноводства. - Мн.: Ураджай, 1992. - 127с.
23. Бабаханов Ю.М., Степанова Н.А. Оборудование
и пути снижения систем Микроклимата.
- М.: Россельхозиздат, 1987. - 232с.
24. Марочкин В.К., Байлук Н.Д., Брилевский
М.Ю. Использование вторичных топливно-энергетических ресурсов. - Мн.: Ураджай,
1989. - 129с.
25. Зайцев А.М., Жильцов В.И., Шавров
А.В. Микроклимат животноводческих комплексов. - М.: Агропромиздат, 1986. - 248с.
26. Гнелин А.М., Мильман И.Э. Справочник
электромонтера сельского хозяйства.
- М.: Агропромиздат, 1987. - 240с.
27. Проектирование систем электроснабжения:
Методические указания к практически
занятиям/ Шестерень В.Е. - Мн.: БГАТУ, 2003. - 36с.