Электрический преобразователь давления
Лабораторная
работа
Электрический
преобразователь давления
Задание
1.1. Цель работы: Изучение конструкций и принципа
действий преобразователей сигналов обозначение параметров и исследование их в
работе.
1.2. Приборы и оборудование:
1.2.1. Электрический преобразователь давления:
тип прибора
пределы измерений
питание
входной сигнал
- класс точности
1.2.2. Пневматический преобразователь:
тип прибора
питание
входной сигнал
выходной сигнал
1.2.3.Электропневматический преобразователь:
тип прибора
питание
входной сигнал
выходной сигнал
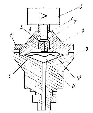
Манометр САПФИР – 22ДИ предназначен для измерения
избыточного давления. Состоит из измерительного блока 4 и унифицированного
электронного устройства 5. внутри основания 2 блока 4 размещён мембранный тензо
преобразователь 7, полость 8 которого заполнена кремний органической жидкостью
и отделена от измеряемой среды мембраной 10. Мембрана приварена по наружному
контуру к основанию.
Чувствительным элементом является пластина из
монокерамического сапфира с применённым плёночным тензорезистором. Основное
свойство тензорезисторов – способность сопротивление в зависимости от прогиба
мембраны тензопреобразователя. Измеряемая величина подаётся в камеру через
фланец 9, измерительного блока и через жидкость, воздействуя на мембрану,
вызывает её прогиб.
Рисунок 1.1. - Манометр «САПФИР – 22ДИ»
Электрический сигнал от тензопреобразователя из
измерительного блока поступает в электронное устройство 5 по проводам, через
вывод 6.
Для измерения большой части параметров в условиях АСУТП
разработан комплекс преобразователей, выполняющий преобразования
унифицированного пневматического сигнала в электрический в пределах от 0 до
5мА; 0 – 20мА; 4 – 20мА с целью вывода этого сигнала в вычислительный комплекс
УВК и для обратного преобразования сигнала с УВК в пневматический с целью выдачи
этого сигнала на исполнительные пневматические механизмы, которые работают в пожаро-
и взрывоопасных условиях и входящих в состав системы автоматического регулирования
параметров.
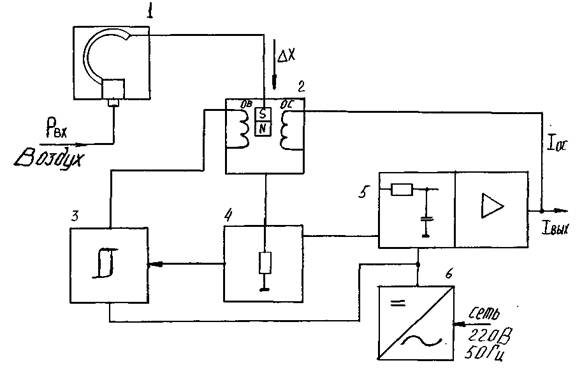
Рисунок 1.2. – Пневматический преобразователь ППЭ – 1: 1
– упругий чувствительный элемент давления, 2 – магнитомодуляционный
преобразователь, 3 – триггер Шмидта, 4 – балластный резистор, 5 – усилитель постоянного
тока в виде активного фильтра и усилителя мощности, 6 – источник питания.
Принцип действия:
Давление входного пневматического сигнала с помощью
упругого чувствительного элемента преобразуется в пропорциональное перемещение
постоянного магнита, являющего плунжером магнитомодуляционного преобразователя
(ММП).
ММП представляет собой управляемый дроссель, специальный
ленточный сердечник которого, имеющий распределённый немагнитный зазор,
воспринимает ток рассеивания постоянного магнита сигнал, пропорционально
перемещению плунжера ММП, выделяется на балластный резистор в цепи его обмотки
возбуждения.
Электропневматический преобразователь ЭП – 1324:
Принцип действия:
Рисунок 1.3. - Электропневматический преобразователь ЭП –
1324: 1 – пневматическое реле, 2 – сопло, 3 – заслонка, 4 – отрицательный сильфон,
5 – пружина, 6 – рычаг, 7 – положительный сильфон, 8 – якорь, 9 - магнитопровод,
10 – пневматическая ёмкость.
Работа прибора основана на принципе силовой компенсации.
Магнитный поток возникающий в магнитопроводе 9 при прохождения входного сигнала
по катушкам электромагнита полярного типа, развивает на якоре 8 усилие, прямопропорционального
сигнала изменяется зазор между соплом 2 и заслонкой 3 укреплённой на рычаге 6,
при этом изменяется давление в линии сопла, которое поступает на пневматическое
реле 1, где усиливается и подаётся на вход преобразователя. Одновременно
изменяется давление, подводимым к сильфонам положительно 7 и отрицательной 4
обратных связей.
2. Ход работы
Определили абсолютную погрешность прибора ППЭ – 1 по
формуле:

Определили относительную погрешность:

Опытные данные занесли в таблицу:
|
Давление преобразователя, кгс/см2
|
Расчётное, Евых, В
|
Действительное значение, Евых В
|
Абсолютная погрешность
|
Относительная погрешность
|
|
Пр.х
|
Об.х
|
Пр.х
|
Об.х
|
Пр.х
|
Об.х
|
|
0
|
10
|
10
|
10
|
0
|
0
|
0
|
0
|
|
0,2
|
9,24
|
9,5
|
9,5
|
0,3
|
0,3
|
2,8
|
|
0,4
|
8,57
|
8,3
|
8,8
|
0,27
|
0,23
|
3,6
|
3,1
|
|
0,6
|
7,8
|
8
|
8
|
0,148
|
0,148
|
1,9
|
1,9
|
|
0,8
|
7,1
|
7,2
|
7,3
|
0,098
|
0,198
|
0,77
|
2,1
|
|
1
|
6,428
|
6,5
|
6,6
|
0,072
|
0,172
|
0,96
|
2,2
|
|
1,2
|
5,7
|
5,9
|
5,8
|
0,186
|
0,086
|
2,5
|
1,1
|
|
1,4
|
5
|
5,1
|
5,1
|
0,1
|
0,1
|
1,3
|
1,3
|
Вывод: Прибор работает, но требует регулировки.
Определили абсолютную погрешность прибора ЭП – 1324:
Определили относительную погрешность:

|
Расчёт, Евх, mA
|
Расчёт, Рвых кгс/см2
|
Действительное значение
|
Абсолютная погрешность
|
Относительная погрешность
|
|
0-5
|
0,2-1
|
Пр.х
|
Об.х
|
Пр.х
|
Об.х
|
Пр.х
|
Об.х
|
|
0
|
0,2
|
0,24
|
0,04
|
0,04
|
5
|
5
|
|
1
|
0,36
|
0,4
|
0,4
|
0,04
|
0,04
|
5
|
5
|
|
2
|
0,52
|
0,52
|
0,52
|
0
|
0
|
0
|
0
|
|
3
|
0,68
|
0,68
|
0,68
|
0
|
0
|
0
|
2,5
|
|
4
|
0,84
|
0,84
|
0,84
|
0
|
0
|
0
|
2,9
|
|
5
|
1
|
0,92
|
0,92
|
0,08
|
0,08
|
10
|
10
|
Вывод: Прибор работает, но требует регулировки