Электрические системы и сети
1 Расчет баланса мощности и выбор компенсирующих устройств
Составим и рассчитаем баланс
активной мощности:
-активная мощность ТЭЦ
- активная мощность
энергосистемы
- потери активной мощности
в линиях и трансформаторах
Расчет суммарной
активной мощности:
Потери активной
мощности в линиях и трансформаторах принимаем в размере от 2% от суммарной
активной мощности i-го потребителя:
Находим активную
мощность, которую необходимо потребить у РПП:
Составим и рассчитаем баланс
реактивной мощности:
–реактивная мощность
ТЭЦ
- реактивная мощность
энергосистемы
–
потери реактивной мощности в линиях и реактивная мощность, генерируемая
воздушными линиями; в предварительных расчетах принимаем их равными друг другу
- потери реактивной
мощности в трансформаторах
Определяем реактивную
мощность первого потребителя:
Аналогично производим
расчеты потребляемой реактивной мощности для остальных потребителей и заносим
результаты в таблицу 1.
Определяем полную
мощность каждого потребителя:
Аналогично производим
расчеты для остальных потребителей и заносим результаты в таблицу 1.
Полная мощность всех
потребителей:
Определяем потери
реактивной мощности в трансформаторах.
Потери реактивной
мощности в трансформаторах потребителей принимаем равными 10% от полной
мощности:
Определяем потребляемую
реактивную мощность:
Далее определяем
реактивную мощность, получаемую от системы:
Сравнив реактивную
мощность, получаемую от системы, с потребляемой, приходим к выводу, что имеется
дефицит реактивной мощности, и необходима установка компенсирующих устройств
(БСК). Определяем необходимую мощность компенсирующих устройств:
Определяем необходимую
мощность компенсирующих устройств для каждого потребителя:
Для первого
потребителя:
Аналогично производим
расчеты для остальных потребителей и заносим результаты в таблицу 1.
Принимаем к установке компенсирующие устройства с
единичной мощностью 0,4 Мвар. Определяем количество компенсирующих устройств
для первого потребителя:
Произведем уточненный расчет необходимой мощности
компенсирующего устройства для первой подстанции:
Аналогично производим
расчеты для остальных потребителей и заносим результаты в таблицу 1.
Определим уточненную мощность компенсирующих
устройств:
Проверяем баланс, исходя из условия:
0,033<0,2 значит
будем считать, что баланс сошелся
Определим реактивную
мощность, потребляемую на подстанциях потребителей после компенсации:
Для первого
потребителя:
Аналогично производим
расчеты для остальных потребителей и заносим результаты в таблицу 1.
Таблица 1 – Расчет
баланса и выбор компенсирующих устройств
|
№ потреб
|
Pi,
МВт
|
tg
|
Qi,
МВAp
|
, MBAp
|
ni,
шт
|
,
MBAp
|
, МВАр
|
|
1
|
4,6
|
0,512
|
2,357
|
1,716
|
4
|
1,6
|
0,757
|
|
2
|
12
|
0672
|
8,064
|
5,871
|
15
|
6
|
2,064
|
|
3
|
21,1
|
0,936
|
19,754
|
14,382
|
36
|
14,4
|
5,354
|
|
4
|
26,4
|
0,963
|
25,446
|
18,526
|
46
|
18,4
|
7,046
|
|
5
|
17,6
|
0,991
|
17,439
|
12,697
|
32
|
12,8
|
4,639
|
|
6
|
26,2
|
0,963
|
25,253
|
18,386
|
46
|
18,4
|
6,853
|
2 Составление вариантов
конфигурации сети с анализом каждого варианта
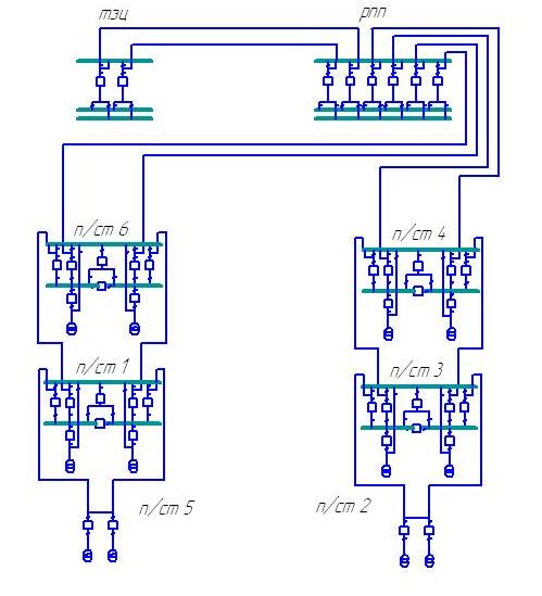
Длины участков:
РПП-4=52 км; РПП-6=18
км; РПП-ТЭЦ=19 км; РПП-3=55 км;
ТЭЦ-6=16 км; ТЭЦ-1=17
км; ТЭЦ-4=46 км; 6-5=80 км; 6-1=20 км;
5-1=68 км; 5-2=116 км;
2-3=42 км; 2-4=56 км; 4-3=28 км.
Рисунок 1. Взаимное
расположение источников и потребителей
Составление вариантов
конфигурации сети.
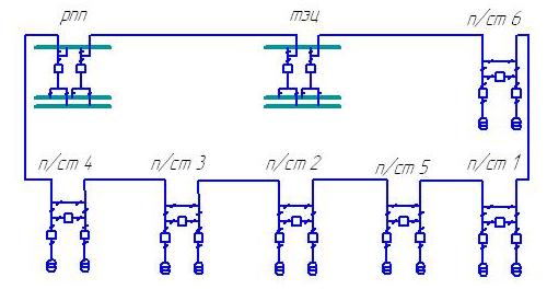
Вариант 1.
Радиально-магистральная сеть
Вариант 1 представляет
собой радиально-магистральную сеть, характеризующуюся тем, что все ЛЭП
прокладываются по кратчайшим трассам. Все линии двухцепные.
Определяем общую длину
линий:
Общая длина линий,
приведенная в экономическом соотношении к одноцепному исчислению:
Вариант 2.
Комбинированная сеть
Вариант 2 представляет
собой комбинированную сеть, в ней потребители 4,2,3 и РПП объединены в
кольцевую сеть, а также в кольцевую сеть объединены потребители 1,5,6 и ТЭЦ.
Общая длина линий:
Длина линий,
приведенная в экономическом соотношении к одноцепному исчислению:
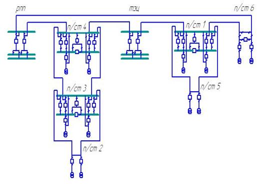
Вариант 3.
Комбинированная сеть
Вариант 3 представляет
собой комбинированную сеть, в нем потребители 4,3,2 объединены в кольцевую сеть,
а также в кольцевую сеть объединены потребители 6,1 включающие в себя РПП и
ТЭЦ.
Общая длина линий:
Длина линий,
приведенная в экономическом соотношении к одноцепному исчислению:
Вариант 4.
Комбинированная сеть
Вариант 4 представляет
собой комбинированную сеть, в нем потребители 4,6,1 объединены в кольцевую сеть
связывающую их с ТЭЦ и РПП.
Общая длина линий:
Длина линий,
приведенная в экономическом соотношении к одноцепному исчислению:
Вариант 5. Кольцевая
сеть
Вариант 5 представляет
собой кольцевую сеть, связывающую всех потребителей с ТЭЦ и РПП.
Существенный недостаток
этого варианта – большая протяженность кольца. Есть опасение, что в
послеаварийном режиме, возникающем после отключения одного из головных
участков, общая потеря напряжения в сети окажется недопустимо большой.
Варианты 2,3,4
относятся к одному принципу конфигурации сети. В них часть потребителей
питается по кольцевой сети, часть – по радиально-магистральной. Среди вариантов
этой группы сеть с наименьшей протяженностью линий является сеть,
представленная вариантом 4.
Варианты 1 и 5 аналогов
не имеют, сравнивать их не с чем, поэтому оставляем оба варианта для
дальнейшего рассмотрения.
Таким образом,
предварительный расчет и технико-экономическое сравнение будем проводить для
вариантов 1, 4 и 5.
3 Приблизительный
приближенный расчет трех отобранных вариантов
Расчетная схема
варианта 1.
Потоки мощности
определяем по первому закону Кирхгофа, двигаясь от наиболее удаленных
потребителей к источнику. Так, поток мощности на участке 3-2 равен мощности
потребителя 2, то есть:
Поток мощности на
участке 4-3 определяем суммированием двух потоков, вытекающих из узла 3:
Поток мощности на
остальных участках определяем аналогично. Результаты помещаем в таблицу 2, а
также наносим на расчетную схему.
Далее, с помощью
формулы Илларионова, определяем целесообразную величину номинального напряжения
на участке 1-2:
Принимаем ближайшее
наибольшее стандартное значение 110 кВ.
Аналогично проводим
расчеты для остальных участков, и результаты помещаем в таблицу 2.
Таблица 2 – Выбор
номинального напряжения на участках цепи для варианта 1.
|
Участок
|
L,
км
|
Pi, MBт
|
Qi, MBAp
|
|
UНОМ,
кВ
|
|
3-2
|
42
|
12
|
2,064
|
48,305
|
110
|
|
4-3
|
28
|
33,1
|
7,418
|
76,941
|
110
|
|
РПП-4
|
52
|
59,5
|
14,464
|
103,338
|
110
|
|
1-5
|
68
|
17,6
|
4,639
|
58,575
|
110
|
|
6-1
|
20
|
22,2
|
5,396
|
63,215
|
110
|
|
РПП-6
|
18
|
48,4
|
12,249
|
87,344
|
110
|
|
ТЭЦ-РПП
|
19
|
-22
|
-7,985
|
62,798
|
110
|
Теперь выбираем сечения
проводов линий. При этом используем метод экономических интервалов.
Определяем токи на
каждом участке сети в режиме максимальных нагрузок по формуле:
– ток наибольших
(максимальных) нагрузок на каждом участке
– полная мощность
каждого участка
–
величина номинального напряжения учатка
Ток на участке 1-2:
Аналогично определяем
токи на остальных участках. Результаты помещаем в таблицу 3.
Определяем расчетную
токовую нагрузку линии.
- коэффициент, учитывающий изменение
нагрузки по годам эксплуатации линии, для линий 110 кВ принимается равным 1,05;
- коэффициент, учитывающий число
часов использования максимальной нагрузки линии Тнб и ее попадание в
максимум энергосистемы, для
принимаем 1,3.
Расчетная токовая
нагрузка участка цепи:
Аналогично определяем
расчетную токовую нагрузку на остальных участках. Результаты помещаем в таблицу
3.
Будем считать, что по
климатическим условиям район сооружения сети соответствует II
району по гололеду, и будут использоваться двухцепные ВЛ на железобетонных
опорах. Расчетная токовая нагрузка участка не должна превышать токовую нагрузку
выбираемого сечения. Выбранные таким образом сечения заносим в таблицу 3, в эту
же таблицу заносим допустимую токовую нагрузку для данного сечения.
Таблица 3 – Сечения и
марки проводов
|
Участок
|
Imax, A
|
Ip, A
|
Iпав,
А
|
Сеч, мм2
|
Iдоп.,
А
|
Марка провода
|
|
3-2
|
31,992
|
43,669
|
63,984
|
70
|
265
|
АС-70/11
|
|
4-3
|
89,125
|
121,656
|
178,25
|
95
|
330
|
АС-95/16
|
|
РПП-4
|
160,885
|
219,608
|
321,77
|
150
|
450
|
АС-150/24
|
|
1-5
|
47,822
|
65,277
|
95,644
|
70
|
265
|
АС-70/11
|
|
6-1
|
60,026
|
81,935
|
120,052
|
70
|
265
|
АС-70/11
|
|
РПП-6
|
131,177
|
179,057
|
262,354
|
120
|
390
|
АС-120/19
|
|
ТЭЦ-РПП
|
61,492
|
83,937
|
122,984
|
70
|
265
|
АС-70/11
|
Проверка по потере
напряжения выполняется как для нормального, так и для послеаварийного режимов
работы сети.
Погонные активные и
индуктивные сопротивления выбираем по справочным материалам и для удобства
заносим их в таблицу 4.
=15% для 35-110 кВ в нормальном режиме;
=20% для 35-110 кВ в аварийном
режиме.
Если потери напряжения
в сети будут больше допустимых значений, то нужно предусмотреть дополнительные
устройства регулирования напряжения или рассмотреть другой вариант сети.
Определяем активное и
индуктивное сопротивления участка 1-2:
Определяем потерю
напряжения на участке 1-2:
Определяем потерю
мощности на участке 1-2:
Аналогичные расчеты
проводим для остальных участков, результаты заносим в таблицу 4.
Таблица 4 – Параметры
линий
|
Участок
|
L, км
|
r0,Ом/км
|
R, Ом
|
x0, Ом/км
|
Х, Ом
|
ΔU,
%
|
ΔP,МВт
|
|
3-2
|
42
|
0,422
|
8,862
|
0,444
|
9,324
|
1,037
|
0,118
|
28
|
0,301
|
4,214
|
0,434
|
6,076
|
1,525
|
0,439
|
|
РПП-4
|
52
|
0,204
|
5,304
|
0,42
|
10,92
|
3,378
|
1,692
|
|
1-5
|
68
|
0,422
|
14,348
|
0,444
|
15,096
|
2,666
|
0,428
|
|
6-1
|
20
|
0,422
|
4,22
|
0,444
|
4,44
|
0,972
|
0,198
|
|
РПП-6
|
18
|
0,244
|
2,196
|
0,427
|
3,843
|
1,267
|
0,501
|
|
ТЭЦ-РПП
|
19
|
0,422
|
4,009
|
0,444
|
4,218
|
1,007
|
0,198
|
Потеря напряжения в радиально-магистральной сети
считается от источника до самого удалённого потребителя:
Для расчета берём
участки, у которого самая большая потеря напряжения.
Потери напряжения при
аварийном режиме меньше допустимых (20%).
Расчетная схема
варианта 5.
Расчет потокораспределения
производим, начиная с головного участка:
Поток мощности на
участке ТЭЦ-6 определяем по первому закону Кирхгофа:
Потоки на остальных
участках определяем аналогично. Результаты помещаем в таблицу 5, а также
наносим на расчетную схему.
Выполним проверку
посредством баланса мощностей.
Рассчитаем поток мощности,
протекающей через участок В-4:
Поток мощности,
рассчитанный таким образом, практически совпадает с потоком мощности этого же
участка, рассчитанным по первому закону Кирхгофа.
Балансы активной и
реактивной мощностей:
Будем считать, что
баланс по обеим мощностям сошелся (табл.1).
Целесообразную величину
напряжения определяем по участку В-4:
Принимаем номинальное
напряжение для всей линии 220 кВ.
Теперь выбираем сечения
проводов линий. При этом используем метод экономических интервалов аналогично
нахождению в радиально-магистральной схеме.
Как видно из расчетов,
для всех проводов выполняется условие:
, то есть они проходят по нагреву.
Таблица 5 – Параметры
линий в нормальном режиме
|
Участок
|
P,
МВт
|
Q,
Мвар
|
сеч,
мм2
|
r0,
Ом/км
|
x0,
Ом/км
|
L,
км
|
R, Ом
|
X, Ом
|
ΔU,
%
|
ΔP,
МВт
|
|
А-ТЭЦ
|
30,854
|
5,223
|
240
|
0,118
|
0,435
|
19
|
2,242
|
8,265
|
0,232
|
0,045
|
|
ТЭЦ-6
|
52,854
|
13,208
|
240
|
0,118
|
0,435
|
16
|
1,888
|
6,96
|
0,396
|
0,116
|
|
6-1
|
26,654
|
6,355
|
240
|
0,118
|
0,435
|
20
|
2,36
|
8,7
|
0,244
|
0,037
|
|
1-5
|
22,054
|
5,598
|
240
|
0,118
|
0,435
|
68
|
8,024
|
29,58
|
0,708
|
0,086
|
|
5-2
|
4,454
|
0,959
|
240
|
0,118
|
0,435
|
116
|
13,688
|
50,46
|
0,226
|
0,006
|
|
2-3
|
7,546
|
1,105
|
240
|
0,118
|
0,435
|
42
|
4,956
|
18,27
|
0,155
|
0,006
|
|
3-4
|
28,646
|
6,459
|
240
|
0,118
|
0,435
|
28
|
3,304
|
12,18
|
0,358
|
0,059
|
|
4-В
|
55,046
|
13,505
|
185
|
0,159
|
0,413
|
52
|
6,136
|
22,62
|
1,329
|
0,407
|
|
Участок
|
Iпав,
A
|
Iдоп.,
А
|
Марка провода
|
|
А-ТЭЦ
|
82,22
|
605
|
АС-240/32
|
|
ТЭЦ-6
|
143,14
|
605
|
АС-240/32
|
|
6-1
|
71,994
|
605
|
АС-240/32
|
|
1-5
|
59,782
|
605
|
АС-240/32
|
|
5-2
|
11,971
|
605
|
АС-240/32
|
|
2-3
|
20,037
|
605
|
АС-240/32
|
|
3-4
|
77,154
|
605
|
АС-240/32
|
|
4-В
|
148,917
|
605
|
АС-240/32
|
Самым тяжелым считается
аварийный режим. За аварию примем выход из строя участка В-4. Тогда сеть
превращается в радиально-магистральную.
Расчетная схема
послеаварийного режима варианта 5.
Определяем потоки мощности
на всех участках по первому закону Кирхгофа. Определяем потерю напряжения на
каждом из участков.
Таблица 6 – Некоторые
параметры линий в аварийном режиме
|
Участок
|
P,
МВт
|
Q,Мвар
|
ΔU,
%
|
|
А-ТЭЦ
|
85,9
|
18,728
|
0,718
|
|
ТЭЦ-6
|
107,9
|
26,713
|
0,805
|
|
6-1
|
81,7
|
19,86
|
0,755
|
|
1-5
|
77,1
|
19,103
|
2,446
|
|
5-2
|
59,5
|
14,464
|
3,191
|
|
2-3
|
47,5
|
12,4
|
0,954
|
|
3-4
|
26,4
|
7,046
|
0,358
|
Из полученных данных
видно, что проверка по потере напряжения выполняется:
Потеря напряжения в
аварийном режиме меньше допустимых (20%).
Расчетная схема
варианта 3.
Этот вариант сети
представляет собой комбинированную сеть, одна часть которой является кольцевой,
а другая – радиально-магистральной.
На участках 4-2 и 1-5
находим мощности по первому закону Кирхгофа:
Поскольку остальная
часть сети кольцевая, то разворачиваем кольцо, превращая кольцевую сеть в
магистральную линию с двухсторонним питанием. Учитываем то, что мощности в
точках 1 и 4 соответственно:
Расчет потокораспределения
производим, начиная с головного участка:
На всех оставшихся
участках цепи находим потокораспределение по первому закону Кирхгофа, аналогично
тому, как мы это делали, при расчете кольцевой сети.
Проверка:
Будем считать, что
баланс по мощностям сошелся.
Целесообразную величину
напряжения кольцевого участка цепи определяем по головному участку А-4:
Принимаем номинальное
напряжение кольцевого участка 220 кВ.
По этой же формуле
выбираем величину напряжения участков 3-6 и 2-1 соответственно:
Принимаем ближайшее
наибольшее стандартное значение 110кВ для обоих участков.
Теперь выбираем сечения
проводов линий. При этом используем метод экономических интервалов аналогично
нахождению в радиально-магистральной и кольцевой схемах.
Таблица 6 – Параметры
линий в нормальном режиме
|
Участок
|
P,
МВт
|
Q,
Мвар
|
сеч,
мм2
|
r0,
Ом/км
|
x0,
Ом/км
|
L,
км
|
R, Ом
|
X, Ом
|
ΔU,
%
|
ΔP,
МВт
|
,
кВ
|
|
А-4
|
38,954
|
8,824
|
240
|
0,118
|
0,405
|
52
|
9,776
|
21,06
|
1,171
|
0,322
|
116,414
|
|
4-3
|
33,1
|
7,418
|
150
|
0,204
|
0,42
|
28
|
2,856
|
5,88
|
1,142
|
0,272
|
76,941
|
|
3-2
|
12
|
2,064
|
70
|
0,422
|
0,444
|
42
|
8,862
|
9,324
|
1,038
|
0,109
|
48,305
|
|
ТЭЦ-4
|
20,546
|
5,64
|
240
|
0,118
|
0,405
|
5,428
|
18,63
|
0,448
|
0,051
|
86,858
|
|
ТЭЦ-1
|
1,454
|
2,345
|
240
|
0,118
|
0,405
|
17
|
2,006
|
6,885
|
0,039
|
0,001
|
23,913
|
|
1-5
|
17,6
|
4,639
|
95
|
0,301
|
0,434
|
68
|
10,234
|
14,756
|
2,054
|
0,28
|
58,575
|
|
6-1
|
20,746
|
3,051
|
240
|
0,118
|
0,405
|
20
|
2,36
|
8,1
|
0,152
|
0,021
|
82,898
|
|
В-6
|
46,946
|
9,904
|
240
|
0,118
|
0,405
|
18
|
2,124
|
7,29
|
0,355
|
0,101
|
111,086
|
|
Участок
|
Imax, A
|
Ip, A
|
Iдоп.,
А
|
Марка провода
|
|
А-4
|
104,942
|
143,246
|
605
|
АС-240/32
|
|
4-3
|
178,25
|
243,311
|
450
|
АС-150/24
|
|
3-2
|
63,983
|
87,337
|
265
|
АС-70/11
|
|
ТЭЦ-4
|
55,98
|
76,413
|
605
|
АС-240/32
|
|
ТЭЦ-1
|
7,249
|
9,895
|
605
|
АС-240/32
|
|
1-5
|
95,644
|
130,554
|
330
|
АС-95/16
|
|
6-1
|
55,095
|
75,205
|
605
|
АС-240/32
|
|
В-6
|
126,061
|
172,073
|
605
|
АС-240/32
|
Потеря напряжения до
точки потокораздела равна:
1,73<15, условие для
номинального режима по потерям выполняется.
Отключаем головной
участок В-6, тогда расчетная схема будет иметь вид:
Расчетная схема
аварийного режима варианта 3.
Рассчитаем потоки
мощности на участках по первому закону Кирхгофа аналогично ранее рассмотренным
вариантам и нанесем их на расчетную схему аварийного режима.
Далее рассчитаем
некоторые параметры линий в аварийном режиме аналогично предыдущим двум
вариантам и сведем результаты расчетов в таблицу 7.
Таблица 7 – Параметры
линий в аварийном режиме
|
Участок
|
P,
МВт
|
Q,
Мвар
|
сеч,
мм2
|
r0,
Ом/км
|
x0,
Ом/км
|
L,
км
|
R, Ом
|
X, Ом
|
ΔU,
%
|
ΔP,
МВт
|
|
А-4
|
85,9
|
18,728
|
240
|
0,118
|
0,405
|
52
|
9,776
|
21,06
|
2,55
|
1,561
|
|
4-3
|
33,1
|
7,418
|
150
|
0,204
|
0,42
|
28
|
2,856
|
5,88
|
1,142
|
0,272
|
|
3-2
|
12
|
2,064
|
70
|
0,422
|
0,444
|
42
|
8,862
|
9,324
|
1,038
|
0,109
|
|
4-ТЭЦ
|
26,4
|
4,264
|
240
|
0,118
|
0,405
|
46
|
5,428
|
18,63
|
0,592
|
0,08
|
|
ТЭЦ-1
|
48,4
|
12,249
|
240
|
0,118
|
0,405
|
17
|
2,006
|
6,885
|
0,375
|
0,103
|
|
1-5
|
17,6
|
4,639
|
95
|
0,301
|
0,434
|
68
|
10,234
|
14,756
|
2,054
|
0,28
|
|
1-6
|
26,2
|
6,853
|
240
|
0,118
|
0,444
|
20
|
2,36
|
8,1
|
0,242
|
0,036
|
|
Участок
|
Iпав,
A
|
Iдоп.,
А
|
Марка провода
|
|
А-4
|
417,612
|
605
|
АС-240/32
|
|
4-3
|
265,795
|
450
|
АС-150/24
|
|
3-2
|
421,477
|
265
|
АС-70/11
|
|
4-ТЭЦ
|
246,511
|
605
|
АС-240/32
|
|
ТЭЦ-1
|
556,611
|
605
|
АС-240/32
|
|
1-5
|
144,330
|
330
|
АС-95/16
|
|
1-6
|
109,119
|
605
|
АС-240/32
|
Выбранные провода всех
участков удовлетворяют условию по нагреву
, кроме участка 1-4,
поэтому увеличим сечение провода дна данном участке и возьмем провод марки
АС-240/32.
Посчитаем суммарные потери
напряжения до самых удаленных подстанций. Ими будут подстанции 2 и 4, т.к.
протяженность линий до каждого из этих участков от РПП 61 км.
Суммарная потеря
напряжения подстанции 5:
Суммарная потеря
напряжения подстанции 6:
В послеаварийном режиме
условие
выполняется, т.к. 7,751<20
и 5,939<20.
4 Выбор трансформаторов
на подстанциях потребителей
Теперь выбираем
трансформаторы на подстанциях.
На каждой из подстанций
предусматриваем установку двух трансформаторов, по причине наличия на каждой
подстанции потребителей или I,или
II категорий, или I
и II категорий одновременно.
Номинальная мощность трансформаторов
должна удовлетворять условию:
Sномi
– номинальная мощность i-той
подстанции,
Sнагрi
–
нагрузочная мощность i-той
подстанции (см. п1. табл.1).
ПС1:
Выбираем два
трансформатора ТМН-6300/110 для 1 варианта сети, для остальных ТРДН-40000/220.
ПС2:
Выбираем два
трансформатора ТДН-10000/110 для 1 и 2 вариантов сети, для 5 варианта
ТРДН-40000/220.
ПС3:
Выбираем два трансформатора
ТДН-16000/110 для 1 и 2 вариантов сети, для 5 варианта ТРДН-40000/220.
ПС4:
Выбираем два
трансформатора ТРДН-25000/110 для 1 варианта сети, для остальных ТРДН-40000/220.
ПС5:
Выбираем два
трансформатора ТДН-16000/110 для 1 и 2 вариантов сети, для 5 варианта
ТРДН-40000/220.
ПС6:
Выбираем два
трансформатора ТРДН-25000/110 для 1 варианта сети, для остальных ТРДН-40000/220.
5 Технико-экономическое
сравнение вариантов и выбор из них лучшего
Сравнение различных
вариантов и выбор лучшего из них будем производить с использованием минимума
дисконтированных издержек:
К – капиталовложения в
строительство сети;
– издержки на ремонт и
обслуживание оборудования;
– издержки на
возмещение затрат потерь электроэнергии;
i
– норматив приведения разновременных затрат (
).
Капитальные затраты на
строительство сети определяются по формуле:
КЛЭП –
капиталовложения в линии электропередачи;
КТР –
капиталовложения в трансформаторы;
КОРУ –
капиталовложения в открытые распределительные устройства;
КПЧЗ –
капиталовложения в постоянную часть затрат.
Куд –
удельная стоимость ЛЭП;
L
– длина линии;
n
– количество параллельно работающих цепей;
h–
индекс перехода от базовых цен 1991 г. к ценам 2004 г.(h=36,38)
Куд –
стоимость трансформатора;
nТ
– количество трансформаторов;
h–
индекс перехода от базовых цен 1991 г. к ценам 2004 г.(h=36,38)
,
где Кяч – стоимость ячейки;
nяч
– количество ячеек;
h–
индекс перехода от базовых цен 1991 г. к ценам 2004 г.(h=36,38)
h–
индекс перехода от базовых цен 1991 г. к ценам 2004 г.(h=36,38)
5.1
Радиально-магистральная сеть
Рисунок - Однолинейная
схема радиально-магистральной сети
Рассчитываем
капиталовложения в ВЛ для участка 1-5. Удельная стоимость ВЛ выбирается исходя
из напряжения ВЛ, сечения провода, количества цепей на опоре и материала опоры.
Необходимости сооружения ВЛ для участка 1-5 на отдельно стоящих опорах нет,
экономически выгоднее будет сооружение двух цепей на одной железобетонной
опоре. Тогда удельная стоимость ВЛ напряжением 110 кВ, с сечением проводов до
150 мм2 равна 57 тыс. руб./км (стоимость на 1991 г.). Таким образом капиталовложения в ВЛ с учетом индекса перехода к ценам 2004 г. для участка 1-5 определятся:
Аналогично определяем
капитальные затраты на ВЛ остальных участков сети, результаты расчета заносим в
таблицу 8.
Таблица 8 – Стоимость
ЛЭП
|
Участок
|
L, км
|
Uном, кВ
|
Марка провода
|
n
|
Куд, тыс. руб./км
|
КЛЭП, тыс.руб.
|
|
3-2
|
42
|
110
|
АС-70/11
|
1
|
57
|
87093,72
|
|
4-3
|
28
|
110
|
АС-95/16
|
1
|
57
|
58062,48
|
|
РПП-4
|
52
|
110
|
АС-150/24
|
1
|
57
|
107830,32
|
|
1-5
|
68
|
110
|
АС-70/11
|
1
|
57
|
141008,88
|
|
6-1
|
20
|
110
|
АС-70/11
|
1
|
57
|
41473,2
|
|
РПП-6
|
18
|
110
|
АС-120/19
|
1
|
57
|
37325,88
|
|
ТЭЦ-РПП
|
19
|
110
|
1
|
57
|
39339,54
|
|
Итого
|
513124,02
|
Рассчитываем
капиталовложения в трансформаторы подстанции 1. Стоимость одного трансформатора
выбираем, исходя из его мощности и высшего напряжения. Для подстанции 1 выбраны
два трансформатора марки ТМН-6300/110 (стоимость одного такого трансформатора
на 1991 г. составляла 136 тыс. руб.), тогда капиталовложения в трансформаторы
подстанции 1 с учетом индекса перехода к ценам 2004 г. определятся:
Аналогично определяем
капитальные затраты на трансформаторы остальных подстанций сети, результаты
расчета заносим в таблицу 9.
Таблица 9 –
Капиталовложения в трансформаторы подстанций
|
ПС
|
Тип трансформатора
|
nТ
|
Куд, тыс. руб./км
|
КТР, тыс.руб.
|
|
1
|
ТМН-6300/110
|
2
|
136
|
9895,36
|
|
2
|
ТДН-10000/110
|
2
|
148
|
10768,48
|
|
3
|
ТДН-16000/110
|
2
|
172
|
12514,72
|
|
4
|
ТРДН-25000/110
|
2
|
222
|
16152,72
|
|
5
|
ТДН-16000/110
|
2
|
172
|
12514,72
|
|
6
|
ТРДН-25000/110
|
2
|
222
|
16152,72
|
|
Итого
|
77988,72
|
Для всех ОРУ на
подстанциях выбираем элегазовые выключатели. Рассчитываем капиталовложения в
ОРУ подстанции 1 (количество ячеек считаем по однолинейной принципиальной схеме):
Аналогично рассчитываем
капиталовложения в ОРУ подстанций 3,4,6 а также РПП и ТЭЦ. Результаты расчета
заносим в таблицу 10.
На подстанциях 2 и 5
используется мостиковая схема РУ (два блока с выключателями и неавтоматической
перемычкой со стороны линии). Стоимость ОРУ напряжением 110 кВ для данной
мостиковой схемы на 1991 г. составляла 198 тыс. руб. Капиталовложения в ОРУ с
учетом индекса перехода к ценам 2004 г. для подстанций 2 и 5 составят:
тыс. руб.
Таблица 10 –
Капиталовложения в ОРУ
|
ПС
|
, кВ
|
|
, тыс. руб.
|
, тыс. руб.
|
|
1
|
110
|
8
|
290
|
84401,6
|
|
2
|
110
|
|
198
|
7203,24
|
|
3
|
110
|
8
|
290
|
84401,6
|
|
4
|
110
|
8
|
290
|
84401,6
|
|
5
|
110
|
|
198
|
7203,24
|
|
6
|
110
|
8
|
290
|
84401,6
|
|
РПП
|
110
|
6
|
290
|
63301,2
|
|
ТЭЦ
|
110
|
2
|
290
|
21100,4
|
|
Итого
|
436414,48
|
Рассчитываем постоянную
часть затрат по подстанциям, исходя из схемы подстанции на стороне ВН, высшего
и низшего напряжения. На 1,2,3,4 подстанциях примем напряжение 110/10, на
подстанциях 5,6 примем напряжение 110/6. На подстанциях 2 и 5 используется
мостиковая схема, постоянная часть затрат на нее для данного напряжения на 1991 г. составляла 395 тыс. руб. Тогда с учетом индекса перехода к ценам 2004 г. ПЧЗ для подстанций 2 и 5 составит:
На остальных подстанциях
используются сборные шины, ПЧЗ для каждой такой подстанции на 1991 составляла
515 тыс. руб. Тогда с учетом индекса перехода к ценам 2004 г. ПЧЗ для каждой подстанций 1 и 6 составит:
Общая постоянная часть
затрат составит:
Найдем общие
капитальные затраты:
Определим издержки на
ремонт и обслуживание линий электропередачи:
Определим издержки на
ремонт и обслуживание трансформаторов:
Определим издержки на
ремонт и обслуживание открытых распределительных устройств:
Определим общие
издержки на ремонт и обслуживание:
Рассчитаем издержки на
потери электроэнергии в линии. Для этого найдем время максимальных потерь:
Издержки на потери в
линии:
Рассчитываем издержки
на потери в трансформаторах подстанции 1.
Рассчитываем потери в
обмотках трансформатора:
На подстанции 1 два
параллельно работающих трансформатора, следовательно, потери на холостой ход
увеличатся в два раза, а потери в обмотках уменьшатся в два раза. Таким
образом, издержки на потери в трансформаторах подстанции 1 составят:
Аналогично определяем
издержки на потери электроэнергии в трансформаторах для остальных подстанций.
Результаты расчета сводим в таблицу 11.
Таблица 11. Издержки на
потери в трансформаторах
|
ПС
|
UНОМ
|
Тип трансформатора
|
ΔРхх,кВт
|
RТ,
Ом
|
Sобм,
МВ·А
|
ΔРобм, кВт
|
ИΔWТ,
тыс.руб
|
|
1
|
110
|
ТМН-6300/110
|
11,5
|
14,7
|
4,662
|
26,404
|
596,18
|
|
2
|
110
|
ТДН-10000/110
|
14
|
7,95
|
12,176
|
97,407
|
1203,39
|
|
3
|
110
|
ТДН-16000/110
|
19
|
4,38
|
21,769
|
171,54
|
1921,09
|
|
4
|
110
|
ТРДН-25000/110
|
27
|
2,54
|
27,324
|
126,725
|
1873,45
|
|
5
|
110
|
ТДН-16000/110
|
19
|
4,38
|
18,201
|
119,917
|
1543,31
|
|
6
|
110
|
ТРДН-25000/110
|
27
|
2,54
|
27,081
|
153,949
|
2072,68
|
|
Итого
|
9210,1
|
Общие издержки на
потери электроэнергии:
Дисконтированные
издержки для радиально-магистральной сети составят:
5.2
Кольцевая сеть
Рисунок - Однолинейная
схема кольцевой сети
Рассчитываем капитальные
вложения в ВЛ кольцевой сети проводим аналогично расчету
радиально-магистральной сети. Результаты расчетов помещаем в таблицу 12.
Таблица 12 – Стоимость
ЛЭП
|
Участок
|
L, км
|
Uном, кВ
|
Марка провода
|
n
|
Куд, тыс. руб./км
|
КЛЭП, тыс.руб.
|
|
А-ТЭЦ
|
19
|
220
|
АС-240/32
|
1
|
38
|
26266,36
|
|
ТЭЦ-6
|
16
|
220
|
АС-240/32
|
1
|
38
|
22119,04
|
|
6-1
|
20
|
220
|
АС-240/32
|
1
|
38
|
27648,8
|
|
1-5
|
68
|
220
|
АС-240/32
|
1
|
38
|
94005,92
|
|
5-2
|
116
|
220
|
АС-240/32
|
1
|
38
|
160363,04
|
|
2-3
|
42
|
220
|
АС-240/32
|
1
|
38
|
58062,48
|
|
3-4
|
28
|
220
|
АС-240/32
|
1
|
38
|
38708,32
|
|
4-В
|
52
|
220
|
АС-240/32
|
1
|
38
|
71886,88
|
|
Итого
|
499060,84
|
Капиталовложения в
трансформаторы подстанций рассчитываем аналогично радиально-магистральной сети
результаты сводим в таблицу 13.
Таблица 13 – Капиталовложения
в трансформаторы подстанций
|
ПС
|
Тип трансформатора
|
nТ
|
Куд, тыс. руб./км
|
КТР, тыс.руб.
|
|
1
|
ТРДН-40000/220
|
2
|
400
|
29104
|
|
2
|
ТРДН-40000/220
|
2
|
400
|
29104
|
|
3
|
ТРДН-40000/220
|
2
|
400
|
29104
|
|
4
|
ТРДН-40000/220
|
2
|
400
|
29104
|
|
5
|
ТРДН-40000/220
|
2
|
400
|
29104
|
|
6
|
ТРДН-40000/220
|
2
|
400
|
29104
|
|
Итого
|
174624
|
Рассчитываем
капиталовложения в ОРУ кольцевой сети (количество ячеек считаем по однолинейной
принципиальной схеме).
Таблица 14 –
Капиталовложения в ОРУ
|
ПС
|
, кВ
|
|
, тыс. руб.
|
, тыс. руб.
|
|
1
|
220
|
|
480
|
17462,4
|
|
2
|
220
|
|
480
|
17462,4
|
|
3
|
220
|
|
480
|
17462,4
|
|
4
|
220
|
|
480
|
17462,4
|
|
5
|
220
|
|
480
|
17462,4
|
|
6
|
220
|
|
480
|
17462,4
|
|
РПП
|
220
|
2
|
600
|
43656
|
|
ТЭЦ
|
220
|
2
|
600
|
43656
|
|
Итого
|
Рассчитываем постоянную
часть затрат по подстанциям, исходя из схемы подстанции на стороне ВН, высшего
и низшего напряжения. Т.к. в кольцевой схеме у нас используется везде мостиковая
схема, то постоянная часть затрат:
Найдем общие
капитальные затраты:
Определим издержки на
ремонт и обслуживание линий электропередачи:
Определим издержки на
ремонт и обслуживание трансформаторов:
Определим издержки на
ремонт и обслуживание открытых распределительных устройств:
Определим общие
издержки на ремонт и обслуживание:
Издержки на потери в
линии:
Аналогично определяем
издержки на потери электроэнергии в трансформаторах как и в предыдущем расчете.
Результаты расчета сводим в таблицу 15.
Таблица 15. Издержки на
потери в трансформаторах
|
ПС
|
UНОМ
|
Тип трансформатора
|
ΔРхх,кВт
|
RТ,
Ом
|
Sобм,
МВ·А
|
ΔРобм, кВт
|
ИΔWтр,
тыс.руб
|
|
1
|
220
|
ТРДН-40000/220
|
50
|
5,6
|
4,662
|
2,515
|
1770,4
|
|
2
|
220
|
ТРДН-40000/220
|
50
|
5,6
|
12,176
|
17,153
|
1877,53
|
|
3
|
220
|
ТРДН-40000/220
|
50
|
5,6
|
21,769
|
54,83
|
2153,25
|
|
4
|
220
|
ТРДН-40000/220
|
50
|
5,6
|
27,324
|
86,384
|
2384,16
|
|
5
|
220
|
ТРДН-40000/220
|
50
|
5,6
|
18,201
|
38,33
|
2032,5
|
|
6
|
220
|
ТРДН-40000/220
|
50
|
5,6
|
27,081
|
84,854
|
2372,96
|
|
Итого
|
12590,8
|
Общие издержки на
потери электроэнергии:
Дисконтированные
издержки для кольцевой сети составят:
5.3 Комбинированная
сеть
Рисунок - Однолинейная
схема комбинированной сети
Расчет дисконтированных
издержек комбинированной сети проводим аналогично расчету дисконтированных
издержек радиально-магистральной сети в п. 5.1. и кольцевой сети в п. 5.2.
Результаты расчетов помещаем в соответствующие таблицы.
Таблица 16.
Капиталовложения в ВЛ.
|
Участок
|
L, км
|
Uном, кВ
|
Марка провода
|
n
|
Куд, тыс. руб./км
|
КЛЭП, тыс.руб.
|
|
А-4
|
52
|
220
|
АС-240/32
|
1
|
38
|
71886,88
|
|
4-3
|
28
|
110
|
АС-150/24
|
1
|
57
|
58062,48
|
|
3-2
|
42
|
110
|
АС-70/11
|
1
|
57
|
91833,84
|
|
4-ТЭЦ
|
46
|
220
|
АС-240/32
|
1
|
38
|
63592,24
|
|
ТЭЦ-1
|
17
|
220
|
АС-240/32
|
1
|
38
|
23501,48
|
|
1-5
|
68
|
110
|
АС-95/16
|
1
|
57
|
141008,88
|
|
1-6
|
20
|
220
|
АС-240/32
|
1
|
38
|
27648,8
|
|
6-В
|
18
|
220
|
АС-240/32
|
1
|
38
|
24883,92
|
|
Итого
|
502418,52
|
Аналогично определяем
капитальные затраты на трансформаторы как в предыдущих расчетах, результаты
расчета заносим в таблицу 17.
Таблица 17 –
Капиталовложения в трансформаторы подстанций
|
ПС
|
Тип трансформатора
|
nТ
|
Куд, тыс. руб./км
|
КЛЭП, тыс.руб.
|
|
1
|
ТРДН-40000/220
|
2
|
400
|
29104
|
|
2
|
ТДН-10000/110
|
2
|
148
|
10768,48
|
|
3
|
ТДН-16000/110
|
2
|
172
|
12514,72
|
|
4
|
ТРДН-40000/220
|
2
|
400
|
29104
|
|
5
|
ТДН-16000/110
|
2
|
172
|
12514,72
|
|
6
|
ТРДН-40000/220
|
2
|
400
|
29104
|
|
Итого
|
123109,92
|
Рассчитываем
капиталовложения в ОРУ комбинированной сети (количество ячеек считаем по
однолинейной принципиальной схеме). Расчеты ведем аналогично расчетам
радиально-магистральной и кольцевой сетей. Результаты заносим в таблицу 17.
Таблица 17 –
Капиталовложения в ОРУ
|
ПС
|
, кВ
|
|
, тыс. руб.
|
, тыс. руб.
|
|
1
|
220
|
8
|
600
|
174624
|
|
2
|
110
|
|
198
|
7203,24
|
|
3
|
110
|
8
|
290
|
84401,6
|
|
4
|
220
|
8
|
600
|
174624
|
|
5
|
110
|
|
198
|
7203,24
|
|
6
|
220
|
|
411
|
14952,18
|
|
РПП
|
220
|
2
|
600
|
43656
|
|
ТЭЦ
|
220
|
2
|
600
|
43656
|
|
Итого
|
550320,26
|
Рассчитываем постоянную
часть затрат по подстанциям, исходя из схемы подстанции на стороне ВН, высшего
и низшего напряжения.
Найдем общие
капитальные затраты:
Определим издержки на
ремонт и обслуживание линий электропередачи:
Определим издержки на
ремонт и обслуживание трансформаторов:
Определим издержки на
ремонт и обслуживание открытых распределительных устройств:
Определим общие
издержки на ремонт и обслуживание:
Издержки на потери в
линии:
Издержки на потери в
трансформаторах комбинированной сети считаются так же, как и в ранее
представленных вариантах. Результаты приведены в таблице 18.
Таблица 18. Издержки на
потери в трансформаторах
|
ПС
|
UНОМ
|
Тип трансформатора
|
ΔРхх,кВт
|
RТ,
Ом
|
Sобм,
МВ·А
|
ΔРобм, кВт
|
ИΔWтр,
тыс.руб
|
|
1
|
220
|
ТРДН-40000/220
|
50
|
5,6
|
4,662
|
2,515
|
1770,4
|
|
2
|
110
|
ТДН-10000/110
|
14
|
7,95
|
12,176
|
97,407
|
1203,38
|
|
3
|
110
|
ТДН-16000/110
|
19
|
4,38
|
21,769
|
171,54
|
1921,09
|
|
4
|
220
|
ТРДН-40000/220
|
50
|
5,6
|
27,324
|
86,384
|
2384,16
|
|
5
|
110
|
ТДН-16000/110
|
19
|
4,38
|
18,201
|
119,917
|
1543,31
|
|
6
|
220
|
ТРДН-40000/220
|
50
|
5,6
|
27,081
|
84,854
|
2372,96
|
|
Итого
|
11195,3
|
Общие издержки на
потери электроэнергии:
Дисконтированные
издержки для комбинированной сети составят:
Таким образом, минимум
дисконтированных издержек мы получили в кольцевой сети (она является
экономически выгоднее радиально-магистральной примерно на 28,72%, а
комбинированной – на 45,38%).
Дальнейшие расчеты
будем производить для кольцевой сети.