Что такое электричество
Реферат по физике
На тему:
Что такое электричество?
Содержание
1. Получение
электроэнергии. Типы электростанций
1.1 Тепловые
(ТЭС)
1.2 Атомная
электростанция (АЭС)
1.3
Гидроэлектростанции (ГЭС)
1.4
Приливная электростанция (ПЭС)
1.5 Ветряная
электростанция
1.6
Геотермическая электростанция
2.
Применение электроэнергии
2.1
Трансформа́тор (от лат. transformo - преобразовывать)
2.2
Компоненты трансформатора
2.2.1 Клеммы
2.2.2
Охладители
2.2.3
Газовое реле
2.2.4
Встроенные трансформаторы тока
2.2.5
Системы защиты масла
2.2.6
Устройства сброса давления
2.2.7
Устройства защиты от внезапного повышения давления
2.2.8
Устройства защиты от перенапряжений
2.2.9
Устройства транспортировки
2.2.10
Детектор горючих газов
2.2.11
Расходомер
2.3
Автотрансформа́тор
2.5
Трансформатор тока
2.5.1 Схемы
соединения трансформаторов тока
2.6
Трансформатор напряжения
2.6.1 Виды
трансформаторов напряжения
Список
литературы
Введение
Начнем с того, что электричество изучается в течение многих
тысяч лет, но до сих пор точно не известно, что это такое! Сегодня считают, что
оно состоит из крошечных заряженных частиц. Согласно этой теории, электричество
- это движущийся поток электронов или других заряженных частиц. Первым ученым,
который изучал свойства электричества, был придворный врач королевы Елизаветы 1
Вильям Жильбер. Но, несмотря на его интересные открытия, все же нельзя
сказать, что он или кто-то другой из ученых действительно открыл электричество,
ибо с древнейших времен и до наших дней множество ученых изучают свойства
электричества, анализируют новые формы его применения. Поэтому скажем только о
самых важных открытиях в этой области.
Так, в Голландии в 1745 году изобрели особые лейденские
банки, в которых мог накапливаться огромный по тем временам электрический
заряд (порядка 1 микрокулона). Английский ученый Уотсон
усовершенствовал это изобретение, и открыл, что скорость распространения
электричества огромна и действует оно, следовательно, почти мгновенно.
Пожалуй, наука об электричестве начала бурно развиваться с
того момента, как в 1800 году Алессандро Вольта изобрел батарею. Это
изобретение дало людям первый постоянный и надежный источник энергии и повлекло
за собой все важные открытия в этой области. Динамо-машина Фарадея,
электромагнитная теория Максвелла, наука Электродинамика,
созданная с подачи Ампера - все это произошло в течение каких-то 20 лет.
А затем, в 1871 году, американский ученый Эдисон подарил миру первую лампу
накаливания, и лишь через 40 лет француз Жорж Клод изобрел лампу
неоновую.
Кстати, электричество - не искусственное явление, в природе
оно тоже встречается в виде… молнии! Что и доказал Бенджамин Франклин в
1752 году.
В наши дни практически все отрасли производства используют
электричество. Но ведь не от молнии же работают заводы и освещаются города. Для
преобразования различных видов энергии в электрическую были созданы электростанции.
В зависимости от источника энергии различают:
Тепловые электростанции (ТЭС), использующие природное
топливо.
Атомные электростанции (АЭС), использующие ядерную энергию.
Гидроэлектростанции (ГЭС), использующие энергию падающей
воды рек.
Иные электростанции, использующие ветровую, солнечную,
геотермальную и другие виды энергий.
Основной тип электростанций в России. Эти установки
вырабатывают примерно 67% электроэнергии России. Тепловые электростанции
используют широко распространенные топливные ресурсы, способны вырабатывать
электроэнергию без сезонных колебаний и относительно свободно размещаются. На
их размещение влияют топливный и потребительский факторы: наиболее мощные
электростанции располагаются в местах добычи топлива; ТЭС же, использующие
калорийное, транспортабельное топливо, ориентированы на потребителей. Строительство
ТЭС ведется быстро и связано с меньшими затратами труда и материальных средств.
Но у них есть существенные недостатки. Они используют невозобновимые ресурсы,
обладают низким КПД (30-35%), оказывают крайне негативное влияние на
экологическую обстановку. ТЭС всего мира ежегодно выбрасывают в атмосферу 200-250
млн. т золы и около 60 млн. т сернистого ангидрида, а также поглощают огромное количество
кислорода.
Среди ТЭС преобладают тепловые паротурбинные (ТПЭС),
на которых тепловая энергия используется в парогенераторе для получения
водяного пара высокого давления, приводящего во вращение ротор паровой турбины,
соединённый с ротором электрического генератора (обычно синхронного генератора).
В качестве топлива на таких ТЭС используют уголь (преимущественно), мазут,
природный газ, лигнит, торф, сланцы. Отметим, что в любой электростанции
предусмотрена система охлаждения отработавшего теплоносителя, чтобы довести
температуру теплоносителя до необходимого для повторного цикла значения. Если
поблизости от электростанции есть населенный пункт, то это достигается путем
использования тепла отработавшего теплоносителя для нагрева воды для отопления домов
или горячего водоснабжения (такие ТПЭС называются теплоэлектроцентралями (ТЭЦ)),
а если нет, то излишнее тепло отработавшего теплоносителя просто сбрасывается в
атмосферу в градирнях, которые представляют собой широкие конусообразные
трубы. Конденсатором отработавшего пара на неатомных электростанциях чаще всего
служат именно градирни.
ТЭС с приводом электрогенератора от газовой турбины
называются газотурбинными электростанциями (ГТЭС). В камере сгорания
ГТЭС сжигают газ или жидкое топливо; продукты сгорания с температурой 750-900
°С поступают в газовую турбину, вращающую электрогенератор. Кпд таких ТЭС
обычно составляет 26-28%, мощность - до нескольких сотен МВт (!). ГТЭС обычно
применяются для покрытия пиков электрической нагрузки.
ТЭС с парогазотурбинной установкой, состоящей из
паротурбинного и газотурбинного агрегатов, называется парогазовой
электростанцией (ПГЭС), кпд которых может достигать 42 - 43%. ГТЭС и ПГЭС
также могут отпускать тепло внешним потребителям, то есть работать как ТЭЦ.
Электростанция, в которой атомная (ядерная) энергия
преобразуется в электрическую. Генератором энергии на АЭС является ядерный
реактор. Тепло, которое выделяется в реакторе в результате цепной реакции деления
ядер некоторых тяжёлых элементов, затем так же, как и на обычных тепловых
электростанциях (ТЭС), преобразуется в электроэнергию. В отличие от ТЭС,
работающих на органическом топливе, АЭС работает на ядерном горючем (в основном
233U, 235U.239Pu). При делении 1г изотопов урана или плутония
высвобождается 22 500 кВт/ч, что эквивалентно энергии, содержащейся в 2800
кг условного топлива (!). Установлено, что мировые энергетические ресурсы
ядерного горючего (уран, плутоний и др.) существенно превышают энергоресурсы
природных запасов органического топлива (нефть, уголь, природный газ и др.). Это
открывает широкие перспективы для удовлетворения быстро растущих потребностей в
топливе.
Наиболее часто на АЭС применяются 4 типа реакторов на
тепловых нейтронах:
1) водяные - с обычной водой в качестве замедлителя и
теплоносителя
2) графитоводные - с водяным теплоносителем и
графитовым замедлителем
3) тяжеловодные - с водяным теплоносителем и тяжёлой
водой в качестве замедлителя
4) графитогазовые - с газовым теплоносителем и
графитовым замедлителем.
В зависимости от вида и агрегатного состояния теплоносителя
создаётся тот или иной термодинамический цикл АЭС. Выбор верхней температурной
границы термодинамического цикла определяется максимально допустимой
температурой оболочек тепловыделяющих элементов (ТВЭЛ), содержащих
ядерное горючее, допустимой температурой собственно ядерного горючего, а также
свойствами теплоносителя, принятого для данного типа реактора. При работе
реактора концентрация делящихся изотопов в ядерном топливе постепенно
уменьшается, т.е. ТВЭЛ выгорают. Поэтому со временем их заменяют свежими. Ядерное
горючее перезагружают с помощью механизмов и приспособлений с дистанционным
управлением. Отработавшие ТВЭЛ переносят в бассейн выдержки, а затем направляют
на переработку. Экономичность АЭС определяется её основными техническими
показателями: единичная мощность реактора, кпд, энергонапряжённость активной
зоны, глубина выгорания ядерного горючего, коэффициент использования
установленной мощности АЭС за год. С ростом мощности АЭС удельные
капиталовложения в нее снижаются более резко, чем это имеет место для ТЭС. В
этом главная причина стремления к сооружению крупных АЭС с большой единичной
мощностью блоков. Для экономики АЭС характерно, что доля топливной составляющей
в себестоимости вырабатываемой электроэнергии 30-40% (на ТЭС 60-70%).
Из-за аварии в Чернобыле в 1986 году программа развития
атомной энергетики была сокращена. После значительного увеличения производства электроэнергии
в 80-е годы темпы роста замедлились, а в 1992-1993 гг. начался спад. При правильной
эксплуатации, АЭС - наиболее экологически чистый источник энергии. Их
функционирование не приводит к возникновению “парникового” эффекта, выбросам в атмосферу
в условиях безаварийной работы, и они не поглощают кислород.
К недостаткам АЭС можно отнести трудности, связанные с захоронением
ядерных отходов, катастрофические последствия аварий и тепловое загрязнение используемых
водоемов.
Весьма эффективные источники энергии. Они используют возобновимые
ресурсы - механическую энергию падающей воды. Необходимый для этого подпор воды
создается плотинами, которые воздвигают на реках и каналах. Гидравлические установки
позволяют сокращать перевозки и экономить минеральное топливо (на 1 кВт-ч расходуется
примерно 0,4 т угля). Они достаточно просты в управлении и обладают очень высоким
коэффициентом полезного действия (более 80%). Себестоимость этого типа установок
в 5-6 раз ниже, чем ТЭС, и они требуют намного меньше обслуживающего персонала.
ГЭС состоит из последовательной цепи гидротехнических
сооружений, обеспечивающих необходимую концентрацию потока воды и создание
напора, и энергетического оборудования, преобразующего энергию движущейся под
напором воды в механическую энергию вращения, которая, в свою очередь,
преобразуется в электрическую энергию. Напор ГЭС создаётся концентрацией
падения реки на используемом участке плотиной, либо деривацией (отводом воды из
русла реки по каналу), либо плотиной и деривацией совместно.
По установленной мощности (в МВт) различают ГЭС мощные
(свыше 250), средние (до 25) и малые (до 5). Мощность ГЭС зависит от напора
воды, ее расхода (м3/сек), используемого в гидротурбинах, и КПД
гидроагрегата. По ряду причин (вследствие, например, сезонных изменений уровня
воды в водоёмах, непостоянства нагрузки энергосистемы, ремонта гидроагрегатов
или гидротехнических сооружений и т.п.) напор и расход воды непрерывно
меняются, а кроме того, меняется расход при регулировании мощности ГЭС. Поэтому
различают годичный, недельный и суточный циклы режима работы ГЭС.
По схеме использования водных ресурсов и концентрации
напоров ГЭС обычно подразделяют на русловые, приплотинные, деривационные
с напорной и безнапорной деривацией, смешанные, гидроаккумулирующие
и приливные. В русловых и приплотинных ГЭС напор воды создаётся
плотиной, перегораживающей реку и поднимающей уровень воды в верхнем бьефе. При
этом неизбежно некоторое затопление долины реки. В случае сооружения двух
плотин на том же участке реки площадь затопления уменьшается. На равнинных
реках наибольшая экономически допустимая площадь затопления ограничивает высоту
плотины. Русловые и приплотинные ГЭС строят и на равнинных многоводных реках и
на горных реках, в узких сжатых долинах.
Самые мощные ГЭС сооружены на Волге, Каме, Ангаре, Енисее,
Оби и Иртыше. Каскад гидроэлектростанций представляет собой группу ГЭС,
расположенных ступенями по течению водного потока с целью полного
последовательного использования его энергии. Установки в каскаде обычно связаны
общностью режима, при котором водохранилища верхних ступеней регулируют водохранилища
нижних ступеней. На основе ГЭС восточных районов формируются промышленные
комплексы, специализирующиеся на энергоемких производствах.
В Сибири сосредоточены наиболее эффективные по технико-экономическим
показателям ресурсы. Одним из примеров этого может служить Ангаро-Енисейский
каскад, в состав которого входят самые крупные гидроэлектростанции страны: Саяно-Шушенская
(6,4 млн. кВт), Красноярская (6 млн. кВт), Братская (4,6 млн. кВт), Усть-Илимская
(4,3 млн. кВт). Строится Богучановская ГЭС (4 млн. кВт). Общая
мощность каскада в настоящее время - более 20 млн. кВт.
Электростанция, преобразующая энергию морских приливов в
электрическую. ПЭС использует перепад уровней "полной" и "малой"
воды во время прилива и отлива. Перекрыв плотиной залив или устье впадающей с
море (океан) реки (образовав водоём, называют бассейном ПЭС), можно при
достаточно высокой амплитуде прилива (более 4м) создать напор, достаточный для
вращения гидротурбин и соединённых с ними гидрогенераторов, размещенных в теле
плотины.
При одном бассейне и правильном полусуточном цикле приливов
ПЭС может вырабатывать электроэнергию непрерывно в течение 4-5 ч с перерывами
соответственно 2-1 ч четырежды за сутки (такая ПЭС называется однобассейновой
двустороннего действия). Для устранения неравномерности выработки
электроэнергии бассейн ПЭС можно разделить плотиной на два или три меньших бассейна,
в одном из которых поддерживается уровень "малой", а в другом -
"полной" воды; третий бассейн - резервный; гидроагрегаты
устанавливаются в теле разделительной плотины. Но и эта мера полностью не
исключает пульсации энергии, обусловленной цикличностью приливов в течение
полумесячного периода. При совместной работе в одной энергосистеме с мощными
тепловыми (в том числе и атомными) электростанциями энергия, вырабатываемая
ПЭС, может быть использована для участия в покрытии пиков нагрузки
энергосистемы, а входящие в эту же систему ГЭС, имеющие водохранилища сезонного
регулирования, могут компенсировать внутримесячные колебания
энергии приливов.
На ПЭС устанавливают капсульные гидроагрегаты,
которые могут использоваться с относительно высоким КПД в генераторном (прямом
и обратном) и насосном (прямом и обратном) режимах, а также в качестве
водопропускного отверстия. В часы, когда малая нагрузка энергосистемы совпадает
по времени с "малой" или "полной" водой в море,
гидроагрегаты ПЭС либо отключены, либо работают в насосном режиме - подкачивают
воду в бассейн выше уровня прилива (или откачивают ниже уровня отлива) и Т.о. аккумулируют
энергию до того момента, когда в энергосистеме наступит пик нагрузки. В
случае, если прилив или отлив совпадает по времени с максимумом нагрузки
энергосистемы, ПЭС работает в генераторном режиме.
Вырабатывает электроэнергию в результате преобразования
энергии ветра. Основное оборудование станции - ветродвигатель и электрический
генератор. Сооружают преимущественно в районах с устойчивым ветровым режимом.
Паротурбинная электростанция, использующая глубинное тепло
Земли. В вулканических районах термальные глубинные воды нагреваются до
температуры свыше 100°С на сравнительно небольшой глубине, откуда они по
трещинам в земной коре выходят на поверхность. На геотермических
электростанциях пароводяная смесь выводится по буровым скважинам и направляется
в сепаратор, где пар отделяется от воды; пар поступает в турбины, а горячая
вода после химической очистки используется для нужд теплофикации. В России подобные
электростанции сооружены на Камчатке: Паужетская (11 тыс. кВт).
В наши дни больше всего электроэнергии выделяют
гидроэлектростанции и атомные электростанции. Но функционирование тепловых, атомных
и гидроэнергетических электростанций негативно влияет на состояние окружающей среды.
Поэтому в настоящее время большое внимание уделяется изучению возможностей использования
нетрадиционных, альтернативных источников энергии. Практическое применение уже получили
энергия приливов и отливов и внутреннее тепло Земли. Ветровые энергоустановки имеются
в жилых поселках Крайнего Севера. Ведутся работы по изучению возможности использования
биомассы в качестве источника энергии. В будущем, возможно, огромную роль будет
играть гелиоэнергетика. В США и Франции построены установки, которые работают на
энергии Солнца (правда, малой мощности).
|
|
 |
Статическое (не имеющее подвижных частей) электромагнитное
устройство, предназначенное для преобразования посредством электромагнитной
индукции системы переменного тока одного напряжения в систему переменного
тока другого напряжения при неизменной частоте и без существенных потерь мощности.
Трансформатор состоит из одной (автотрансформатор) или нескольких изолированных
проволочных обмоток, охватываемых общим магнитным потоком, намотанных,
как правило, на магнитопровод (сердечник) из ферромагнитного магнито-мягкого материала.
Клеммы в сухих трансформаторах могут быть выведены на
клеммную колодку в виде болтовых контактов или соединителей с плоскими
контактами. Клеммы могут размещаться внутри корпуса. В герметичных масляных или
жидкостных трансформаторах обеспечивается перемещение электрических соединений
с внутренней стороны бака наружу:
Проходные изоляторы - клеммный блок в форме
проходного изолятора переносит соединения из внутренней изоляционной среды
трансформатора во внешнюю изоляционную среду, бывают:
Низковольтные проходные изоляторы
Конденсаторные проходные изоляторы
Сильноточные проходные изоляторы.
Для измерения температуры масла в верхнем слое и для
индикации точек опасного перегрева в обмотке обычно устанавливают термометры. Если
произошел перегрев, охлаждающее оборудование забирает горячее масло в верхней
части бака и возвращает охлажденное масло в нижнюю боковую часть. Холодильный
агрегат имеет вид двух масляных контуров с непрямым взаимодействием, один
внутренний и один внешний контур. Внутренний контур переносит энергию от
нагревающих поверхностей к маслу. Во внешнем контуре масло переносит тепло к
вторичной охлаждающей среде. Трансформаторы обычно охлаждаются атмосферным
воздухом.
Виды охладителей:
Радиаторы - бывают разных типов. В основном они
представляют собой множество плоских каналов в пластинах с торцевым сварным
швом, которые соединяют верхний и нижний коллекторы.
Гофрированный бак - является одновременно и баком и
охлаждающей поверхностью для распределительных трансформаторов малой и средней
мощности. Такой бак имеет крышку, гофрированные стенки бака и нижнюю коробку.
Вентиляторы. Для больших узлов возможно использование
подвесных вентиляторов под радиаторами или сбоку от них для обеспечения
принудительного движения воздуха и естественного масляного и принудительного
воздушного (ONAF) охлаждения. Это может увеличить нагрузочную способность
трансформаторов примерно на 25%.
Теплообменники с принудительной циркуляцией масла,
воздуха. В больших трансформаторах отведение тепла при помощи естественной
циркуляции через радиаторы требует много места. Потребность в пространстве для
компактных охладителей намного ниже, чем для простых радиаторных батарей. С
точки зрения экономии места может оказаться выгодным использовать компактные
охладители со значительным аэродинамическим сопротивлением, что требует
применения принудительной циркуляции масла с помощью насоса и мощных
вентиляторов для нагнетания воздуха.
Масляно-водяные охладители, как правило, представляют
собой цилиндрические трубчатые теплообменники со съёмными трубками. Такие
теплообменники очень распространены и представляют собой классическую
технологию. Они имеют разнообразное применение в промышленности. Более
современные конструкции, например, плоские теплообменники мембранного типа, еще
не вошли в практику.
Масляные насосы. Циркуляционные насосы для масляного
охлаждающего оборудования - это специальные компактные, полностью герметичные
конструкции. Двигатель погружён в трансформаторное масло; сальниковые коробки
отсутствуют.
Газовое реле обычно находится в соединительной трубке между
баком и расширительным баком. Газовое реле выполняет две функции: функцию
датчика, когда поток масла между баком и расширительным баком превышает
заданную величину, а также накапливает свободные пузырьки газа, которые
движутся в направлении расширительного бака из бака трансформатора
Трансформаторы тока могут располагаться внутри
трансформатора, часто вблизи заземленного рукава на стороне масла проходных
изоляторов, а также на низковольтных шинах. В данном вопросе роль играют цена,
компактность и безопасность. При таком решении отпадает необходимость иметь
несколько отдельных трансформаторов тока на сортировочной станции с внешней и
внутренней изоляцией, рассчитанной на высокое напряжение.
Самой обычной системой защиты масла является открытый
расширительный бак, в котором воздух над уровнем масла вентилируется через
влагопоглотительное устройство. Необходимо удалить влагу из воздушного
пространства над уровнем масла в расширительном баке, чтобы обеспечить
отсутствие воды в масле трансформатора.
Расширительный бак трансформатора может быть снабжён
надувной подушкой. Надувная подушка из синтетического каучука располагается над
маслом. Внутренне пространство подушки соединено с атмосферой, поэтому она
может вдыхать воздух, когда трансформатор охлаждается и объем масла сжимается,
и выдыхать воздух, когда трансформатор нагревается.
Другим решением является расширительный бак, который
разделён в горизонтальной плоскости мембраной или диафрагмой, которая позволяет
маслу расширяться или сжиматься без прямого контакта с наружным воздухом. Пространство
над маслом в расширительном баке можно заполнить азотом из баллона со сжатым
газом через редукторный клапан. Когда трансформатор вдыхает, редукторный клапан
выпускает азот из баллона. Когда объём увеличивается, азот уходит в атмосферу
через вентиляционный клапан. Для того, чтобы сэкономить потребление азота,
можно задать некий шаг давления между наполнением азотом и выпусканием азота.
Трансформаторы могут иметь герметическое исполнение. В
маленьких маслонаполненных распределительных трансформаторах упругий
гофрированный бак может компенсировать расширение масла. В ином случае
необходимо обеспечить пространство над маслом внутри трансформаторного бака, заполненное
сухим воздухом или азотом, чтобы они выполняли роль подушки при расширении или
сжатии масла. Можно использовать сочетание различных решений. Трансформаторный
бак может быть полностью заполнен маслом, и при этом иметь большой
расширительный бак достаточного объёма для расширения масла и необходимой
газовой подушки. Эта газовая подушка может иметь продолжение в следующем
дополнительном баке, возможно на уровне земли. Для ограничения объёма газовой
подушки можно открыть сообщение с наружной атмосферой при заданных верхнем и
нижнем пределах внутреннего давления.
Дуговой разряд или короткое замыкание, которые возникают в
маслонаполненном трансформаторе, обычно сопровождаются возникновением сверхдавления
в баке из-за газа, образующегося при разложении и испарении масла. Устройство
сброса давления предназначено для снижения уровня сверхдавления вследствие
внутреннего короткого замыкания и, таким образом, уменьшения риск разрыва бака
и неконтролируемой утечки масла, которое может также осложниться возгоранием
вследствие короткого замыкания. Малый вес тарелки клапана и низкая пружинная
жёсткость закрывающих пружин обеспечивает быстрое и широкое открывание. Клапан
вновь возвращается в нормальное закрытое состояние, когда сверхдавление спущено.
Реле внезапного повышения давления предназначено для
срабатывания при возникновении упругой масляной волны в баке трансформатора при
серьёзных замыканиях. Это устройство способно различать быстрое и медленное
нарастание давления и автоматически отключает выключатель, если давление растёт
быстрее, чем задано.
Устройствами защиты силовых трансформаторов являются. Элементы
РЗиА, на трансформаторах 6/10кВ чаще используются плавкие предохранители.
Крупные агрегаты на практике редко доставляются с помощью
крана на своё место установки на фундаменте. Их необходимо каким-то способом
перемещать от транспортного средства до основания. Если от места разгрузки с
транспортного средства до места конечного монтажа агрегата проложены литые
рельсы, то агрегат может быть оборудован колёсами для качения. Поворот на 90
градусов в транспортных целях обеспечивают колёса, работающие в двух
направлениях. Агрегат поднимают подъёмником и поворачивают колёса. Когда
агрегат установлен на месте, то застопоренные колёса могут быть на нем или
сняты и заменены опорными блоками. Можно также опустить агрегат прямо на
фундамент. Если такая рельсовая система не предусмотрена, то используют обычные
плоские направляющие. Агрегат толкают по смазанным направляющим прямо на место
установки, или используют гусеничную цепь. Агрегат можно приварить к
фундаменту, на котором он установлен. Агрегат можно также поставить на
вибрационное основание для уменьшения передачи шума через фундамент.
Детектор горючих газов указывает на присутствие водорода в
масле. Водород отлавливается через диалитическую мембрану. Эта система дает
раннюю индикацию медленного процесса газогенерации еще до того, как свободный
газ начнёт барботировать в направлении газонакопительного реле.
Для контроля вытекания масла из насосов в трансформаторах с
принудительным охлаждением устанавливаются масляные расходомеры. Работа
расходомера обычно основана на измерении разницы давления по обе стороны от
препятствия в потоке масла. Расходомеры также применяются для измерения расхода
воды в водоохлаждаемых трансформаторах. Обычно расходомеры оборудованы
аварийной сигнализацией. Они также могут иметь циферблатный индикатор.
Итак, компоненты трансформатора мы рассмотрели. Переходим к
видам.
Вариант трансформатора, в котором первичная и вторичная
обмотки соединены напрямую, и имеют за счёт этого не только электромагнитную
связь, но и электрическую. Обмотка автотрансформатора имеет несколько выводов (как
минимум 3), подключаясь к которым, можно получать разные напряжения. Преимуществом
автотрансформатора является более высокий КПД, поскольку лишь часть мощности
подвергается преобразованию - это особенно существенно, когда входное и
выходное напряжения отличаются незначительно. Недостатком является отсутствие
электрической изоляции (гальванической развязки) между первичной и вторичной
цепью. В промышленных сетях, где наличие заземления нулевого провода
обязательно, этот фактор роли не играет. Зато существенным является меньший
расход стали для сердечника, меди для обмоток, меньший вес и габариты, и в
итоге - меньшая стоимость. Лабораторный автотрансформатор регулируемый (ЛАТР),
в отличие от простого автотрансформатора имеет подвижный токосъёмный контакт к
обмотке, что позволяет плавно изменять число витков, включенных во вторичную
цепь, и, следовательно, выходное напряжение, практически от нуля до
максимального значения для данной модели ЛАТРа. Применяются ЛАТРы для питания
лабораторных установок, для стабилизации напряжения в электросети и других нужд.
2.4 Силовой трансформатор
|
|
|
Силовой трансформатор на 110кВ
|
|
Стационарный прибор с двумя или более обмотками, который
посредством электромагнитной индукции преобразует систему переменного
напряжения и тока в другую систему напряжения и тока, как правило, различных
значений при той же частоте в целях передачи электроэнергии.
Трансформатор, предназначенный для измерения больших токов. Первичная
обмотка трансформатора тока включается в цепь с измеряемым переменным током, а
во вторичную включаются измерительные приборы. Ток, протекающий по вторичной
обмотке трансформатора тока, пропорционален току, протекающему в его первичной
обмотке. Трансформаторы тока широко используются для измерения электрического
тока и в устройствах релейной защиты электроэнергетических систем, в связи с
чем на них накладываются высокие требования по точности. Трансформаторы тока
обеспечивают безопасность измерений, изолируя измерительные цепи от первичной
цепи с высоким напряжением, часто составляющим сотни киловольт.
К трансформаторам тока применяются высокие требования по
точности. Как правило, трансформатор тока выполняют с двумя группами обмоток: одна
используется для подключения устройств защиты, другая, более точная - для
подключения средств учёта и измерения (например, электрических счётчиков). Вторичные
обмотки трансформатора тока обязательно замыкаются (через нагрузку или напрямую)
и заземляются. На вторичной обмотке возникает высокое напряжение, достаточное
для пробоя изоляции трансформатора, что приводит к выходу трансформатора из
строя, а также создает угрозу жизни обслуживающего персонала. Кроме того, из-за
возрастающих потерь в сердечнике магнитопровод трансформатора начинает
перегреваться, что так же может привести к повреждению (или, как минимум, к
износу) изоляции и дальнейшему её пробою. По этим причинам во время
эксплуатации трансформатора тока вторичную его обмотку нельзя держать
разомкнутой.
В трехфазных сетях с напряжением 6-10 кВ устанавливаются
трансформаторы как во всех трех фазах, так и только в двух (A и C). В сетях с
напряжением 35 кВ и выше трансформаторы тока в обязательном порядке
устанавливаются во всех трех фазах.
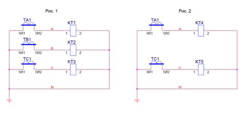
В случае установки в три фазы вторичные обмотки
трансформаторов тока соединяются в "звезду" (рис.1), в случае двух
фаз - "неполную звезду" (рис.2). Для дифференциальных защит
трансформаторов с электромеханическими реле трансформаторы подключают по схеме
"треугольника"
Трансформатор, предназначенный для преобразования высокого
напряжения в низкое в измерительных цепях. Применение трансформатора напряжения
позволяет изолировать логические цепи защиты и цепи измерения от цепи высокого
напряжения.
Заземляемый - однофазный трансформатор напряжения,
один конец первичной обмотки которого должен быть наглухо заземлен, или
трехфазный трансформатор напряжения, нейтраль первичной обмотки которого должна
быть наглухо заземлена.
Незаземляемый - трансформатор напряжения, у которого
все части первичной обмотки, включая зажимы, изолированы от земли до уровня,
соответствующего классу напряжения.
Каскадный - трансформатор напряжения, первичная обмотка
которого разделена на несколько последовательно соединенных секций, передача
мощности от которых к вторичным обмоткам осуществляется при помощи связующих и
выравнивающих обмоток.
Емкостный - трансформатор напряжения, содержащий
емкостный делитель.
Двухобмоточный - трансформатор напряжения, имеющий
одну вторичную обмотку напряжения
Трехобмоточный - трансформатор напряжения, имеющий
две вторичные обмотки: основную и дополнительную.
1.
Основы теории цепей, Г.И. Атабеков, Лань, С-Пб., - М., - Краснодар, 2006.
2.
Электрические машины, Л.М. Пиотровский, Л., "Энергия", 1972.
3.
Кислицын А.Л. Трансформаторы: Учебное пособие по курсу "Электромеханика".
- Ульяновск: УлГТУ, 2001. - 76 с.
4.
Силовые трансформаторы. Справочная книга / Под ред. С.Д. Лизунова, А.К. Лоханина.
М.: Энергоиздат 2004. - 616 с.
5.
Электрические машины: Трансформаторы: Учебное пособие для электромех. спец.
вузов / Б.Н. Сергеенков, В.М. Киселёв, Н.А. Акимова; Под ред. И.П. Копылова. - М.:
Высш. шк., 1989 - 352 с.
6.
Электрические машины, А.И. Вольдек, Л., "Энергия", 1974.
7.
Электромагнитные расчеты трансформаторов и реакторов. - М.: Энергия,
1981 - 392 с.
8.
Конструирование трансформаторов. А.В. Сапожников. М.: Госэнергоиздат. 1959.
10.
Шабад М.А. "Трансформаторы тока в схемах релейной защиты" Учебное
издание. 1998 г.
11.
Родштейн Л.А. "Электрические аппараты: Учебник для техникумов"
- 3-е изд., Л.: Энергоиздат. Ленингр. отд-ние, 1981.
12.
ГОСТ 18685-73 Трансформаторы тока и напряжения. Термины и определения.
13.
ГОСТ 1983-2001 Трансформаторы напряжения. Общие технические условия.