Разработка системы управления двигателя постоянного тока
Содержание
Введение…………………………….…………………………………..................2
1. Определение
параметров и структуры объекта управления.….…………….3
2. Разработка
алгоритма управления и расчёт параметров устройств управления……………………………………………………………………...…7
3. Моделирование
процессов управления, определение и оценка показателей качества…………………………………………………………………………..16
4. Разработка
принципиальной электрической схемы и выбор её элементов.23
Список
литературы.………………………………………….………………..…39
Введение
На современном этапе, характеризующемся приоритетным развитием
машиностроения и автоматизации производства, автоматизированный электропривод
сформировался как самостоятельное научное направление, в значительной степени
определяющее прогресс в области техники и технологии, связанных с механическим
движением, получаемым путем преобразования электрической энергии. Этим
объясняется большой интерес специалистов к новым разработкам в данной отрасли
техники и к ее научным проблемам.
Четко определился объект научного направления – система, отвечающая
за управляемое электромеханическое преобразование энергии и включающая два
взаимодействующих канала – силовой, состоящий из участка электрической сети,
электрического, электромеханического, механического преобразователей,
технологического рабочего органа, и информационный канал. В рамках данного
курсового проекта рассматривается разработка информационного канала.
1. Определение параметров и структуры объекта управления
В состав объекта управления входит двигатель постоянного тока
независимого возбуждения
с параметрами по табл. 10.11 [1, стр. 277]:
|
-
номинальная мощность,
|
|
- номинальное
напряжение питания обмотки возбуждения и якорной цепи,
|
|
- КПД,
|
|
- номинальная
частота вращения,
|
|
-
максимальная частота вращения,
|
|
- сопротивление
обмотки якоря,
|
|
-
сопротивление добавочных полюсов,
|
|
- индуктивность
обмотки якоря,
|
|
- сопротивление
обмотки возбуждения,
|
|
-
момент инерции якоря.
|
|
- число
пар полюсов.
|
|
-
коэффициент инерционности механизма.
|
Данный ЭД предназначен для работы в широкорегулируемых
электроприводах, соответствует
, имеет защищенное исполнение, с независимой
вентиляцией (асинхронный двигатель
).
Номинальная угловая скорость вращения
Максимальная угловая скорость вращения:
Номинальный ток якоря:
Суммарное сопротивление якорной цепи:
Произведение постоянной машины на номинальный поток:
Постоянная времени якорной цепи:
Номинальный момент:
Номинальный ток обмотки возбуждения:
Исходя из высоты оси вращения
по табл. 1 [2, стр. 5]:
По рис. 4 [2, стр. 10]:
По рис. 2б [2, стр. 8]:
По табл. 2 [2, стр. 9] для класса изоляции
:
По табл. 3 [2, стр. 10] для
:
Окончательно получим:
По рис. 3 [2, стр. 9]:
Полюсное деление равно:
Число витков обмотки возбуждения [2, стр. 27]:
Номинальный магнитный поток:
Постоянная машины:
Коэффициент рассеяния [3, стр. 38]:
Индуктивность обмотки возбуждения:
Постоянная времени обмотки возбуждения:
Постоянная времени обмотки возбуждения:
Суммарный момент инерции механизма:
Так же объёкт управления содержит
возбуждения и
напряжения якоря, частота коммутации которых:
Постоянная времени преобразователей равна:

2. Разработка алгоритма управления и расчёт параметров устройств
управления
Объект управления описывается следующими уравнениями [3, стр.38-39]:
Выберем двухконтурную систему управления скорости с внутренним
контуром потока (рис. 1).
Рис. 1. Двухконтурная система регулирования скорости.
Универсальная кривая намагничивания представлена на рис. 3.
Так как регулирование происходит изменением потока, минимальный
поток будет при максимальной скорости:
Минимальный ток возбуждения (по рис. 3):
Рис. 3. Универсальная кривая намагничивания.
При этом коэффициент линеаризации кривой намагничивания лежит в
диапазоне:
Максимальная постоянная времени потока:
Коэффициент форсирования тока возбуждения [4, стр. 559]:
Малая постоянная времени:
Желаемая передаточная функция замкнутого контура потока:
Желаемая передаточная функция разомкнутого контура потока:
Передаточная функция разомкнутого контура потока:
Коэффициент обратной связи по потоку:
Передаточная функция регулятора потока:
где
Коэффициент
подлежит
определению непрерывно, для чего контур потока будет модифицирован (рис. 4.).
Рис. 4. Модифицированный контур регулирования потока.
Коэффициент обратной связи по скорости:
Коэффициент обратной связи ЭДС:
Коэффициент обратной связи по току возбуждения:
Коэффициент нормализации
С учётом этого:
Внешний контур скорости представлен на рис. 5.
Рис. 5. Контур регулирования скорости.
Желаемая передаточная функция разомкнутого контура скорости:
Передаточная функция разомкнутого контура скорости:
Передаточная функция регулятора скорости
где
Так как нагрузка с постоянной мощностью изменяет знак
и коэффициент
подлежит определению
непрерывно контур скорости также будет модифицирован (рис. 6.).
Рис. 6. Модифицированный контур регулирования скорости.
Коэффициент обратной связи по току якоря:
Отсюда следует:
Передаточная функция контура компенсирующего влияние нагрузки:

Откуда (с учётом принятых выше коэффициентов) имеем:
где
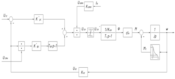
Структура системы управления стабилизатором напряжения в цепи якоря
приведена на рис. 7.
Рис. 7. Контур управления напряжением якоря.
Здесь:
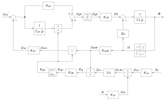
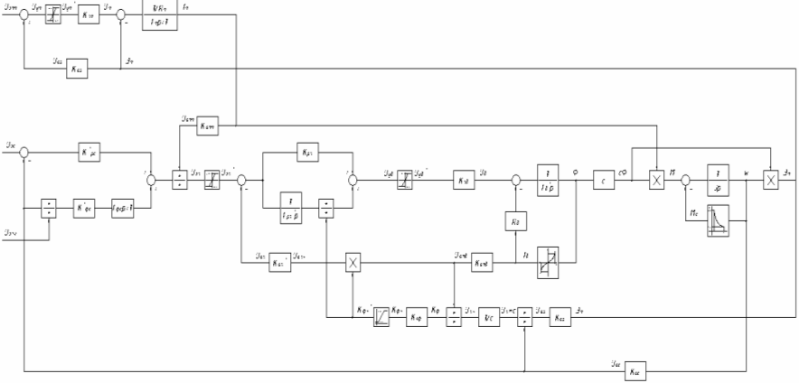
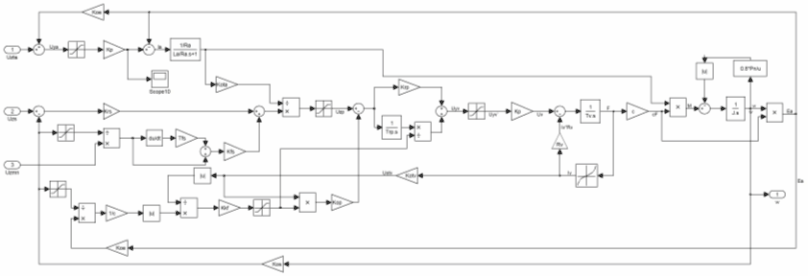
Структурная схема всей системы управления и объекта приведена на
рис. 8.
Рис.
8. Структурная схема системы управления и объекта.
3. Моделирование процессов управления, определение и оценка
показателей качества
Модель объекта и системы управления в комплексе
представлена на рис. 9.
Моделирование будем проводить по нижеследующему алгоритму:
Пуск на номинальную скорость -
максимальный скачёк задания -
, (рис. 10 – рис. 14)
Проверка отработки задания
(рис. 15 –
рис. 10)
Рис. 9. Модель объекта и систему управления.
Рис. 10. Зависимость
от времени.

Рис. 11. Зависимость
и
от времени.
Рис. 12.
Зависимость
и
от времени.

Рис. 13.
Зависимость
и
от времени.

Рис. 14.
Зависимость
от
времени.


Рис. 15. Зависимость
от времени.


Рис. 16. Зависимость
и
от времени.

Рис. 17.
Зависимость
от
времени.

Рис. 18.
Зависимость
и
от времени.

Рис. 19.
Зависимость
от
времени.
Для технического оптимума:
-перерегулирование составляет:
-время нарастания:
По результатам моделирования:
-перерегулирование составляет:
-время нарастания:
Статическая ошибка отсутствует.
Отсюда можно сделать вывод:
динамика и статика спроектированной системы полностью удовлетворяет
требованиям технического задания.
4. Разработка принципиальной электрической схемы и выбор её
элементов
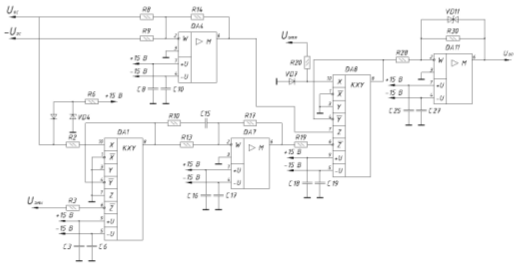
Обратная связь по скорости.
Рис. 20. Обратная связь по скорости.
Схема обратной связи по скорости представлена на рис. 20, здесь:
-фильтр коллекторных пульсаций тахогенератора с
:
-
,
-
-цепь защиты от обрыва обратной связи:
-
с параметрами
-
максимальный прямой ток,
- прямое
напряжение,
-
максимальное обратное напряжение,
- ёмкость
диода,
-тахогенератор
встроенный в двигатель:
-коэффициент усиления схемы:
,
,
-
,
;
-усилительный элемент:
-
с параметрами
-
напряжение питания,
-
максимальное выходное напряжение,
- входной
ток,
-
коэффициент нарастания напряжения,
-
коэффициент усиления по напряжению,
-
максимальная рабочая частота;
-фильтр пульсаций напряжения питания усилителя:
-
,
Обратная связь по току якоря.
Рис. 21. Обратная связь по току якоря.
Схема обратной связи по току якоря представлена на рис. 21, здесь:
-фильтр пульсаций
с
:
-
,
-
;
-датчик тока:
-
с параметрами :
-
номинальный входной ток,
-
напряжение питания,
- сопротивление
нагрузки,
-
коэффициент датчика тока;
-коэффициент усиления схемы:
-
,
-
,
-усилительный элемент:
-
;
-фильтр пульсаций напряжения питания усилителя:
-
.
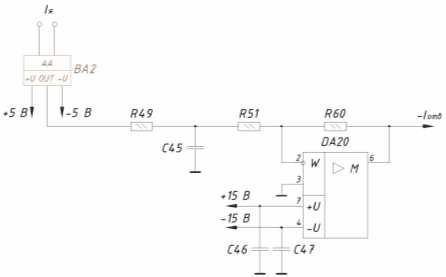
Обратная связь по току возбуждения.
Рис. 22. Обратная связь по току возбуждения.
Схема обратной связи по току возбуждения представлена на рис. 22,
здесь:
-фильтр пульсаций
с
:
-
,
-
;
-датчик тока:
-
с параметрами
-
номинальный входной ток,
-
напряжение питания,
-
сопротивление нагрузки,
-
коэффициент датчика тока;
-коэффициент усиления схемы:
,
-
,
,
-усилительный элемент:
-
;
-фильтр пульсаций напряжения питания усилителя:
-
.
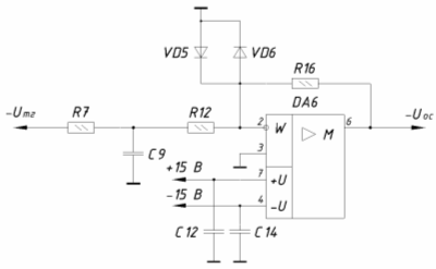
Обратная связь по ЭДС.
Рис. 23. Обратная связь по ЭДС.
Схема обратной связи по ЭДС представлена на рис. 23, здесь:
-фильтр пульсаций
с
:
-
,
-
;
-датчик напряжения:
-
с параметрами :
-
номинальный входной ток,
-
напряжение питания,
-
сопротивление нагрузки,
-коэффициент усиления схемы:
-
,
-
,
-
,
-усилительный элемент:
-
;
-фильтр пульсаций напряжения питания усилителя:
-
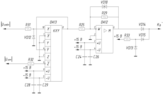
Обратная связь по потоку.
Рис. 24. Обратная связь по потоку.
Схема обратной связи по потоку представлена на рис. 24, здесь:
-коэффициент усиления схемы:
,
-
,
-
,
-
,
-
;
-защита от отрицательного напряжения:
-
-ограничение
:
-
с параметрами:
-
напряжение стабилизации,
- ток
стабилизации;
-
с параметрами:
-
напряжение стабилизации,
- ток
стабилизации;
-
;
-
-перемножитель напряжения:
-
с параметрами:
-
напряжение питания,
-
максимальное выходное напряжение,
- входной
ток,
-
коэффициент нарастания напряжения,
-
коэффициент умножения,
-
максимальная рабочая частота;
-усилительный элемент:
-
;
-фильтр пульсаций напряжения питания:
-
.
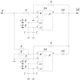
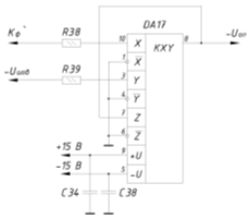
Модульная функция.
Рис. 24. Модульная функция.
Схема модульной функции представлена на рис. 24, здесь:
-сопротивления:
-
;
-усилительный элемент:
-
;
-фильтр пульсаций напряжения питания усилителя:
-
.
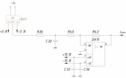
Регулятор скорости.
Рис. 25. Регулятор скорости.
Схема регулятора скорости представлена на рис. 25, здесь:
-компенсация нагрузки:
-
,

-
,
-
,
,
-
,
-
,
-
,
-
;
-усилительный элемент:
-
-перемножитель напряжения:
-
с параметрами
-ограничение сигналов:
-
,
-
-фильтр пульсаций напряжения питания усилителя:
-
Регулятор потока.
Рис. 26. Регулятор потока.
Схема регулятора потока представлена на рис. 26, здесь:
-компенсация нагрузки:
-
,
-
,
-
,
-
,
-
-усилительный элемент:
-
;
-перемножитель напряжения:
-
;
-ограничение сигналов:
-
;
-фильтр пульсаций напряжения питания усилителя:
-
.
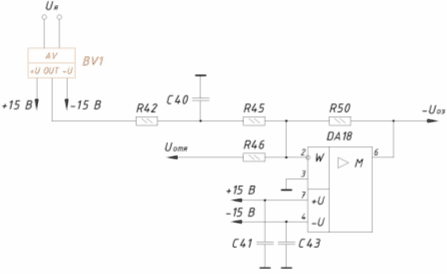
Управление стабилизатором напряжения якоря.
Рис. 27. Управление стабилизатором напряжения якоря.
Схема управление стабилизатором напряжения якоря представлена на
рис. 27, здесь:
-
,
-
,
-
,
-
,
Реле защиты.
Рис. 28. Реле защиты.
Схема реле защиты представлена на рис. 28, здесь:
-
,
-
,
-
,
-
Список литературы
1. Справочник по
электрическим машинам: В 2 т./ Под общ. Ред. И. П. Копылова и Б. К. Клокова. Т.
1. – М.: Энегроатомиздат, 1988, - 456 с.
2. Заборщикова
А. В., Мельников В. И. «Двигатели постоянного тока для автоматизированного
электропривода»: Учебное пособие. – СПб: Петербургский гос. ун-т путей сообщ.,
1994. – 84 с.
3. Башарин А.
В., Новиков В. А., Соколовский Г. Г. «Управление электроприводами» : Учебное
пособие для вузов. – Л.: Энергоатомиздат. Ленингр. Отд-ние, 1982. – 392 с., ил.
4. Ключев В. И.
«Теория электропривода»: Учеб. Для вузов. – 2-е изд. Перераб. И доп. – М.:
Энегроатомиздат, 2001. – 704 с.: ил
5. Герман-Галкин
С. Г. И др. Цифровые электроприводы с транзисторными преобразователями. - Л.:
Энергоатомиздат. Ленинградское отделение, 1986.–246 с.
4. Справочник
разработчика и конструктора РЭА. Элементная база : В 2 кн. / Масленников М. Ю.,
Соболева Е. А и др. – М.: Б. И., 1996.-157-300с.
5. Операционные
усилители и компараторы. – М.: Издательский дом «ДОДЭКА ХХI», 2002.-560 с.
. Бурков А. Т. Электронная
техника и преобразователи: Учеб. Для вузов ж.–д. трансп. – М.: Транспорт,
1999.-464 с.
6. Александров
К. К., Кузьмина Е. Г. Электротехнические чертежи и схемы. – М.:
Энергоатомиздат, 1990.-288с.