Разработка механического привода электродвигателя редуктора
Московский
государственный университет
путей
сообщения (МИИТ)
Курсовой
проект по дисциплине
Детали машин
и основы конструирования
Разработка механического
привода электродвигателя редуктора
Студент гр. ТДМ 311
Хряков К.С
2009 г.
Введение
Механический привод
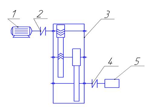
разрабатывается в соответствии со схемой, приведенной на рисунке 1.
1 – электродвигатель;
2 – муфта;
3 – редуктор;
4 – муфта;
5 – исполнительный
механизм
Рисунок 1 – Схема привода
Механический привод
работает по следующей схеме: вращающий момент с электродвигателя 1 через муфту
2 передаётся на быстроходный вал редуктора 3. Редуктор понижает число оборотов
и увеличивает вращающий момент, который через муфту 4 передается на
исполнительный механизм 5. Редуктор состоит из двух ступеней. Первая ступень
выполнена в виде шевронной цилиндрической передачи, а вторая – в виде
прямозубой.
Достоинством данной схемы
привода являются малые обороты и большой момент на выходном валу редуктора.
Привод может использоваться на электромеханических машинах и конвейерах.
Исходные данные для
расчёта:
1.
Синхронная
частота вращения электродвигателя nсх= 3000 мин-1;
2.
Частота вращения
на входе nu= 150 мин-1;
3.
Вращающий момент
на входе Tu= 400 Нм;
4.
Срок службы
привода Lг= 6000 ч;
Переменный характер
нагружения привода задан гистограммой, изображённой на рисунке 2.
Рисунок 2 –Гистограмма
нагружения привода.
Относительная нагрузка: k1=1 ; k2=0,3 ; k3=0,1 .
Относительное время
работы: l1=0,25 ; l2=0,25 ; l3=0,5 .
Характер нагрузки:
толчки.
1. Кинематический и
силовой расчёты привода
1.1 Определяем КПД
привода
ηпр =
ηМ1 · ηред · ηМ2,
где ηпр –
КПД привода;
ηМ1 – КПД
упругой муфты;
ηред –
КПД редуктора;
ηМ2 – КПД
соединительной муфты.
Принимаем: ηМ1
= 0,95;
ηМ2 =
0,98;[1]
Определяем КПД редуктора:

где η1ст,
η2ст – КПД первой и второй ступени редуктора.
η1ст =
η2ст = 0,98 [1]
ηn – КПД пары подшипников; ηn = 0,99 [1]
z = 3 – число пар подшипников.
ηред =
0,993 · 0,98 · 0,98 = 0,93.
ηпр =
0,95 · 0,98 · 0,93 = 0,87.
1.2 Находим требуемую
мощность электродвигателя.
1.3 Выбор
электродвигателя.
nсх = 3000 мин-1
Выбираем электродвигатель
4А112М2 ГОСТ 19523-81 [2], мощность которого Рдв = 7,5 кВт
Величина скольжения
S = 2,5%
nдв =2925 мин-1 – частота
вращения вала двигателя.
1.4 Вычисляем требуемое
передаточное отношение редуктора
1.5 Производим разбивку
передаточного отношения по ступеням
Согласно рекомендации
книги [1], принимаем
1.6 Вычисляем частоты
вращения валов
·
Быстроходный вал:
·
Промежуточный
вал:
·
Тихоходный вал:

·
Быстроходный вал:
·
Промежуточный
вал:
·
Тихоходный вал:
2. Расчёт зубчатых
передач
2.1 Расчёт зубчатой
передачи тихоходной ступени редуктора
2.1.1 Выбор материалов
Принимаем для
изготовления среднеуглеродистую конструкционную сталь с термообработкой
нормализация и улучшение, что позволяет производить чистовое нарезание зубьев с
высокой точностью после термообработки.
Такие колеса хорошо
прирабатываются и не подвержены хрупкому разрушению при динамических нагрузках.
Такой тип колес наиболее приемлем в условиях индивидуального и мелкосерийного
производства.
Шестерня – сталь 45,
термообработка – улучшение;
(192…240) НВ,НВср=Н1=215
;
Н1≥Н2
+ (10…15)НВ;[3]
Колесо – сталь 45,
термообработка – нормализация;
(170…217)НВ,НВср=Н2=195.
2.2 Определяем базовое число
циклов перемены напряжений
а) по контактным
напряжениям:
NН0 = 30 · НВ2,4;
для шестерни N01 =
;
для колеса N02 =
;
б) по напряжениям изгиба:
NF0 = 4 · 106.
2.3 Определяем
фактическое число циклов перемены напряжений
а) по контактным
напряжениям:
б) по напряжениям изгиба:
где m – показатель степени кривой
усталости. При твёрдости меньше 350НВ m = 6.
Тогда,
;
2.4 Вычисляем коэффициент
долговечности
а) по контактным
напряжениям.
;
Для шестерни:
;
Так как NНЕ1> NН01, то принимаем KHL1=1;
Для колеса:
;
Так как NНЕ2> NН02, то принимаем KHL2=1.
б) по напряжениям изгиба.
Так как NFE1 > 4∙106 и NFE2 > 4∙106, то принимаем
KFL1=1 и KFL2=1.
2.5 Вычисляем базовое
значение предела выносливости
а) для контактных
напряжений
Для термообработки
улучшения
σ0нlimb=2·HB+70 [2]
Для шестерни:
σ0нlimb1 = 2·215 + 70 = 500 МПа.
Для колеса:
σ0нlimb2 = 2·195 + 70 = 460 МПа.
б) для напряжений изгиба
Для термообработки
улучшение и нормализация:
σ0Flimb= 1,8 НВ;[2]
σ0Flimb1= 1,8 · 215 = 387 МПа;
σ0Flimb2= 1,8 · 195 = 351 МПа.
2.6 Определяем
допускаемые контактные напряжения:
;
-
коэффициент запаса.
При термообработке
нормализация и улучшение принимаем
[2]
МПа;
МПа;
-
расчет ведем по наименьшему значению.
2.7 Определяем
допускаемые напряжения изгиба
где
- коэффициент, зависящий от вероятности
безотказной работы. Принимаем
= 1,75 [2]
-
коэффициент, зависящий от способа изготовления заготовки, Для проката
= 1,15[2]
МПа;
2.8 Проектный расчет
цилиндрической прямозубой передачи.
2.8.1 Определяем
межосевое расстояние из условия обеспечения контактной прочности зуба
;
Предварительно принимаем
КНβ = 1,2[2]
Ψba-ширина зубчатого венца;
Принимаем для прямозубой
передачи Ψba= 0,25 и Ка
= 49,5 [2]
мм;
Принимаем ближайшее
стандартное значение аW ГОСТ=250 мм
[2]
2.8.2 Определяем модуль
зацепления:
mn=(0,01…0,02)·аW=(0,01…0,02)·250=2,5…5 мм
принимаем mn=2,5 мм [2]
2.8.3 Определяем основные
параметры зубчатых колес:
а) суммарное число
зубьев:
Z∑=
Z1= Z∑/(u+1)=200/(3,89+1)=40;
Z2= Z∑ – Z1 =200 – 40 = 160;
б) диаметры делительных
окружностей
d = mn · z;
d1 = 2,5 · 40 = 100 мм;
d2 = 2,5 · 160 = 400 мм;
Проверка: аW = (d1 + d2)/2;
250 = (100 + 400)/2;
250 = 250.
в) диаметры окружностей
вершин:
da1 =
d1 + 2·mn = 100 + 2·2,5 = 105 мм;
da2 =
d2 + 2·mn = 400 + 2·2,5 = 405 мм;
г) диаметры окружностей впадин:
df1 = d1 – 2,5·mn = 100 – 2,5·2,5 = 93,75 мм;
df2 = d2 – 2,5·mn = 400 – 2,5·2,5 = 393,75 мм;
д) ширина колеса и
шестерни:
b2 = Ψba · aW = 0,25 · 250 = 62 мм;
b1 = b2 + 4…8 = 62 + 4…8 = 66…70 мм;
Принимаем b1 = 66 мм.
2.9 Проверочный расчет
цилиндрической прямозубой передачи.
2.9.1 Уточняем
коэффициент нагрузки:
Для отношения Ψbd = b2/d1 = 62/100 = 0,62 , при несимметричном
расположении колес относительно опор, КНβ = 1,06[2]
2.9.2 Определение
окружной скорости колес и степени точности передачи:
м/с;
Принимаем 8-ю степень
точности по ГОСТ 1643-81[2]
2.9.3 Определяем
коэффициент нагрузки:
KH=KHβ·KHα·KHV = 1,06·1·1,05 = 1,11 ;
где KHα- коэффициент неравномерности
нагрузки между зубьями;
KHα=1; [2]
KHV- коэффициент динамической нагрузки,
KHV=1,05 [2]
2.9.4 Вычисляем
фактические контактные напряжения
МПа
;
Принимаем b2 = 45 мм, тогда
МПа
Принимаем b1 = 50 мм и уточняем Ψbd = b2/d1 = 45/100 = 0,45 .
2.9.5 Проверяем зубья на
выносливость по напряжениям изгиба
Уточняем коэффициент
нагрузки:
КF = КFβ · КFυ = 1,08 · 1,45 = 1,57 ;
Принимаем:
КFβ = 1,08[2]
КFυ = 1,45[2]
YF – коэффициент, учитывающий форму
зуба;
YF1 = 3,7[2]
YF2 = 3,6[2]
Вычисляем напряжения
изгиба:
;
МПа
< [σ] F1 ;
МПа
< [σ] F2 ;
2.9.6 Выполняем
проверочный расчет на статическую прочность от действия перегрузок.
;
Определяем коэффициент
перегрузки:
;
Находим контактное
напряжение:
Находим изгибные
напряжения:
σFmax1= σF1·
Кmax = 105 · 2,285 = 240 МПа ;
σFmax2= σF2·
Кmax = 114 · 2,285 = 260 МПа .
Для термообработки
улучшение и нормализация:
[σ]Hmax =
2,8 · σТ[3]
[σ]Fmax =
0,8 · σТ
где σТ – предел текучести материала.
Для колеса σТ = 340 МПа ;
[σ]H2max = 2,8 · 340
= 952 МПа > σHmax ;
[σ]F2max = 0,8 · 340
= 272 МПа > σF2max ;
Условие статической
прочности выполняется.
3. Расчёт зубчатой
передачи быстроходной ступени редуктора
3.1 Выбор материалов
Принимаем для
изготовления зубчатых колес быстроходной ступени редуктора тот же материал и
термообработку, что и для тихоходной ступени. Такой выбор уменьшает
номенклатуру материалов.
Шестерня – сталь 45,
термообработка – улучшение;
(192…240) НВ,НВср=Н1=215
;
Н1≥Н2
+ (10…15)НВ;[3]
Колесо – сталь 45,
термообработка – нормализация;
(170…217)НВ,НВср=Н2=195.
3.2 Определяем базовое
число циклов перемены напряжений.
а) по контактным
напряжениям:
NН0 = 30 · НВ2,4;
для шестерни N01 =
;
для колеса N02 =
;
б) по напряжениям изгиба:
NF0 = 4 · 106.
3.3 Определяем
фактическое число циклов перемены напряжений.
а) по контактным
напряжениям:
б) по напряжениям изгиба:
где m – показатель степени кривой
усталости. При твёрдости меньше 350НВ m = 6.
Тогда,
;
3.4 Вычисляем коэффициент
долговечности
а) по контактным
напряжениям.
;
Для шестерни:
;
Так как NНЕ1> NН01, то принимаем KHL1=1;
Для колеса:
;
Так как NНЕ2> NН02, то принимаем KHL2=1.
б) по напряжениям изгиба.
Так как NFE1 > 4∙106 и NFE2 > 4∙106, то принимаем
KFL1=1 и KFL2=1.
3.5 Вычисляем базовое
значение предела выносливости:
а) для контактных
напряжений
Для термообработки
улучшения
σ0нlimb=2·HB+70 [2]
Для шестерни:
σ0нlimb1 = 2·215 + 70 = 500 МПа.
Для колеса:
σ0нlimb2 = 2·195 + 70 = 460 МПа.
б) для напряжений изгиба
Для термообработки
улучшение и нормализация:
σ0Flimb= 1,8 НВ;[2]
σ0Flimb1= 1,8 · 215 = 387 МПа;
σ0Flimb2= 1,8 · 195 = 351 МПа.
3.6 Определяем
допускаемые контактные напряжения:
;
-
коэффициент запаса.
При термообработке
нормализация и улучшение принимаем
[2]
МПа;
МПа;
Для шевронных передач,
согласно рекомендации книги [2]
МПа
;
[2]
Так как
, то принимаем
МПа
.
3.7 Определяем
допускаемые напряжения изгиба:
где
- коэффициент, зависящий от вероятности
безотказной работы. Принимаем
= 1,75 [2]
-
коэффициент, зависящий от способа изготовления заготовки, Для проката
= 1,15[2]
МПа;
МПа.
3.8 Проектный расчет
цилиндрической прямозубой передачи.
3.8.1 Определяем
межосевое расстояние из условия обеспечения контактной прочности зуба.
;
Предварительно принимаем
КНβ = 1,1[2]
Ψba-ширина зубчатого венца;
Принимаем для прямозубой
передачи Ψba= 0,4 и Ка
= 43 [2]
мм;
Принимаем ближайшее
стандартное значение аW ГОСТ=125 мм
[2]
3.8.2 Определяем модуль
зацепления:
mn=(0,01…0,02)·аW=(0,01…0,02)·125=1,25…2,5 мм
принимаем mn=2 мм [2]
3.8.3 Определяем основные
параметры зубчатых колес:
а) назначаем угол наклона
зубьев
β = 30º[2]
б) определяем значение
торцевого модуля
мм
;
в) суммарное число
зубьев:
Z∑=
г) уточняем значение mt и β:
мм
;
βº =
30,23066º
д) число зубьев шестерни:
Z1= Z∑/(u+1)=108/(5,01+1)=18;
число зубьев колеса:
Z2= Z∑ – Z1 =108 – 18 = 90;
Проверка: аW = (Z1 + Z2) · mt /2 ;
125 = (18 + 90) ·
2,3148/2 ;
125 =125 ;
е) диаметры делительных
окружностей
d = mt · z;
d1 = 2,3148 · 18 = 41,666 мм;
d2 = 2,3148 · 90 = 208,332 мм;
ж) диаметры окружностей
вершин:
da1 =
d1 + 2·mn = 41,666 + 2·2 = 45,666 мм;
da2 =
d2 + 2·mn = 208,332 + 2·2 = 212,332 мм;
з) диаметры окружностей
впадин:
df1 = d1 – 2,5·mn = 41,666 – 2,5·2 = 36,666 мм;
df2 = d2 – 2,5·mn = 208,332 – 2,5·2 = 203,332 мм;
и) ширина колеса и
шестерни:
b2 = Ψba · aW = 0,4 · 125 = 50 мм;
b1 = b2 + 4…8 = 50 + 4…8 = 54…58 мм;
Принимаем b1 = 55 мм.
3.9 Проверочный расчет
шевронной зубчатой передачи.
3.9.1 Уточняем
коэффициент нагрузки:
Для отношения Ψbd = b2/d1 = 50/41,666 = 1,2 , при
несимметричном расположении колес относительно опор, КНβ =
1,15[2]
3.9.2 Определение
окружной скорости колес и степени точности передачи:
м/с;
Принимаем 8-ю степень
точности по ГОСТ 1643-81[2]
3.9.3 Определяем
коэффициент нагрузки:
KH=KHβ·KHα·KHV = 1,15·1,13·1,01 = 1,31 ;
где KHα- коэффициент неравномерности
нагрузки между зубьями;
KHα=1,13 [2]
KHV- коэффициент динамической нагрузки,
KHV=1,01 [2]
3.9.4 Вычисляем
фактические контактные напряжения
МПа
;
Принимаем b2 = 45 мм, тогда
МПа
Принимаем b1 = 50 мм и уточняем Ψbd = b2/d1 = 45/41,666 = 1,08 .
3.9.5 Проверяем зубья на
выносливость по напряжениям изгиба
КF = КFβ · КFυ = 1,26 · 1,3 = 1,64 ;
Принимаем:
КFβ = 1,26[2]
КFυ = 1,3 [2]
Вычисляем коэффициент
торцового перекрытия εα :
Определяем коэффициент,
учитывающий многопарность зацепления
Определяем коэффициент,
учитывающий наклон контактной линии:
;
Определяем эквивалентное
число зубьев:
;
;
YF – коэффициент, учитывающий форму
зуба;
YF1 = 3,85[2]
YF2 = 3,6[2]
Вычисляем напряжения
изгиба:
;
МПа
< [σ] F1 ;
МПа
< [σ] F2 ;
3.9.6 Выполняем
проверочный расчет на статическую прочность от действия перегрузок
;
Определяем коэффициент
перегрузки:
;
Находим контактное
напряжение:
σHmax = σH ·
= 386 ·
= 583 МПа ;
Находим изгибные
напряжения:
σFmax1= σF1·
Кmax = 42 · 2,285 = 96 МПа ;
σFmax2= σF2·
Кmax = 44 · 2,285 = 101 МПа .
Для термообработки
улучшение и нормализация:
[σ]Hmax =
2,8 · σТ[3]
[σ]Fmax =
0,8 · σТ
где σТ – предел текучести материала.
Для колеса σТ = 340 МПа ;
[σ]H2max = 2,8 · 340
= 952 МПа > σHmax ;
[σ]F2max = 0,8 · 340
= 272 МПа > σF2max ;
Условие статической
прочности выполняется