Принцип Кирлиан-эффекта (свечение предметов в электромагнитном поле)
Оглавление
Введение
1.
Аппаратура для Кирлиан-эффекта
1.1
Суть эффекта Кирлиан
1.2
Искровой генератор
1.3
Катушка прерывателя
1.4
Резонатор
1.5
Дисковая обкладка
2.
Современные схемы Кирлиан – прибора и компоненты для их сборки
2.1
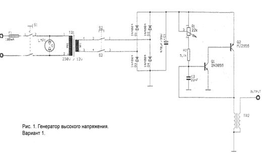
Схема №1
2.2
Схема № 2
2.3
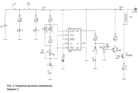
Схема № 3
2.4
Осциллятор и двухкаскадный усилитель
2.5
Электроды
3.
Особенности использования
3.1
Влияние напряжения и частоты
3.2
Контактная фотография
3.3
Фотография через прозрачный электрод
3.4
Меры безопасности
4
Применение Кирлиан - прибора
4.1
Исследование твердых не живых предметов
4.2
Исследование жидкостей
4.3
Исследование органических материалов
5
Проблемы применения
6
Вывод
Введение
Принцип
Кирлиан - эффекта (свечение предметов в электромагнитном поле) было открыто еще
в 1777 году профессором Лихтенбергом: изучая электрические разряды на покрытой
порошком поверхности изолятора, наблюдал характерное свечение. Спустя почти
столетие это свечение было зафиксировано на фотопластинке и получило название
"фигур Лихтенберга". В России в середине прошлого века известный по
тем временам учёный Наркевич-Иодко, поверив крестьянину, видевшему разноцветные
света вокруг людей невооружёнными никаким прибором глазами, изобрёл очень
простое электрическое устройство, позволившее запечатлеть это свечение на
фотопластинке. 1882 год стал для учёного годом признания его открытия. Свой
способ фотографирования Наркевич-Иодко назвал электрографией. О нём писали как
об учёном, опередившем своё время. Демонстрационные опыты Николы Тесла в
1891-1900 годах наглядно показали возможность газоразрядной визуализации живых
организмов. Тесла получал фотографии разрядов обычной фотосъёмкой. Фотоаппарат
снимал в токах высокой частоты предметы и тела. Но сложность использовавшейся
тогда аппаратуры для получения электрографических снимков препятствовала
широкому распространению метода. Все говорили о фиксации неизвестных науке
видов излучения. С 1905 года, под натиском новых идей в физике и революционной
ситуаций в обществе, эти работы были надолго забыты. И только в тридцатые годы
российские изобретатели - супруги Кирлиан заново подошли
к этим исследованиям. Десять лет супруги Кирлиан в
домашней лаборатории создавали и усовершенствовали прибор позволяющий
производить исследования свечения объектов в электромагнитном поле (в качестве
источника высоковольтного высокочастотного напряжения был применен
видоизменённый резонанс-трансформатор Тесла, работающий в импульсном режиме),
делали тысячи высокочастотных снимков изучая механизмы и возможности неведомого
прежде явления.
О приборе
супруг Кирлиан и об аналогичных приборах будет идти речь в данной курсовой
работе.
Целью
данной
курсовой работы является отбор и систематизация теоретического материала по
основным принципам работы и сбора оборудования для наблюдения Кирлиан -
эффекта.
Объектом
исследования является различные схемы Кирлиан -
оборудования и процесс их сборки.
Предметом
исследования выступают некоторые аспекты применения
Кирлиан - прибора.
Поставленная
цель актуализируется в следующих задачах:
1.
Проанализировать научную, научно-популярную и учебно-методическую литературу по
теме исследования и выявить существующие разновидности Кирлиан - приборов.
2.
Проанализировать способы сборки и применения Кирлиан приборов.
Для
решения поставленных задач использовались следующие методы исследования:
- анализ
литературы по рассматриваемой работе;
- систематизация
отобранных материалов.
Практическая значимость
данной работы состоит в том, что рассмотренные материалы
могут использоваться на внеурочных (в т. ч. кружковых) занятиях по
радиоэлектронике, а рассмотренные приборы наверняка являются будущим медицины.
1.1 Суть эффекта Кирлиан
Принцип работы
Кирлиан-прибора очень прост. На один электрод подаётся высокое переменное
напряжение с высокой частотой - от 1 до 40 киловольт при 200-15000 Герц. Другим
электродом служит сам объект. Если объектом служит человек, то он ни в коем
случае не заземляется. Если объект представляет собой предмет неживой природы,
то его необходимо заземлить. Оба электрода разделены между собой изолятором и
тонким слоем воздуха, молекулы которого подвергаются диссоциации под действием
сильного магнитного поля, возникающего между электродом и объектом. В этом слое
воздуха, находящемся между объектом и электродом, т.е. в сильном магнитном
поле, происходит три процесса.
Первый процесс
заключается в поляризации и разрыве молекул воздуха, который на 78 процентов
состоит из молекулярного азота (N2). Этот процесс приводит к образованию
атомарного азота, который в больших концентрациях вреден для человеческого
организма. Поэтому с кирлиан-прибором необходимо работать в хорошо
проветриваемом помещении.
Второй процесс - это
процесс получения электронами молекул воздуха (N2 - 78%, O2 - 21%) достаточного
количества энергии, необходимой для отрыва от молекулы. Эти освободившиеся
электроны, наряду с ионами, образуют некий небольшой ток между объектом и
электродом, который впрочем, при правильной регулировке рабочего напряжения
неопасен для человека. Результаты второго процесса видны в форме газового
разряда по каналам так называемой короны, которая образуется вокруг объекта.
Форма короны свечения, её плотность, вкрапления и т.п. определяются собственным
магнитным полем объекта.
Третий процесс - это
получение электронами молекул воздуха энергии, которой недостаточно для отрыва
от молекулы. При этом происходит переход электронов молекул воздуха на более
высшие атомарные уровни и обратно. При этом скачке электрона происходит
излучение кванта света. Величина скачка электрона молекулы воздуха зависит от
собственного магнитного поля исследуемого объекта. Поэтому в различных точках
поля, окружающего объект, электроны получают разные импульсы, т.е.
перескакивают на разные атомарные уровни, что приводит к испусканию квантов
света разной длины. Последний факт регистрируется человеческим глазом или
цветной фотобумагой в качестве различных цветов, которые в зависимости от
объекта могут окрашивать корону свечения в разные цвета.
Аппаратура, применяемая
в первоначальных опытах, состояла из генератора ТВЧ, резонатора, катушки
прерывателя (рис.1).
Генератор ТВЧ
превращает опасный для человека электрический ток в безопасный. Такой генератор
должен работать с частотой приблизительно в 75 — 200 тыс. колебаний в секунду;
колебания импульсные, резко затухающие. Каждый импульс не должен нести большой
энергии, чтобы она не могла оказывать на организм теплового или раздражающего
действия. Его длительность— 50—100 миллионных долей секунды.


















Рис. 1 Искровой
генератор:
1-—
конденсатор на 4—10 мф, 600 вольт; 2 и 3—конденсаторы на
0,25 мф, 1500 в; 4—конденсатор на 0,5 мф, 1000 в; 5— конденсатор
на 1 мф, 690 в; 6 — конденсатор на 2500 мф, 2500 в
(емкостная защита); 7—коммутатор переключения частоты; 8 и 9 —
дроссельные регуляторы (типа реостата накала радиоламп); провод медный ПБО, 1,5
мм, по 100 витков; 10 — первичная обмотка резонатора
(автотрансформатора), 9—10 витков, провод 3х1 мм (ПБО); 11 —
вторичная обмотка резонатора, 3000 витков, провод ПЭШО 0,2 мм; 12 —
обкладки конденсатора; 13 — педаль.
Искровой же генератор
еще при монтаже настраивается на одну доминирующую частоту, но, как и каждая
искра, сопровождается целой гаммой других частот. Поэтому здесь выделять
определенные детали не удастся. Но зато на снимке будет отчетливо изображена
структура фотографируемого предмета с множеством деталей, которые резонировали
на эту гамму частот.
Таким образом, оба
генератора, ламповый и искровой, дополняют друг друга. Поскольку искровой
генератор обладает большими возможностями, мы в основном работаем с ним. Этот
генератор (рис. 1) состоит из катушки прерывателя, колебательного контура и
педали для ножного включения.
Катушка прерывателя
(рис. 2) выполняется из гетинакса, фибры или дерева вырезать (две пластинки
шириной 60, длиной 80 и толщиной 3 мм) в просверленные отверстия
вклеивается для сердечника картонная трубка с внутренним диаметром 22 мм так,
чтобы расстояние между боковыми пластинками катушки было 65 мм. Трубку
для сердечника можно сделать из жести, развернув ее края 2 так, чтобы
пластинки 1 не могли сойти с трубки. Металлическая трубка должна быть
обязательно с одной стороны разрезана вдоль оси (щель — 3 мм), иначе
так, чтобы расстояние между боковыми пластинками катушки было 65 мм.
Трубку для сердечника можно сделать из жести, развернув ее края 2 так,
чтобы пластинки 1 не могли сойти с трубки. Металлическая трубка должна
быть обязательно с одной стороны разрезана вдоль оси (щель — 3 мм), иначе при
переменном токе она станет как бы замкнутым витком трансформатора, где начнет
индуцироваться ток большой величины, и катушка сгорит. Металлическую трубку
надо изолировать несколькими оборотами плотной бумаги 3, которые будут
сдерживать боковые пластины катушки от сползания. Для диэлектрической прочности
бумагу желательно пропитать шеллаком или нитролаком, а трубку покрыть внутри
изолирующим лаком, чтобы пластинки сердечника не замыкали ее, и набить
полосками трансформаторной стали; они должны на 3—4 мм выступать с одной
стороны катушки, на которой просверлены четыре отверстия диаметром 4 мм для
крепежных болтов 6,9 и 14.
Рис 2 Катушка
прерывателя.
Прерыватель делается по
форме, указанной пунктиром, из стальной (трансформаторной) пластины; на одной
стороне ее пробивается отверстие для крепления 6, на другой стороне
приклепывается вольфрамовый контакт 7 диаметром 4 мм. Другая пластина
прерывателя 8 изготовляется из жесткой латуни или другого немагнитного
материала (иначе она под действием магнетизма сердечника начнет колебаться в
такт с первой пластиной, и генератор будет работать нечетко); в ней по углам
делаются три отверстия диаметром 4 мм. Они должны совпадать с
отверстиями первой пластины; одно из них продолговатое — для свободного
перемещения пластины вдоль болта 9 при регулировке.
Втулки 10 и 11
служат упором при установке пластин прерывателя. Для простоты их можно свернуть
из полоски жести. Болт 9 с гайкой 12 является регулятором при
настройке искрового промежутка. Пружина 13 должна быть жесткой, чтобы
пластина 8, зажатая между пружиной и гайкой, при колебательных движениях
пластины 5 не вибрировала.
К болту 6
подключается один конец обмотки катушки. Болт 14 и второй провод обмотки
15 подключаются к электросети через выводные контакты.
Обмотка катушки 16
должна быть сделана из провода диаметром 0,35 мм с эмалевой изоляцией, а лучше
с бумажной оплеткой. С такими габаритами у катушки при напряжении 220 в
должно быть 3500—4000 витков (генератор может работать и при напряжении 127 в).
При намотке катушки проводом с эмалевой изоляцией необходимо каждый слой
обмотки изолировать одним или двумя оборотами конденсаторной или другой тонкой
бумаги. Катушка обматывается с отступом от боковых ее стенок (пластин) на 3—4
мм, иначе крайние верхние проводники провалятся (между
пластиной и обмоткой), и в изоляции будет пробой.
Сердечник катушки 4
должен быть туго набит полосками из трансформаторной стали, чтобы под действием
магнитных сил отдельные листы не высовывались навстречу пластине 5. Сердечник
закрепляется лаком.
Вольфрамовые контакты 7
должны быть всегда чистыми и отполированными. Это предохраняет их от сгорания
(эрозии).
1.4 Резонатор
Второй важный узел
генератора — колебательный контур, с катушкой самоиндукции, имеющей повышающую
напряжение обмотку (резонатор Удена).
Основанием катушки
резонатора длиною 180 мм (рис. 3) служит трубка 1 из бумаги (4—5 оборотов). На
расстояние 80 мм от края, прокалывается в трубке отверстие, куда просовывается
провод 3; выводится из трубки на 80—100 мм.
Хорошо изолированный
провод должен быть в диаметре 0,2—0,25 мм, эмаль — с шелковой или
бумажной оплеткой. Обмотку 2 производится вплотную, виток к витку, не
более 100 витков в одном ряду — в противном случае между смежными рядами будет
слишком велика разность потенциала и произойдет междурядный пробой.
Рис. 3 Резонатор
(автотрансформатор).
Каждый ряд обмотки
обворачивается двумя или, если бумага тонкая, то и тремя оборотами (с
нахлесткой) чистой бумаги. Ширина изолирующего слоя бумаги равна длине трубки—180
мм. На трубку, таким образом, наматывается до 30 рядов (3000 витков).
После окончания обмотки покрывается слоем в три-четыре оборота писчей бумаги 9,
через которую пропускаем конец обмотки 5. Это — повышающая, т. е. вторичная,
обмотка. Смещение обмотки 6 по отношению к трубке обусловлено выходящим
проводом 3. Между проводом 3 и шиной 8 может быть
воздушное пробойное перекрытие во время работы генератора на больших
напряжениях. Правая сторона резонатора, залитая парафином, от этого
застрахована.
Первичная обмотка наматывается
в том же направлении на вторичную, шиной 3,5´1
мм либо проводом с эмалевой или бумажной изоляцией (диаметром 1,2 мм) в три
параллельных проводника (наматывается 9—10 витков). Концы обмоток припаиваем к
высоковольтному конденсатору на 2500 пикофарад (емкостная защита).
По окончании намотки
автотрансформатора высокой частоты его необходимо часа три поварить в белом
парафине до обезвоживания бумаги, до полного пропитывания катушки. Катушка
после отвердевания в парафина остужается. Потом снова нагревается парафин,
погружается в него катушка и, не давая ей нагреться, быстро вынимается. Так
необходимо поступать несколько раз, пока вся катушка не будет залита парафином
и у обмотки не останется воздушных пузырьков.
Автотрансформатор
выдерживает до 200 тыс. в эффективного напряжения.
Индуктивный регулятор
делается по типу обычного реостата для регулировки накала радиоламп, но больших
размеров. На полоску из фибры или алюминия, изолированного лейкопластом,
толщиной 1,5—2, шириной 15 и длиной 160— 180 мм, наматывается медная с
бумажной изоляцией проволока 1,5 мм. В одном регуляторе полоска остается
ненамотанной на 15—20 мм, чтобы можно было его выключать. Полоска с намоткой
сворачивается в кольцо. Концы ее закрепляются на угольнике винтами или
заклепками. В центральное отверстие угольника проходит ось ползущего контакта.
Обмотка пропитывается лаком для закрепления ниточной оплетки. На ребре полоски
наждачной или стеклянной бумагой счищаем изоляцию (для коммутации между
проволокой и ползучим контактом).
Устройство ясно видно
на рис. 1. Верхняя дека педали должна быть тщательно изолирована от токонесущих
деталей. Рекомендуется покрыть педаль добавочным изолирующим слоем из
гетинакса, текстолита или эбонита: когда экспериментатор испытывает на себе
аппарат, гвозди обуви могут соприкоснуться с токонесущими частями педали, и ток
технической частоты пройдет через него.
Контакты изготовляются
из жести. Пружина из трансформаторной стали является продолжением верхнего
контакта. Оба контакта электрически связаны с двумя болтами, к которым крепятся
провода. Подводящие клеммы педали закрываются щитком из диэлектрического
материала.
Само фотографирование
происходит в системе плоского конденсатора, основным инструментом которого
являются обкладки, т. е. две металлические пластинки. Пользоваться можно и
одной обкладкой и двумя одновременно. В описанных выше опытах принимали участие
мелкие предметы, помещавшиеся между двумя обкладками. Человек же, растения на
корню и крупные предметы экспонируются только с помощью одной обкладки.
Во время
фотографирования надо прикрывать фотопленку черным экраном, чтобы избежать
засвечивания фотоснимка.
Из плоских обкладок
целесообразна дисковая обкладка без углов (рис. 4). С нею удобно выбирать
участок и на теле, и на растениях.
Рис. 4 Дисковая
обкладка.
Для фотографирования
листьев растений без отрыва от стебля необходимо применить плоские
металлические обкладки, которые укрепляем на подвижной крестовине из
диэлектрика и с внутренней стороны покрыли их целлулоидом с пазами для
фотопленок. Эти фотоклещи изображены на рис. 5.
Лист растения кладется
на фотопленку нижней обкладки, в которой на переднем крае сделан прорез для
черенка. С помощью фотоклещей получаются снимки и с других плоских предметов.
При фотографировании
растения на корню можно подключать обе обкладки фотоклещей — или к одному
(активному) полюсу генератора или к двум разноименным. Это придает своеобразие
картинам на снимках. В первом случае в фотографировании участвует все растение,
начиная с корней, во втором только один лист, причем электрическая корона
вокруг него не образуется, как это бывает при однополюсной съемке.
Рис. 5 Фотоклещи.
Увеличение
фотографируемой площади требует повышения мощности, и экспериментатор вынужден
компенсировать недостающую мощность удлинением времени экспозиции, а это
неблагоприятно отражается на качестве фотоснимка. Выход — в максимальной
стабилизации времени экспозиции с помощью вращающегося ролика (рис. 6).
На рис. 7 изображен
набор таких обкладок, рабочая часть которых по конфигурации диаметрально
противоположна форме фотографируемого участка. Эти обкладки не требуют установки
разрядного промежутка между предметом и фотопленкой.
Рис. 6 Вращающийся
ролик.
При фотографировании,
после того как роликовая обкладка покинет «старт», необходимо включить
генератор и выключить, когда она дойдет до «финиша».
Рис. 7 Набор роликовых
обкладок.
Рис. 8 Разновидность
роликовой обкладки.
После этого отрывается
обкладка от фотопленки, иначе между ними вспыхнет искра и завуалирует негатив.
На рис. 8 изображена
другая разновидность роликовой обкладки.
В пазы прибора под
черный экран вставляется фотопленка, взаиморасположение которой с роликом на
всем протяжении одинаково, и фотографирование происходит по строго заданному
направлению. Скорость ролика и его нажим на фотопленку можно регулировать. В
действие он приводится пружинным механизмом. Прибор накладывается на предмет;
ролик запускается
нажимом кнопки.
Основание обкладки делается
из твердого диэлектрика.
Для съемки
цилиндрических предметов применяют эластичную обкладку (рис. 9). Гибкая
спиральная пружина укреплена на двух рукоятках из диэлектрика. Фотографируемый
предмет, покрытый фотопленкой, обхватывается по окружности такой обкладкой и с
помощью рукояток, зажатых в руке, передвигается вдоль фотопленки. Если
экспонируемый участок идет на конус, то пружина благодаря своей упругости
плотно облегает через фотопленку такой участок, и снимок на всем протяжении
получается равномерным.
Рис. 9 Эластичная
обкладка.
Такими были собраны
первые кирлиан приборы супругами Кирлиан.
2.1 Схема №1
Рисунок № 1 показывает
схему простого высокочастотного генератора высокого напряжения, который можно
собрать на обыкновенной плате. Эта схема питается от напряжения 230 Вольт. S1 -
основной выключатель, который соединяет сеть с прибором. Трансформатор выдаёт
переменное напряжение 12 Вольт. Кнопка S2 включает прибор в рабочий ток. Затем
идёт выпрямление тока при помощи диодов D1-D4 и конденсатора C1. Конденсатор
C2, сопротивления R1 и R2, трансформатор TR2 создают колебательный контур,
частота в котором регулируется при помощи потенциометра R1. Транзисторы Q1 и Q2
способствуют тому, чтобы колебания были незатухающими. Во время работы они
могут сильно нагреваться, поэтому необходимо снабдить их охладителями. TR2
представляет собой обыкновенную катушку зажигания, которая используется в
автомобильных моторах. На выходе "output" получаем высокочастотный
ток высокого напряжения. Длительность импульса на выходе регулируется вручную,
т.е. временем нажатия кнопки S2. Лампочка LMP1 сигнализирует о готовности
генератора к работе.
представляет собой
почти туже схему, что и рисунок 1 - их левые части равны до конденсатора С2. В
остальной части вместо колебательного контура применяется автоколебательный
мультивибратор. При чём C1 заряжается через R2 и R3 до тех пор, пока напряжение
на С1, идущее от IC1A, не достигнет высшей границы. Затем С1 разряжается до
нижней границы. Затем процесс повторяется снова и т.д. IC1B включён как
возбудитель. При этом оставшиеся IC1C и IC1D не весят просто в воздухе, а
заземлены. Q1 и Q2 образуют вместе с оставшимися сопротивлениями
двухступенчатый выход, который подаётся на катушку зажигания TR2 от
автоколебательного мультивибратора в режиме посылаемых сигналов. На выходе
"output" получаем искомое напряжение.
которая не зависит от
электрической сети, т.к. она работает от 12V. Поэтому она удобна тем, что её
можно использовать для сборки переносного Кирлиан-прибора. В качестве
12-вольтового источника питания может служить обыкновенный автомобильный
аккумулятор (например, 12V\1,8А). Однополярный выключатель S1 служит в качестве
главного выключателя. Зелёный светодиод D1 показывает готовность прибора к
работе. Сопротивление R1 понижает силу тока на D1 до 12mA. Однополярная кнопка
S4 включает последующую схему в напряжение, но лишь на то время, пока она
нажата. В это время горит красный светодиод D2, через который проходит
ограниченный сопротивлением R2 ток. Затем следуют два блока: осциллятор и
выходная ступень. Основной частью осциллятора является распространённый
универсальный таймер 555 (NE 555). Он обозначен на схеме IC1. Его массой служит
Pin1, а на Pin8 подводится положительное напряжение. Конденсатор C1 заряжается
через сопротивление R3, конденсатор D3 через R9. При достижении верхнего порога
напряжения, которое будет равно 2/3 подводящегося напряжения, внутренний
транзистор включает Pin7 на массу, при этом через R9, R4 и D4 разражается
конденсатор C1. При достижении нижнего порога напряжения, которое равно 1\3,
разрядка прекращается, т.к. Pin7 запирается. Начинается следующий заряжающий
цикл.
Благодаря диодам D3 и
D4 достигается равное время зарядки и разрядки. При этом IC1 согласуется с
заряженным состоянием конденсатора C1, т.е. IC1 "чувствует" какой
порог напряжения достигнут - верхний или нижний. Для этого ему служат Pin2 и
Pin6, которые меряют нижнее и верхнее пороговое напряжения соответственно. Во
время зарядного цикла через Pin3 проходит ток, а во время разрядного цикла Pin3
замыкается на массу. При этом выход Pin3 пульсирует в с частотой разрядного и
зарядного циклов. Оба эти цикла равны, как и сопротивления R3 и R4. Поэтому
период колебаний рассчитывается по формуле T=1,4(R3+R9)C1. Теперь если мы
подставим в эту формулу значения элементов, указанных в таблице, то мы получим
частоту от 7,1 до 3,2 kHz с учётом рабочей области потенциометра R9. Но это
только расчётная частота, т.к. на практике из-за различных допусков элементов получается
некий разброс расчётного значения. Pin5 можно подключить к управляющему
напряжению, если деление тока в отношении 1/3 к 2/3 кому-то не понравится. В
показанной же схеме Pin5 и С2 замкнуты на массу во избежании колебаний IC1.
Теперь вернёмся к выходу Pin3, который запитан на выходной блок. Выходной блок
состоит из сопротивлений R7 и R8. Благодаря диоду D5 на сопротивлении R8
подаётся не более чем 2,7V. На контактах ползунка R8 снимается напряжение от 0
до 2,7V. Так как база-эмиттер напряжение на транзисторах Q1 и Q2 составляет 2 х
0,7 = 1,4V, то напряжение на R5 едва превысит 1,3V. Поэтому сила тока в цепи
коллектора транзистора Q2 не будет выше 1,3А. Такая схема помогает достичь
ограничения силы тока, подающегося на трансформатор TR1. Эта необходимая мера
нужна для предохранения первичной обмотки катушки от перегорания, т.к. её
сопротивление относительно мало.
Во время работы прибора
даёт знать себя сильное сопротивление переменного тока, а именно при малой
частоте период срабатывания становится довольно продолжительным. Поэтому можно
поставить меньшее сопротивление. На выходе вторичной обмотки "output"
снимается высокое напряжение около 25kV, но только на то время, пока включена
кнопка S4. В это рабочее время светится красный светодиод.
В качестве
трансформатора TR1 применяется обыкновенная автомобильная катушка зажигания
(обмотка 1:1000). К малым боковым контактам подключается кнопка S4 и коллектор
транзистора Q1. С серединного контакта снимается требуемое высоковольтное
напряжение высокой частоты.
2.4 Осциллятор и двухкаскадный усилитель
В задачу
генератора сигналов (осциллятора) входит управление каскадным усилителем
мощности. Генератор сигналов определяет частоту, напряжение и продолжительность
тока, подаваемого на усилитель. Двухкаскадный усилитель мощности есть сердце Кирлиан
- прибора, и в то же время самая сложная его часть. Его первую ступень образует
транзистор BC107. Затем следует усиление и вторая ступень - транзистор 2N3055
(на схеме Q1), который может при больших токах сильно нагреваться. Поэтому для
него требуется мощный охладитель, снабжённый вентилятором. Эта мера необходима,
если опыты будут проводиться при напряжении более чем 25-30 вольт, или если
прибор планируется использовать в коммерческих целях, т.е. при полной загрузке.
Как показывает практика, рабочее напряжение усилителя лежит в пределах 10-30
вольт.
2.5 Электроды
В качестве
простого электрода может послужить обыкновенная эпоксидовая электроплата,
покрытая с одной стороны медным слоем. В качестве диэлектрика будет служить сам
эпоксидовый слой. Чтобы не возникало пробоя на краях, необходимо удалить слой
меди на 10 мм от края. Такой электрод пригоден для работы с высокими
напряжениями. Если же слой диэлектрика будем слишком толст, т.е. свечения не
будет наблюдаться при некоторых малых параметрах, то можно перевернуть электрод,
и прямо на него положить фотобумагу. При этом необходимо соблюдать необходимые
меры предосторожности.
Если
соорудить прозрачный электрод, то представиться возможность наблюдать Кирлиан -
эффект в режиме реального времени. Такой прозрачный электрод можно легко
сделать из двух стёкол, между которыми нужно залить тонкий слой подсоленной
воды. Толщина стекла будет определять диэлектрические свойства прибора, а
толщина слоя воды будет влиять на прозрачность самого электрода. В качестве
подвода напряжения необходимо применить нержавеющий контакт.
Интенсивность
свечения короны прямо пропорциональна напряжению. При низком напряжении не
возникает свечения, а при слишком высоком напряжении возникает угроза прямого
пробоя диэлектрика, что приведёт объект к поражению электрическим током.
Влияние частоты гораздо сложнее. Малые частоты становятся причиной пробоя.
Наиболее разумная нижняя граница частоты лежит в пределах 500 Герц. Впрочем,
она зависит от напряжения электрода и диэлектрика.
К примеру,
для прозрачного электрода (стекло в качестве диэлектрика) можно при низких
напряжениях получать свечение начиная от частоты в 200 Герц. Верхняя границ
лежит в пределах 15-20 килогерц в зависимости от материала и напряжения. Между
нижней и верхней границей имеются две интересные области: первая - 650 Герц,
вторая - 7000 Герц. Разницу можно уловить на картинке свечения столового
рыбного ножа. В первом случае, т.е. при низкой частоте, по-видимому, играет
большую роль проводимость объекта, которая однородна - металл. Во втором случае
- при высокой частоте, проводимость объекта не играет важной роли, а на первый
план выступает собственное магнитное поле объекта, которое, как видно,
неоднородно, и не находится в прямой связи с электрической проводимостью.
Кирлиан - эффект
выражается в свечении вокруг объекта. Это свечение можно видеть простым глазом
через прозрачный электрод, а можно сфотографировать на фотобумагу, положив её
на электрод, эмульсионным слоем вверх, т.е. к объекту. Необходимо обратить
внимание, чтобы между фотобумагой и электродом не было воздушных зазоров. В
противном случае в этих местах не произойдёт регистрации эффекта, т.к. свечение
будет происходить в воздушном зазоре, находящегося под фотобумагой.
Рекомендуется применять контрастную фотобумагу, чтобы минимизировать вторичное
влияние каналов свечения на общую картину эффекта.
Для съёмки
кирлиан-эффекта на фотобумагу необходимо выбрать темное помещении. При работе с
чёрно-белой бумагой можно допустить подсветку красным фонарём. При работе с
цветной бумагой требуется полная темнота. Время экспозиции (засвечивания)
фотобумаги зависит от объекта, и зависит от его проводимости. Для металлических
предметов хватает одной секунды, а для деревянных предметов требуется около 20
секунд. Рекомендуется выбирать более длительную экспозицию, чем недостаточную.
Тогда при проявке фотобумаги возможно выбрать желательный контраст.
Естественно, что на фотобумаге получается негативное изображение короны
свечения.
Можно получить цветное
изображение. Принцип такой же, как и с черно-белой фотобумагой. Для наибольшего
удобства рекомендуется воспользоваться кассетами моментальной фотографии фирмы
"Polaroid". Для этого необходимо приобрести одну кассету, куда входит
десять карточек. В полной темноте необходимо вскрыть кассету; извлечь оттуда
одну карточку и положить её на электрод эмульсионным слоем вверх, на который
положить объект; затем положить кассету с оставшимися карточками в
светонепроницаемый пакет, и можно продолжать опыт дальше. Для проявки уже
экспонированных карточек понадобится приспособление, которое способно
равномерно раскатать фотокарточку "Polaroid" с двух сторон, чтобы
карточка смогла проявиться (необходимые химикаты "вшиты" в карточку).
Для этой цели идеально подходит та часть самого фотоаппарата
"Polaroid", которая предназначена выполнять эту функцию. Она легко
снимается с шарниров, сохраняя возможность обратного монтажа. Кто не имеет
возможность демонтировать это приспособление с фотоаппарата, тот может сделать
нечто подобное из двух круглых карандашей. Главное протянуть карточку с равной
скоростью по всей её площади. На карточке моментальной фотографии выход цветное
позитивное изображение короны свечения.
3.3 Фотография через прозрачный электрод
Соорудив необходимый
корпус и встроив в него обыкновенное зеркало для удобства работы, возможно
наблюдение свечения в режиме реального времени. Также возможно съёмка свечения
обыкновенным фотоаппаратом, заряженным высокочувствительной плёнкой (ISO600 и
более). Но из-за прохождения света короны через двойное стекло и слой воды,
теряются мелкие подробности. Поэтому для научных целей рекомендуется всё же
контактная фотография. Применение цифровых фотоаппаратов ограниченно из-за их
низкой чувствительности, которые, как правило, не имеют чувствительности более
ISO400. Кроме того, цифровые фотоаппараты имеют свойство отключаться вблизи
генератора высокой частоты.
Современные зеркальные
полуавтоматические фотоаппараты имеет функцию автоматического выбора экспозиции
в зависимости от заряженной плёнки. Так с пленкой ISO800 время экспозиции
составляет, как правило, от одной до пяти секунд. При этом будет
сфотографирована только светящаяся корона. Если есть необходимость заснять и
объект, то нужно включить функцию вспышки при закрывании шторок фотоаппарата
(обычно такая функция имеется у современных фотоаппаратов).
3.4 Меры безопасности
Ток на выходе прибора
может иметь силу в несколько десятков миллиампер и напряжение в несколько
десятков киловольт. Такой ток для человеческого организма смертелен. Поэтому
необходимо строго выполнять следующие меры безопасности:
·
не
прикасаться к открытым деталям Кирлиан - прибора, через которые течёт ток
высокого напряжения;
·
никогда
не заземлять живые объекты;
·
никогда
не исследовать живые объекты менее чем при 500 Герц, т.к. может произойти
пробой диэлектрика;
·
не
прикасаться к объектам во время подачи напряжения на электрод; это особенно
касается металлических предметов; если объектом служит человек, то также не
стоит прикасаться к нему; также и он не должен прикасаться во время опыта к
токопроводящим предметам (батареям отопления и пр.);
·
во
время опытов необходимо снять с себя все металлические предметы: украшения,
часы и пр.;
·
не
исследовать людей, которые имеют искусственные приборы жизнеобеспечения;
·
если
в качестве питания применяется аккумуляторная батарея, то в прибор необходимо
встроить предохранитель на случай короткого замыкания.
4.1 Исследование
твердых не живых предметов
Неживые объекты
необходимо заземлять. Корона у таких объектов, как правило, равномерно
распределяется по всей поверхности. Впрочем, неровности поверхности дают свою Кирлиан
- картинку, что по видимому объясняется перпендикулярностью каналов разряда по
отношению к поверхности объекта. Интересные снимки получаются при высоком
напряжении и низкой частоте. Впрочем, рекомендуется попробовать различные
варианты.
Жидкости также
необходимо заземлять. Свечение происходит по краям жидкостного слоя. Возможно
наблюдение интересного случая, если исследовать довольно большое жидкое
"пятно". При длительном включении электрода происходит неравномерное
испарение жидкости, что приводит к возникновению маленьких
"островков" жидкости, которые не заземлены с общим "водяным
континентом". Вследствие разности потенциалом между ними возникают пробои
воздуха, что проводит к возникновению длинных каналов свечения.
Если
исследуемый объект принадлежит к "неживой" природе, как, к примеру,
растения, то они требуют заземления. Живые же объекты ни в коем случае нельзя
заземлять - опасно для жизни! Интересными объектами исследований являются
листья растений. Они дают различную корону, в зависимости от геометрического
строения листа. Наиболее яркую корону даёт только что сорванный листок. Если
очень повезёт, то возможно достигнуть мечту всех исследователей Кирлиан - эффекта
- получение снимка фантомного листа. Этот эффект очень редко фиксируется, и
по-своему уникален. Эффект фантомного листа заключается в получении короны
свечения в том месте, в котором часть листочка была оторвана или обрезана.
Человек представляет собой наиболее интересный объект, т.к. корона свечения
зависит от физиологического и эмоционального состояния человека. Все части
здорового человеческого тела дают свечение. Но наиболее разработанной областью
в Кирлиан - науке являются короны пальцев рук и ног.
Кирлиан -
приборы повсеместно внедряют в медицину в качестве диагностических приборов. По
словам ученых по короне свечения ауры человека можно диагностировать заболевание
на самых ранних стадиях.
·
Во-первых: скептики
считают, что ни какой ауры у человека и растений нет. А видим мы просто
ионизацию газа под действием электромагнитного поля.
·
Во- вторых: собранный
Кирлиан - прибор в домашних условиях может быть опасным для жизни, в виду его
особенностей. А заводские приборы созданные по технологии стоят дорого. Полевой
прибор стоит около 89 000 рублей, а стационарный, способный показывать ауру
всего человека итого дороже.
Возможности Кирлиан –
приборов до конца не следованны, их хотят приспособить для диагностирования
заболевания, т.е использовать в медицине, но также прибор с легкостью можно
использовать и в промышленности, как прибор для обнаружения брака в заводских
изделиях, также и психологи утверждают , что по свечению человеческой короны
можно определять психические заболевания и даже определять склонен или нет
человек к тем или иным психическим заболеваниям . Кирлиан – приборы много функциональные
изделия и для них , если пожелать, можно найти множество способов применения
хоть в быту , хоть в промышленности.
Например : по заранее
составленным таблицам цветов свечения и яркости короны определять пригодна вода
для питья или нет, или какой свежести колбаса или другие продукты. По таким –
же таблицам определять нуждается ли почва в органических или химических
добавках, это в сельском хозяйстве. А в пищевой промышленности этим прибора и
вовсе цены не будет, как для самих производителей, так и для организаций,
следящих за качеством продукции.
Но эти все примеры
могут быть осущественны только в том случае, если будет доказано, что все
свечения тел это не простое испускание фотонов электронами под действием поля
созданного током высокой частоты.