Изучение соединений резисторов и проверка законов Ома и Кирхгофа
Лабораторная
работа 5
Тема: "Изучение соединений резисторов и проверка
законов Ома и Кирхгофа"
Цель: Проверка на опыте особенностей последовательного и параллельного
соединения резисторов.
Оборудование: Стенд №1.
Порядок выполнения работы.
1.
Собрать
схему из последовательно соединённых резисторов.
2.
Включить
цепь, установить необходимое напряжение. Измерить силу тока в цепи, падение
напряжения на каждом участке при 2-х – 3-х значениях сопротивлений реостата.
Результаты записать в таблицу 1.
Таблица 1 – Данные
опыта и расчёта.
№
|
Из опыта
|
Из расчёта
|
|
I
A
|
U1
B
|
U2
B
|
U3
B
|
U
B
|
R1
Ом
|
R2
Ом
|
R3
Ом
|
Rэкв
Ом
|
P1
Вт
|
P2
Вт
|
P3
Вт
|
P
Вт
|
|
1
|
1,2
|
70
|
30
|
120
|
220
|
58,3
|
25
|
100
|
183,3
|
84
|
36
|
144
|
264
|
|
2
|
1
|
55
|
55
|
110
|
220
|
55
|
55
|
110
|
220
|
55
|
55
|
100
|
210
|
1) I=1,2A; U1=70B; U2=30B; U3=120B;
U=220B
2) I=1A; U1=55B; U2=55B; U3=110B;
U=220B


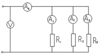
Рисунок 1- Последовательное
соединение резисторов– Рисунок 2 – Параллельное соединение резисторов
4. Включить цепь, установить необходимое напряжение. Измерить
силу тока в цепи, падение напряжения на каждом участке при 2-х – 3-х значениях
сопротивлений реостата. Результаты записать в таблицу 2.
Таблица 2-Данные
опыта и расчёта
№
|
Из опыта
|
Из расчёта
|
|
U
В
|
I1
А
|
I2
А
|
I3
А
|
I
А
|
R1
Ом
|
R2
Ом
|
R3
Ом
|
Rэкв
Ом
|
q1
См
|
q2
См
|
q3
См
|
qэкв
См
|
P1
Вт
|
P2
Вт
|
P3
Вт
|
Pэкв
Вт
|
|
1
|
220
|
1,2
|
1,2
|
1
|
3,4
|
183,3
|
183,3
|
220
|
64,5
|
0,005
|
0,005
|
0,004
|
0,014
|
264
|
264
|
220
|
748
|
|
2
|
220
|
1,2
|
0,4
|
1,8
|
3,4
|
183,3
|
122,2
|
550
|
64,5
|
0,005
|
0,008
|
0,014
|
264
|
88
|
396
|
748
|
1) U=220В; I1=1,2A; I2=1,2A;
I3=1A; I=3,4A
2) U=220B; I1=1,2A; I2=0,4A;
I3=1,8A; I=3,4A;
Контрольные вопросы
1.
При
последовательном соединении каждый элемент цепи соединён последовательно, т.е.
конец предыдущего элемента соединён с началом следующего, начало первого и
конец последнего являются зажимами группы элементов, которыми она может быть
подсоединена к другим участкам цепи.
При параллельном соединении группы элементов начала всех
элементов соединены в одном зажиме, а концы в другом: этими зажимами группа
присоединяется к другим участкам цепи.
2.
Rэкв=R1+R2+R3 – при последовательном соединении.
1/ Rэкв=1/ R1+1/ R2+1/ R3 – при параллельном соединении.
3.
Законы
Кирхгофа:
І закон: в ветвях, образующих узел эл. цепи, алгебраическая
сумма токов равна нулю: ΣI = 0.
ІІ закон: в контуре эл. цепи алгебраическая сумма напряжений
на его ветвях равна нулю ΣU = 0 или контуре эл. Цепи алгебраическая сумма падений
напряжения на пассивных элементах равна алгебраической сумме ЭДС этого контура:
Σ IR = Σ E.
4. R=U/I;
I=U/R – Закон Ома для участка
цепи, не содержащий ЭДС.
I=E/R+r
3.
Отличительной
особенностью параллельного соединения является то, что ко всем ветвям приложено
одно и то же напряжение.
4.
Ток
больше в той ветви, где меньше сопротивление, т. к. I=U/R, U-const.
5.
G=I/U=1/R
– проводимость [См].
При параллельном соединении пассивных ветвей общая
проводимость между двумя узлами равна сумме проводимостей всех ветвей, т.е.
G = G1+G2+G3
8. P = EI или P = I2R – мощность.