Дослідження особливостей залежності заряду перемикання від прямого струму для епітаксіальних p-i-n структур різних типів та розмірів
Міністерство
освіти та науки України
Запорізький
національний університет
До
захисту допущена
Зав.
кафедрою ТЕМ
кандидат
ф. м. наук, доцент
ДИПЛОМНА
РОБОТА
ДОСЛІДЖЕННЯ
ОСОБЛИВОСТЕЙ ЗАЛЕЖНОСТІ ЗАРЯДУ ПЕРЕМИКАННЯ ВІД ПРЯМОГО СТРУМУ ДЛЯ
ЕПІТАКСІАЛЬНИХ P-I-N СТРУКТУР РІЗНИХ ТИПІВ ТА РОЗМІРІВ
Виконала,
Науковий керівник,
старший викладач
Нормоконтролер,
асистент
2009
Реферат
Дипломна робота містить: 54 стор.,
27 рис., 9 табл., 12 джерел.
Досліджувались особливості
залежності заряду перемикання від прямого струму для епітаксіальних та
дифузійних p-i-n структур різних типів та розмірів.
Метою роботи є виявлення особливості залежності 
та порівняти їх з аналогічною
залежністю для дифузійних структур.
Завдання: вивчити фізику перехідних процесів в
н/п діодах; освоїти установку для дослідження Qп; вивчити методику виміру Qп;
виконати вимірювання та одержати графіки залежностей
,
,
,
та
; провести
аналіз отриманих результатів.
ДІОД, ЧАС ЖИТТЯ, ЗАРЯД ПЕРЕМИКАННЯ, ПЕРЕХІДНІ
ПРОЦЕСИ, ПРЯМІЙ СТРУМ, ЗВОРОТНИЙ СТРУМ, НЕРІВНОВАЖНІ НОСІЇ ЗАРЯДУ, P-N ПЕРЕХІД,
РЕЖИМ ПЕРЕМИКАННЯ, РЕКОМБІНАЦІЯ, ІМПУЛЬС, АМПЛІТУДА
Зміст
Реферат
Перелік умовних позначок,
символів, одиниць, скорочень і термінів
Вступ
1 Напівпровідниковий діод
1.1 Загальні відомості
1.2 Вах напівпровідникового
діода
1.3 P-i-n структури
2 Робота напівпровідникового
діода в режимі перемикання
2.1 Фізичний механізм
перемикання
2.2 Заряд перемикання
3 Особливості перемикання для
діодів різних конструкцій
3.1 Сплавні діоди
3.2 Точкові діоди
3.3 Дифузійні діоди
3.4 Епітаксіальні діоди
4 Експерименти по визначенню
заряду перемикання досліджуваних діодів
4.1 Експериментальна установка
4.2 Методика експерименту
5 Отримані результати та їх аналіз
6 Охорона праці
Висновки
Перелік посилань
Перелік умовних позначень, символів,
одиниць, скорочень і термінів
Н.Н.З. - нерівноважні носії заряду
iзв -зворотний струм
iпр -прямий струм
Qп - заряд перемикання
- накопиченний
заряд
d- діаметр структури
t
- час життя н.н.з.
Вступ
Прогрес найважливіших областей нової техніки в
значній мірі зобов’язаний напівпровідниковій електроніці. Успіхи останньої
базуються на досягненнях техніки та технології одержання напівпровідникових
кристалів високого ступеня чистоти і структурної досконалості, а також на
підвищенні ефективності лабораторного та промислового контролю їх якості.
При контролюванні напівпровідникових виробів
розглядаються їх електрофізичні параметри, до яких відносяться концентрація
основних та неосновних носіїв заряду, рухливість і коефіцієнт дифузії основних
та неосновних носіїв заряду, час життя нерівноважних носіїв заряду та
концентрація донорних та акцепторних домішок.
Одним з найважливіших параметрів напівпровідникових
матеріалів є час життя нерівноважних носіїв заряду.
Методи виміру часу життя нерівноважних носіїв
заряду є основними методами контролю якості напівпровідникових матеріалів і
структур, що містять p-n перехід, на основі яких виготовляють різні види
напівпровідникових приладів і мікросхем, а також складають основу багатьох
експериментальних методів дослідження в області фізики напівпровідників.
1. Напівпровідниковий діод
1.1 Загальні відомості
Напівпровідниковим діодом називають нелінійний
електронний прилад з двома виводами. Діод частіше всього має структуру, на
основі p-n переходу (рис1.1,а), іноді на основі випрямляючого контакту
метал-напівпровідник (рис1.1,б). Окрім випрямляючого контакту у
напівпровідниковому діоді з p-n переходом або з гетеропереходом повинно бути ще
два невипрямляючих контакти, завдяки яким область напівпровідника з'єднується з
виводами. Якщо в діоді застосовано випрямляючий контакт метал - напівпровідник,
тоді невипрямляючий контакт всього один.
Рисунок 1.1 - Структури
напівпровідникових діодів: а) -з p-n переходом; б) -з випрямляючим контактом
метал-напівпровідник; В-випрямляючий контакт; Н- невипрямляючий контакт
В багатьох випадках
напівпровідникові діоди роблять несиметричними, тобто концентрація домішок в
одній з областей значно більша, ніж в іншій.
Отже, кількість неосновних носіїв,
що інжектуються з сильно легованої області до слабо легованої(бази), значно
більша, ніж в протилежному напрямку.
По типу матеріалу діоди поділяються
на дві основні групи: кремнієві та германієві. Кремнієві діоди мають ряд
суттєвих переваг порівняно з германієвим, оскільки фізичні властивості кремнію
дозволяють одержувати p-n перехід з великою допустимою зворотною напругою; для
кремнієвих діодів це напруження складає 1000…1500В,а для германієвих -100…400В.
Існують також діоди на основі
контакту метал - напівпровідник (діод Шотки), на основі p-n переходу та p-i-n
діоди. Ми розглядатимемо тільки два останні класи.
Основна область застосування
діодів-схеми випрямляючих пристроїв. Окрім того, діоди широко використовуються
в різних схемах автоматики, електроніки, радіотехніки і т.д.
1.2 ВАХ напівпровідникового діода
Залежність постійного струму через
напівпровідниковий діод від напруги, або вольт - амперна характеристика
звичайно має вид, що показаний на рис.1.2
Рисунок 1.2 - Вольт - амперна
характеристика напівпровідникового діода
Вид вольт - амперної характеристики
визначається багатьма факторами, відносний вплив яких розрізняється в
залежності від конструкції діода, властивостей напівпровідникового матеріалу,
стану поверхні напівпровідника, температури зовнішнього середовища і т.д.
При нульовій зовнішній напрузі на
діоді з p- n переходом в області переходу існує потенційний бар’єр, завдяки
якому струм дрейфу та дифузії урівноважують один одного. Якщо до виводів діода
прикласти зовнішню напругу, то рівновага буде порушена. Дисбаланс, що виникає
між струмом дифузії та струмом дрейфу, викличе рух носіїв заряду через перехід.
Якщо прикладена напруга буде знижувати різність потенціалів в області переходу,
тоді струм дрейфу зменшиться і буде переважати струм дифузії дірок і електронів
через перехід. В цьому випадку кажуть, що діод має пряме зміщення. Якщо ж
прикладена напруга підвищує різницю потенціалів на переході, то буде лише невеликий
струм насичення, зобов’язаний своєю появою народженню електронно - дірочних пар
біля переходу внаслідок термогенерації. Діод при цьому знаходиться у стані
зворотного зміщення.
ВАХ p-n діода описується виразом:
,(1.1)
- при U
100мВ:
(1.2)
- при U
-100мВ:
(1.3)
1.3 P-i-n структури
У діоді з p-i-n структурою при прямому зміщенні
відбувається інжекція дірок із р+-шару та електронів із n+-шару в і-область
/подвійна інжекція/. Інжектовані дірки, дифундуючи крізь базу, частково
рекомбінують з електронами, а їх залишок переходить в n+-область, де
рекомбінація завершується швидше, внаслідок великої концентрації електронів.
Аналогічно відбувається рух інжектованих електронів з n+-області через базу в
р+-область.
Досить широке використання знайшли перемикаючі
p-i-n діоди, за допомогою яких вдається керувати порівняно високими рівнями СВЧ
потужності. Схема найпростішої p-i-n структури зображена на рис.1.3.
Рисунок 1.3 - Схема структури p-i-n
діода
Напівпровідник дійсно і-типа
отримати практично неможливо; як би ретельно не очищався Si, в ньому завжди
залишиться певна ,хай і невелика кількість домішки.
Кремній, з якого виготовляють p-i-n діоди, майже
завжди р-типу, концентрація акцепторів в ньому дуже мала -
.Концентрація
донорів в n- області і акцепторів в р- області перевищують
.Структура,
що зображена на рис.1.3, використовується в потужних p-i-n діодах з товщиною і-
області 10…400 мкм та з площею від долей до одиниць квадратного міліметра.
При аналізі принципу дії перемикаючих діодів
викликають інтерес в першу чергу два крайніх випадки. Перший з них - режим
прямого зміщення, коли через діод проходить прямий струм та опір
напівпровідникової структури діода малий. Другий випадок - режим зворотного
(або нульового) зміщення, характеризується великим опором структури діода.
Перехід з одного режиму до іншого виконується стрибком. Такі перемикаючі режими
роботи характерні майже для всіх видів пристроїв, де використовуються
перемикаючі діоди.
В режимі прямого зміщення значно збільшується
ємність структури, що означає зменшення її опору на СВЧ. Тому при прямому
зміщенні цю ємність можна не враховувати і еквівалентна схема діода приймає
вигляд, показаний на рис.1.4,а
Рисунок 1.4 - Еквівалентні схеми перемикаючого
діода
Опір
в цій схемі - прямий опір втрат
перемикаючого діоду - є одним з параметрів, що характеризують якість
перемикання діода. Значення
залежить від струму прямого
зміщення.
Еквівалентна схема для зворотного та нульового
зміщення зображена на рис.1.4,б. ЇЇ також можна представити і у вигляді
паралельної схеми рис.1.4,в. Обидві ці схеми повністю рівноцінні - при
однаковій напрузі та частоті струм на вхідних затискачах має однакові амплітуду
і фазу. Опір
- зворотній
опір втрат перемикаючого діода для послідовної еквівалентної схеми, а
- зворотній
опір втрат для паралельної схеми. Ці опори - параметри перемикаючого діода , що
характеризують його якість.
ВАХ тонкої p-i-n структури описується виразом:
(1.4)
Р-i-n структури можуть бути виготовлені за епітаксіальною
технологією, за дифузійною технологією, або за їх комбінацією.
2. Робота напівпровідникового діода в режимі
перемикання
2.1 Фізичний механізм перемикання
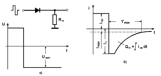
Під впливом позитивної вхідної напруги через
діод протікає прямий струм, величина якого визначається амплітудою імпульсу,
опором навантаження і прямою провідністю діода (рис. 2.1). У момент, коли
вхідна напруга змінює свою полярність, можна було б очікувати, що струм через
діод також миттєво змінить свій напрямок, а по величині буде дорівнювати
статичному зворотному струмові діода iзв. Однак практично, у перший момент
спостерігається різке збільшення зворотного струму через діод i1 , і лише
поступово з плином часом він зменшується до значення, рівного iзв.
Рисунок 2.1- Схема перемикання й осцилограми
вхідної напруги і струму через діод
Наслідком перехідного процесу, що
спостерігається, є ефект нагромадження і розсмоктування нерівноважних носіїв
заряду в базі діода. Тривалість етапу розсмоктування прямо пропорційна часу
життя дірок у базі і залежить від співвідношення прямого iпр і зворотного iзв
струмів, що проходять через діод. З ростом iпр заряд, накопичений у базі дірок,
зростає, що при незмінному струмі iзв приводить до збільшення tроз. При
незмінному струмі iпр час розсмоктування тим менше, чим більше зворотний струм
iзв. Тривалість tроз можна визначити з наступного трансцендентного рівняння:
, (2.1)
де
- функція
помилок (error function).(2.2)
Рисунок 2.2-Схема діода та вид
розподілу рівноважних концентрацій носіїв заряду в p- та n- областях (а);
розподіл дірок у різні моменти після перемикання (б)
Відомо, що при подачі на діод рис.
2.2, а прямого зсуву p-n перехід інжектує в область бази дірки, що під дією
дифузії переміщаються в напрямку базового омічного контакту. У процесі дифузії
частина інжектованих дірок рекомбінує з електронами бази, тому концентрація
надлишкових дірок зменшується в міру віддалення від р-n переходу. При тривалому
протіканні прямого струму процес рекомбінації дірок у базі врівноважується
їхньою інжекцією р-n переходом. Виникає деякий сталий стан, що характеризується
таким розподілом дірок, , який на рис. 2.2, б зображений кривою при t = 0.
Повна кількість дірок у базі діода при протіканні прямого струму значно більше,
ніж у випадку, коли струм через діод не протікає. Відбувається накопичення
дірок або, оскільки дірки можна вважати зарядженими частками, накопичення
заряду. При зсуві р-n переходу в зворотному напрямку дірки з базової області
безперешкодно переходять у р - область. Величина виникаючого унаслідок цього
зворотного струму залежить від концентрації дірок біля р-n переходу з боку
бази. Чим більше ця концентрація, тим більше і зворотний струм, при цьому
байдуже, що з'явилося причиною зростання числа вільних дірок - вплив світла,
підвищення температури або ефект накопичення заряду.
Концентрація накопичених дірок
поблизу р-n переходу звичайно досить велика, і велика також швидкість їхнього
переміщення в р-область, тому при різкому перемиканні прикладеної до діода
напруги через нього міг би протікати значний (теоретично нескінченний)
зворотний струм. Іншими словами, відразу після перемикання р-n перехід має
нульовий опір.
Завдяки наявності обмежуючого опору
Rн зворотній струм через діод відразу після перемикання не може бути
нескінченно великим, а дорівнює
, (2.3)
де Uімп - амплітуда імпульсу зворотної напруги
на вході схеми рис.2.2, а.
В міру протікання зворотного струму кількість
надлишкових дірок у базі зменшується як за рахунок їхнього витягування в
р-область, так і внаслідок процесу, що неприпиняється - рекомбінації з
електронами.
Розподіл концентрації дірок у різні моменти часу
після перемикання показано на рис. 2.2, б. Доти, поки концентрація дірок в
точці з координатою x = 0 не знизиться до нуля, через р-n перехід протікає
великий зворотний струм, який обмежується лише опором навантаження. Надалі
зворотний струм зменшується, досягаючи з часом значення, рівного iзв.
Таким чином, перехідна характеристика діода при
перемиканні його з прямого напрямку на зворотний містить в собі дві фази: фазу
постійного зворотного струму (або фазу високої зворотної провідності) і фазу
спаду (або відновлення) зворотного струму.
2.2 Заряд перемикання
Заряд перемикання - повна величина заряду, що
переноситься перехідним зворотнім струмом після перемикання діода з певного
прямого струму на імпульсну зворотну напругу.
Вимірювання заряду перемикання виконується за
допомогою схеми, яка зображена на рис 2.3
Рисунок 2.3 - Спрощена схема
установки для вимірювання заряду перемикання
Коли імпульс від генератора імпульсів зворотної
напруги (ГІЗН) не надходить, тоді через діод проходить постійний прямий струм
від джерела постійної напруги
. При проходженні прямого струму у
діоді відбувається накопичення заряду.
Генератор ГІЗН виробляє імпульси напруги, які
подаються на діод у зворотному напрямі. Амплітуда імпульсів та їх тривалість
підібрані таким чином, щоб за час імпульсу зворотній струм діода міг повністю
скомпенсувати накопичений в діоді заряд. Частота проходження імпульсів
обирається настільки низкою, щоб за час між імпульсами в діоді встиг
накопичитися заряд.
За час проходження в дослідженому діоді (ДД)
прямого струму до роз’єднувального діода (
) напруга прикладена у прямому
напрямі, тоді
пройде і
через
. В той
самий час роз’єднувальний діод
зачинений, тому що до нього напруга
прикладена у зворотному напрямі. Напрям прямого струму вказаний стрілкою. Під
час дії імпульсу зворотної напруги відчиняється
і зачиняється
. У цьому
випадку
проходить
через
. Щоб
накопичення заряду в
і
не заважало
роботі пристрою, використовують спеціальні імпульсні діоди , в яких накопичений
заряд дуже малий.
Зворотній струм проходить через конденсатор та
заряджає його. Заряд, отриманий конденсатором за час імпульсу, дорівнює заряду,
який до початку зворотного імпульсу мав ДД. Опір мікроамперметра не викривляє
процес передачі заряду від діода до конденсатора, так як він великий. Коли
імпульс зворотної напруги закінчиться, то напруга на
знов стає
зворотною та коло, яке складалось з конденсатора та мікроамперметра , як би
відключається від іншого кола. У конденсатора залишається лише один шлях для
розряду - через мікроамперметр.
В якості мікроамперметра використовують прилад
постійного струму магнітоелектричної системи. Такі прилади показують середнє
значення струму, який змінюється в часі. Заряд перемикання дорівнює середньому
значенню струму розряду
, який
проходить через мікроамперметр, поділеному на частоту проходження імпульсів
.
Наведена на рис.2.3 схема зручна для пояснення
принципу вимірювання заряду перемикання, але є спрощеною. Реальна схема, яку
зображено на рис.2.4, дещо відрізняється .
Рисунок 2.4 - Схема установки для
вимірювання заряду перемикання
По-перше, наявністю опору
і ємністю
в колі
зворотної напруги. Опір
призначений
для забезпечення вихідного опору джерела зворотної напруги в межах, визначених
стандартом [5] . Ємність
не дозволяє
постійному струму від джерела постійної напруги Е проникнути в генератор
імпульсів зворотної напруги, тобто розділяє кола постійного та імпульсного
струмів. Опір
визначає
величину прямого струму
, при якому
проводиться вимір заряду перемикання . Ємність
- це паразитна ємність монтажу в
точці А. Ємність
тотожня
ємності С в схемі рис 2.3.
3. Особливості перемикання для діодів різних
конструкцій
Імпульсними називають такі напівпровідникові
діоди, які завдяки спеціально прийнятим конструктивно - технологічним заходам
можуть працювати в швидкодіючих імпульсних схемах з часом перемикання 1 мксек і
менш.
Основною причиною інерційності
напівпровідникових діодів при роботі їх в режимі перемикання є ефект
накопичення нерівноважних носіїв заряду поблизу p-n переходу. Вивчення основних
фізичних закономірностей, пов’язаних з цим ефектом, дозволяє розрахувати
інерційність діода в тій чи іншій схемі й знайти технологічні шляхи, які
дозволять зменшити ефект накопичення й підвищити швидкодію діода. Крім того,
важливу роль в інерційності діода грає бар’єрна ємність p-n переходу. Оскільки
мале значення бар’єрної ємності є типовим і для високочастотних діодів, у ряді
випадків окремі типи цих приладів з успіхом використовуються в імпульсних
схемах. Відомо, що роль ефекту накопичення нерівноважних носіїв заряду слабшає
при зменшенні їх часу життя. Зниження величини бар’єрної ємності досягається
зменшенням площі p-n переходу.
Таким чином, головні ознаки, що відрізняють
імпульсні діоди від інших діодів, - це мала площа p-n переходу та малий час
життя нерівноважних носіїв заряду.
За способом виготовлення p-n переходу імпульсні
діоди поділяються на точкові, сплавні, дифузійні та епітаксіальні.
3.1 Сплавні діоди
Отримання електронно - діркових переходів
сплавленням - найбільш простий метод виготовлення германієвих та кремнієвих
діодів. Перевагою цього методу є відносно простий технологічний процес, який не
потребує дорогокоштуючого обладнання, а недоліками - великий розкид параметрів
та обмежений частотний діапазон приладів.
Процес сплавлення полягає в тому, в
напівпровіднику даного типу провідності створюється область протилежного типу
провідності. Для цього у поверхню початкового кристала напівпровідника
вплавляють який - небудь елемент III або V групи періодичної таблиці Д.І.
Мендєлєєва. Елементи III групи (індій, алюміній, галій, бор) є акцепторами і
при сплавленні з електронним напівпровідником утворюють область з дірковим
типом провідності. Елементи V групи (сурма, миш’як, фосфор, вісмут ) є донорами
і при сплавленні з дірковим напівпровідником утворюють область з електронним
типом провідності.
На рис.3.1, зображений сплавний діод.
Рисунок 3.1- Конструкція p-n
переходу сплавних діодів
Так, при створенні кремнієвих
сплавних імпульсних діодів у кристал кремнію вплавляється кінець тонкої
алюмінієвої проволоки. Після охолодження у місці спаю створюється дуже тонкий
шар кремнію, збагачений алюмінієм, який ще й має той самий напрямок
кристалографічних осей, що й вихідний монокристал. Цей шар називається
рекристалізованим. Границя між вихідним монокристалом електронної провідності й
сильно легованим р- шаром являє собою p-n перехід.
При створенні аналогічних
германієвих діодів замість методу сплавлення у печі використовують метод
імпульсної зварки. До кристалу германія ,закріпленого на балоні , підводиться
тонка золота голка і через отриманий контакт пропускають імпульс струму великої
амплітуди. Завдяки низькій температурі плавлення сплава золото- германій (~370ºС)
кінець золотої голки зварюється з германієм. Описанні діоди отримали назву
діодів з золотим зв’язком.
У більшості випадків дифузійна довжина
носіїв
заряду у базі дуже мала (не більше 20-30мкм),так що радіус кривизни фронта
вплавлення значно перевищує величину
.Тому можна вважати, що сплавні
діоди являють собою прилад з плоским p-n переходом.
Важливою характеристикою перехідного процесу в
діоді є величина заряду перемикання Qп, що дорівнює повному електричному
зарядові, відданому діодом у зовнішнє коло після перемикання і складає частину
накопиченого при протіканні прямого струму заряду
.
Якщо у колі тече великий струм (
), тоді для
сплавних діодів заряд перемикання дорівнює:
(3.1)
У площинного сплавного діода
, тоді
(3.2)
При зменшенні струму
величина
зменшується.
Залежність
від режиму
перемикання при виконуванні нерівності 0,1 <
<1 може описана наступною
формулою:
(3.3)
У випадку сплавного діода з товстою базовою
областю (
) тривалість
фази постійного зворотного перехідного струму
, тобто тривалість плоскої частини
імпульсу зворотного струму(«полички»), визначається виразом:
,(3.4)
де
- функція
помилок (error function).(3.5)
Величина t1 пропорційна
, а також
залежить від відношення
. Для
великих і малих значень i1 використовуючи формули розкладання інтеграла помилок
у ряд, можна одержати вирази, що визначають t1 у явному виді.
З 10%-ною точністю, при
> 1
маємо:
,(3.6)
тоді час життя можна визначити так:
(3.7)
За умови 0,01<
< 0,2 :
(3.8)
тоді час життя можна визначити так:
(3.9)
3.2 Точкові діоди
Точковими називають такі напівпровідникові
діоди, в яких розміри випрямляючого контакту значно менші за відстань до
невипрямляючого контакту.
Частотні характеристики діодів поліпшуються зі
зменшенням площі випрямляючого контакту та при зниженні часу життя неосновних
носіїв заряду. В діапазоні десятків і сотень мегагерц в якості достатньо
ефективних випрямлячів практично можуть використовуватися лише точкові діоди,
для яких характерна мала площа випрямляючого контакту(
і менше ).
В точкових діодах випрямляючий контакт
створюється шляхом притиснення жорсткої загостреної голки зі сплаву вольфраму з
молібденом до заздалегідь очищеної поверхні кристалу напівпровідника
електронної провідності. Розмір кристалу, як правило, складає 1 х 1 х 0,2мм. Радіус
області дотику голки з германієм звичайно не перевищує 5-7мкм.
Рисунок 3.2 - Конструкція p-n
переходу точкових діодів
Оскільки вольт-амперна
характеристика притискного контакту нестабільна, після герметизації зібраного
діода проводять електроформовку- пропускання через притискний контакт
електричних імпульсів великої потужності. Під дією цих імпульсів приконтактна
область напівпровідника дуже розігрівається , і безпосередньо під вістрям голки
створюється невелика по розмірам р- область.
У деяких випадках для поліпшення
характеристик діода на вістря контактної голки наносять домішку, яка утворює
акцепторні центри у германії та кремнії. Такі діоди відрізняються великими
розмірами р- області і значно більшою прямою провідністю, ніж чисто точкові
діоди.
При виготовленні точкових діодів
іноді використовують германій зі зниженим часом життя нерівноважних носіїв, але
частіше використовують стандартні марки напівпровідників, так як в процесі
електроформовки завдяки сильному термічному впливу час життя носіїв заряду у
приконтактній області падає. Але, навіть, при дуже малому часі життя дифузійна
довжина все ще перевищує декілька мікрометрів і, як привило, виявляється більше
радіуса випрямляючого контакту. По цій причині інерційність точкових діодів
залежить не тільки від часу життя нерівноважних носіїв заряду , але й в
більшому ступені від геометричних розмірів випрямляючого контакту.
Для точкових діодів заряд
перемикання дорівнює:
(3.10)
Якщо вважати, що в точковому діоді p-n перехід
має вигляд півсфери радіуса
, тоді при
тривалість
«полички» у 3 рази, а при
- у 6 разів
менше розрахованої за формулою:
,(3.11)
де
- функція
помилок (error function).(3.12)
При дуже малих значеннях
(при
) можна використовувати
наступну формулу:
,(3.13)
яка дозволяє оцінити порядок величини
при
. Цікаво
відзначити, що відповідно до останньої формули величина t1 визначається лише
радіусом точкового контакту і не залежить від часу життя дірок.
3.3 Дифузійні діоди
Проникнення атомів однієї речовини між атомами
іншої називається дифузією. Процеси дифузії підкоряються двом законам Фіка.
Перший закон Фіка характеризує швидкість
проникнення атомів однієї речовини в іншу при постійному в часі потоці цих
атомів та незмінному градієнті їх концентрацій:
, (3.14)
де
- вектор густини потоку атомів
речовини;
D - коефіцієнт пропорційності;
- вектор
градієнта концентрації дифузійних атомів.
Коефіцієнт дифузії D визначає величину густини
потоку атомів речовини при заданому градієнті концентрацій. Так як дифузійний
потік атомів речовини іде в напрямку перепаду концентрацій, то коефіцієнт D
є мірою
швидкості, з якою система здатна при вказаних умовах зрівняти різницю
концентрацій. Ця швидкість залежить тільки від рухливості дифундуючих атомів у
решітці напівпровідника. Швидкість дифузії залежить лише від кристалографічного
напрямку.
Другий закон Фіка визначає швидкість накопичення
розчиненої домішки у будь - якій площини, перпендикулярній напрямку дифузії:
, (3.15)
де
- змінення концентрації дифундуючої
речовини з часом.
Якщо коефіцієнт D можна вважати постійним, тоді
рівняння дифузії має вигляд:
; (3.16)
Це припущення справедливе у більшості практичних
випадків дифузії у напівпровідниках.
Широке розповсюдження отримали дифузійні діоди.
У цих приладах використовується метод дифузії донорних або акцепторних домішок
в твердий напівпровідник. Проникаючи на деяку глибину під поверхню, дифундуючі
атоми змінюють тип провідності цієї частки кристалу, внаслідок чого виникає p-n
перехід (рис.3.3)
Рисунок 3.3 -Конструкція p-n
переходу меза - дифузійних діодів
Методами фотолітографії формують
вікна в шарі діоксіду кремнія. Через ці вікна шляхом дифузії проводять
селективне введення легуючої домішки у приповерхневу область монокристалічної
кремнієвої підкладки. Дифузія домішок у напівпровідник веде до утворювання p-n
переходу на межі дифузійної області. Оскільки дифузія проходить не тільки в
напрямку, перпендикулярному поверхні підкладки, але й в бокових напрямках, під
край окисної маски, на поверхню підкладки p-n перехід виходе не на межі вікна,
а в області, віддаленій від цієї межі на відстань, яка приблизно дорівнює
глибині залягання p-n переходу в середній частині вікна. Це виключає можливості
потрапляння до області p-n переходу забруднень через вікна.
Швидкість дифузії визначається
температурою, при якій проходить процес, і хімічним складом (типом) домішки.
Процеси дифузії проводять в електропечах при температурі: для Si при 1000…1300ºС
, а для GaAs 600 … 900 ºС.
Дифузійний процес займає не більш декількох часів. Після охолодження до
нормальної температури швидкість дифузійного процесу настільки сповільнюється,
що напівпровідникові пластини постійно зберігають концентрацію та глибину
залягання введеної домішки.
Для одного й того ж вихідного матеріалу
при заданій температурі дифузії глибина залягання p-n переходу залежить від
часу дифузії. Чим більше час дифузії , тим глибше залягає p-n перехід
(1…50мкм). Чим глибше залягає p-n перехід, тим вище пробивна напруга діода.
Таким чином, змінюючи режими дифузії, можна отримати p-n перехід з необхідною
пробивною напругою.
Окрім того, в дифузійних структурах
завдяки плавному зміненню концентрації домішки в області p-n переходу і більш
широкої області об’ємного заряду питома ємність(тобто ємність на одиницю площі
випрямляючого контакту) є меншою, ніж в структурах, отриманих за сплавною
технологією.
Характерною особливістю дифузійних
діодів є наявність внутрішнього гальмуючого поля в базі біля p-n переходу, яке
зумовлене нерівномірним
розподілом іонізованих домішок.
Внаслідок цього накопичення дірок при протіканні прямого струму має місце
тільки поблизу p-n переходу, оскільки гальмуюче поле перешкоджає їх дифузії в
віддалені області бази. Загальна кількість накопичених дірок при цьому не
змінюється та їх заряд дорівнює:
.(3.17)
Важливим конструктивним параметром цих діодів є
величина гальмуючого поля, яка визначається виразом:
(3.18)
де а - градієнт концентрації,
N - концентрація іонізованої домішки у даній
точці бази.
Ступінь впливу гальмуючого поля на вигляд
перехідного процесу визначається співвідношенням величини цього поля з
дифузійною довжиною дірок в базі
; для кількісної оцінки
використовується безрозмірний коефіцієнт , який дорівнює:
(3.19)
У дифузійних діодах тривалість фази високої
зворотної провідності
більш, ніж у
сплавних діодах , а тривалість фази спаду зворотного струму
менш. У
деяких типів дифузійних діодів перехідна характеристика перемикання має майже
прямокутний вид.
Подібні прилади, що одержали назву діодів з
накопиченням заряду(ДНЗ), знаходять все більш широке використання в ряді
оригінальних електронних схем, де вони є майже головними активними елементами.
При створенні діодів з накопиченням заряду для
отримання прямокутної перехідної характеристики прагнуть максимально збільшити
величину
гальмуючого
поля. В реальних ДНЗ величина
, як правило, більше 5.
У дифузійних діодів тривалість плоскої частини
імпульсу зворотного струму завжди більше, ніж у сплавних з таким же часом життя
дірок. У граничному випадку, коли гальмуюче поле в базі дифузійного діода
велике, маємо що
,(3.20)
тоді для часу життя маємо:
. (3.21)
Звідси можна зробити висновок, що розходження
між сплавними і дифузійними діодами стають значними при таких режимах
перемикання, коли i1 > iпр і тривалість полички мала.
Заряд перемикання у дифузійних діодів, при
,
справедлива наближена формула:
, (3.22)
3.4 Епітаксіальні діоди
Слово «епітаксія» має грецьке походження: «епі»
означає «на» і «таксіс» - «розташовано в порядку». Епітаксією називають метод
вирощування шляхом хімічної реакції на поверхні кристалу тонких шарів
напівпровідникових матеріалів зі збереженням кристалічної структури первинного
кристалу. Таким методом на поверхні сильнолегованої низькоомної підкладки
вирощують високоомні епітаксіальні шари, добиваючись бажаних електричних
властивостей та механічної міцності.
Епітаксіальний метод виготовлення
напівпровідникових приладів відрізняється від дифузійного тим, що в ньому не
відбувається змін фізичних властивостей основного матеріалу підкладки.
Використовуючи епітаксіальну технологію, можна отримувати на одній підкладці
декілька поверхневих шарів, товщина та опір яких легко регулюється.
Для отримання низького опору бази діода
первинний кристал напівпровідника обирають з меншим питомим опором. Однак при
цьому
виходить мала ширина p-n переходу, мала пробивна
напруга і велика бар’єрна ємність. Щоб уникнути цього, базу діода іноді роблять
двошаровою(рис3.4).
Рисунок 3.4 - Епітаксіально -
дифузійний планарний діод
Епітаксіальні шари можна отримувати методом
вирощування з газової фази або напиленням у вакуумі. При осадженні речовини з
газової фази початковим матеріалом служат тетрахлорід (
) і
тетрабромід (
) кремнія,
трихлорсілан (
) та інші
з'єднання, які відновлюються воднем, який одночасно виконує роль газа-носія.
Основна реакція, за допомогою якої на підкладці
нарощують кремнієві шари, складається з відновлення тетрахлорсілана в водні:
(твердий) +
4HCl (газ).
Звичайно кремнієві шари вирощують зі швидкістю
при
температурі 1200ºС й
вище.
Напилення шарів у вакуумі полягає у принципі
локального нагріву та випаровуванні напівпровідника і легуючої речовини з
подальшим осадженням їх парів на нагріті підкладки.
Також широко використовується рідинна епітаксія.
Епітаксіальні p-i-n структури можуть
виготовлятися двома способами. Структури з товщиною бази 100 мікрометрів і вище
виготовляються шляхом епітаксіального нарощування p+ шару на одну сторону і n+
шару на другу сторону високоомної підкладки, яка надалі виконує роль бази.
Структури з тонкими базами виготовляють шляхом нарощування на товстій n+ або p+
підкладці тонкого високоомного базового шару, а потім p+ або n+ шари. У
будь-якому випадку характерним для епітаксіального процесу є те, що профіль
легування нарощуваних шарів однорідний, перехід від шару до шару різкий, не
симетричний , гальмуюче поле в базі, яке присутнє в дифузійних структурах,
відсутнє. Тому в режимі перемикання епітаксіальні структури поводяться як
площинні сплавні діоди, тобто для них справедливі вирази (3.2),(3.7),(3.9).
4. Експерименти по визначенню заряду перемикання
досліджуваних діодів
4.1 Експериментальна установка
Для виконання експериментальних робіт
використовується установка, схема якої зазначена на рис 4.1
Рисунок 4.1 - Лабораторна установка
для виміру заряду перемикання Qп і спостереження осцилограм напруги і струму
при перемикання діода з прямого струму на зворотну напругу
Оскільки основним завданням роботи є вимірювання
заряду перемикання, то всі вимірювання приводились при замкнутому ключі
, та ключі
переведеному
в положення А. В якості діодів
і
використовуються діоди КД510.
Розраховані на максимально постійному прямому струмі 200 мА та на прямому
імпульсному струмі 1,5 А.
Вимірювання заряду перемикання, як відомо,
передбачає виведення накопиченого в досліджуваному діоді заряду в зовнішнє коло
необмежено великим струмом при опорі зовнішнього кола близько "0".
Наявність конденсатора
у
вимірювальній схемі дійсно зводить опір зовнішнього кола в момент виведення
накопиченого заряду практично до "0". Але за законом Ома струм у колі
навіть при нульовому опорі зовнішнього кола не є нескінченим, а визначається
внутрішнім опором джерела ЕРС, в нашому випадку це емітерний підсилювач - блок
, з вихідним
опором 50 Ом. Тому при максимальній вихідній напрузі 50 В, максимальний струм у
колі не буде перевищувати 1 А, що узгоджується з параметрами досліджу вального
діода.
4.2 Методика експерименту
Переводимо лабораторну установку в режим виміру
заряду перемикання: ключ К1 в положення «ВКЛ», ключ К2 у положення «А».
Встановлюємо досліджуваний діод або p-i-n
структуру.
Вибираємо таку частоту імпульсів зворотної
напруги, щоб середній зворотній струм можна було виміряти з достатньою
точністю.
Для інтервалу прямих струмів від 10 до 120 мА з
кроком 10 мА вимірюємо зворотній середній струм та обчислюємо значення
за
формулою:
.
Будуємо на комп’ютері за допомогою програми
Advanced Grapher графік залежності заряду перемикання від прямого струму
.
Виконуємо апроксимацію залежності
.
Якщо лінія апроксимації (при
) перетинає
вісь
не в
нульовій точці, а при якомусь значенні
, вносимо поправку на ці величини в
таблиці значень.
За отриманими поправленими значеннями
обраховуємо величину ефективного часу життя
,
будуємо графіки залежності
та
відносної зміни часу життя

,
де
- час життя при початковому струмі
діапазону вимірювань.
5. Отримані результати та їх аналіз
Експериментальні дані були отримані для
вітчизняних діодів марки КД202, Д226Б, Д242Б та для p-i-n структур, отримані
для заряду перемикання та часу життя (рис. 5.1).
Таблиця 5.1-Експериментальні данні
|
Прямий струм, мА
|
Середній зворотний струм,мкА, заряд
перемикання, нКл та час життя, мкс
|
|
КД242 (f=160Гц)
|
КД202 (f=160Гц)
|
Д226 (f=5000Гц)
|
|
τ τ τ
|
|
|
|
|
|
|
10
|
219
|
21,9
|
150
|
15
|
10
|
1
|
|
20
|
435
|
21,75
|
297
|
14,85
|
19
|
0,95
|
|
30
|
640
|
21,33
|
438
|
14,6
|
28
|
0,93
|
|
40
|
843
|
21,07
|
570
|
14,25
|
36
|
0,9
|
|
50
|
1033
|
20,66
|
696
|
13,92
|
44
|
0,88
|
|
60
|
1222
|
20,36
|
819
|
13,65
|
51
|
0,85
|
|
70
|
1399
|
19,98
|
933
|
13,33
|
58
|
0,83
|
|
80
|
1574
|
19,68
|
1043
|
13,04
|
64
|
0,8
|
|
90
|
1734
|
19,26
|
1143
|
12,73
|
69
|
0,77
|
|
100
|
1893
|
18,93
|
1242
|
12,42
|
74
|
0,74
|
|
110
|
2047
|
18,6
|
1334
|
12,13
|
78
|
0,7
|
|
120
|
2189
|
18,24
|
1419
|
11,83
|
81
|
0,68
|
Рисунок 5.2 -Залежність заряду
перемикання від прямого струму для діодів КД242, КД 202 та Д226
Рисунок 5.3 - Залежність часу життя
від прямого струму для діодів КД242, КД 202 та Д226
Таблиця 5.2 - Відносна зміна часу
життя для діодів Д242, КД202 та Д226
КД242 (f=160Гц)
|
КД202 (f=160Гц)
|
Д226 (f=5000Гц)
|
|
τ,мкс
|
τ,мкс τ,мкс
|
|
|
|
|
|
10
|
21,97
|
1
|
15,08
|
1
|
0,99
|
1
|
|
20
|
21,67
|
0,99
|
14,8
|
0,98
|
0,96
|
0,97
|
|
30
|
21,34
|
0,97
|
14,52
|
0,96
|
0,93
|
0,94
|
|
40
|
21,01
|
0,96
|
14,23
|
0,94
|
0,9
|
0,9
|
|
50
|
20,69
|
0,94
|
13,95
|
0,93
|
0,88
|
0,89
|
|
60
|
20,35
|
0,93
|
13,65
|
0,9
|
0,85
|
0,86
|
|
70
|
20
|
0,91
|
13,35
|
0,89
|
0,82
|
0,83
|
|
80
|
19,66
|
0,89
|
13,05
|
0,87
|
0,8
|
0,8
|
|
90
|
19,3
|
0,88
|
12,75
|
0,85
|
0,77
|
0,77
|
|
100
|
18,95
|
0,86
|
12,43
|
0,83
|
0,74
|
0,75
|
|
110
|
18,59
|
0,85
|
12,13
|
0,8
|
0,7
|
0,7
|
|
120
|
18,22
|
0,83
|
11,8
|
0,78
|
0,68
|
0,69
|
Рисунок 5.4 - Залежність відносної
зміни часу життя від прямого струму для діодів КД242, КД 202 та Д226
Таблиця 5.3 - Заряд перемикання та
час життя для дифузійних p-i-n структур
|
Прямий струм, мА
|
Заряд перемикання, нКл та час життя, мкс
|
|
Дифузійні p-i-n структури(f=100Гц)
|
|
Ø10мм
|
Ø5мм
|
Ø3мм
|
Ø1,5мм
|
Ø1,5мм
|
|
τ τ τ τ τ
|
|
|
|
|
|
|
|
|
|
|
10
|
514
|
51,4
|
400
|
40
|
291
|
29,1
|
149
|
14,9
|
127
|
12,7
|
|
20
|
1030
|
51,4
|
795
|
39,75
|
581
|
29,05
|
294
|
14,7
|
253
|
12,65
|
|
30
|
1521
|
50,7
|
1165
|
38,83
|
855
|
28,5
|
432
|
14,4
|
370
|
12,33
|
|
40
|
2013
|
50,33
|
1530
|
38,25
|
1129
|
28,23
|
559
|
13,98
|
485
|
12,13
|
|
50
|
2481
|
49,62
|
1871
|
37,42
|
1388
|
27,76
|
679
|
13,58
|
591
|
11,82
|
|
60
|
2950
|
49,17
|
2207
|
36,78
|
1645
|
27,42
|
795
|
13,25
|
695
|
11,58
|
|
70
|
3406
|
48,66
|
2519
|
35,99
|
1888
|
26,97
|
900
|
12,86
|
790
|
11,29
|
|
80
|
3840
|
48
|
2824
|
35,3
|
2130
|
26,63
|
1001
|
12,51
|
883
|
11,04
|
|
90
|
4262
|
47,36
|
3106
|
34,51
|
2357
|
26,19
|
1092
|
12,13
|
968
|
10,76
|
|
100
|
4683
|
46,83
|
3374
|
33,74
|
2576
|
25,76
|
1176
|
11,76
|
1048
|
10,48
|
|
110
|
5082
|
46,2
|
3635
|
33,05
|
2793
|
25,39
|
1254
|
11,4
|
1124
|
10,22
|
|
120
|
5510
|
45,92
|
3874
|
32,28
|
2997
|
24,98
|
1324
|
11,03
|
1193
|
9,94
|
Рисунок 5.5 - Залежність заряду
перемикання від прямого струму для дифузійних p-i-n структур
Рисунок 5.6 - Залежність часу життя
від прямого струму для дифузійних p-i-n структур
Таблиця 5.4 - Відносна зміна часу
життя для дифузійних p-i-n структур
|
Прямий струм, мА
|
Дифузійні p-i-n структури
|
|
Ø10мм
|
Ø5мм
|
Ø3мм
|
Ø1,5мм
|
Ø1,5мм
|
|
τ,мкс
|
τ,мкс τ,мкс τ,мкс τ,мкс
|
|
|
|
|
|
|
|
|
|
10
|
51,68
|
1
|
40,18
|
1
|
49,24
|
1
|
14,98
|
1
|
12,78
|
1
|
|
20
|
51,2
|
0,99
|
39,53
|
0,99
|
48,19
|
0,98
|
14,65
|
0,98
|
12,56
|
0,98
|
|
30
|
50,7
|
0,98
|
38,85
|
0,98
|
47,09
|
0,97
|
14,3
|
0,95
|
12,32
|
0,96
|
|
40
|
50,19
|
0,97
|
38,16
|
0,96
|
45,98
|
0,95
|
13,95
|
0,93
|
12,08
|
0,95
|
|
50
|
49,68
|
0,96
|
37,47
|
0,94
|
44,88
|
0,93
|
13,61
|
0,9
|
11,83
|
0,92
|
|
60
|
49,14
|
0,95
|
36,76
|
0,92
|
43,73
|
0,92
|
13,25
|
0,88
|
11,57
|
0,9
|
|
70
|
48,59
|
0,94
|
36,03
|
0,91
|
42,57
|
0,9
|
12,88
|
0,86
|
11,31
|
0,88
|
|
80
|
48,05
|
0,93
|
35,3
|
0,89
|
41,42
|
0,88
|
12,52
|
0,84
|
11,05
|
0,86
|
|
90
|
47,48
|
0,92
|
34,55
|
0,88
|
40,22
|
0,87
|
12,14
|
0,81
|
10,77
|
0,84
|
|
100
|
46,9
|
0,91
|
33,78
|
39,01
|
0,85
|
11,77
|
0,79
|
10,49
|
0,82
|
|
110
|
46,32
|
0,9
|
33,03
|
0,83
|
37,82
|
0,83
|
11,39
|
0,76
|
10,21
|
0,8
|
|
120
|
45,71
|
0,89
|
32,23
|
0,82
|
36,57
|
0,79
|
11
|
0,73
|
9,92
|
0,78
|
Рисунок 5.7 - Залежність відносної
зміни часу життя від прямого струму для дифузійних p-i-n структур
Таблиця 5.5 - Заряд перемикання та
час життя для дифузійних p-i-n структур (без освітлення)
|
Прямий струм, мА
|
Заряд перемикання, нКл та час життя, мкс (без
освітлення)
|
|
Дифузійні p-i-n структури(f=160Гц)
|
|
Ø10мм
|
Ø5мм
|
Ø3мм
|
Ø1,5мм
|
Ø1,5мм
|
|
τ τ τ τ τ
|
|
|
|
|
|
|
|
|
|
|
10
|
160,5
|
16,05
|
118,9
|
11,89
|
131
|
13,1
|
52,01
|
5,2
|
36,8
|
3,68
|
|
20
|
314,2
|
15,71
|
231,6
|
11,58
|
254,2
|
12,7
|
99,18
|
4,96
|
71,5
|
3,58
|
|
30
|
468,8
|
15,62
|
343,6
|
11,45
|
375,6
|
12,52
|
145,6
|
4,86
|
105,9
|
3,53
|
|
40
|
620,3
|
15,5
|
452,4
|
11,31
|
492,2
|
12,3
|
189,6
|
4,74
|
141,2
|
3,53
|
|
50
|
765,3
|
15,3
|
555,1
|
11,1
|
601,3
|
12,03
|
230,2
|
4,6
|
170
|
3,4
|
|
60
|
910,8
|
15,18
|
657
|
10,95
|
708,5
|
11,8
|
269,3
|
4,49
|
200,6
|
3,34
|
|
70
|
1053
|
15,04
|
755,5
|
10,79
|
810,6
|
11,58
|
30,58
|
4,37
|
229,9
|
3,28
|
|
80
|
1189
|
14,87
|
848,3
|
10,6
|
910,3
|
11,38
|
339,1
|
4,24
|
257,2
|
3,22
|
|
90
|
1326
|
14,73
|
939,9
|
10,44
|
998,5
|
11,09
|
370,7
|
4,12
|
284
|
3,15
|
|
100
|
1459
|
14,6
|
1028
|
10,28
|
1086
|
10,86
|
399,8
|
3,9
|
309,6
|
3,09
|
|
110
|
1587
|
14,42
|
1111
|
10,1
|
1167
|
10,61
|
425,7
|
3,87
|
333,3
|
3,03
|
|
120
|
1714
|
14,28
|
1191
|
9,93
|
1245
|
10,38
|
449,9
|
3,75
|
356,3
|
2,97
|
Рисунок 5.8 - Залежність заряду
перемикання від прямого струму для дифузійних p-i-n структур(без освітлення)
Рисунок 5.9 - Залежність часу життя
від прямого струму для дифузійних p-i-n структур(без освітлення)
Таблиця 5.6 - Відносна зміна часу
життя для дифузійних p-i-n структур (без освітлення)
|
Прямий струм, мА
|
Дифузійні p-i-n структури (без освітлення)
|
|
Ø10мм
|
Ø5мм
|
Ø3мм
|
Ø1,5мм
|
Ø1,5мм
|
|
τ,мкс
|
τ,мкс τ,мкс τ,мкс τ,мкс
|
|
|
|
|
|
|
|
|
|
10
|
15,97
|
1
|
11,83
|
1
|
13,02
|
1
|
5,15
|
1
|
3,67
|
1
|
|
20
|
15,8
|
0,99
|
11,65
|
0,98
|
12,78
|
0,98
|
5,01
|
0,97
|
3,6
|
0,98
|
|
30
|
15,64
|
0,98
|
11,47
|
0,97
|
12,54
|
0,96
|
4,88
|
0,95
|
3,54
|
0,96
|
|
40
|
15,48
|
0,97
|
11,29
|
0,95
|
12,29
|
0,94
|
4,74
|
0,92
|
3,48
|
0,94
|
|
50
|
15,32
|
0,96
|
11,12
|
0,94
|
12,05
|
0,93
|
4,61
|
0,9
|
3,41
|
0,93
|
|
60
|
15,17
|
0,95
|
10,94
|
0,92
|
11,8
|
0,9
|
4,5
|
0,87
|
3,35
|
0,91
|
|
70
|
15,02
|
0,94
|
10,77
|
0,91
|
11,57
|
0,88
|
4,35
|
0,84
|
3,28
|
0,89
|
|
80
|
14,87
|
0,93
|
10,6
|
0,9
|
11,33
|
0,87
|
4,22
|
0,82
|
3,22
|
0,88
|
|
90
|
14,72
|
0,92
|
10,43
|
0,88
|
11,09
|
0,85
|
4,1
|
0,8
|
3,16
|
0,86
|
|
100
|
14,58
|
0,91
|
10,27
|
0,87
|
10,86
|
0,83
|
3,97
|
0,77
|
3,09
|
0,84
|
|
110
|
14,44
|
0,9
|
10,11
|
0,85
|
10,62
|
0,82
|
3,86
|
0,75
|
3,02
|
0,82
|
|
120
|
14,3
|
0,89
|
9,94
|
0,84
|
10,39
|
0,79
|
3,74
|
0,73
|
2,97
|
0,8
|
Рисунок 5.10 - Залежність відносної
зміни часу життя від прямого струму для дифузійних p-i-n структур(без
освітлення)
Таблиця 5.7 - Заряд перемикання та
час життя для епітаксіальних p-i-n діодів КД524
|
Прямий струм, мА
|
Заряд перемикання, нКл та час життя, мкс
|
|
Епітаксіальні p-i-n діоди КД524 (f=16000Гц)
|
|
№2
|
№4
|
№6
|
№8
|
№10
|
|
τ τ τ τ τ
|
|
|
|
|
|
|
|
|
|
|
10
|
0,26
|
0,026
|
0,287
|
0,029
|
0,304
|
0,03
|
0,226
|
0,023
|
0,295
|
0,03
|
|
20
|
0,49
|
0,025
|
0,543
|
0,027
|
0,587
|
0,029
|
0,433
|
0,022
|
0,028
|
|
30
|
0,71
|
0,024
|
0,789
|
0,026
|
0,857
|
0,028
|
0,638
|
0,021
|
0,827
|
0,027
|
|
40
|
0,93
|
0,023
|
1,2
|
0,025
|
1,1
|
0,028
|
0,835
|
0,02
|
1,069
|
0,026
|
|
50
|
1,12
|
0,022
|
1,22
|
0,024
|
1,332
|
0,027
|
1,019
|
0,02
|
1,29
|
0,025
|
|
60
|
1,3
|
0,021
|
1,43
|
0,024
|
1,542
|
0,026
|
1,2
|
0,019
|
1,498
|
0,025
|
|
70
|
1,48
|
0,021
|
1,611
|
0,023
|
1,733
|
0,025
|
1,373
|
0,019
|
1,689
|
0,024
|
|
80
|
1,63
|
0,02
|
1,774
|
0,022
|
1,899
|
0,024
|
1,533
|
0,019
|
1,858
|
0,023
|
|
90
|
1,78
|
0,019
|
1,925
|
0,021
|
2,05
|
0,023
|
1,69
|
0,018
|
2,013
|
0,022
|
|
100
|
1,91
|
0,019
|
2,06
|
0,02
|
2,181
|
0,022
|
1,839
|
0,018
|
2,151
|
0,021
|
|
110
|
2,03
|
0,018
|
2,18
|
0,019
|
2,289
|
0,021
|
1,976
|
0,017
|
2,269
|
0,02
|
|
120
|
2,13
|
0,017
|
2,28
|
0,019
|
2,38
|
0,02
|
2,109
|
0,017
|
2,372
|
0,019
|
Рисунок 5.11 - Залежність заряду
перемикання від прямого струму для епітаксіальних p-i-n діодів КД524
Рисунок 5.12 - Залежність часу життя
від прямого струму для епітаксіальних p-i-n діодів КД524
Таблиця 5.8 - Відносна зміна часу
життя для епітаксіальних p-i-n діодів КД524
|
Прямий струм, мА
|
Епітаксіальні p-i-n діоди КД524 (f=16000Гц)
|
|
№2
|
№4
|
№6
|
№8
|
№10
|
|
Τ,мкс
|
τ,мкс τ,мкс τ,мкс τ,мкс
|
|
|
|
|
|
|
|
|
|
10
|
0,027
|
1
|
0,028
|
1
|
0,027
|
1
|
0,023
|
1
|
0,029
|
1
|
|
20
|
0,026
|
0,95
|
0,027
|
0,97
|
0,026
|
0,96
|
0,022
|
0,96
|
0,028
|
0,97
|
|
30
|
0,025
|
0,93
|
0,026
|
0,92
|
0,025
|
0,93
|
0,021
|
0,92
|
0,026
|
0,9
|
|
40
|
0,023
|
0,86
|
0,025
|
0,89
|
0,024
|
0,89
|
0,02
|
0,87
|
0,025
|
0,86
|
|
50
|
0,022
|
0,82
|
0,024
|
0,85
|
0,023
|
0,85
|
0,019
|
0,83
|
0,024
|
0,83
|
|
60
|
0,021
|
0,78
|
0,023
|
0,82
|
0,022
|
0,82
|
0,019
|
0,8
|
0,023
|
0,79
|
|
70
|
0,02
|
0,74
|
0,022
|
0,78
|
0,021
|
0,78
|
0,018
|
0,78
|
0,022
|
0,76
|
|
80
|
0,019
|
0,71
|
0,021
|
0,75
|
0,02
|
0,74
|
0,018
|
0,77
|
0,021
|
0,72
|
|
90
|
0,018
|
0,67
|
0,02
|
0,72
|
0,02
|
0,72
|
0,018
|
0,76
|
0,02
|
0,69
|
|
100
|
0,018
|
0,66
|
0,02
|
0,7
|
0,019
|
0,7
|
0,017
|
0,74
|
0,02
|
0,69
|
|
110
|
0,018
|
0,64
|
0,019
|
0,68
|
0,019
|
0,69
|
0,017
|
0,73
|
0,019
|
0,67
|
|
120
|
0,017
|
0,62
|
0,019
|
0,66
|
0,018
|
0,67
|
0,017
|
0,72
|
0,019
|
0,66
|
Рисунок 5.13 - Залежність відносної
зміни часу життя від прямого струму для епітаксіальних p-i-n діодів КД524
Таблиця 5.9-Залежність часу життя та
відносної зміни часу життя від діаметра дифузійних p-i-n структур
|
Діаметр структури, мм
|
Дифузійні p-i-n структури( )
|
|
(з освітленням)
|
(без освітлення)
|
|
τ,мкс
|
τ,мкс
|
|
|
|
10
|
49,14
|
0,953
|
15,17
|
0,95
|
|
5
|
36,76
|
0,93
|
13,94
|
0,92
|
|
3
|
27,4
|
0,92
|
10,8
|
0,9
|
|
1,5
|
11,57
|
0,88
|
3,35
|
0,87
|
Рисунок 5.14 - Залежність часу життя
від діаметра p-i-n структури
Рисунок 5.15 - Залежність відносної
зміни часу життя від діаметра p-i-n структури
6. Охорона праці
Я працювала з установкою, що
спостерігає перехідні процеси у напівпровідникових структурах. Ця лабораторна
установка знаходиться в аудиторії № 51 в першому корпусі ЗДУ (лабораторія
електрофізичних параметрів матеріалів ТЕМ). Ця лабораторія відповідає всім
вимогам мікроклімата: температура повітря була приблизно 23 оС, відносна
вологість від 45 до 55%, швидкість вітру 0,4 м / с.
До складу цієї установки входять:
генератор імпульсів Г5-54;
осцилограф двопроменевий С1-96;
джерело зворотної напруги;
магазину резисторів МСР-63;
блок Б1 - підсилювач імпульсів
зворотної напруги;
блок Б2 - адаптер, що включає в себе
ємність С1, допоміжні діоди та досліджує мий діод;
вольтамперметр М1104, використаний в
режимі реєстрації прямого струму;
вольтамперметр М2044, використаний в
режимі реєстрації середнього зворотного струму;
досліджувані діоди;
джерело живлення ДЕПЖ-1.
У використовуваних приладах діють
напруги до 220 В змінного струму до 80 В постійного, з цього виходить, що під
час виконання експерименту найбільш небезпечним фактором була електрична
напруга.
Перед початком роботи я завжди
переконувалась в наявності заземлення на кожному приладі, відсутності
пошкодження ізоляції кабелів живлення, комутаційних провідників і тільки після
цього вмикала лабораторну установку.
Процес проведення експериментальних
робіт на даній установці завжди супроводжувався присутністю поряд зі мною або
мого дипломного керівника (Кулинич А.Г.), або завідуючої лабораторіями кафедри
ТЕМ (Северіна Л.М.), або студентів-дипломників (Павлюченко С.В. та Чулісовой А.В.).
Це робилося задля того, щоб у разі виникнення неполадок у приладах, мені могли
оказати необхідну допомогу.
Під час роботи з установкою не було
ніяких ускладнень. Прилади працювали відмінно та не встановлювали додаткових
проблем.
Після закінчення роботи вимикала всі
прилади з мережі живлення, доповідала керівнику про виявлені в ході роботи
недоліки та прибирала робоче місце.
Для опрацювання даних мною була
задіяна ЕОМ.
До включення використовуваного на
робочому місці устаткування (ЕОМ) я:
- оглянула і упорядкувала робоче
місце, забрала з робочого місця всі сторонні предмети;
- перевірила правильність установки
столу, стільця, з метою виключення незручних поз і тривалих напруг тіла.
Дисплей знаходився на відстані не менш 50 см. від очей, площина його екрана
була розташована перпендикулярна напрямкові погляду і центр екрана на рівні
моїх очей;
- перевірила правильність і
надійність заземлення устаткування;
- перевірила правильність
розташування устаткування (кабелі електроживлення ЕОМ і іншого устаткування, знаходилися
з тильної сторони робочого місця;
- переконалась у відсутності
відображень і відблисків на екрані монітора. Переконалась, що освітленість
документів достатня для чіткого розрізнення їхнього змісту;
- переконалась у відсутності пилу на
екрані монітора, захисному фільтрі і клавіатурі, при необхідності, протерти їх
спеціальною серветкою.
Включила устаткування робочого місця
в послідовності, встановленої інструкціями з експлуатації на устаткування з
урахуванням характеру виконуваних на робочому місці робіт.
Після включення устаткування і
запуску використовуваної програми я:
- переконалась у відсутності
тремтіння і мерехтіння зображення на екрані монітора;
- встановила яскравість,
контрастність, колір і розмір символів для екрана, що забезпечують найбільш
комфортне і чітке сприйняття зображення.
Під час роботи я:
- протягом роботи тримала у порядку
і чистоті робоче місце;
- не закривала вентиляційні отвори
ЕОМ;
- при необхідності тимчасового
припинення роботи коректно закривала всі активні задачі;
- дотримувалась правила експлуатації
устаткування;
- дотримувалась встановлені режимом
робочого часу регламентовані перерви в роботі і виконувала рекомендовані
фізичні вправи (тривалість безперервної роботи з ЕОМ не перевищувала 2 годин);
- не доторкалась до задньої панелі
системного блоку при включеному ЕОМ;
- не допускала попадання вологи на
поверхні пристроїв;
- не працювала зі знятими кожухами
устаткування, що є джерелами лазерного й ультрафіолетового випромінювання.
По закінченні роботи я:
- робила закриття усіх виконуваних
на ЕОМ задач;
- відключала живлення в
послідовності, встановленої інструкціями з експлуатації на устаткування;
- забирала зі столу робочі матеріали
й упорядковувала робоче місце.
Під час виконання експерименту
ніяких порушень помічено не було і я дотримувалась всіх вимог по техніці
безпеки, цьому допомогли знання, які отримала на лекціях з охорони праці та
БЖД.
Висновки
В ході підготовки курсової роботи
була вивчена фізика перехідних процесів у напівпровідниковому діоді.
Був детально вивчений механізм
виміру заряду перемикання.
Порівняння отриманих результатів з
результатами досліджень, що проводились в лабораторії раніше, свідчать про
розумність одержаних результатів і можливість проведення подальших досліджень.
Перелік посилань
1. Под ред. Горюнова Н.Н.,
Носова Ю.Р. Полупроводниковые диоды. Параметры, методы измерения. -М.:
Советское радио, 1968. - 303 с., ил.
2. Федотов Я.А. Основы
физики полупроводниковых приборов. -М.: Советское радио, 1969. - 591 с., ил.
3. Лавриненко В.Ю. Справочник
по полупроводниковым приборам. -К.: Техника, 1980. - 464 с., ил.
4. Пасынков В.В., Чиркин
Л.К., Шинков А.Д. Полупроводниковые приборы. -М.: Высшая школа, 1973. -398 с.,
ил.
5. Диоды
полупроводниковые. Методы измерения электрических параметров (ГОСТ 18986.6 -
методы измерения заряда восстановления). - М.: Государственный комитет СССР по
стандартам, 1983. - 119с.
6. Зи С.М. Физика
полупроводниковых приборов. -М.: Энергия, 1973. -656 с., ил.
7. Гусятинер М.С.,
Горбачев А.И. Полупроводниковые сверхвысокочастотные диоды.- М.: Радио и связь,
1983.-224 с.
8. Моряков О.С. Вакуумно -
термические процессы в полупроводниковом производстве. -М.:Высш.школа,
1980.-181с.,ил.
9. Смит Р. Полупроводники.
-М.: Мир -1982. 358 с., ил.
10. Григорьев Б.И., Тогатов
В.В. Определение времени жизни неосновных носителей заряда в широкой базе
тиристора. -М.:Элетронная техника, 1974. -180с.
11. http://dssp.petrsu.ru/book/chapter4/part1.shtml
- Твердотельная электроника. Полупроводниковые диоды.