Действие физических сил на конструкцию
1.
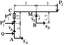
Определение реакций опор составной конструкции (система двух тел)
Задание: Конструкция состоит из двух частей. Установить, при
каком способе соединения частей конструкции модуль реакции
наименьший, и для этого варианта соединения
определить реакции опор, а также соединения С.
Дано:
= 9,0 кН;
= 12,0
кН;
= 26,0 кН
м;
= 4,0 кН/м.
Схема конструкции
представлена на рис.1.
Рис.1. Схема исследуемой
конструкции.
Решение:
1) Определение реакции
опоры А при шарнирном соединении в точке С.
Рассмотрим систему
уравновешивающихся сил, приложенных ко всей конструкции (рис.2.). Составим
уравнение моментов сил относительно точки B.
Рис.2.
(1)
где
кН.
После подстановки данных и
вычислений уравнение (1) получает вид:
кН (1’)
Второе уравнение с
неизвестными
и
получим,
рассмотрев систему уравновешивающихся сил, приложенных к части конструкции,
расположенной левее шарнира С (рис. 3):
Рис. 3.
.
Отсюда находим, что
кН.
Подставив найденное значение
в уравнение (1’) найдем значение
:
кН.
Модуль реакции опоры А
при шарнирном соединении в точке С равен:
кН.
2) Расчетная схема при соединении частей конструкции в точке С скользящей
заделкой, показанной на рис. 4.
Рис. 4
Системы сил, показанные на рис. 2 и 4, ничем друг от друга не отличаются.
Поэтому уравнение (1’) остается в силе. Для получения второго уравнения
рассмотрим систему уравновешивающихся сил, приложенных к части конструкции,
располоденной левее скользящей заделки С (рис. 5).
Рис. 5
Составим уравнение равновесия:
и из уравнения (1’) находим:
Следовательно, модуль реакции
при скользящей заделке в шарнире С равен:
кН.
Итак, при соединении в точке С скользящей заделкой модуль реакции
опоры А меньше, чем при шарнирном соединении (≈ 13%). Найдем
составляющие реакции опоры В и скользящей заделки.
Для левой от С части (рис. 5а)
,
кН.
Составляющие реакции опоры В и момент в скользящей заделке найдем из
уравнений равновесия, составленных для правой от С части конструкции.
кН*м
кН
;
кН
Результаты расчета приведены
в таблице 1.
Таблица 1.
|
Силы, кН
|
Момент, кН*м
|
|
XA
|
YA
|
RA
|
XC
|
XB
|
YB
|
MC
|
|
Для схемы на рис. 2
|
-7,5
|
-18,4
|
19,9
|
-
|
-
|
-
|
-
|
|
Для схемы на рис. 4
|
-11,09
|
17,35
|
-28,8
|
28,8
|
12,0
|
-17,2
|
2. Определение
реакций опор твердого тела
Задание: Найти реакции опор конструкции. Схема конструкции показана на рисунке 1.
Необходимые данные для расчета приведены в таблице 1.
Табл. 1
|
Силы, кН
|
Размеры, см
|
|
  abcRr
|
|
|
|
|
|
|
|
2
|
1
|
15
|
10
|
20
|
20
|
5
|
Рис. 1. Здесь:
,
,
,
.
Решение: К конструкции приложены сила тяжести
, силы
и
реакции опор шарниров
и
:
(рис. 2)
Рис. 2.
Из этих сил пять неизвестных. Для их определения можно составить пять
уравнений равновесия.
Уравнения моментов сил относительно координатных осей:
;
;
;
кН.
;
;
кН.
;
;
кН.
Уравнения проекций сли на оси координат:
;
кН
;
кН.
Результаты измерений сведены в табл. 2.
|
   
|
|
|
|
|
|
0,43 кН
|
1,16 кН
|
3,13 кН
|
-0,59 кН
|
3,6 кН
|
3.
Интегрирование дифференциальных уравнений
Дано
a=45° ; Vв=2Va ; τ=1c; L=3 м ; h=6
Найти ƒ=? d=?
Решение
mX=SXi 1 Fтр=fN
mX=Gsina-Fcoпр
N=Gcosa
mX=Gsina-fGcosa
X=gsina-fgcosa
X=(g(sina-fcosa) t+ C1
X=(g(sina-fcosa)/2) t2+ C1t+ C2
При
нормальных условиях : t=0 x=0
X=C1 X= C2=> C1=0
X=g(sina-fcosa) t+ 1 X=(g(sina-fcosa)/2) t2
X=Vв X=L
Vв=g(sinα-ƒ*cosα)τ
L=((g(sinα-ƒ*cosα)τ)/2)τ
ƒ=tgα-(2L/τ *g*cosα)=1-0,8=0,2
Vв=2l/τ=6/1=6м/с
Рассмотрим движение тела от точки В до точки С показав силу тяжести
действующую на тело , составим дифференциальное уравнение его движения . mx=0 my=0
Начальные условия задачи: при t=0
X0=0
Y0=0
X0=Vв*cosα ; Y0=Vв*sinα
Интегрируем уравнения дважды
Х=C3 Y=gt+C4
X= C3t+ C5
Y=gt /2+C4t+C6, при t=0
X=C3;
Y0=C4
X=C5; Y0=C6
X=Vв*cosα , Y=gt+Vв*sinα
и уравнения его движения
X=Vв*cosα*t Y=gt /2+Vв*sinα*t
Уравнение траектории тела найдем , исключив параметр t из уравнения движения. Получим
уравнение параболы.
Y=gx /2(2Vв*cosα) + xtgα
В момент падения y=h x=d
d=h/tgβ=6/1=6м
Ответ: ƒ=0,2 d=6 м
4.
Определение реакций опор составной конструкции (система двух тел)
Задание: Конструкция состоит из двух частей. Установить, при
каком способе соединения частей конструкции модуль реакции
наименьший, и для этого варианта соединения
определить реакции опор, а также соединения С.
Дано:
= 9,0 кН;
= 12,0
кН;
= 26,0 кН
м;
= 4,0 кН/м.
Схема конструкции
представлена на рис.1.
Рис.1. Схема исследуемой
конструкции.
Решение:
1) Определение реакции
опоры А при шарнирном соединении в точке С.
Рассмотрим систему
уравновешивающихся сил, приложенных ко всей конструкции (рис.2.). Составим уравнение
моментов сил относительно точки B.
Рис.2.
(1)
где
кН.
После подстановки данных и
вычислений уравнение (1) получает вид:
кН (1’)
Второе уравнение с
неизвестными
и
получим,
рассмотрев систему уравновешивающихся сил, приложенных к части конструкции,
расположенной левее шарнира С (рис. 3):
Рис. 3.
.
Отсюда находим, что
кН.
Подставив найденное значение
в уравнение (1’) найдем значение
:
кН.
Модуль реакции опоры А
при шарнирном соединении в точке С равен:
кН.
2) Расчетная схема при соединении частей конструкции в точке С скользящей
заделкой, показанной на рис. 4.
Рис. 4
Системы сил, показанные на рис. 2 и 4, ничем друг от друга не отличаются.
Поэтому уравнение (1’) остается в силе. Для получения второго уравнения
рассмотрим систему уравновешивающихся сил, приложенных к части конструкции,
располоденной левее скользящей заделки С (рис. 5).
Рис. 5
Составим уравнение равновесия:
и из уравнения (1’) находим:
Следовательно, модуль реакции
при скользящей заделке в шарнире С равен:
кН.
Итак, при соединении в точке С скользящей заделкой модуль реакции
опоры А меньше, чем при шарнирном соединении (≈ 13%). Найдем
составляющие реакции опоры В и скользящей заделки.
Для левой от С части (рис. 5а)
,
кН.
Составляющие реакции опоры В и момент в скользящей заделке найдем из
уравнений равновесия, составленных для правой от С части конструкции.
кН*м
кН
;
кН
Результаты расчета приведены
в таблице 1.
Таблица 1.
|
Силы, кН
|
Момент, кН*м
|
|
XA
|
YA
|
RA
|
XC
|
XB
|
YB
|
MC
|
-7,5
|
-18,4
|
19,9
|
-
|
-
|
-
|
-
|
|
Для схемы на рис. 4
|
-14,36
|
-11,09
|
17,35
|
-28,8
|
28,8
|
12,0
|
-17,2
|
Дано :
R2=15; r2=10; R3=20; r3=20
X=C2t2+C1t+C0
При t=0 x0=8
=4
t2=2 x2=44 см
X0=2C2t+C1
C0=8
C1=4
44=C2
*22+4*2+8
4C2=44-8-8=28
C2=7
X=7t2+4t+8
=V=14t+4
a=
=14
V=r2
2
R2
2=R3
3
3=V*R2/(r2*R3)=(14t+4)*15/10*20=1,05t+0,3
3=
3=1,05
Vm=r3*
3=20*(1,05t+0,3)=21t+6
atm=r3
=1,05t
atm=R3
=20*1,05t=21t
anm=R3
23=20*(1,05t+0,3)2=20*(1,05(t+0,28)2
a=
5. Применение
теоремы об изменении кинетической энергии к изучению движения механической
системы
Исходные данные.
Механическая система под действием сил тяжести приходит в движение из
состояния покоя. Трение скольжения тела 1 и сопротивление качению тела 3 отсутствует.
Массой водила пренебречь.
Массы тел - m1, m2, m3, m4; R2, R3, R4 - радиусы окружностей.
|
m1, кг
|
m2, кг
|
m3, кг
|
m4, кг
|
R2, см
|
R3, см
|
s, м
|
|
m
|
m/10
|
m/20
|
m/10
|
10
|
12
|
0.05π
|
Найти.
Пренебрегая другими силами сопротивления и массами нитей, предполагаемых
нерастяжимыми, определит скорость тела 1 в тот момент, когда пройденный им путь
станет равным s.
Решение.
1.
Применим к механической системе теорему об изменении кинетической
энергии.
,
где T0 и T - кинетическая энергия системы в начальном и конечном
положениях;
- сумма работ внешних сил, приложенных к системе, на
перемещении из начального положения в конечное;
- сумма
работ внутренних сил системы на том же перемещении.
Для рассматриваемых систем,
состоящих из абсолютно твёрдых тел, соединённых нерастяжимыми нитями и
стержнями
. Так как в начальном положении система находится в
покое, то T0=0.
Следовательно, уравнение (1) принимает вид:
.
2. Определим угол, на который повернётся водило, когда
груз 1 пройдёт расстояние s.
.
То есть когда груз 1 пройдёт
путь s, система повернётся на угол 90º.
T = T1 + T2
+ T3 + T4.
а) Кинетическая энергия груза
1, движущегося поступательно равна:
.
б) Кинетическая энергия катка
2, вращающегося вокруг своей оси равна:
,
где
- момент инерции катка 2,
- угловая скорость катка 2.
Отсюда получаем, что
.
в) Кинетическая энергия катка
3, совершающего плоско-параллельное движение, равна:
,
где
- скорость центра масс катка 3,
-угловая скорость мгновенного центра скоростей катка 3
момент инерции катка 3
относительно мгновенного центра скоростей.
Отсюда получаем, что
г) Кинетическая энергия катка
4, совершающего плоскопараллельное движение, равна:
где
- угловая скорость мгновенного центра скоростей,
- скорость центра масс катка 4,
- момент инерции катка 4 относительно мгновенного
центра скоростей.
Отсюда получаем, что
Таким образом, кинетическая
энергия всей механической системы равна:
4. Найдём работу всех внешних сил, приложенных к системе
на заданном перемещении.
а) Работа силы тяжести G1: AG1=m1∙g∙s=m∙980∙5=15386∙m1.
б) Работа силы тяжести G2: AG2=0.
в) Работа силы тяжести G3: AG3=-m3∙g∙(OA)=-0.05∙m∙980∙36=-1764∙m.
г) Работа силы тяжести G4: AG4=-m4∙g∙OC=-0.1∙m∙980∙72=-7056∙m.
Таким образом, работа всех внешних сил, приложенных к системе равна:
= AG1+AG3+AG4=15386∙m-1764∙m-7056∙m=6566∙m.
5. Согласно теореме об изменении кинетической энергии
механической системы приравниваем значения T и
.
=6566∙m;
=6566.
Отсюда скорость тела 1 равна:
= 0.31 м/с.
Результаты расчётов.
Дано:
Q=4kH, G=2kH, a=50см, b=30см.
Определить: реакции опор А, В, С.
Решение:
1) ∑FKX=XA+XB-RC∙cos30°+Q·sin45°=0;
2) ∑FKY=YA=0;
3) ∑FKZ=ZA+ZB+RC·sin30°-G-Q·cos45°=0;
4) ∑MKX=ZB·AB-G·AB/2-Q·cos45°·AB=0;
5) ∑MKY=G·AC/2·cos30°-RC·AC·sin60°+Q·AC·sin75°=0;
6) ∑MKZ=-XB·АВ-Q·AB·cos45°=0.
Из (6) XB=(-Q·AB·cos45°)/АВ=-4·50·0,7/50=-2,8кН
Из (5)
RC=(G·AC/2·cos30°+Q·AC·sin75°)/AC·sin60°=
=(2·30/2·0,87+4·30·0,96)/30·0,87=(26,1+115,2)/26,1=5,4кН
Из (4)
ZB=(G·AB/2+Q·cos45°·AB)/AB=(50+141,4)/50=3,8kH
Из (3) ZA=-ZB-RC·sin30°+G+Q·cos45°=-3,8-2,7+2+2,8=-1,7кН
Из (1)
XA=-XB+RC∙cos30°-Q·sin45°=2,8+4,7-2,8=4,7кН
Результаты вычислений:
|
Силы, кН
|
|
RC
|
XA
|
YA
|
ZA
|
XB
|
ZB
|
|
5,4
|
4,7
|
0
|
-1,7
|
-2,8
|