Давачі наближення

  • Вид работы:
    Курсовая работа (т)
  • Предмет:
    Физика
  • Язык:
    Русский
    ,
    Формат файла:
    MS Word
    319,02 kb
  • Опубликовано:
    2010-02-07
Вы можете узнать стоимость помощи в написании студенческой работы.
Помощь в написании работы, которую точно примут!

Давачі наближення

Міністерство освіти і науки України

Вінницький національний технічний університет

Інститут автоматики, електроніки та комп’ютерних систем управління

Факультет АКСУ

Кафедра АІВТ




Датчики наближення

Курсова робота

з дисципліни

"Мікропроцесорна техніка"


Перевірив : к.т.н. Кучерук В.Ю.

Виконав: ст. гр. 1АВ-06 Кіт О.О.









Вінниця 2009

ЗМІСТ

ВСТУП

1.     Класифікація давачів наближення

2. Методи виявлення об’єктів фотоелектричними давачами наближення

2.1 Метод перетину променя

2.2 Метод відбиття від рефлектора

2.3 Метод відбиття від об’єкта

2.3 Метод фіксованого відбиття від об’єкта

3. Конструктивні особливості реальних фотоелектричних давачів наближення

4. Основні принципи побудови інфрачервоного давача наближення

5. Розробка методики розрахунку давача наближення

ВИСНОВКИ

ПЕРЕЛІК ПОСИЛАНЬ

Додатки

Додаток Б Давач наближення. Перелік елементів

Додаток В Приклад розрахунку давача наближення

Додаток Г Алгоритм розрахунку давача наближення

Додаток Д Лістинг програми розрахунку давача наближення

Додаток Е Результати роботи програми розрахунку давача наближення

ВСТУП

Давачі наближення знайшли широке застосування в різних галузях науки і техніки. Їх розповсюдженість обумовлена високою надійністю і стійкістю до жорстких умов експлуатації.

Давач - первинний вимірювальний перетворювач величини, що вимірюється і контролюється, у вихідний сигнал для дистанційної передачі та використання в системах керування <#"478413.files/image001.gif"> 

Рисунок 1 - Метод перетину променя

2.2 Метод відбиття від рефлектора

У методі відбиття від рефлектора приймач і передавач давача перебувають в одному корпусі, як показано на рисунку 2. Напроти давача встановлюється рефлектор (відбивач). Світловий сигнал, що посилається передавачем, відбиваючись від рефлектора попадає в приймач давача. Якщо світловий сигнал припиняється, приймач негайно реагує міняючи стан виходу.

 

Рисунок 2 - Метод відбиття від рефлектора

2.3 Метод відбиття від об’єкта

У методі відбиття від об'єкта приймач і передавач давача перебувають в одному корпусі. При робочому стані давача всі об'єкти, що попадають у його робочу зону, стають своєрідними рефлекторами, дивись рисунок 3. Як тільки світловий промінь відбившись від об'єкта попадає на приймач давача, той негайно реагує міняючи стан виходу.

 

Рисунок 3 - Метод відбиття від об’єкту

2.4 Метод фіксованого відбиття від об’єкта

У методі фіксованого відбиття від об'єкта приймач і передавач давача перебувають в одному корпусі. Ці давачі мають два режими роботи: нормальний і "зона". Принцип дії давача при нормальному режимі такий самий як і у відбиття від об'єкта, але більш чутливий. Наприклад, можливо визначення роздутої пробки на пляшці з кефіром, неповне наповнення вакуумного впакування із продуктами й т.д. При роботі давача в режимі "зона" можна обмежити границі реагування на об'єкти в межах робочої відстані [3].

3 Конструктивні особливості реальних фотоелектричних давачів наближення

Фотодавачі можуть випромінювати світло в інфрачервоному, червоному або зеленому спектрі. Вихідний керуючий сигнал датчика працює за принципом так/ні. Завдання датчика виявити об'єкт на відстані. Ця відстань варіюється в межах 0,3мм-50м, залежно від обраного типу датчика й методу виявлення. Вихідний сигнал датчиків може бути транзисторний, тиристорним або контакт реле.

Основна частина фотоелектричних давачів виконана в прямокутних корпусах: металевих або пластикових. Давачі можуть бути вертикального виконання або горизонтального, залежно від розташування оптичної системи на корпусі давача, рисунок 4. Деякі типи давачів мають підковоподібну форму корпуса або циліндричну, котра у свою чергу ділиться на осьову й радіальну.



Рисунок 4 - Різні типи корпусів давачів: циліндричні, прямокутні, підковоподібні

В окрему групу по своїх конструктивних особливостях можна виділити типи давачів з оптоволокном. У цьому випадку електрична частина давача перебуває в доступному й безпечному місці, а приймач і передавач давача винесені безпосередньо в зону детектування. Вони передають світловий сигнал до підсилювача по оптоволоконному кабелі. У цих типах давачів також існують всі методи виявлення. Фотодавачі з оптоволокном незамінні при рішенні завдань виявлення у важкодоступних місцях і зонах з тяжкими умовами навколишнього середовища, а завдяки мініатюрності такої оптичної системи можливе виявлення об'єктів до 0,012мм у діаметрі. До того ж вихід з ладу чутливого елемента давача в тяжких умовах роботи незначно впливає на вартість відновлення давача. Один підсилювальний блок працює з безліччю оптичних кабелів, що розрізняються й по методу виявлення, й по конструктивних особливостях, так що вам не буде потрібно міняти весь давач при зміні завдання керування [4].

4. Основні принципи побудови інфрачервоного давача наближення

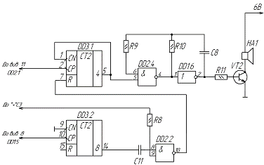
Розглянемо інфрачервоний давач наближення, що працює за схемою відбиття від об’єкта. Сигнал тривоги зазвучить у тому випадку, якщо в охоронюваному приміщенні буде виявлений рухомий або нерухомий об'єкт, що був відсутній в момент ввімкнення пристрою.

Такі давачі використовуються в основному для контролю ближньої зони. Це - простір біля дверей, частина коридору, сходового маршу, стіл, сейф і т.п.

В додатку А показана схема приладу, що формує короткі інфрачервоні (ІЧ) імпульси й приймаюче їхнє відбиття від об'єкта, що з'явився поблизу. Тут ВI1 - ІЧ діод, періодично порушуваний імпульсами струму, амплітуда яких Iімп=(Uживл-3,5)/R5 може багаторазово перевищувати середнє припустиме значення. Тривалість цих імпульсів tімп=0,7R3C2, а період їх надходження T=1,4R2C1.

Відбитий ІЧ імпульс попадає на фотодіод BL1. Після посилення й обмеження мікросхемою DA1 він надходить на один із входів елемента DD2.1 (вивід 13). Якщо відбитий імпульс збігається з тим, що випромінюється (імпульс, що збуджує ІЧ діод, надходить на вивід 12 DD2.1), то на виході DD2.1 виникає короткий (tімп) імпульс низького рівня, що запускає одновібратор (DD2.2, DD2.3). На виході одновібратора виникає імпульс тривалістю Tзв=0,7R8C7. Він надходить на вхід звукового генератора (DD2.4, DD1.6). Динамік НА1 видає короткий звуковий сигнал. Так прилад "озвучує" відбиті ІЧ імпульси. Серія таких імпульсів буде трансформуватися їм у тривожно звучну послідовність, що випливає із частотою ІЧ імпульсів.

Щоб уникнути підсвічування фотодіода з боку виводів, "донні" частини ІЧ діода й фотодіода заклеюють кружками чорної ізоленти. У мікросхему DA1 входить високочутливий підсилювач, тому її потрібно екранувати.

Правильно зібраний пристрій звичайно відразу починає працювати в режимі тривоги - стеля, стіни, меблі дають цілком достатній відбитий сигнал. Але якщо він продовжує звучати й покладений лицьовою стороною на стіл, то буде потрібно виявити й ліквідувати шляхи проникнення ІЧ випромінювання на фотодіод усередині самого приладу. Після цього залишиться визначити отриману дальність спрацювання і виставити потрібну, підбором резистора R5. Іноді безпосередня реакція приладу, що озвучує кожен відбитий імпульс, зовсім не обов'язкова. На рисунку 5 показана частина схеми пристрою, яку потрібно змінити, щоб сигнал тривоги формувався лише при проходженні компактної групи відбитих сигналів.

Рисунок 5 - Модифікація схеми для уникнення хибного спрацювання

Сигнал тривоги пролунає лише в тому випадку, якщо на вхід СР лічильника DD3.1 надійдуть чотири відбитих імпульси. Але відбутися це повинно на часовому інтервалі тривалістю 16Т (3,2 с), оскільки спадом кожного шістнадцятого імпульсу генератора, лічильник DD3.1 повертається в нульовий стан (імпульс скидання тривалістю 20 мкс формується на виході елемента DD2.2). Тобто, якщо на одному з таких часових інтервалів датчик зафіксує чотири відбитих імпульси, він включить тривожну сигналізацію. Час її звучання - tтр.

Пристрій може ввійти в охоронну систему в якості одного з її давачів. Для неї буде становити інтерес лише сигнал, що виникає на виході елемента DD2.1 [5].

5. Розробка методики розрахунку давача наближення

Розглянемо залежність параметрів схеми від номіналів її елементів. ІЧ діод, періодично збуджується імпульсами струму, амплітуда яких Iімп=(Uживл-3,5)/R5. Саме від цього параметра залежить чутливість схеми й дальність її спрацьовування. Однак, залежність відстані від амплітуди є нелінійною й не може бути обчислена аналітично, тому встановлюється експериментально шляхом зміни резистора R5. Відстань спрацьовування при певних значеннях величини резистора R5 записані в таблиці 2. Виміри проводилися при напрузі живлення 6В. Мінімальне значення Dлюд відповідає людині в темному халаті.

Таблиця 2 Залежність чутливості схеми від амплітуди імпульса

Iімп, А (R5, Ом)

Dлюд, м

Dст, м

0,04 (62)

0,5..0,9

1,5

1..1,6

3

0,64 (3,9)

1,8..2,5

4,3


Графік залежності відстані спрацювання схеми від амплітуди імпульсу зображений на рисунку 6.

Рисунок 6 - Залежність відстані спрацювання від амплітуди імпульсу

Тривалість генерованих схемою імпульсів може бути полічена по формулі 3.1:

tімп=0,7R3C2, (3.1)

де R3 - номінал резистора R3 з схеми в додатку А

С2 - номінал конденсатора С2 з схеми в додатку А

Період появи імпульсів 3.2:

T=1,4R2C1, (3.2)

де R2 - номінал резистора R2 з схеми в додатку А

С1 - номінал конденсатора С1 з схеми в додатку А

При спрацьовуванні схеми на виході виникає імпульс тривалістю 3.3:

Tзв=0,7R8C7, (3.3)

де R8 - номінал резистора R8 з схеми в додатку А

С7 - номінал конденсатора С7 з схеми в додатку А

ВИСНОВКИ

В даній курсовій роботі були розглянуті різні типи давачів наближення: інфрачервоні, радіохвильові ( об'ємні та лінійні ), ультразвукові, магнітоконтактні. Кожен із цих типів має свої переваги і свої недоліки, а також свою галузь застосування. Так, для виявлення рухомих об’єктів, якими можуть бути, наприклад злодії, широкого використання набули інфрачервоні давачі, через простоту та надійність. Саме через це такий давач і був обраний для розробки та розрахунку в курсовій роботі.

При розробці принципової схеми були дані практичні рекомендації по полагодженню проблем, які можуть виникнути при роботі з приладом. Також для випадків коли не потрібна велика чутливість наведена схема, що дає змогу зменшити її до необхідного рівня.

Після розробки принципової схеми була розроблена методика розрахунку номіналів її елементів. Розроблена методика включає в себе розрахунок номіналів схеми для отримання бажаної величини таких параметрів:

·   амплітуди генерованих імпульсів;

·   довжини генерованих імпульсів;

·   період генерації імпульсів;

·   тривалість вихідного імпульсу.

Було встановлено, що хоча відстань виявлення об’єкту і залежить від амплітуди, але є нелінійною і не може бути встановлена аналітично. По експериментально встановленим точкам за допомогою інтерполяції була побудована функція, що дає уявлення про характер залежності.

За розробленою методикою розрахунку був складений алгоритм та розроблена програма, що розраховує номінали схеми таким чином, щоб вони співпадали із введеними користувачем. Програма розрахунку написана на мові C++ в середовищі Visual C++ 6.0.

Через те, що досить складно отримати необхідний результат із першого разу, після проведення розрахунків користувачу пропонується повторити введення даних, якщо користувач погоджується, то програма починається спочатку, інакше вона завершується.

Принципова схема давача наближення наведена в додатку А, перелік елементів схеми - в додатку Б. Приклад розрахунку давача приведений в додатку В, алгоритм роботи програми - в додатку Г. Текст програми розрахунку та результати її роботи наведені в додатках Д та Е відповідно.

ПЕРЕЛІК ПОСИЛАНЬ

1. Электронная библиотека (18.12.2007) -

#"478413.files/image012.gif">

.

Решта елементів беруться з такими номіналами, які вказані в додатку Б.

Додаток Г - Алгоритм розрахунку давача наближення


Додаток Д - Лістинг програми розрахунку давача наближення

#include <stdio.h>

#include <conio.h>

#include <math.h>

void findRC( double &r, double &c, double res, double delta = 0.0, double step = 0.00000000001 )

{

int sign = 1;

if ( ( r * c ) > res )

{

sign = -1;

}

double minDelta = fabs( res - r * c );

while ( minDelta > delta )

{

r += step * sign;

c += step * sign;

if ( fabs( res - r * c ) > minDelta )

{

r -= step * sign;

c -= step * sign;

break;

}

minDelta = fabs( res - r * c );

}

}

void main( )

{

double inpVolt;

double iImp;

double T;

double tZv;

char choose;

do

{

printf( "Enter input voltage: ");

scanf( "%lf", &inpVolt );

printf( "Enter impulse amplitude: ");

scanf( "%lf", &iImp );

printf( "Enter generated impulses length: ");

scanf( "%lf", &tImp );

printf( "Enter impulses period: ");

scanf( "%lf", &T );

printf( "Enter output impulse length: ");

scanf( "%lf", &tZv );

double r5 = ( inpVolt - 3.5 ) / iImp;

printf( "R5 = %.3lf Ohm\n", r5 );

double r3 = 10 * pow( 10, 3 );

double c2 = 1000 * pow( 10, -12 );

findRC( r3, c2, tImp / 0.7 );

printf( "R3 = %.2e Ohm, C2 = %.2e Farad\n", r3, c2 );

double r2 = 300 * pow( 10, 6 );

double c1 = 0.047 * pow( 10, -6 );

findRC( r2, c1, T / 1.4 );

printf( "R2 = %.2e Ohm, C1 = %.2e Farad\n", r2, c1 );

double r8 = 300 * pow( 10, 6 );

double c7 = 0.047 * pow( 10, -6 );

findRC( r8, c7, tZv / 0.7 );

printf( "R8 = %.2e Ohm, C7 = %.2e Farad\n", r8, c7 );

printf( "\n TESTING:\n" );

printf( "Iimp = (V - 3.5) / R5 = ( %.2e - 3.5 ) / %.2e = %.2e\n", inpVolt, r5, ( inpVolt - 3.5 ) / r5 );

printf( "timp = 0.7*R3*C2 = 0.7 * %.2e * %.2e = %.2e\n", r3, c2, 0.7 * r3 * c2 );

printf( "T = 1.4*R2*C1 = 0.7 * %.2e * %.2e = %.2e\n", r2, c1, 1.4 * r2 * c1 );

printf( "Tzv = 0.7*R8*C7 = 0.7 * %.2e * %.2e = %.2e\n", r8, c7, 0.7 * r8 * c7 );

while( kbhit( ) )

{

getche( );

}

printf( "\nDo you want to repeat calculation (y/n)? " );

choose = getche( );

printf( "\n\n" );

} while( choose != 'n' );

}

Додаток Е - Результати роботи програми розрахунку давача наближення

Enter input voltage: 6

Enter impulse amplitude: 0.25

Enter generated impulses length: 0.0000105

Enter impulses period: 0.16

Enter output impulse length: 0.08

R5 = 10.000 Ohm

R3 = 1.00e+004 Ohm, C2 = 1.50e-009 Farad

R2 = 3.00e+008 Ohm, C1 = 3.80e-010 Farad

R8 = 3.00e+008 Ohm, C7 = 3.80e-010 Farad

TESTING:

Iimp = (V - 3.5) / R5 = ( 6.00e+000 - 3.5 ) / 1.00e+001 = 2.50e-001

timp = 0.7*R3*C2 = 0.7 * 1.00e+004 * 1.50e-009 = 1.05e-005

T = 1.4*R2*C1 = 0.7 * 3.00e+008 * 3.80e-010 = 1.60e-001

Tzv = 0.7*R8*C7 = 0.7 * 3.00e+008 * 3.80e-010 = 7.98e-002

Do you want to repeat calculation (y/n)? n


Не нашли материал для своей работы?
Поможем написать уникальную работу
Без плагиата!
Без нейросетей!