Влияние температуры на спектральные и электрические характеристики светоизлучающих диодов
НАУЧНАЯ
КОНФЕРЕНЦИЯ МОЛОДЫХ ИССЛЕДОВАТЕЛЕЙ
“ШАГ
В БУДУЩЕЕ”
Контрольная
работа
ВЛИЯНИЕ
ТЕМПЕРАТУРЫ НА СПЕКТРАЛЬНЫЕ И ЭЛЕКТРИЧЕСКИЕ ХАРАКТЕРИСТИКИ СВЕТОИЗЛУЧАЮЩИХ
ДИОДОВ
Работа выполнена:
учеником 11 класса МОУ
лицей № 8
Перевозчиковым Даниилом
Научный руководитель:
главный научный сотрудник
Института физики ДНЦ РАН,
доктор физ.- мат. наук
Зобов Е.М.
МАХАЧКАЛА
- 2009 г.
Введение
В температурном диапазоне 300-90 К
исследованы электролюминесценция, вольт-амперные и люкс-амперные характеристики
промышленных «фиолетовых» и «желтых» светоизлучающих диодов. Установлено, что с
понижением температуры у «фиолетовых» светодиодов уменьшается интенсивность
излучения и наблюдается «шнурование» тока. В отличие от «фиолетовых»
светодиодов, интенсивность излучения «желтых» светодиодов при 90 К возрастает,
однако спектр излучения имеет квазидискретную структуру.
Исследования электрических характеристик
светодиодов позволили предположить, что при низких температурах в
гетероструктурах, из которых изготовлены светодиоды, изменяются механизмы
процессов генерации и рекомбинации носителей заряда.
Светодиод - это полупроводниковый прибор,
генерирующий (при прохождении через него электрического тока) оптическое
излучение, которое в видимой области воспринимается как одноцветное
(монохромное). Цвет излучения светодиода определяется как используемыми
полупроводниковыми материалами, так и легирующими примесями. Современные
промышленные светодиоды изготавливаются на основе p-n-гетероструктур
InxGa1-xN/AlyGa1-yN/GaN или. InxGa1-xP/AlyGa1-yP/GaP. Светодиоды служат
реальной альтернативой традиционным источникам света, так как они обладают
малыми размерами, имеют малое энергопотреблении. Обладая такими свойствами, как
точная направленность света и возможность управления интенсивностью и цветом
излучения, они уже сегодня применяются в архитектурном и декоративном
освещении, на их основе созданы рекламные экраны цветного изображения [1].
Однако, температурный диапазон
эксплуатации светодиодов ограничен (+40 -20 0С), а в доступной нам
литературе мы не нашли ответ на наш вопрос: «Почему светодиоды неспособны
работать при более низких температурах?». Если нет ответа, то его надо искать.
Цель работы - установление причин
низкотемпературной неустойчивости режима работы промышленных светоизлучающих
диодов.
Для достижения поставленной цели решались
следующие задачи:
- проводился анализ процессов
токопереноса, генерации и рекомбинации носителей заряда в гетероструктурах при
различных температурах.
Работа выполнена на экспериментальной базе
Аналитического центра коллективного пользования Института физики Дагестанского
научного центра РАН.
1
МЕТОДИКА И ТЕХНИКА ЭКСПЕРИМЕНТА
Для исследования нами были выбраны
«фиолетовый» и «желтый» светодиоды.
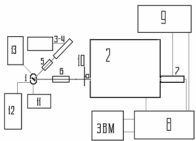
Рис.
1 Блок - схема экспериментальной установки для исследования фотолюминесценции,
собранной на базе спектрально-вычислительного комплекса КСВУ-2
1 - образец в криостате, 2 - монохроматор МДР -23, 3-4 блок
питания источника фотовозбуждения, 5-6- блоки оптических фильтров с
конденсорами, 7 - ФЭУ, 8 - блок управления и регистрации сигнала, 9 - усилитель
(UNIPAN 232B), 10 - модулятор, 11-блок регистрации температуры, 12 -блок
электропитания образца, 13 - вакуумный пост.
Исследования спектров электролюминесценции
светодиодов проводились на установке, собранной на базе
спектрально-вычислительные комплексы КСВУ-23 (рис. 1).
Главным элементом оптической системы этой
установки является монохроматор МДР-23 (2). В зависимости от спектрального
диапазона измерений используются дифракционные решетки 1200, 600 и 300 штр. на
мм.
Рис.
2
Для снятия вольт-амперных и люкс-амперных
характеристик светодиода применялась стандартная схема (рис. 2). Светодиод
закреплялся на хладопроводе и помещался в криостат (1).
Излучение светодиода модулировалось
механическим модулятором (10) и фокусировалось (6) на входную щель
монохроматора МДР-23 (2). В качестве детектора излучения использовался
фотоумножитель (7) типа ФЭУ-100 (спектральный диапазон чувствительности 200-700
нм), сигнал с которого для усиления подается на вход селективного нановольтметра
Unipan-232 В (9), а затем на вход блока управления и регистрации (8) включающий
и ЭВМ.
Охлаждение образца производится с помощью
хладагента (жидкий азот) путем заливки его в стакан криостата (1). Для нагрева
образца используется электрический нагреватель. Температура фиксируется
медь-константановой термопарой.
2
ЭКСПЕРИМЕНТАЛЬНЫЕ РЕЗУЛЬТАТЫ
Спектры электролюминесценции,
исследованных нами светодиодов представлены на рис. 3-4.
Рис.
3,а. Спектры излучения (ЭЛ) «фиолетового» светодиода при Т=300 К в зависимости
от величины тока I, mA: 4.1 ; 11.9; 15.2.

Рис.
4,а. Спектры излучения (ЭЛ) «желтого» светодиода при Т=300 К, величина тока I =12.9 mA
Рис.
4, б. Спектр излучения (ЭЛ) «желтого» светодиода при Т=90 К в зависимости от
величины тока I mA: 0.23; 1.0; 2.15; 3.7
Вольт-амперные и люкс-амперные
характеристики светодиодов представлены на рис. 5-8, а температурные
зависимости токов и интенсивности их излучения на рис. 9-10.
Рис.
5. Вольт-амперные характеристики «фиолетового» светодиода
Рис.
6. Люкс-амперные характеристики «фиолетового» светодиода
Рис.
7. Вольт-амперные характеристики «желтого» светодиода
Рис.
8. Люкс-амперные характеристики «желтого» светодиода
Рис.
9. Температурные зависимости тока «фиолетового» светодиода и интенсивности его
излучения
Рис.
10. Температурные зависимости тока «желтого» светодиода и интенсивности его
излучения
Полученные экспериментальные данные
показывают, что с понижением температуры у «фиолетовых» светодиодов наблюдается
уменьшение интенсивности излучения (рис. 3 и рис. 9) и изменгение механизма
протекания тока (рис. 5). Для выведения данного светодиода в рабочий режим при
90 К необходимо увеличивать величину рабочего напряжения в два раза. Рост
напряжения питания светодиода приводит к S-образной вольт-амперной
характеристике (рис. 5), что свидетельствует о «шнуровании» тока протекания.
У «желтого» светодиода температурная
зависимость интенсивности излучения имеет более сложный вид (рис. 10), при 90 К
интенсивность излучения становится больше, чем при 300 К (сравни рис. 4а и 4б).
При этом, спектр излучения состоит из квазидискретных полос. Для вывода
светодиода в рабочий режим при 90 К необходимо увеличивать напряжение питания
более, чем в два раза.
3
ИНТЕРПРЕТАЦИЯ ЭКСПЕРИМЕНТАЛЬНЫХ ДАННЫХ
Рис.
11. Энергетическая диаграмма гетероструктуры типа InGaN/AlGaN/GaN c одиночной квантовой ямой
InGaN. Стрелкой показан туннельный переход электронов из квантовой ямы
в p-область с излучением кванта света
Рис.
12. Энергетическая диаграмма p-n+ - структуры на основе GaP. Стрелкой показан
переход электронов при аннигиляции экситонов с излучением кванта света
Носителей заряда из квантовых ям носит
активационный характер и зависит, как от величины электрических полей в
гетероструктуре, так и от температуры. Полученные нами экспериментальные
результаты, скорее всего являются следствием того, что при понижении температуры
туннелирование носителей заряда из квантовых ям уменьшается, и интенсивность
излучения светодиода падает (рис. 3 и 9).
Понижение температуры проводит к тому, что
в силу уменьшения энергии термической ионизации, в квантовых ямах
инжектированные носители заряда заполняют не только нижние, но и верхние
квантовые уровни. Идет накопление электрического заряда в квантовых ямах, что
сопровождается ростом внутреннего электрического поля в гетероструктуре. Когда
величина поля достигает критического значения, наступает туннельный «пробой»,
что сопровождается шнурованием тока (S-образная ВАХ на рис. 5) и резким увеличением
интенсивности излучения (рис. 6).
«Желтые» светодиоды изготавливаются из p-n-гомоструктур на основе
фосфида галлия (рис. 12). Основным механизмом излучательной рекомбинации в них
является экситонный [3]. Спектры излучения экситонов состоят из серии узких
полос. Вследствие температурного уширения спектральных полос при Т=300 К спектр
излучения «желтого» светодиода состоит из одной полосы со слабо выраженной
структурой (рис. 4,а). При понижении температуры от 300 до 90 К температурное
уширение спектральных линий постепенно «снимается» и при 90 К начинает
полностью проявляться квазидискретный спектр экситонной люминесценции (рис.
4,б). Интенсивность этой люминесценции будет определяться концентрацией
связанных электронно-дырочных пар, которая в свою очередь зависит от
концентрации инжектированных носителей заряда (рис. 7, 8).
ВЫВОДЫ
На основании проведенных экспериментов,
было установлено:
1. При температурах ниже - 200 С
наблюдаются нарушения режимов работы светодиодов, что сопровождается
изменениями в их спектральных и токовых характеристиках;
2. Температурная неустойчивость режимов
работы светодиодов определяется механизмом рекомбинации инжектированных
носителей заряда в гомо - и гетероструктурах.
Литература
1. А.Э. Юнович. Светит
больше - греет меньше. // Экология и жизнь. 2003, № 4 (33), с. 61-64.
2. В.Е. Кудряшов, А.Э
Юнович. Туннельная излучательная рекомбинация в p-n-гетероструктурах на
основе нитрида галлия // Журнал экспериментальной и теоретической физики, 2003,
т. 124, в. 5, с. 1133-1137.
3. В.И.Гавриленко, А.М.
Грехов, Д.В. Корбутяк, В.Г. Литовченко. Оптические свойства полупроводников
(справочник). // Киев: изд-во "Наукова Думка".-1987, с.369-379.