Анализ хозяйственно-экономической деятельности Сосногорского регионального центра связи Северной железной дороги - филиала ОАО "РЖД"

  • Вид работы:
    Отчет по практике
  • Предмет:
    Транспорт, грузоперевозки
  • Язык:
    Русский
    ,
    Формат файла:
    MS Word
    1,06 Mb
  • Опубликовано:
    2011-03-05
Вы можете узнать стоимость помощи в написании студенческой работы.
Помощь в написании работы, которую точно примут!

Анализ хозяйственно-экономической деятельности Сосногорского регионального центра связи Северной железной дороги - филиала ОАО "РЖД"

ФГОУ СПО

Ухтинский техникум железнодорожного транспорта филиал ПГУПС

Специальность «Эксплуатация средств связи»










Отчет по технологической практике


Выполнил студент группы 41-С

Елфимов М.В.








Ухта 2010 г.

1. Описание назначение предприятия, цеха, отдела и всех видов их деятельности. Техническая оснащенность

1.1 Сосногорский региональный центр связи Северной железной дороги – филиала ОАО «РЖД» структурное подразделение железной дороги образовалось с 1 июля 2006 года. Основной вид деятельности - осуществление технического обслуживания и ремонта устройств связи. Характерные особенности – Сосногорский региональный центр связи - 5 расположена в пределах Республики Коми и частично в Тюменской области. Общая эксплуатационная протяженность 1317 километров. Территория предприятия граничит: Север–железнодорожные пути, Восток - промзона, Юг – жилой массив, Запад – пустырь. Техническая оснащенность Сосногорского регионального центра связи составляет 649,219 условных технических единиц. Нормальное функционирование устройств связи обеспечивает штат в количестве 351 человека. В Сосногорском региональном центре связи имеются линейные участки ЦБС, КРП р/с, летучка связи, местная сеть, ЛАЗ, АТС, телефонно-телеграфная станция, экспресс, бригада магистральных кабелей, бригада по обеспечению бесперебойной работы, бригада пассажирской автоматики, группа техдокументации, диспетчерская группа, ремонтная мастерская.

Для регулирования движения поездов широко используется средства радиосвязи. В системе радиосвязи задействованы стационарные и локомотивные радиостанции. В РЦС применяются переносные радиостанции, технические средства парковой связи громкоговорящего оповещения.

Задействован целый комплекс устройств проводной связи, включающий в себя АТС, телеграфные станции, междугородные телефонные станции. Проводная связь осуществляется по ВЛ, МК и ВОЛС.

В процессе организации и выполнения работ по техническому обслуживанию и ремонту устройств связи должны выполняться требования: Правил технической эксплуатации железных дорог РФ (ПТЭ), Инструкции по сигнализации железных дорог (ИДП), должностных инструкций и других документов, устанавливающих обязанности работников, правил и инструкций по охране труда, санитарных правил и норм, Положения о дисциплине работников ж.д. транспорта РФ. 1.2. Основные производственные подразделения аппарата отделения находятся от ст. Крепежная - Ираель, ст. Троицко-Печерск, ст. Ираель – Печера, ст. Джинтуй – Инта и Усинск, ст. Нюр до ст.Воркута и от ст.Чум до ст. Лабытнанги. Руководство дистанции и АУР находятся по ст. Сосногорск в здании дома связи.

1.2 Общие правила поведения работников на территории, в производственных и вспомогательных помещениях административных зданий РЦС определены в Правилах внутреннего трудового распорядка.

1.3 Правила внутреннего трудового распорядка для работников Сосногорского регионального центра связи устанавливают общие положения, порядок приема и увольнения, основные права и обязанности работников режим работы и время отдыха, ответственность за нарушение трудовой дисциплины, взыскания и поощрения за успехи в работе. Положением о дисциплине работников ж.д. транспорта РФ, которые устанавливают права и обязанности работодателей и работников, рабочее время и время отдыха, поощрения за успехи в работе, трудовую дисциплину, технику безопасности и производственную санитарию.

связь усилитель диспетчер

2. Описание технологии содержания и ремонта устройств связи, измерительной техники.

Для обеспечения нормальной работы измерителя в период его эксплуатации проводятся профилактические работы. В объём профилактических работ входит:

A) Визуальный осмотр.

Проверка крепления органов управления, плавность их действия и чёткость фиксации, состояние лакокрасочных и гальванических покрытий, крепление деталей и узлов на шасси прибора, состояние резьбовых соединений, надёжность паек и контактных соединений, отсутствие сколов и трещин на деталях из фарфора и пластмассы, комплектность прибора и исправность запасного имущества, проверка общей работоспособности измерителя.

Б) Внутренняя и внешняя чистка.

Осмотр внутреннего состояния монтажа и узлов измерителя. Скопление пыли в приборе может вызвать перегрев и повреждение элементов, т.к. пыль служит теплоизолирующей прокладкой, предотвращает эффективное рассеивание тепла. Продуйте монтаж внутри прибора сухим воздухом. Обратите особое внимание на высоковольтные узлы и детали, т. к. чрезмерное скопление пыли и грязи в этих местах может вызвать пробой.

B) Смазка прибора.

Надёжность переключателей и других вращающих элементов можно увеличить за счёт соответствующей смазки.

Г) Проверка электрических параметров.

Условия окружающей среды, в которой находится прибор, определяют периодичность осмотра.

Рекомендуемые виды и сроки проведения ТО:

•Визуальный осмотр - каждые 3 месяца;

•Внутренняя и внешняя чистка - каждые 6 месяцев;

•Смазка - каждые 12 месяцев;

•Проверка электрических параметров - каждые 2 года.

При проведении профилактических работ следует выполнять меры безопасности.

Перечень основных регламентных работ и периодичность их выполнения при обслуживании по техническому состоянию.

Код

работы

Наименование профилактических работ

Установленная периодичность для режимов и значения факторов, определяющих режим



Нормальный

Облегченный

Легкий

7. Аппаратура избирательной связи (документы 12,13,16,37)

Линии и тракты

7.1

Измерение рабочего затухания цепей избирательной связи переменным током на частоте 800 Гц

1 раз в 3 месяца -Ф1

1 раз в 6 месяцев +Ф1,-Ф18

1 раз в год +(Ф1,Ф18)

7.2

Измерение затухания и модуля входного сопротивления физической цепи круга связи при включенных устройствах связи и ответвлениях цепи в спектре частот 0,3-2,4 кГц

1 раз в год



7.3

Измерение диаграммы уровней всего линейного тракта круга связи от линейного входа аппаратуры до ОП аппаратуры основной линии связи в спектре частот 0,3-2,4 кГц

То же



7.4

Измерение полного входного сопротивления линии и ответвления в месте подключения ответвления к основной связи в диапазоне частот 0,3-2,4 кГц

То же



7.5

Измерения псофометрического напряжения шума на оконечных пунктах

То же




3. График технологического процесса, текущего содержания устройств связи.

График технологического процесса, текущего содержания устройств связи составляется при помощи инструкции ЦШ 4669 (инструкция по организации системы технологического обслуживания устройств проводной связи на ж/д транспорте.)

Инструкция предназначена для руководства при организации и выполнении работ по техническому обслуживанию (ТО) и ремонту устройств проводной связи на ж/д транспорте с целью обеспечения их безотказности и готовности к использованию.

Инструкция устанавливает порядок и требования к организации системы ТО и ремонта устройств.

Требования настоящей инструкции обязательны для работников всех подразделений сигнализации, связи и вычислительной техники, в связанных с ТО, ремонтом и использованием устройств проводной связи, их строительством и реконструкцией.

4. Описание основных отказов в устройствах связи, методы их поиска и устранения

 

Устройства связи представляют собой комплекс 'сложных технических средств, состоящих из множества элементов и узлов, каждый из которых обладает определёнными параметрами, которые определяются техническими условиями.

Если при изготовлении были нарушены технические условия, то какой-либо из элементов может выти из строя и, в целом, всё устройство может отказать в работе.

Все отказы в технике связи можно подразделить на 3 основные группы:

1. Технологические отказы являются основной неисправностью. Их причинами могут быть: заводской брак, нарушение технологий при строительстве.

2. Конструкционные отказы - это, как правило, схемные недостатки, которые выражаются ошибками в функциональных схемах, а также неправильный выбор параметров элементов.

В настоящее время большое развитее получила такая наука, как техническая диагностика, которая дает возможность сократить время поиска до минимума.

Она рассматривает 2 основных метода поиска: комбинационный - характеризуется тем, что все операции планируются заранее, а их последовательность не имеет значения, и последовательный - который предусматривает наличие зафиксированного отказа.

В настоящее время комбинационный поиск носит название тестовый контроль. Он применяется в тех случаях, когда заранее неизвестно - исправно ли устройство или нет.

Последовательный поиск подразумевает внешний осмотр, способ замены и способ измерений.

Способ замены подразумевает изъятие элемента, узла, в котором обнаружен отказ или предполагается отказ и установка на его место другого исправного элемента.

Способ измерений - при проверке электрических цепей.

В аналоговой аппаратуре наиболее часто дают отказы такие элементы, как конденсаторы, аккумуляторы, предохранители и т.д.

Также широко применяются конденсаторы электролитические, но им свойственно постепенное снижение емкости, и потому их емкость нужно измерять не реже 1 раза в 3 года.

Изоляция монтажа также может являться причиной отказа.

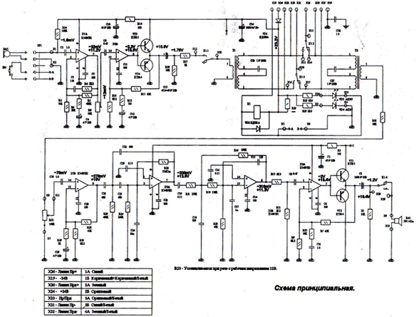
5. Принципиальная схема одного из обслуживающих устройств, приборов приспособлений

Назначение.

Усилитель диспетчера (УД) предназначен для двухстороннего усиления разговорных токов как в 2 – х проводных, так и в 4 – х проводных линиях. Он может, использован в качестве громкоговорящей установки для промежуточного пункта на железнодорожных станциях, а также в цепях избирательной участковой связи. Высокое качество приема и передачи речи усилителем обеспечивается применением на данный момент наилучших схемотехнических решений и современной интегральной элементной базы.

Устройство и работа усилителя.

В целом усилитель диспетчера «Геликон-С» содержит два раздельных усилителя: приема и передачи.

Передача осуществляется с электронного микрофона МК1, развивающей уровень – 4,4 дБ (-6 Нп) при разговоре на расстоянии 0,7-0,8 м.

С микрофона сигнал поступает на предусилитель, собранный на MCD 1.1, который формирует частотную характеристику речевого сигнала (300 Гц – 3,4 кГц) за счет частотно-зависимой обратной связи (R4, C3, C4, R6) и задает предварительное усиление сигнала, подстраиваемое резистором R8.

Далее сигнал усиливается каскадом, собранным на MCD 1.2. и транзисторах VT3 и VT4, через резистор R17, задающий выходное сопротивление усилителя, контакты переключающего реле К1.1 и трансформатор Т1 подается в линию.

Усилитель приема включен в линию через трансформатор Т2 и контакты К1.2 К1.3 переключающегося реле. Трансформатор Т2 нагружен на приемный резистор R32, являющейся регулятором громкости приема. С движка регулятора сигнал усиливается предусилителем на приеме. С движка регулятора сигнал усиливается предусилителем на микросхеме D3.1 и D2.2. этот фильтр обеспечивает высокие параметры усилителя приема и представляет собой последовательное включение фильтром верхних и нижних частот. Коэффициент передачи фильтров на частоте 800 Гц равен единице.

Принципиальная схема усилителя диспетчера «Геликон-С»

С выхода фильтров сигнал подается на оконечный усилитель D2.2, VT1, VT2, который в режиме приема нагружается на динамическую головку ВА1 с сопротивлением 4 Ома. Переключение режима прием – передача производиться кнопкой SB1, включающей реле К1. Индикация режима производиться светодиодами VD3, VD4.

6. Экономическая деятельность предприятия. Форма учета и оплаты труда. Система премирования

За время функционирования открытого акционерного общества «Российские железные дороги» накоплен положительный опыт стимулирования, применения эффективных форм мотивации высоких результатов трудовой деятельности.

Организационные и технологические преобразования, осуществляемые в Компании, во многом стали возможны благодаря введению, наряду с применением единой системы оплаты труда на основе Единой тарифной сетки (ETC), индивидуальных условий оплаты труда для отдельных категорий работников, применения гибких форм поощрения работников.

Введена система премирования руководителей филиалов и структурных подразделений, отдельных категорий специалистов, с учетом оценки личного вклада в результаты работы Компании.

Созданы новые формы мотивации работников основных производственных групп за обеспечение безопасности движения поездов.

Введены региональные выплаты работникам отдельных филиалов с учетом социально - экономических и демографических особенностей регионов.

Позитивные изменения в подходах к мотивации труда положены в основу настоящего Положения о корпоративной системе оплаты труда работников филиалов ОАО «РЖД».

Общие положения.

Положение о корпоративной системе оплаты труда работников филиалов ОАО «РЖД» разработано в соответствии со статьей 135 Трудового кодекса Российской Федерации и пунктом 88 Устава открытого акционерного общества «Российские железные дороги», утвержденного постановлением Правительства Российской Федерации от 18 сентября 2003 г. № 585.

1. Выплаты работникам филиалов ОАО «РЖД», не предусмотренные настоящим Положением, осуществляются в порядке, определенном Трудовым кодексом Российской Федерации и иными нормативными правовыми актами Российской Федерации.

2. Виды и размеры надбавок и доплат стимулирующего и компенсационного характера работникам филиалов ОАО «РЖД» определяет руководитель филиала или уполномоченное им лицо на основе настоящего Положения в пределах фонда заработной платы, предусмотренного в бюджете затрат филиала ОАО «РЖД».В тех случаях, когда в связи с организацией оплаты труда в соответствии с настоящим Положением у отдельных работников снижается уровень заработной платы, этим работникам за время их работы в данном филиале в той же должности выплачивается соответствующая разница в заработной плате.

3. Порядок оплаты труда работников структурных подразделений ОАО «РЖД» определяется положениями об оплате труда указанных структурных подразделений и утверждается президентом компании.

Оплата труда рабочих.

1. Оплата труда рабочих по часовым тарифным ставкам, определяемым на основе тарифной сетки по оплате труда рабочих.

2. Тарифная сетка по оплате труда рабочих состоит из четырех уровней оплаты труда:

·   первый уровень - для оплаты труда рабочих, занятых на работах, не связанных с движением поездов, содержанием технических средств и ремонтом подвижного состава;

·   второй уровень - для оплаты труда рабочих, связанных с движением поездов, ремонтом и обслуживанием железнодорожного подвижного состава и технических средств;

·   третий уровень - для оплаты труда рабочих, выполняющих работы по содержанию инфраструктуры на участках железных дорог со скоростным более 160 км/час и высокоскоростным движением пассажирских поездов: ремонт и обслуживание железнодорожных путей, устройств электроснабжения, сетей связи, систем сигнализации, централизации и блокировки;

·   четвертый уровень - для оплаты труда рабочих локомотивных бригад.

Перечень работ, оплата труда которых производится в соответствии с тарифными коэффициентами четвертого, третьего и второго уровней оплаты труда.

3. Оплата труда рабочих осуществляется по часовым тарифным ставкам по повременной, повременно - премиальной, сдельно - премиальной, аккордно - премиальной или иным утвержденным ОАО «РЖД» системам организации оплаты труда.

4. Месячная тарифная ставка рабочего первого разряда, оплачиваемого по первому уровню оплаты труда, соответствует минимальному размеру оплаты труда, установленному в ОАО «РЖД».

Часовая тарифная ставка рабочего первого разряда, оплачиваемому по первому уровню оплаты труда, определяется путем деления минимального размера оплаты труда, установленного в Компании, на среднемесячную норму рабочего времени данного календарного года.

Часовые тарифные ставки рабочих других разрядов квалификации определяются умножением часовой тарифной ставки рабочего первого разряда первого уровня оплаты труда на тарифный коэффициент разряда по оплате труда соответствующего уровня оплаты труда.

5. Оплата труда рабочих заводов в области ремонта подвижного состава, путевого хозяйства и электромеханических заводов, непосредственно занятых на: сборке и регулировке радиоэлектронной аппаратуры и приборов; ремонте и наладке основного технологического электро- и энерготехнического, экспериментального и научного оборудования; машин, механизмов, автомобилей и другого подвижного состава и изготовлении запасных частей к ним.

6. Руководителю филиала ОАО «РЖД» предоставляется право, в исключительных случаях, при необходимости дополнительной мотивации труда отдельных высококвалифицированных рабочих с повышенной результативностью труда, которым в установленном порядке присвоены классные звания или установлены надбавки за профессиональное мастерство, вводить взамен тарифных ставок и стимулирующих надбавок персональные месячные оклады. Персональные месячные оклады устанавливаются в пределах фонда заработной платы, предусмотренного бюджетом затрат филиала, и не могут превышать ранее установленную месячную тарифную ставку в 2 раза.

7. Оплата труда весовщиков, гардеробщиков, дворников, конюхов, лифтеров, рабочих по благоустройству населенных пунктов, сторожей (вахтеров), уборщиков мусоропроводов и т.д. осуществляется в виде фиксированного денежного содержания, определяемого ОАО «РЖД».

8. В бригадах рабочих, где по технологии работы не предусмотрен бригадир (освобожденный) предприятий железнодорожного транспорта, руководителем структурного подразделения может назначаться старший из числа рабочих бригады, к которому устанавливается доплата за руководство бригадой численностью от пяти до десяти человек - до 10 процентов тарифной ставки присвоенного разряда.

Оплата труда служащих.

Оплата труда служащих производится по месячным должностным окладам. Должностные оклады исчисляются исходя из тарифных коэффициентов, соответствующих разрядам оплаты труда служащих, и минимальной заработной платы, установленной в ОАО «РЖД».

Оплата труда руководителей и специалистов. Оплата труда руководителей и специалистов осуществляется по месячным должностным окладам.

1. Должности руководителей и специалистов отнесены к соответствующим диапазонам должностных окладов исходя из сложности и важности выполняемых трудовых функций, значимости в организационной структуре управления компании.

Диапазоны должностных окладов для руководителей и специалистов филиалов ОАО «РЖД», обособленных структурных подразделений, определяются применительно к аналогичным должностям руководителей и специалистов соответствующего уровня.

Группы железных дорог, отделений железных дорог, структурных подразделений железных дорог, структурных подразделений отделений и дирекций, железных дорог для отнесения руководителей и специалистов к диапазонам должностных окладов определяются в соответствии с распоряжениями ОАО «РЖД» от 9 марта 2005 г. № 312р, от 12 сентября 2005 г. № 1420р, от 23 марта 2006 г. № 486р.

2. Конкретный размер должностного оклада руководителям и специалистам устанавливается лицом, уполномоченным для заключения с ними трудового договора, в пределах фонда заработной платы, предусмотренного на эти цели.

Размер должностного оклада работника в пределах диапазона должностных окладов может быть пересмотрен при проведении аттестации в соответствии с Положением о проведении аттестации работников ОАО «РЖД», утвержденным президентом ОАО «РЖД» от 23 декабря 2005 г. № 1313.

3. Уровень должностных окладов для вновь вводимых должностей руководителей и специалистов устанавливается решением ОАО «РЖД».

4. Особенности оплаты труда руководителей филиалов ОАО «РЖД», руководителей структурных подразделений железных дорог, структурных подразделений отделений железных дорог приведены в положении № 10 к настоящему Положению.

Материальное поощрение.

1. Система материального поощрения вводится для мотивации работников на повышение эффективности индивидуальной и коллективной работы.

Премирование работников может осуществляться как за коллективные результаты работы - по конечным результатам работы всего трудового коллектива (смены, бригады, участка, структурного подразделения) с распределением премии в зависимости от трудоемкости выполненной работы по каждой профессии или должности и далее вклада каждого работника бригады с учетом коэффициента трудового участия, коэффициента качества выполнения работ, так и за индивидуальные достижения в работе.

2. Премирование руководителей, специалистов и служащих осуществляется за эффективность и результативность труда, достижение положительных финансово-экономических результатов и показателей производственной деятельности филиала, структурного подразделения филиала.

3. Показатели и размеры премирования работников филиала ОАО «РЖД», структурных подразделений железных дорог, структурных подразделений отделений (дирекций) железных дорог и обособленных структурных подразделений устанавливаются в положениях о премировании работников соответствующих подразделений утверждаемых руководителями филиалов ОАО «РЖД» или лицам, ими уполномоченными, предусмотренного в бюджете затрат филиала ОАО «РЖД» на эти цели.

4. Начисление премии производится на должностной оклад (тарифную ставку) за фактически отработанное время.

Работникам, непосредственно обеспечивающим безопасность движения поездов, может выплачиваться единовременное вознаграждение в соответствии с положением о вознаграждении работников ведущих должностей и профессий железных дорог за обеспечение безопасности движения поездов, утвержденным президентом ОАО «РЖД».

7. Действующие отраслевые стандарты и ГОСТы

Основным стандартом предприятий, внедренный в Сосногорской дистанции сигнализации и связи Северной железной дороги является Стандарт ОАО «РЖД» СТО РЖД 1.15.002 - 2008.

Стандарт разработан в связи с необходимостью гармонизации требований к управлению охраной труда в ОАО «РЖД» с международными документами в области охраны труда, основанных на Конвенции № 187 «Об основах, содействующих охране труда» и Рекомендации № 197 «Об основах, содействующих охране труда», принятых на 95-й сессии Генеральной конференции Международной организации труда 15 июня 2006 года, а также с принятием нового законодательства Российской Федерации в области охраны труда, реформированием железнодорожного транспорта, разделением функций хозяйственного управления и государственного регулирования, образованием ОАО «РЖД» и изменением структуры управления охраной труда.

Настоящий стандарт является основополагающим стандартом системы управления охраной труда в ОАО «РЖД».

Требования настоящего стандарта по принципам построения системы управления охраной труда, объединению ее отдельных функций в систему и применению основных терминов взаимосвязаны с требованиями межгосударственного стандарта ГОСТ 12.0.230-2007 «ССБТ. Системы управления охраной труда. Общие требования» и основными положениями Руководства по системам управления охраной труда Международной организации труда МОТ-СУОТ 2001 с учетом национальных условий, особенностей применения и практики управления охраной труда в ОАО «РЖД».

Настоящий стандарт предназначен для применения подразделениями аппарата управления ОАО «РЖД», железными дорогами, другими филиалами и структурными подразделениями ОАО «РЖД».

Применение настоящего стандарта дочерними обществами ОАО «РЖД» устанавливается соглашениями о взаимодействии ОАО «РЖД» и дочернего общества в соответствии с регламентом ОАО «РЖД».

Применение настоящего стандарта сторонними организациями оговаривается в договорах (соглашениях) с ОАО «РЖД».

В настоящем стандарте использованы ссылки на следующие стандарты:

ГОСТ 3.1120-83 Единая система технологической документации. Общие правила отражения и оформления требований безопасности труда в технологической документации

ГОСТ 12.0.004-90 Система стандартов безопасности труда. Организация обучения безопасности труда. Общие положения.

СТО РЖД 1.01.002-2005 Корпоративная система стандартизации ОАО «РЖД». Стандарты ОАО «РЖД». Правила разработки, утверждения, обно¬вления и отмены

СТО РЖД 1.21.001-2007 Организация технической учебы работников ОАО «РЖД». Общие положения.

8. Мероприятия по сохранению окружающей среды, решению экологических задач на предприятиях, участке, в цехе. Мероприятия по технике безопасности

Для сохранения окружающей среды, а РЦС ежегодно планируется организационно – технические мероприятия по охране труда и технике безопасности, а также мероприятия по улучшению условий труда работающих. Куда входят нормативные действия по предупреждению наездов подвижного состава, электротравматизма, приведению в нормативное состояние оборудование в соответствие с требованиями безопасности, машин и механизмов, в том числе модернизирование подвижного состава, подъемно-транспортного оборудования, приобретенного оборудования. Также мероприятия по улучшению пропаганды по охране труда. Туда входят оборудования кабинетов по охране труда, приобретению уголков по охране труда, проведению школ, семинаров, обучающих программ по охране труда, учебных пособий.

Меры по улучшению условий труда:

- Повышение освещенности рабочих мест;

- Создание нормального температурного режима на рабочих местах и предприятий;

- Проведение работ по аттестации рабочих мест;

- Стирка, химчистка спецодежды, проведение замеров вредных производственных факторов, выдача мыла и смывающих обеззараживающих средств;

- Услуги СЭС (дезинфекция), оборудование комнат отдыха.

Предприятием РЦС – 5 проводятся мероприятия по сохранению окружающей среды, решению экологических задач, например, утилизация люминесцентных ламп, уничтожение бытового мусора. Для этого существует специальный договор с предприятием, которое имеет право на это лицензию. Вышедшие из эксплуатации стационарные аккумуляторы демонтируются – серная кислота нейтрализуется щелочью и сливается в специальный резервуар; свинцовые пластины складываются в специализированное помещение, по мере накопления они сдаются как цветной металл.

При капитальном ремонте воздушной линии связи демонтируется стальная проволока – скручивается в бабины и вывозиться в складские помещения; пришедшие в негодность опоры вывозятся из черты города в определенное место и сжигаются; изоляторы, пришедшие в негодность, демонтируются и складируются в определенное место.

Меры по обеспечению пожарной безопасности:

- Пожарные шкафы;

- Рукава;

- Веревка пожарная спасательная;

- Огнетушители.

Проводится подготовка кадров, как рабочих, так и руководителей; повышение квалификации, учений по охране труда.

Библиография

1. Регламент взаимодействия ОАО «РЖД» с дочерними обществами по вопросам охраны труда, окружающей среды, промышленной и пожарной безопасности, производственного травматизма, утвержденный распоряжением ОАО «РЖД» от апреля 2007 г. № 577р.

2. Трудовой кодекс Российской Федерации от 30 декабря 2001 г. № 197-ФЗ

3. Положение об Управлении охраны труда, промышленной безопасности и экологического контроля ОАО «РЖД», утвержденное ОАО «РЖД»17 декабря 2006 г. №1540.

4. Распоряжение ОАО «РЖД» от 19 апреля 2005 г. № 53 8р «О дополнительных мерах безопасности труда при производстве работ по комплексной реконструкции участков железных дорог».

5. Правила разработки и утверждения на федеральном железнодорожном транспорте нормативных актов, содержащих требования охраны труда, утвержденные МПС России 21 марта 2002 г. № ЦБТ-882.

6. Положение об организации работы по подготовке и аттестации специалистов организаций, поднадзорных Федеральной службе по экологическому, технологическому и атомному надзору, утвержденное приказом Федеральной службы по экологическому, технологическому и атомному надзору от 29 января 2007 г. № 37 (зарегистрировано Минюстом России 22 марта 2007 г. № 9133).

7. Положение об организации обучения и проверки знаний рабочих организаций, поднадзорных Федеральной службе по экологическому, технологическому и атомному надзору, утвержденное приказом Федеральной службы по экологическому, технологическому и атомному надзору от 29 января 2007 г. № 37 (зарегистрировано Минюстом России22 марта 2007 г. № 9133)

8. Правила пожарной безопасности в Российской Федерации (ППБ 01-03), утвержденные МЧС России 18 июня 2003 г. № 313 (зарегистрированы Минюстом России 27 июня 2003 г. № 4838)

9. Положение об организации обучения по охране труда и проверки знаний требований охраны труда работников открытого акционерного общества «Российские железные дороги», утвержденное распоряжением ОАО «РЖД» от 11 июня 2004 г. № 2529р

10. Порядок проведения аттестации рабочих мест по условиям труда, утвержденный приказом Минздравсоцразвития России от 31 августа 2007 г. № 569 (зарегистрирован Минюстом России 29 ноября 2007 г. № 10577)

11. Положение о порядке обеспечения работников железных дорог - филиалов ОАО «РЖД» и функциональных филиалов ОАО «РЖД» средствами индивидуальной защиты, контроля за их качеством, содержания' эксплуатации и ухода, утвержденное ОАО «РЖД» 19 сентября 2006 г. № ВП-8343.

12. Инструкция о порядке подготовки к работе в зимний период и организации снегоборьбы на железных дорогах ОАО «РЖД», утвержденная ОАО «РЖД» 19 июня 2006 г.

13. Правила пожарной безопасности на железнодорожном транспорте, утвержденные МПС России 11 ноября 1992 г. № ЦУО-112 (зарегистрированы Министром России 24 декабря 1992 г. № 112).

 

Похожие работы на - Анализ хозяйственно-экономической деятельности Сосногорского регионального центра связи Северной железной дороги - филиала ОАО "РЖД"

 

Не нашли материал для своей работы?
Поможем написать уникальную работу
Без плагиата!
Без нейросетей!