Система дистанционного управления главного двигателя Sulzer 6RTA58

  • Вид работы:
    Курсовая работа (т)
  • Предмет:
    Транспорт, грузоперевозки
  • Язык:
    Русский
    ,
    Формат файла:
    MS Word
    52,06 kb
  • Опубликовано:
    2011-01-24
Вы можете узнать стоимость помощи в написании студенческой работы.
Помощь в написании работы, которую точно примут!

Система дистанционного управления главного двигателя Sulzer 6RTA58

Министерство транспорта Российской Федерации

Федеральное государственное образовательное учреждение

ГОСУДАРСТВЕННАЯ МОРСКАЯ АКАДЕМИЯ

Имени адмирала С. О. Макарова

Кафедра «Двигатели внутреннего сгорания и АСУСЭУ»




Курсовой проект

на тему

СДУ главного двигателя Sulzer 6RTA58

по дисциплине «Автоматизированные системы управления судовыми энергетическими установками»

Пояснительная записка


Исполнитель курсант Захаров К.А.

группа М-552

Руководитель Бусыгин В.П.




Санкт-Петербург 2009

Введение

В данном курсовом проекте рассматривается система дистанционного управления двигателем Sulzer 6RTA58. Система базируется на общеизвестных признаках построения систем ДАУ (RD 90, RD72 и т. д.).

Основная цель системы – уменьшение трудозатрат судовой команды по управлению судном и повышение безопасной эксплуатации ГД при маневрировании, а также минимальная загрузка оператора (штурмана) на мостике и освобождение вахтенного механика от постоянного пребывания у поста управления ГД.

1.Тип двигателя

Двигатель – 6RTA58, малооборотный, длинноходовой, двухтактный.

Вид продувки – прямоточноклапанная

Пуск – раздельный

Тип гребного винта - ВРШ

2.Общая характеристика системы управления

Наименование – система дистанционного управления (СДУ) дизелем фирмы Sulzer марки 6RTA58 электрогидравлическая с логической частью, выполненной на элементах электроники. Исполнительная часть – гидравлического типа. Основной орган управления совмещается с машинным телеграфом. Положение органа управления определяется сочетанием частоты и изменением нагрузки.

Имеется 3 поста управления:

- с мостика

- с ЦПУ

- местный (аварийный) пост управления МПУ.

Связь между постами электрическая, путем электромагнитных клапанов и реле.

3.Список функций системы управления.

СДУ осуществляет следующие основные функции:

1.   Пуск и автоматические попытки пуска

2.   Реверс

3.   Ввод двигателя в режим работы и задание программы разогрева – охлаждения

4.   Ограничение топливоподачи

5.   Защита двигателя от перегрузки

6.   Поддержание режима работы двигателя

Дополнительные функции:

- аварийный стоп и пуск

- задание по частоте вращения

- установка пусковой топливоподачи при пуске

- отключение пускового воздуха при достижении пусковой частоты вращения

- удержание пусковой топливоподачи в течение заданного времени

- ускоренное прохождение критической зоны

- запрет работы в критической зоне

- защита двигателя по параметрам снижения нагрузки (slow down) и - остановки двигателя (shut down)

- защита двигателя по пониженному давлению масла и охлаждающей воды

- блокировка подачи пускового воздуха до завершения реверса распределительных органов

- блокировка пуска при включенном валоповоротном устройстве

- блокировка подачи топлива при вращении вала в направлении противоположном заданному.

4.Особенности двигателя как объекта управления. Краткое описание пуско-реверсивной системы.

Двигатель Sulzer 6RTA58 является двигателем с раздельным пуском, имеет клапанный ТНВД с регулированием по началу подачи. Способ пуска дизеля – сжатым воздухом под давлением 30 кг/см2.

Схема газообмена – прямоточно - клапанная.

Имеется ВРШ, а также имеется дополнительный канал реверса в случае отказа механизма изменения шага (МИШ), либо поломки лопастей гребного винта (в этом случае реверс осуществляется поворотом распределительного вала и аксиального перемещения вала золотникового воздухораспределителя).

Установка ВРШ имеет ряд особенностей, а именно:

1)   Расширение области рабочих режимов двигателя

2)   Пуск двигателя производится без нагрузки

3)   Реверс установки осуществляется разворотом лопастей гребного винта

Таким образом, ВРШ дает возможность эффективно решать задачи обеспечения экономичности работы СЭУ. Экономичность установки в основном определяется КПД винта. При постоянной скорости судна КПД повышается по мере увеличения шага винта и уменьшения частоты вращения, достигая наибольшего значения при конструктивном шаге вблизи ограничительной характеристики. В связи с этим, наиболее экономичные и предельно доступные режимы, как правило, довольно близки друг к другу. Это свойство облегчает поиск оптимальных режимов.

Отметим, что КПД винта и пропульсивный КПД возрастают при увеличении скорости судна, а также, как отмечено выше, при постоянной скорости судна, при увеличении шага и одновременном уменьшении частоты вращения винта.

Данный двигатель имеет симметричный топливный кулачок и реверсируется путем разворота распределительного вала на некоторый угол, а также смещением кулачков золотникового воздухораспределителя.

Пуско – реверсивная система включает в себя следующие элементы:

1 .Пусковая система.

Пусковой золотник, кулачки для пускового золотника, запорный клапан пускового воздуха, обратный клапан, распределительный клапан, дренажно – контрольный клапан, пусковой клапан, предохранительный клапан, маховик запорного клапана, пусковая кнопка, блокировочный клапан для медленного проворачивания, распределительный клапан, регулируемый дроссель, обратный клапан, пусковой клапан (ДАУ), пусковой клапан (ЦПУ), внезапный маневр (ЦПУ), кнопочный выключатель для сигнализации «внезапный маневр».

2. Система реверсирования.

Реверсивный серводвигатель, реверсивный золотник, рукоятка реверсирования, рукоятка реверсирования (ЦПУ), двухпозиционный цилиндр, реверсивный двигатель для управления запуском, блокировка рукоятки реверсирования 5.04 в случае включения заднего хода, коммутационный контакт для возврата к нулевому положению, если рукоятка реверсирования 5.04 находится в положении «Стоп».

5. Описание отдельных каналов принципиальной схемы системы управления.

Канал управления – цепь последовательно преобразующих и усиливающих устройств, воспринимающих и усиливающих устройств, воспринимающих входной сигнал того же функционального назначения. Структурная схема ПРС в основном имеет три канала: канал пуска, канал реверса, канал управления частотой вращения (топливоподачей), канал переключения постов.

Канал пуска

Элементы данного канала приведены в таблице №1.

Название

Назначение

2.03

Главный пусковой клапан (запорный клапан)

Подает пусковой воздух из баллонов через воздухораспределитель к пусковым клапанам цилиндра

2.05

Распределительный клапан

Стравливает воздух из нижней полости ГПК. Таким образом, ГПК открывается под действием пружины.

2.07

Пусковой клапан

Подает пусковой воздух непосредственно в цилиндр ГД

2.12

Пусковая кнопка

Подает сигнал «Пуск» с местного поста управления.

49НА

Двухпозиционный 4-х ходовой клапан с пневматическим и ручным управлением

Подает команду на «Пуск»

53НЕ

Двухпозиционный 3-х ходовой клапан с гидроуправлением

Блокирует пуск с МПУ при неоконченном реверсе

53НD

Двухпозиционный 3-х ходовой, пневмоуправляемый

Блокирует пуск, если до этого был открыт ГПК.

73НВ

Двухпозиционный 3-х ходовой электромагнитный клапан

Блокирует пуск при неисправной вспомогательной воздуходувке

31НА

Двухпозиционный 3-х ходовой клапан с механическим управлением

Блокирует пуск при включенном валоповоротном устройстве

29V

Двухпозиционный 3-х ходовой пневмоуправляемый клапан

Блокирует пуск из ЦПУ при неоконченном реверсе

266НВ

Двухпозиционный 3-х ходовой клапан с ручным управлением

Подает команду «Пуск» из ЦПУ

88НА

Двухпозиционный 3-х ходовой самоудерживающийся клапан, пневмоуправляемый

Подает питающий воздух к рукоятке переключения постов управления

50НР

Двухпозиционный 3-х ходовой пневмоуправляемый клапан

Подает воздух к воздухораспределителю от ГПК

194НА

Двухпозиционный 3-х ходовой пневмоуправляемый клапан

Подает сигнал об окончании пуска

105НВ

Клапан типа «ИЛИ»

Пропускает управляющий сигнал на клапан 50НР от клапана 49НА, либо от устройства медленного проворачивания.

303Z

Устройство переключения постов управления

Переключает питание воздухом на ЦПУ или ДАУ


Этот канал начинается с пусковой кнопки 2.12,которая соединена с пусковыми клапанами 2.21 (установка ДАУ) и 2.22 (ЦПУ). Пусковой воздух из пусковых баллонов 9.01 давлением 3 МПа поступает к главному пусковому клапану 2.03, откуда он идет через пламегаситель 2.08 к пусковым клапанам цилиндров двигателя. Управляющий воздух через линию 401 поступает в клапан 30А, который освобождает путь для управляющего воздуха в клапан 29V. При нажатии кнопки 2.12 управляющий воздух нагружает клапан 49НА и одновременно возбуждает пусковой бустер 2.14 для регулятора числа оборотов. Вследствие этого распределительный клапан 2.05 открывает запорный клапан 2.03 путем удаления воздуха нижней полости клапана. Одновременно срабатывает клапан 50НР, установленный на пусковом распределительном золотнике 2.01.

После этого процесса распределительные толкатели пускового распределительного золотника нажимают на кулачок 2.02. Таким образом, управляющий воздух через обратный клапан 2.04 и клапан 194НА по открытым каналам пусковых распределительных (каналов) толкателей может поступать в пусковые клапана 2.07,которые открывают путь для подачи сжатого воздуха к цилиндрам.

При выборе программы медленного проворачивания используются система клапанов, через которые в цилиндр подается воздух с пониженным расходом. Расход воздуха уменьшается с помощью дросселя.

Канал реверса

Элементы данного канала приведены в таблице №2.

Таблица №2

Название

Назначение

5.01

Реверсивный серводвигатель

Реверсирует распредвал; распредвал приводит в действие ТНВД и гидропривод выпускного клапана

5.02

Реверсивный золотник

Задает направление реверса путем изменения направления движения гидравлического масла

5.03

Рукоятка реверсирования из МПУ

Для задания направления вращения ГД; остановки. Непосредственно соединена с реверсивным золотником.

5.04

Задает направление вращения двигателя из ЦПУ; передает сигнал «СТОП»

5.05

Двухпозиционный цилиндр

Поворачивает распредвал в соответствии с заданием из ЦПУ

5.06

Реверсивный двигатель

Реверсирует воздухораспределитель, лубрикатор, подает сигнал ореверсе на регулятор

6.01

Стопор направления вращения

Блокирует пуск, получает сигнал от серводвигателя 5.06

31HF

Двухпозиционный 3-хходовой клапан с механическим приводом

Является задатчиком реверса в направлении «ВПЕРЕД»; преобразует механический сигнал от рукоятки реверса в ЦПУ в пневмосигнал на двухпозиционный цилиндр 5.05

31HE

Двухпозиционный 3-хходовой клапан с механическим приводом

Является пневмозадатчиком реверса в направлении «НАЗАД»

9C

Клапан типа «ИЛИ»

Пропускает сигнал от одного из датчиков контроля положения реверсивного серводвигателя (23А; 23В)

23A

Двухпозиционный 3-хходовой пневмоуправляемый клапан

Подает сигнал о законченном реверсе в направлении «НАЗАД», т.о. снимая блокировку «ПУСКА» из ЦПУ

23B

Двухпозиционный 3-хходовой пневмоуправляемый клапан

Подает сигнал о законченном реверсе «ВПЕРЕД»

30A

Двухпозиционный 3-хходовой пневмоуправляемый золотник

Передает сигнал на клапан 29V

37B

Двухпозиционный 3-хходовой электромагнитный клапан

Подает сигнал «СТОП» из ЦПУ на серводвигатель «ОСТАНОВКА»

53HH

Двухпозиционный 3-хходовой гидроуправляемый клапан

Передает сигнал на клапан 23В, т.о. разблокируя пуск в направлении «НАЗАД»

53HG

Двухпозиционный 3-хходовой клапан с механическим управлением

Передает сигнал на клапан 23А, т.о. разблокируя пуск в направлении «НАЗАД»

31НВ

Двухпозиционный 3-хходовой клапан с механическим управлением

Разблокирует команду «СТОП» со вспомогательного поста управления

53НВ

Двухпозиционный 3-хходовой гидроуправляемый клапан

Снимает блокировку «ПУСКА» по неправильному направлению вращения


Этот канал начинается с рукоятки реверса 5.04, повернув которую, мы задаем желаемую направлению вращения коленчатого вала двигателя. Рассмотрим направление вращения «ВПЕРЕД». При повороте рукоятки 5.04 воздух через клапан 31HF поступает в канал 301 и нагружает двухпозиционный цилиндр 5.05,который в свою очередь устанавливает реверсивный золотник 5.02, вместе с рукояткой реверсирования 5.03 в положение «ВПЕРЕД». Масло давлением до 1.6 МПа поступает в реверсивный серводвигатель 5.06 для управления запуском и течет к реверсивным двигателям 5.01 топливных насосов, вращая их в желаемое положение. Одновременно выпускается воздух из линии 605 через клапан 53НН,через который он (воздух) по линии 302 поступает к клапану 23В, который разблокирует запуск в направлении «ВПЕРЕД». Вместе с этим удаляется воздух из линии 605 через клапан 31НВ и, т.о. блокировка «ОСТАНОВКА» со вспомогательного маневрового поста. При достижении реверсивным серводвигателем 5.06 концевого положения, срабатывает клапан 53НЕ. После этого управляющий воздух через линию 401 поступает в клапан 30А, который открывает путь для управляющего воздуха в клапан 29V (деблокировка задерживается на 3-4 секунды из-за наличия предвключенного объема воздуха с дросселем). По истечении описанного процесса управления срабатывает клапан 29V, после чего нужно начинать процесс самого запуска через пусковой клапан 2.21 (электрическое возбуждение).

После поворачивания всех реверсивных серводвигателей возможно удаление воздуха из линии 601 через клапан 53HI, 53HK и т.д. В результате этого неправильное положение серводвигателей деблокировалось бы. Эта деблокировка, однако, может осуществляться и позже, например, если один из реверсных серводвигателей из-за возможной тугой подвижности застревает и надо будет привести его в соответствующее положение только при помощи вращающегося двигателя. По истечении этого процесса в результате вентиляции линий 602 и 601 выпускается воздух также из линии 603 через линии 602 и/или 601. После этого серводвигатель «ОСТАНОВКА» 6.03 через клапан 53НА переводится в рабочее положение. Одновременно продувается воздушный цилиндр 3.10 через клапан 53НС.

Если под давлением масла, включительно вращающимся на пусковом воздухе двигателем, один из резервных серводвигателей топливных насосов не был переведен в концевое положение, то из линии 601 и, тем самым, из линии 603 воздух не удаляется. Серводвигатель 6.03 остается в положении «СТОП», а регулятор 1.03 не может управлять тягами топливных насосов из-за выпуска воздуха из воздушного цилиндра 3.10, т.е. ГД будет вращаться на воздухе, но не запустится.

Канал управления частотой вращения.

Элементы данного канала приведены в таблице №3.

Таблица №3.

Название

Назначение


3.01

Топливная форсунка

Впрыск топлива в цилиндр двигателя


3.02

ТНВД

Создание необходимого давления топлива перед форсункой


3.03

Топливный кулачок

Привод в действие ТНВД


3.04

Указатель нагрузки

Задание топливоподачи


3.05

Устройство VIT

Изменение угла опережения подачи топлива


3.07

Эксцентриковый вал всасывающего клапана

Регулирует момент открытия всасывающего клапана

Промежуточный регулировочный клапан

Регулирует момент открытия всасывающего клапана


3.09

Промежуточный регулировочный вал

Участвует в передаче сигнала от регулятора на VIT, сигнал от сервомотора «ОСТАНОВКИ» передает сигнал на корректировку подачи лубрикаторного масла


3.10

Воздушный цилиндр для соединения регулятора с тягой

Связывает регулятор частоты вращения и регулировочный вал 3.09


1.03

Регулятор «Вудвард» типа PGA

Поддерживает частоту вращения ГД на заданных режимах


3.12

Рукоятка подачи топлива

Задает величину топливоподачи


3.13

Предохранительный клапан

Защищает ТНВД от поломки


113HG

Клапан типа «ИЛИ»

Подает надувочный воздух либо воздух питания на регулятор «Вудвард»


31HC

Двухпозиционный 3-хходовой клапан с (пневмоприводом) механическим управлением

Подает пневмосигнал на включение топливоподачи


53HC

Двухпозиционный 3-хходовой пневмоуправляемый клапан

Подает воздух питания в воздушный цилиндр



53HA

Двухпозиционный 3-х ходовой пневмоуправляемый клапан

Подает воздух управления на сервомотор остановки двигателя

 


6,03

Сервомотор остановки двигателя

Подает сигнал через регулировочный вал и VIT на ТНВД о нулевой подаче

 


9U

Клапан типа «ИЛИ»

Подает сигнал на открытие клапана 53НС от МПУ или ДАУ

 


9H

Клапан типа «ИЛИ»

Подаст воздух на клапан остановки ГД из ЦПУ или МПУ

 


24C

Двухпозиционный 3-х ходовой пневмоуправляемый клапан

Подает команду «стоп» от вспомогательного МПУ

 


3A

Двухпозиционный 3-х ходовой клапан с ручным управлением

Подаст воздух к клапану 24С от МПУ на остановку ГД

 


Этот канал начинается с топливной рукоятки 3.12, повернув которую, мы, во-первых, устанавливаем указатель нагрузки в нужное положение, а во-вторых регулируем требуемое начало впрыска (3.07;3.08) топлива через систему рычагов. Одновременно с этим поворачивается промежуточный регулировочный вал 3.09, который в свою очередь, перемещает поршенек цилиндра соединения регулятора с тягой. С другой стороны, в этот цилиндр подводится воздух через клапан 53НС из магистрали питания воздухом управления.

Перемещением топливной рукоятки мы также воздействуем на клапан 31НС, который подает воздух управления к клапану 24С (линия 604) включения вспомогательного управления. Далее, по линии 603 воздух подается на клапан53НА, тем самым вводя в действие серводвигатель останова и упор максимальной подачи топлива для защиты двигателя от перегрузки.

После запуска ГД регулятор берет на себя управление топливной тягой всех ТНВД и регулирует количество подаваемого в цилиндры топлива путем перемещения поршенька цилиндра 3.10

5. Описание порядка работы каналов управления

- Реверсирование и запуск в направлении «Вперед»

Для этого выключатель в пульте управления должен быть включен на положение «Винт фиксированного шага», причем следует проверить, установлен ли действительно гребной винт регулируемого шага на «Полный вперед» (при необходимости установить). Как только кнопочный выключатель 10.02 (266НА) включится и самоудерживающийся клапан 88НА срабатывает, через соединительный патрубок 10/2 двухпозиционный цилиндр 5.05 нагружается давлением краном переключения 10.01 при том условии, если рукоятка реверсирования 5.04 перестановлена в положение «Вперед». Двухпозиционный цилиндр перестанавливает реверсивный золотник 5.02 и вместе с ним и рукоятку реверсирования 5.03 в положение «Вперед.

Масло давлением до 1,6 МПа течет к реверсивному серводвигателю для управления запуском 5.06 и к реверсивным серводвигателям топливных насосов 5.01 и поворачивает их в желаемое положение.

Одновременно через клапан 31НВ удаляется воздух из линии 605 и, тем самым отменяется блокировка останова со вспомогательного маневрового поста. Сверх того, через клапан 53НН сигнализируется ящику органов управления положения «Вперед» реверсивного золоника 5.02 и клапан 23В, деблокирующий блокировку запуска для направления «Вперед», включается.

Как только реверсивный серводвигатель для управления запуском 5.06 занял концевое положение, включается клапан 53НЕ. После этого управляющий воздух поступает через линию 401 в клапан 30А, освобождающий путь для управляющего воздуха (ответственного из линии 301) к клапану 29V (деблокировка в результате предвключенной воздушной емкости с дросселем задерживается на 3 – 4 сек.).

По истечении этого процесса управления включается клапан 29V и процесс запуска можно начать включением пускового клапана 2.22 (266НВ).

Сейчас управляющий воздух через линию 402 нагружает давлением клапан 49НА и управляет пусковым бустером для регулятора частоты оборотов 2.14, и через распределительный клапан 2.05 запорного клапана 2.03 открывается удалением воздуха из нижней полости клапана. Одновременно включается и клапан 53НР на пусковом распределительном золотнике 2.01. По истечении этого процесса распределительные толкатели пускового распределительного золотника 2.01 нажимаются на кулачок 2.02. С этого момента управляющий воздух может поступать через обратный клапан 2.04 и клапан 194НА, а также через открытые каналы пусковых распределительных толкателей к пусковым клапанам 2.07, которыми управляется подача пускового воздуха к цилиндрам.

Как только двигатель начинает вращаться, система управления направлением вращения 6.01 переустановится в концевое положение для направления вращения «Вперед». Давление масла сейчас может управлять клапаном 53НВ, удаляющим пусковой воздух из линии 602 и этим деблокирует блокировку для неправильного направления вращения.

При включении самоудерживающегося клапана 88НА, совершенного проворачиванием двухпозиционного цилиндра 5.05 реверсивного золотника, и после перестановки рукоятки реверсирования 5.04 в положение «Вперед» давление масла было в состоянии повернуть не только реверсивный серводвигатель для управления запуском 5.06, а также реверсивные серводвигатели топливных насосов 5.01. После проворачивания всех реверсивных серводвигателей, возможно, удалить воздух из линии 601 через клапаны 53HI, 53НК и т.д.

Этим блокировка для неправильного положения реверсивных серводвигателей была бы деблокирована. Данная деблокировка, конечно, может произойти и позже, когда, например, один из реверсивных серводвигателей застревает из-за возможной тугой подвижности, и если это произойдет, то следует перевести его в соответствующее положение при помощи вращающегося двигателя.

По истечении этого процесса управления, из-за удаления воздуха из линий 602 и 601 воздух выпускается из линии 603 через линии 602 и/или 601. Затем серводвигатель останова 6.05 через клапан 6.03 переводится в рабочее положение. Одновременно воздушный цилиндр 3.10 продувается через клапан 53НС.

Регулятор числа оборотов 1.03, который уже был возбужден клапаном тонкой настройки 1.01, с этого момента принимает на себя управление регулирующими тягами топливных насосов и настраивает подачу соответствующего количества топлива, так как он уже является работоспособным благодаря возбуждению пусковым бустером 2.14.

- Реверсирование и запуск в направлении «Назад»

Для этого выключатель в пульте управления должен находиться в положении «Винт фиксированного шага».

Реверсирование и запуск в направлении « Назад» возможны только в том случае, если гребной винт не установлен на шаг заднего хода.

Процесс управления проходит аналогично процессу «Реверсирование и запуск в направлении «Вперед», причем возбуждаются соответствующие линии и приборы обратного ответвления. После вызова сигнала рукояткой реверсирования 5.04 через соединение 9/1 в кране переключения 10.01 он передается на двухпозиционный цилиндр 5.05 через линию 201 и этим вызывается проворачивание реверсивного золотника 5.02.

Через клапан 53HG осуществляется исполнительная сигнализация через линию 202 и нагружается давлением клапан 23А. Тем самым, в том случае, если система управления запуском (линия 401) занимает концевое положение и клапан 30А в результате этого возбуждается, а реверсивные серводвигатели тоже занимают концевое положение при правильном направлении вращения, деблокируется впрыск топлива.

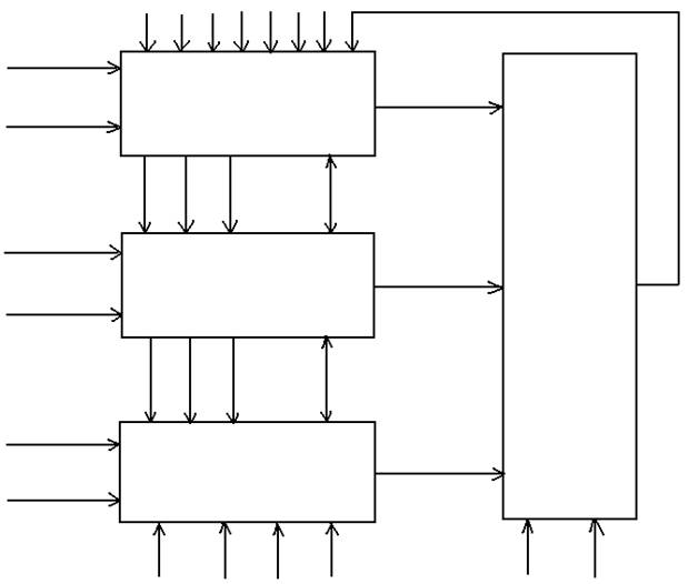
6.Разработка структур системы ДАУ и ПРС

Структурная схема ПРС подразделяется на три основных клапана: пуск, реверс, и частоты вращения.

Составим структурную схему данного двигателя.

Рис.1 Структурная схема системы управления.

Обозначение сигнала

Наименование сигнала

Логическа величина

Рт

Сигнал от рукоятки топливоподачи на МПУ

1

Сигнал о задании режима от СДУ

0

Pp

Сигнал от рукоятки реверса на МПУ

1

Zp

Сигнал реверса от системы ДАУ

0

Рп

Рукоятка управления пуском на МПУ

1

Zп

Сигнал пуска от ДАУ

0

Рм

Давление масла системы

1

Рб

Давление пускового воздуха

1

@

Сигнал поворота распределительного вала

1

Давление управляющего воздуха

1

Сигнал о теплоте сгорания топлива

аналог

Pb

Сигнал для защиты по давлению охлаждающей воды

0


Таблица 2. Условные обозначения промежуточных каналов.

Рм

Давление масла системы

1

уТВ

Межканальные связи

-

Xcм

Сигнал о срабатывании золотника управления реверсом

1

Xрп

Выходной сигнал сервомотора реверса распред.вала об окончании реверсирования

1

Xрв

Сигнал от датчика фактического вращения

1

Yi

Межканальные связи

-

nвр

Сигнал о частоте вращения

аналог


Таблица 3. Условные обозначения выходных каналов.

Положение топливной рейки


Давление масла системы

1

Давление пускового воздуха

1

-   РУ мостика — ручка управления двигателем с мостика, задающая команды направления вращения винта Xрев: вперед — стоп — назад и частота вращения Xn.зад.

-   Yп.зад.мин — входной сигнал в канал управления пуском «1» логического уровня, соответствующий минимальной заданной частоте вращения.

-   Yрев.вып. - входной сигнал канала управления пуском «1» логического уровня, соответствующий выполнению реверса сервомотором системы ДАУ.

-   Zn — выходной сигнал канала управления частотой вращения, несущий информацию об уровне заданной частоты вращения.

-   Zp — выходной сигнал канала управления реверсом.

-   Zп — выходной сигнал канала управления пуском ГД.

-   П — сигнал питания системы вспомогательной энергией.

-   РПП — сигнал от ручки переключения постов.

На центральном посту (ЦПУ) располагаются ручки управления двигателем:

-   РТ — задание частоты вращения (топлива) двигателю.

-   РП — задание пуска.

-   РР – задание реверса.

-   Yi — сигналы межканальной связи.

К пуско – реверсивной системе относятся:

-   РТ; РР; РП — ручки управления с местного поста управления (МПУ) положением рейки ТНВД, реверсом и пуском, соответственно.

-   Рм; Рв — вспомогательная энергия давления масла и пускового воздуха, соответственно.

7.   Алгоритмическая схема пуско-реверсивной системы.

Алгоритмическая схема пуско-реверсивной системы двигателя «Sulzer» взята из методических указаний.

Далее из схемы выделим наиболее сложные элементы, в которых производится обработка сигналов.

А) Механическая блокировка рычагов управления. Наглядное изображение представлено на рис. 2.

X1, X2, X3 – входные сигналы;

Z1 – выходной сигнал.

Таблица №4. Таблица соответствия сигналов

X1

X2

X3

Z1

0

0

0

0

0

1

0

0

1

0

0

0

1

1

1

1

1

0

1

0

0

1

1

0


Z1=X1*X2*X3

B) Клапан блокировки валоповоротного устройства.

Таблица соответствия сигналов

Таблица №5

X1

X2

X3

Z1

0

0

0

0

0

1

0

0

1

0

0

1

1

1

1

1

0

1

0

0

1

1

0


Z1=X1*X2*X3

C) Золотник блокировки топливоподачи.


Таблица №6. Таблица соответствия сигналов

X1

X2

Z1

0

0

0

0

1

0

1

0

0

1

1

1


Z1=X1*X2

8.   Расположение органов управления

Управляющая система разработана для дистанционного управления главного двигателя с помощью телеграфа и рукоятки задания скорости в рулевой рубке. Перемещая эту рукоятку, система автоматически запускает, останавливает, реверсирует и задает скорость главному двигателю. Запуск, остановка и реверсирование выполняются электрогидравлической дистанционной системой управления, тогда как управление скоростью выполняется электропневматической системой регулятора. Предусмотренная система безопасности, содержащая функции остановки, снижения оборотов и аварийной остановки, защищает двигатель от повреждений.

Маневрирование: выполняется рукояткой в рулевой рубке, электрическими и пневматическими сигналами.

Запуск, остановка, реверсирование: автоматически реализуются рукояткой в рулевой рубке через Дистанционную систему управления и воздушные клапаны на ГД.

Управление скоростью: контролируется автоматически; установка передается от рукоятки в рулевой рубке через систему дистанционного управления системе регулятора и пневматическому исполнительному механизму на ГД.

9.   Технологическая последовательность управления главным двигателем системой ДАУ (канал пуска)

1.   Исходное состояние системы: электрическое питание к системе ДАУ подведено, валоповоротное устройство выведено из зацепления, топливо, давление пускового воздуха и масло подготовлены, давление охлаждающей воды и масла находятся в требуемых пределах.

2.   Непосредственный запуск двигателя:

2.1 поворачивается ручка телеграфа на мостике. Причем ручка может быть повернута с любой скоростью и в любое положение;

2.2 сигнал от ручки телеграфа поступает на электронный блок управления;

2.3 от блока управления, после проверки наличия блокировок, электрический сигнал поступает на регулятор и на РПС самого двигателя;

2.4 далее происходит сравнение заданного направления вращения с положением распределительных органов двигателя посредством золотника реверса и золотника блокировки топливоподачи;

2.5 при отсутствии рассогласований происходит разблокировка рукоятки пуска, которая жестко связана с приемным телеграфом;

2.6 от пусковой рукоятки с помощью механических связей сигнал передается к клапану управления пуском;

2.7 далее от КУП пневматический сигнал идет на разгрузочный клапан главного пускового, с помощью которого производится связь нижней полости ГПК с атмосферой, и на золотники воздухорапределителя;

2.8 после срабатывания разгрузочного клапана ГПК открывается и пропускает огромные массы воздуха из баллонов к воздухораспределителю;

2.9 воздухораспределитель подает пусковой воздух в цилиндр, поршень которого находится немного за ВМТ. Двигатель начинает проворачиваться под действием воздуха;

2.10   после достижения двигателем пусковых оборотов происходит детонация топлива. Далее двигатель разгоняется до требуемых с мостика оборотов за счет энергии сгорания топлива, разгрузочный клапан ГПК закрывается и происходит отсечка воздуха;

2.11   с момента начала подачи пускового воздуха в цилиндры блок управления производит отсечку времени, чтоб при неудачном пуске прекратить пуск по истечению времени, так же выбираются и условия пуска, обусловленные размером пусковой топливоподачи;

2.12   далее сигнал от двигателя через блок управления поступает на мостик и сигнализирует об удачном пуске. Двигатель после запуска выводится на заданный режим по заложенной в системе ДАУ программе разгона.

Список используемой литературы:

1.   В.П. Бусыгин - методические указания к выполнению курсового проекта « Система ДАУ главными судовыми дизелями» СПб, ГМА С.О. Макаровка, 2003.

2.   В.С. Онасенко «Судовая автоматика» М. Транспорта, 1988

3.   В.Ф. Сыромятников «Основы автоматики и комплексная автоматизация судовых пароэнергетических установок» М. Транспорта, 1983

4.   А.Б. Канне, Е. А. Скобцов «Реверсивные устройства судовых дизелей» 1965.

5.   Схема СДУ и описание из инструкции двигателя Sulzer RTA.

6.   Официальный сайт фирмы Wärtsilä - http://www.wartsila.com

Похожие работы на - Система дистанционного управления главного двигателя Sulzer 6RTA58

 

Не нашли материал для своей работы?
Поможем написать уникальную работу
Без плагиата!
Без нейросетей!