Электрооборудование двигателя автомобиля
1. ЭЛЕКТРООБОРУДОВАНИЕ
ДВИГАТЕЛЯ
1.1 ОБЩИЕ СВЕДЕНИЯ
В состав электрооборудования двигателя входят все
компоненты систем зажигания, запуска и заряда. Ввиду того, что по своему
функциональному назначению эти компоненты относятся к непосредственно
обеспечивающим работу двигателя, они рассматриваются отдельно от компонентов
бортового электрооборудования, таких как осветительные приборы, приборы
управления и т.п.
Номинальное напряжение в системе электрооборудования
автомобиля 12 В. Электрооборудование выполнено по однопроводной схеме.
Отрицательный вывод аккумуляторной батареи соединен с корпусом, который
выполняет функцию второго электрического провода. Аккумуляторная батарея
находится в двигательном отсеке.
Стартер имеет принудительное перемещение шестерни привода
двигателя посредством электромагнитного тягового реле. На автомобиле установлен
стартер фирмы Bosch. Выключатель стартера является составной частью выключателя
зажигания и, при включении, приводит в действие установленное в стартере
электромагнитное тяговое реле.
На автомобиле могут устанавливаться генераторы фирмы Delco
Remy или Bosch. Максимальная сила тока отдачи генератора 100 А.
Генератор приводится во вращение через клиновой ремень от
коленчатого вала двигателя. На крышке со стороны контактных колец находится
регулятор напряжения. На панели приборов находится контрольная лампа,
контролирующая процесс заряда аккумуляторной батареи. Если лампа не гаснет при
работающем двигателе, это указывает на нарушение процесса заряда батареи.
При работе с электрооборудованием всегда следует соблюдать
определенные меры безопасности:
a) Будьте осторожны - электроприборы особенно легко
выходят из строя при неправильном обращении с ними во время проверки,
подсоединения и обслуживания.
b) Не оставляйте зажигание надолго включенным при
выключенном двигателе.
c) Никогда не отсоединяйте провода от батареи при
работающем двигателе.
d) При подсоединении проводов от вспомогательного источника
питания при аварийном запуске двигателя соблюдайте полярность.
e) Всегда отсоединяйте отрицательный провод от батареи
первым и подсоединяйте последним во избежание короткого замыкания при случайном
касании инструментом во время отдавания/затягивания зажима клеммы.
2. АККУМУЛЯТОРНАЯ БАТАРЕЯ
2.1 ОБЩИЕ СВЕДЕНИЯ
Установленная 12 В батарея емкостью или Ач, или по желанию
или Ач состоит из шести банок, содержащих положительные и отрицательные
пластины, которые опущены в раствор серной кислоты. В задачу батареи входит
вырабатывание тока для запуска автомобиля, зажигания и для освещения, а также
для других потребителей электроэнергии.
2.2 УХОД ЗА БАТАРЕЕЙ
Время от времени следует производить следующие работы,
чтобы батарея служила дольше и ее мощность поддерживалась максимальной.
2.3 ПОРЯДОК ВЫПОЛНЕНИЯ
1. Всегда содержите батарею и окружающие ее детали в
чистоте. Поверхность батареи должна быть всегда сухой, так как иначе между
отдельными банками могут возникнуть поверхностные токи утечки, из-за чего батарея
разряжается сама по себе.
2. В холодную погоду не оставлять батарею в незаряженном
состоянии, так как иначе она замерзнет. Слабо заряженные батареи замерзают
раньше заряженных.
3. Аккумуляторная батарея не требует обслуживания, т.е.
добавка электролита и замер его плотности не требуется. В верхней части
аккумуляторной батареи находится указатель. Изменение цвета указателя дает
представление о степени разряженности батареи. Если указатель показывает
зеленый цвет, аккумуляторная батарея заряжена, автомобиль может
эксплуатироваться. По мере разряда батареи цвет указателя темнеет, и постепенно
становится черным, что указывает на необходимость зарядки.
Если цвет указателя совсем исчезает или становится желтым,
то это указывает на понижение уровня электролита в результате его испарения или
длительной эксплуатации. Такую аккумуляторную батарею использовать нельзя.
Батарея должна быть заменена.
При установке другой аккумуляторной батареи, требующей
обслуживания, для поддержания ее в работоспособном состоянии необходимо
следующее
Порядок выполнения
1. Очищайте наружные поверхности батареи и протирайте их
насухо, так как это защищает ее от возникновения токов утечки между отдельными
секциями. Токи утечки приводят к саморазряду батареи (рекомендуется проводить
также для аккумуляторной батареи, не требующей обслуживания).
2. Уровень электролита должен находиться между отметками
на внешней стороне корпуса аккумуляторной батареи (иллюстр.). Доливать батарею
необходимо только дистиллированной водой.
Не оставляйте аккумуляторную батарею в разряженном
состоянии, т. к. она может замерзнуть. Разряженная батарея замерзает быстрей,
чем заряженная (это относится также и к батареи, не требующей обслуживания).
3. СНЯТИЕ И УСТАНОВКА АККУМУЛЯТОРНОЙ БАТАРЕИ
3.1 ПОРЯДОК ВЫПОЛНЕНИЯ
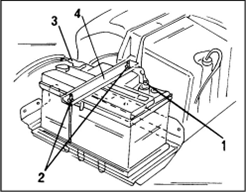
1. Аккумуляторная батарея находится в двигательном отсеке
и крепится на консоли, как показано на иллюстр.
Отсоедините кабель массы (1) от аккумуляторной батареи.
Для этого используется гаечный ключ.
2 - шайбы;
3 - положительный кабель;
4 - крепежная планка.
2. Отсоедините положительный кабель от батареи.
3. Отверните гайки длинных болтов крепления планки и
снимите планку.
4. Выньте батарею из двигательного отсека. Осторожно
обращайтесь с батареей.
Устанавливается батарея в последовательности, обратной
снятию. Сначала присоединяется положительный, затем отрицательный кабель.
При установке батареи сначала зачистите контакты, а затем
смажьте их специальной смазкой.
4. ГЕНЕРАТОР
4.1 МЕРЫ БЕЗОПАСНОСТИ ПРИ РАБОТЕ С ГЕНЕРАТОРОМ
Прежде чем производить какие-либо работы на системе
зарядки, следует ознакомиться со следующими мерами безопасности:
1. Никогда не отключать батарею или регулятор напряжения,
когда двигатель и генератор работают.
2. Никогда не замыкать клемму возбуждения генератор или
закрепленный на ней кабель на массу.
3. Никогда не путать провода регулятора напряжения.
4. Никогда не включать регулятор напряжения, если он
соединен с массой (мгновенное повреждение).
5. Никогда не снимать генератор, если батарея не отключена
от контура.
6. При установке батареи следить, чтобы минусовая клемма
подключалась к массе.
7. Никогда не использовать индикатор напряжения, который
подключен непосредственно в бытовую сеть (110 или 220 В). Использовать только
индикатор на 12 В.
8. Если батарея заряжается в установленном состоянии
зарядным устройством, оба кабеля батареи должны быть отключены. Положительную
клемму зарядного устройства соединить с положительной клеммой батареи, а
отрицательную клемму зарядного устройства с отрицательной клеммой батареи.
9. Неправильное подключение проводов приводит к разрушению
выпрямителя и регулятора напряжения.
4.2 ПРОВЕРКА УСТАНОВЛЕННОГО ГЕНЕРАТОРА
При нормальном движении лампа контроля заряда должна
погаснуть. В противном случае, неисправность заключается в генераторе или
регуляторе напряжения. Во-первых проверить электрические соединения генератора.
Проверить, правильно ли натянут приводной ремень. Дальнейшая проверка может
быть проведена только на снятом генераторе, однако можно предварительно
проверить все предохранители.
4.3 ОБСЛУЖИВАНИЕ, ПРОВЕРКА И РЕМОНТ ГЕНЕРАТОРА
Замечание: Генератор и регулятор настройкам и ремонту не
подлежат. Неработающий генератор можно заменить на сменный, сдав старый
генератор при покупке.
Обслуживание
Подшипники генератора имеют долгосрочную смазку и не
требуют регулярного технического обслуживания. Содержать внешнюю сторону
генератора в чистоте и не допускать попадания на него воды или других
растворяющих средств.
Проверка и ремонт
Щетки генератора скользят по гладким контактным кольцам и
поэтому имеют очень долгий срок службы. Для проверки щеток снятие генератора не
требуется. Проделать следующие работы:
4.4 МЕРЫ БЕЗОПАСНОСТИ ПРИ РАБОТЕ С ЗАРЯДНЫМ УСТРОЙСТВОМ
Работа с зарядным устройством требует соблюдения следующих
мер безопасности:
1. Нельзя отсоединять аккумуляторную батарею или регулятор
напряжения во время работы двигателя и соответственно генератора.
2. Не допускайте контакта с массой клеммы обмотки
возбуждения генератора или присоединенного к нему кабеля.
3. Ни в коем случае не меняйте местами провода регулятора
напряжения.
4. Ни в коем случае не включайте регулятор напряжения,
если он соединен с массой (немедленно будет поврежден).
5. Ни в коем случае не снимайте генератор, не отключив
предварительно аккумуляторной батареи.
6. При установке аккумуляторной батареи следите за тем,
чтобы отрицательная клемма соединялась с массой. Хотя клеммы имеют разный диаметр,
возможна ошибка.
8. При зарядке аккумуляторной батареи без снятия ее с
автомобиля необходимо отсоединить оба кабеля. Положительная клемма зарядного
устройства должна соединяться с положительным полюсом батареи, а отрицательная
с отрицательным.
9. Неправильное подключение зарядного устройства ведет к
повреждению выпрямителя и регулятора напряжения.
10. При замене устанавливайте генератор соответствующего
тока отдачи.
4.5 ПРОВЕРКА ГЕНЕРАТОРА НА ДВИГАТЕЛЕ
При нормальной эксплуатации автомобиля контрольная лампа
разряда аккумуляторной батареи гореть не должна. Если же лампа горит, то это
указывает на неисправность в генераторе или регуляторе напряжения.
Сначала необходимо проверить все присоединения к
генератору.
Проверьте натяжение клинового ремня. Прочие проверки
проводятся на снятом с двигателя генераторе. Рекомендуется проводить их в автомастерской,
располагающей специальной контрольной аппаратурой.
4.6 СНЯТИЕ И УСТАНОВКА
Для всех исполнений отсоедините кабель массы от
аккумуляторной батареи. Далее в зависимости от исполнения:
5. ДВИГАТЕЛЬ 2.0 Л ДО 1995 Г. ВЫПУСКА
5.1 ПОРЯДОК ВЫПОЛНЕНИЯ
1. Крепление генератора показано на иллюстр. Отсоедините
кабели с обратной стороны генератора.
2. Снимите приводной ремень. Это исполнение имеет
устройство регулировки натяжения ремня.
3. Отверните болты крепления генератора от натяжной планки
и от нижней опоры (стрелки на иллюстрации).
При установке генератора затяните болты крепления от руки.
Наденьте клиновой ремень и отрегулируйте его натяжение. После этого затяните
болт, показанный на иллюстр. и затяните болты и гайки нижнего крепления
генератора.
Присоедините кабели с обратной стороны генератора.
Присоедините кабель массы аккумуляторной батареи.
6. ДВИГАТЕЛЬ 2.0 Л С СЕРЕДИНЫ 1995 Г. ВЫПУСКА
Здесь необходимо провести некоторые подготовительные
работы, чтобы добраться до генератора.
6.1 ПОРЯДОК ВЫПОЛНЕНИЯ
1. Отсоедините кабель массы от аккумуляторной батареи.
2. Снимите детали, показанные на иллюстр. Это шланг
всасывания воздуха (1) между корпусом дроссельной заслонки и корпусом
воздушного фильтра. Расстыкуйте штекерное соединение кабеля (2) от датчика
температуры всасываемого воздуха и (3) измерителя массы всасываемого воздуха.
3. Пометьте направление вращения ремня краской на внешней
стороне и поверните натяжной ролик накидным ключом направо так, чтобы можно
было снять ремень.
4. Снимите генератор в соответствии с иллюстр. Для этого
отверните сначала болты крепления (1) и (2), а затем болты (3) и (4). После
этого ослабляется нижний болт крепления генератора. Отклоните генератор в
сторону.
5. С обратной стороны генератора снимите два кабельных
подвода, полностью выньте нижний болт и выньте генератор наверх.
Устанавливается генератор в последовательности, обратной
снятию. Нижнюю клемму (клемму 61) затяните моментом 4 Нм, верхнюю клемму
(клемму 30) затяните моментом 8 Нм. Следите за тем, чтобы правильно лежал
кабель.
При креплении генератора выдерживайте следующие моменты
затяжки:
1. Болты крепления с (1) по (4) на иллюстр. затяните
моментом 18 Нм.
2. Нижний болт крепления затягивается моментом 35 Нм.
Наденьте клиновой ремень в соответствии с маркировкой
направления вращения и натяните роликом, как описано в соответствующем разделе
для рассматриваемого двигателя. В заключение снова установите детали,
показанные на иллюстр.
7. ДВИГАТЕЛЬ DOHC (ОБЪЕМОМ 2.2 Л) С СЕРЕДИНЫ 1995 Г. ВЫПУСКА
7.1 ПОРЯДОК ВЫПОЛНЕНИЯ
1. Так же, как и для двигателя 2.0 л необходимо провести
предварительную подготовку, чтобы обеспечить доступ к генератору.
Для этого отсоедините показанные на иллюстр. хомуты
крепления шлангов (1), (2), (3) и (7). Расстыкуйте штекерные соединения жгута
кабелей (6) датчика температуры всасываемого воздуха, жгута кабелей измерителя
массы воздуха и снимите шланг всасываемого воздуха (5) между корпусом дроссельной
заслонки и корпусом воздушного фильтра.
2. Прочие детали снимаются аналогично двигателю 2.0 л с
середины 1995 г. выпуска, включая крепление генератора (см. иллюстр.).
При наличии кондиционера необходимо отсоединить насос
гидроусилителя рулевого управления, обеспечив доступ к нижнему болту крепления
генератора. Гидравлические шланги насоса не отсоединяются. Насос отложите в
сторону.
Устанавливается генератор согласно описанию для двигателей
2.0 л с середины 1995 г. выпуска.
8. РЕМОНТ ГЕНЕРАТОРА ФИРМЫ BOSCH
8.1 СХЕМА СБОРКИ ГЕНЕРАТОРА BOSCH
1 - Стяжной болт
2 - шайба
3 - дистанционное кольцо
4 - планка крепления подшипника
5 - кольцо
6 - дистанционное кольцо
7 - болт и пружинная шайба
8 - шпонка
9 - ротор
10 - подшипник
11 - шайба
12 - статор с диодами выпрямителей
13 - статор
14 - блок выпрямителей
15 - корпус генератора
16 - щетки
17 - регулятор напряжения
18 - конденсатор защиты от помех
8.2 РАЗБОРКА
Порядок выполнения:
1. В соответствии с иллюстр. выполняются следующие работы:

3. Выньте из вала шпонку.
4. Отсоедините регулятор напряжения со щеткодержателем.
Щеткодержатель находится с обратной стороны и крепится двумя винтами.
5. Пометьте взаимное положение крышки со стороны привода и
корпуса генератора и выверните из корпуса стяжные болты (стрелки на иллюстр.).
Отсоедините заднюю крышку подшипника от передней крышки. Для этого можно слегка
постучать пластмассовым молотком по крышке.
6. Установите крышку со стороны привода и ротор под пресс
и снимите ротор трехзахватным съемником, как показано на иллюстр. При
выпрессовке срываются болты наружной шайбы крепления подшипника. Необходимо
следить за тем, чтобы кулачки съемника были подведены под шайбу, а не только
под крышку. Если необходимо вынуть подшипник из крышки, отверните болты с
внутренней стороны и выпрессуйте подшипник.
7. Снимите подшипник с противоположного конца ротора. Если
для этого применяется съемник, то подведите его кулачки под внутреннее кольцо
подшипника.
8. Отпаяйте от статора выпрямительный блок. Для этого
провода между статором и наконечником паяльника зажмите пинцетом для
теплоотвода. Диоды не должны перегреваться.
Выпрямительный блок снимается только при наличии
необходимого опыта и инструмента.
8.3 РЕМОНТ ЩЕТОК И ЩЕТКОДЕРЖАТЕЛЕЙ
Порядок выполнения:
1. Проверьте качество контакта щеток с контактными
кольцами. Проверьте свободу перемещения щеток в направляющих щеткодержателей.
При необходимости очистите жидкостью "Tri".
Если выступающая часть щетки изношена до 5 мм (иллюстр.),
необходимо заменить щетку, отпаяв ее.
8.4 ПРОВЕРКА РОТОРА
Порядок выполнения:
1. Если контактные кольца засалены, то необходимо очистить
их тряпочкой, смоченной в жидкости "Tri". При наличии рисок
зашлифуйте их шкуркой.
Для проверки изоляции обмотки возбуждения ротора приложите
один щуп омметра к сердечнику ротора, а другой щуп к контактному кольцу. Омметр
должен показать "бесконечность". В противном случае ротор подлежит
замене (иллюстр.).
2. Для проверки обмотки возбуждения ротора на обрыв
приложите оба наконечника омметра к контактным кольцам. Прибор должен показать
2.6 - 2.8 Ом. Если омметр показывает "бесконечность", то это
указывает на обрыв в обмотках, если показывает "ноль" на наличие
короткого замыкания (иллюстр.).
8.5 ПРОВЕРКА СТАТОРА
Порядок выполнения:
1. При наличии короткого замыкания в обмотке статора
вследствие перегрева это можно установить визуально. Такой статор подлежит
замене. Приложите один щуп омметра к коллекторному кольцу (1), другой
поочередно к каждому из трех выводов статора (2), (3), (4), (иллюстр.).
2. Прибор должен показать "бесконечность". Для
проверки обмотки статора на обрыв поочередно соедините выводы статора между
собой. Если прибор не дает показаний, то это указывает на наличие обрыва
(иллюстр.). Сопротивление обмоток должно быть равно 0.10 - 0.11 Ом.
8.6 ПРОВЕРКА ВЫПРЯМИТЕЛЬНОГО БЛОКА
Точная проверка величины напряжения 45 пропускания и
значения запорного тока диодов требует наличия специального прибора и должна
проводиться в условиях автомастерских.
8.7 СБОРКА
Порядок выполнения
1. Схема сборки генератора показана на иллюстр.
"Схема сборки генератора Bosch". Напрессуйте на вал ротора подшипник.
Подшипник в крышке со стороны привода крепится наружной шайбой. После установки
крышки со стороны привода на конец вала напрессовывается дистанционное кольцо
(3). Перед установкой генератора на двигатель автомобиля необходимо проверить
его работу на стенде.
8.8 ЗАМЕНА ЩЕТОК
Порядок выполнения:
1a. В результате длительной работы щетки изнашиваются,
достигая минимально допустимого размера. Щетки можно заменить без выполнения
ремонта генератора. Однако не рекомендуется проводить эту работу на генераторах
фирмы Delco-Remy, т. к. это может вызвать определенные затруднения. Здесь
необходимо снять генератор и сдать его в автомастерскую.
На генераторе фирмы Bosch эта работа может быть выполнена
после снятия генератора. Однако для этого необходимо иметь опыт пайки.
Отверните с обратной стороны генератора два винта, показанные на иллюстр.
стрелками
1b. Снимите узел, показанный на иллюстр. Это узел
щеткодержателя и регулятора напряжения.
2. Измерьте длину выступающей части щеток. Если указанная
длина менее 5 мм или приближается к этому размеру, щетки необходимо заменить.
Если длина достаточная, проверьте свободу перемещения щеток в направляющих
щеткодержателей. Они должны возвращаться назад под действием натяжения пружин.
Если этого не происходит, щетки также заменяются.
3. Для замены щетки ее необходимо отпаять. Для этого берут
пинцетом тросик щетки (для теплоотвода) и отпаивают его.
Вставьте новые щетки с пружинами в направляющие
щеткодержателей. Проверьте, чтобы щетки не заедали. При наличии заедания
зачистите плоскости щетки мелкой шкуркой.
4. Припаяйте тросик щетки. Следите за тем, чтобы припой не
протек вдоль тросика, т.к. тросик при этом станет слишком жестким.
Протрите через отверстия в генераторе тряпочкой, смоченной
в бензине контактные кольца и вставьте на место щеткодержатели. Следите за тем,
чтобы щетки встали на контактные кольца. Установите генератор на двигатель.
Указание: Тщательно проверьте, чтобы щетки встали на
место.
9. СТАРТЕР
9.1 ОБЩИЕ СВЕДЕНИЯ
Схема сборки стартера Bosch: 1 - крышка; 2 - втулка; 3 -
корпус подшипника; 4 - обмотка возбуждения; 5 - корпус; 6 - якорь; 7 - плита
щеткодержателей; 8 - щеткодержатель; 9 - пружина; 10 - задняя крышка; 11 -
стяжной болт; 12 - втулка; 13 - рычаг привода; 14 - шестерня; 15 - тяговый
электромагнит
Как указывалось выше, стартер имеет принудительное
перемещение шестерни привода двигателя посредством электромагнитного тягового
реле.
На автомобиле, как правило, устанавливается стартер фирмы
Bosch. Может устанавливаться также стартер Delco-Remy.
9.2 ПРОВЕРКА СТАРТЕРА
Проверьте, заряжена ли аккумуляторная батарея и не имеют
ли окисной пленки присоединительные клеммы батареи. Особенно это относится к
клемме массы, если она не достаточно крепко затянута.
Чтобы проверить стартер при полном напряжении батареи,
следует соединить клеммы "30" (большая клемма) и "50"
(маленькая клемма рядом с большой) кабелем с поперечным сечением минимум 4.0 мм
в кв. Если теперь стартер работает безупречно, следует проверить провода к
стартеру. Если стартер не проворачивает, его следует снять и проверить.
Точная проверка осуществляется на проверочном стенде или
электротехнической мастерской.
9.3 СНЯТИЕ И УСТАНОВКА СТАРТЕРА
Отсоедините кабель массы от аккумуляторной батареи.
Порядок выполнения
1. Поднимите и установите переднюю часть автомобиля на
подставки.
2. Перед отсоединением кабелей от стартера, необходимо
запомнить порядок их соединения. Отсоедините положительный кабель
аккумуляторной батареи от клеммы стартера и далее оба кабеля от клемм 16 и 50.
Если мешает, отсоедините нижний стальной лист.
3. Теперь можно снять стартер. Его крепление может быть
различным для различных исполнений двигателя. Болты могут вставляться со
стороны двигателя или коробки передач. Можно применить также опорный кронштейн.
4. Снимите стартер, развернув его.
Устанавливается стартер в последовательности, обратной
снятию. Необходимо принять во внимание различные моменты затяжки. Болты
крепления со стороны двигателя затяните моментом 45 Нм, болт со стороны коробки
передач моментом 75 Нм. Опора стартера (если она имеется) затягивается моментом
25 Нм к блоку цилиндров и моментом 7 Нм к стартеру.
9.4 РЕМОНТ СТАРТЕРА
Если проверка генератора показывает, что неисправность
имеется внутри генератора, то его необходимо сдать в ремонт в
специализированную мастерскую. При наличии опыта можно разобрать и собрать
стартер самостоятельно в соответствии с иллюстр.
Щетки стартера в результате длительной эксплуатации
изнашиваются и могут быть заменены самостоятельно. Для этого вскрывается задняя
часть стартера (снимите маленькую крышку, выверните болты и снимите коллектор)
и вынимаются щетки.