Схеми електрообладнання тракторів ЮМЗ
ТЕМА:
СХЕМИ ЕЛЕКТРООБЛАДНАННЯ ТРАКТОРІВ ЮМЗ
ЗМІСТ
ВСТУП
1. ЗАГАЛЬНА СХЕМА
ЕЛЕКТРООБЛАДНАННЯ ТРАКТОРА ЮМЗ-6КЛ
2. БУДОВА АКУМУЛЯТОРНОЇ БАТАРЕЇ
3. ГЕНЕРАТОР
4. РЕГУЛЯТОРИ НАПРУГИ
5. СИСТЕМА ЗАПАЛЮВАННЯ ВІД
МАГНЕТО
6. ТЕХНІЧНЕ ОБСЛУГОВУВАННЯ ЕЛЕКТРООБЛАДНАННЯ
ПЕРЕЛІК ВИКОРИСТАНОЇ ЛІТЕРАТУРИ
ВСТУП
Трактори
є основними енергетичними засобами виконання технологічних операцій у різних
галузях виробництва. Вони широко використовуються в будівництві, землеробстві,
тваринництві. З кожним роком вони стають усе складнішими, а їх парк -
різноманітнішим. Водночас удосконалюються методи й засоби їх обслуговування та
ремонту. Поряд з випуском простих засобів діагностування збільшується
виробництво електронних приладів, розробляються перспективні автоматизовані
системи та пристрої.
Діагностика,
технічне обслуговування та ремонт систем і механізмів, а також прогнозування
ресурсу - найважливіші фактори керування роботою та надійністю.
Сьогодні,
зміцнення економіки України залежить від рівня кваліфікації кадрів. Машиніст
бульдозера, машиніст екскаватора повинні досконало знати конструкцію трактора,
його вузлів, кваліфіковано та своєчасно виконувати регулювальні роботи і
технічне обслуговування, вміло виявляти та усувати несправності в процесі
експлуатації машин.
Електричну
електроенергію на тракторах застосовують для пуску двигуна, запалення горючої
суміші, звукової і світлової сигналізації, освітлення, живлення
контрольно-вимірювальних приладів тощо. Електрообладнання тракторів можна
поділити на такі групи:
—джерела електричної енергії: акумуляторна батарея, генератор, магнето;
—споживачі електричної енергії: стартер, фари і підфарники, звуковий
сигнал і сигнали повороту, електричні двигуни вентилятора, кондиціонера, а
також допоміжне обладнання;
—контрольно-вимірговальні прилади; амперметр, термометр, манометри,
показники рівня палива в баку, тахоспідометр та інші;
—допоміжні прилади: запобіжники, перемикачі, вимикачі.
1.
ЗАГАЛЬНА
СХЕМА ЕЛЕКТРООБЛАДНАННЯ ТРАКТОРА ЮМЗ-6КЛ
Електрообладнання
тракторів - це єдина система, в якій джерела і споживачі електричної енергії
взаємозв'язані між собою. Найбільш повне уявлення про зв'язок складових частин
дає схема електрообладнання тракторів. Для прикладу розглянемо схему
електрообладнання трактора ЮМЗ-6КЛ (рис. 1.1)

Рис.
1.1 Схема електрообладнання трактора ЮМЗ-6КЛ:
1
-підфарник ПФ101-Б; 2-передні фари ФГ305-Д (права), ФГ305-Є(ліва);
3
- сполучна панель ПС-А2; 4 - генератор 13.3701; 5 - стартер СТ362;
6
-датчик покажчика температури води ТМ-100; 7 - звуковий сигнал С-311;
8
- електродвигун вентилятора нагрівника МЕ218 (двошвидкісний);
9
- перемикач частоти обертання електродвигуна вентилятора нагрівника;
10
—склоочисник СЛ230; 11 -плафон ПК-201; 12 - електродвигун МЕ11 вентилятора
кабіни; 13 — штекерне розняття;
14
— перемикач ППН-45 вентилятора і плафона; 15 - обмивач;
16
- акумуляторна батарея 6ТСТ-50; 17 - штепсельна розетка 47К;
18
— вимикач маси ВК318-Б; 19 — переносна лампа;
20
— іскрова свічка СН-200 пускового двигуна;
21
- магнето М124-А1 пускового двигуна;
22
- контрольна лампа ПД20-Д включення покажчика повороту;
23
— контрольна лампа ПД20-М включення дальнього світла передніх фар;
24
— лампи освітлення щитка приладів; 25 - перемикач ПП45-М ближнього та дальнього
світла передніх фар; 26 - покажчик температури води УКГЗЗ-В;
27
- вимикач обмивана; 28 - амперметр АП200;
29
- покажчик ЦБ26-В рівня палива; 30 — вимикач магнето ВК-34;
31
— вимикач ВК10-Б стоп-сигналу; 32 — вимикач звукового сигналу;
33
— вимикач стартера ВК317-А2; 34 — переривник РС410-В покажчиків поворотів; 35 -
перемикач П108 поворотів; 36 - вимикач блокування магнето ВК34;
37
- центральний перемикач світла П305; 38 - блок запобіжників ПР11 -Д;
39
- блок запобіжників ПР11; 40 - блок запобіжників ПР11-Ж;
41
-задня фара ФГ304; 42 - задній ліхтар ФП100-Б;
43
- ліхтар-покажчик повороту УП5-Ж; 44 - вимикач В45-М задніх фар;
45
- штепсельна розетка ПСЗОО-А;
46
- датчик БМ31-А рівня палива (бензомір);
47-ліхтар
ФП200-А освітлення номерного знака;
48
- сполучна панель ПС1-А2
2.
БУДОВА АКУМУЛЯТОРНОЇ БАТАРЕЇ
На
бульдозерах застосовують стартерні свинцево-кислотні акумуляторні батареї.
Основним споживачем, що визначає тип і конструкцію акумуляторної батареї, є
стартер, оскільки струм, що споживається стартером при запуску двигуна,
особливо при низьких температурах, досягає декількох сотень амперів.
Акумуляторні
батареї (рис. 2.1.) випускають у єдиному ебонітовому або пластмасовому
моноблоці 11, розділеному перегородками на ізольовані відділення. На дні
кожного відділення (крім малообслуговуваних акумуляторів) є призми 12, що
служать опорою для електродів і сепараторів і утворюють простір, призначений
для нагромадження шламу, який утворюється в результаті опливання активної маси
електродів. Це захищає різнойменні електроди від замикання шламом.
У
кожному відсіку моноблока розміщені негативні 1 і позитивні З електроди,
розділені сепараторами 2 і зібрані в блок електродів 13. Електроди однієї
полярності зварені між собою з визначеним зазором свинцевим місточком 6, до
якого приварений борн 4.
Число
негативних електродів, як правило, на один більше, ніж позитивних. Крайніми в
цьому випадку є негативні електроди. У деяких випадках число позитивних
електродів дорівнює числу не гативних або на один більше. Над блоком електродів
укладають ебонітовий або пластмасовий щиток 5, що захищає верхні крайки
сепараторів від механічних ушкоджень. Кожен акумулятор закривають окремою
кришкою 7 з ебоніту або пластмаси. Кришка має отвір для заливання електроліту,
закритий різьбовою пробкою 9.
Акумулятори
з'єднані між собою послідовно міжелементними з'єднаннями 8 у такий спосіб:
вивідний борн негативних пластин першого акумулятора з'єднується з борном
позитивних пластин другого акумулятора. На борни позитивних електродів першого
акумулятора і негативних електродів останнього наварюють конусні полюсні виводи
10, які необхідні для приєднання акумуляторної батареї до зовнішнього ланцюга.
Рис.
2.1. Стартерна акумуляторна батарея:
1,3 — негативні і позитивні електроди; 2 —
сепаратори; 4 — борн; 5 — щиток;
6
— місточок; 7— кришка; 8 — міжелементні з'єднання; 9 — пробка;
10
— полюсний
вивід; 11 — моноблок; 12 — призми; 13 — блок електродів
Місця
сполучення кришок 7 з моноблоком, попередньо прокладені гумовими
ущільнювальними прокладками або азбестовим шнуром, герметизують заливанням
бітумної мастики. Більшість моноблоків має спеціальні посадкові місця для
кришок і в цьому випадку ущільнення не застосовують. Акумуляторні батареї, що
мають велику масу, оснащені ручками для перенесення.
Розміри
полюсних виводів, на яких закріплюють розрізні наконечники підвідних проводів,
стандартизовані (діаметр вводу «+» більший за діаметр виводу «-»). У деяких
акумуляторних батарей конструкція полюсних виводів передбачає кріплення
проводів болтовим з'єднанням.
Кришка
акумулятора має три отвори. Два отвори служать для виводу борнів блока електродів,
третій різьбовий отвір — для заливання електроліту. В крайні отвори кришки
запресовані свинцеві втулки. При зварюванні борна з перемичкою або полюсними
виводами одночасно зварюється верхня частина втулок. Цим забезпечується надійна
герметизація кришки в місці виходу борна.
Пробки
виготовляють з ебоніту або пластмаси. Вони мають вентиляційні отвори, які
забезпечують вихід газів. Щоб запобігти випле-скуванню електроліту під час руху
автомобіля, між пробкою й отвором установлюють гумову шайбу, а пробка має
відбивач. Деякі пластмасові пробки мають конусний бортик, який щільно прилягає
до горловини отвору. У цьому випадку гумова шайба не ставиться. Існують також
акумулятори, в яких пробка входить в отвір кришки без різьби і фіксується в
ньому за рахунок пружності.
3.
ГЕНЕРАТОР
Основним
виробником енергії, яка йде на живлення всіх споживачів електричної енергії і
на зарядження акумуляторної батареї при роботі двигуна на середній і великій
частоті обертання колінчастого вала, є генератор. За принципом дії і будовою
генератори бувають постійного і змінного струму. На сучасних тракторах, які
використовуються у сільському господарстві, переважно встановлюють генератори
змінного струму напругою 12В і потужністю до 1500 Вт.
Генератори
постійного струму тривалий час були одним із основних джерел електричної енергії
на тракторах. Але зі збільшенням потужності споживачів електроенергії розміри і
маса генераторів постійного струму зросли настільки, що розміщувати їх на
двигунах стало неможливим, а збільшення частоти обертання колінчастого вала
двигуна підвищило спрацювання колектора і щіток. Тому замість генераторів
постійного струму на трактори встановлюють генератори змінного струму. Серед
них бувають генератори змінного струму із збудженням від постійних магнітів і з
електромагнітним збудженням. Генератори із збудженням від постійних магнітів
малопотужні і обмежено застосовуються на тракторах, де споживачем
електроенергії є лише освітлювальні прилади.
Більшість
генераторів, які використовують сьогодні на тракторах, мають електромагнітне
збудження.
Генератори
приводяться в дію від колінчастого вала дизеля і перетворюють механічну енергію
в електричну. На тракторних і комбайнових дизелях типу СМД-60 встановлюють
генератори змінного струму 15.3701 (Г-309).
На
двигунах СМД-60 і СМД-62 встановлений генератор Г-309 потужністю 1000 Вт, а на
двигуні СМД-64 - генератор Г-309К потужністю 400 Вт. Генератор 15.3701 виробляє
електричний струм напругою 14 В і являє собою безконтактну п'ятифазну
однойменно-полюсну електричну машину з одностороннім електромагнітним
збудженням і вмонтованим випрямним блоком БПВ-12-100.
Генератор
рис. 3.1.складається із статора 12, ротора 26, котушки збудження, передньої 13
і задньої 11 кришок, випрямляча, приводного шківа 21 і крильчаток 22 і 10.
Статор
12 виконаний із пакета сталевих пластин. На внутрішній поверхні статора
розміщено десять зубців, на кожному встановлено котушку обмотки статора. У фазу
з'єднані послідовно дві котушки. Кінці фаз виведені гнучкими проводами з
наконечниками.
Вал
19 ротора розташований в кулькових підшипниках 18 і 29 закритої конструкції
одноразового змащення. На передньому кінці вала встановлений приводний шків 21,
до якого прикріплено крильчатку 22 для охолодження генератора, а на задньому
кінці — крильчатку 10, що охолоджує випрямний блок. Для цього на корпусі 31 і
кришці 11 розміщено ребра. Обмотка збудження 25 прикріплена до передньої кришки
13. Один кінець приєднаний до додаткового виводу генератора і виводу Д
регулятора напруги, а інший — до клеми Ш регулятора напруги 4.
Випрямний
блок, встановлений на задній кришці 11, складається із силового і додаткового
випрямлячів, блока регулятора напруги і перемикача посезонного регулювання
напруги 32 «Зима-Літо». Конструктивно силовий і додатковий випрямлячі
змонтовані в одному корпусі. Блок регулятора напруги і перемикач 32 розміщено
на кришці 5.
В корпусі 9
випрямляча закріплено п'ять діодів зворотної полярності, а в пластині 8 — п'ять
діодів прямої полярності. Вводи діодів з'єднані шинами з виводами фазних
обмоток статора 27. Виводи діодів зворотної полярності з'єднані з «масою», а
діодів прямої полярності — з вивідною клемою 1 генератора. Додатковий випрямляч
складається з трьох діодів прямої полярності, що запресовані в шини, які попарно
з'єднують діоди прямої і зворотної полярності силового випрямляча. Додатковий
випрямляч забезпечує автоматичний захист акумулятор ної батареї від розрядження
на обмотку збудження генератора на непрацюючому дизелі. При роботі дизеля через
додатковий випрямляч струм поступає до обмотки збудження 25 і реле блокування
стартера. Інтегральний регулятор напруги типу Я 112-5 являє собою не-розбірну
мікросхему. Для правильного монтажу її на інтегральному пристрої є виступ.
Охолоджується інтегральний пристрій через радіатор, який виготовлений зі
стрічкового алюмінію. На інтегральному пристрої є чотири виводи С, Б, ПІ і Д
(рис. 3.1, б) у вигляді контактних площадок.


Рис.
3.1. Загальний вигляд (а) і принципова електрична схема (б) генератора 15.3701:
1
— вивідна клема генератора (В); 2 — клема для підключення реле блокування
стартера (Д); З — кришка; 4 — корпус інтегрального регулятора напруги; 5 —
кришка випрямного блока; 6 — фазний вивід; 7 — стяжний гвинт; 8 — тепловідвід
випрямного блоку; 9 — корпус випрямного блока; 10,22 —крильчатки; 11 — задня
кришка; 12 —статор; 13 — передня кришка; 14 —фланець котушки збудження; 15 —
втулка котушки збудження; 16, 24, 28 — кронштейни; 17 — кришка підшипника: 18,
29 — кульковий підшипник: 19 — вал ротора; 20 — гайка кріплення шківа; 21 —
приводний шків; 23 — втулка; 25 — обмотка котушки збудження; 26 —ротор; 27 —
обмотка котушки статора; ЗО — гайка кріплення крильчатки; 31—захисний корпус
випрямляча; 32 — перемикач посезонного регулювання напруги; АБ — акумуляторна
батарея; ВМ — вимикач маси; Л— літо; 3 — зима; СВ — силовий випрямляч; ДВ —
додатковий випрямляч
Ці
виводи ізольовані від інтегрального пристрою. Маркування виводів нанесено на
його пластмасову кришку. Корпус інтегрального пристрою є п'ятим виводом —
«масою». Для підведення струму до генератора при збудженні від акумуляторної
батареї між виводами В і Д підключений резистор. Для підвищення якості
регулювання інтегрального пристрою (при відсутності акумуляторної батареї)
встановлено конденсатор К50-ЗА (СФ) фільтра. Самозбудження генератора без
акумуляторної батареї відбувається за рахунок залишкової індукції системи
збудження.
При
включенні перемикача 32 (рис. 3.1, а) в положення «Зима» резистор К.2 одним
виводом підключається до виводу С інтегрального пристрою, а іншим — до корпусу
генератора («маси»). При включенні перемикача 32 в положення «Літо» резистор
К.2 відключається від схеми генератора.
Генератор
працює так. Постійний струм від позитивної клеми акумуляторної батареї через
клему Б, резистор Кі і клему Д інтегрального блока надходить до обмотки
збудження 25 генератора, потім до клеми Ш, транзисторів і «маси» інтегрального
блоку, а звідти — до мінусової клеми акумуляторної батареї. При проходженні
електричного струму через обмотку збудження 25 навколо неї створюється магнітне
поле. Магнітний потік перетинає втулку 15 з фланцем 14, ротор 26 і статор 12 з
обмотками 27 котушки статора.
При
обертанні вала 19 зубці і западини ротора 26 поперемінно розташовуються проти
кожної обмотки 27 статора. При цьому величина магнітного потоку, створеного
котушкою збудження, змінюється від максимального до мінімального значення. Під
дією змін величини магнітного потоку в обмотках статора виникає змінна електрорушійна
сила, яка утворює електричний струм змінного напрямку. Змінний струм від
обмоток статора поступає у випрямляч. Силовим випрямлячем змінний струм
перетворюється у постійний і йде на зарядку акумуляторної батареї та до інших
споживачів. Постійний струм від додаткового випрямляча поступає до клеми 2
генератора і до обмотки 25 котушки збудження.
4.
РЕГУЛЯТОРИ НАПРУГИ
Частота
обертання колінчастого вала двигуна, а тому і ротора генератора, змінюється у
широких межах. Оскільки при цьому пропорційно змінюється і швидкість перетину
обмоток статора магнітними силовими лініями, то згідно з законом
електромагнітної індукції відповідно змінюється і ЕРС, що наводиться в
обмотках, а значить, і напруга генератора. Із цього ж закону випливає, що
зберегти постійну напругу (а це необхідно для нормальної роботи споживачів)
можна, змінюючи магнітну індукцію обернено пропорційно частоті обертання.
Досягається це автоматичною зміною сили струму в обмотці збудження за допомогою
регулятора напруги. Наприклад, якщо частота обертання збільшиться, регулятор
напруги відповідно зменшить силу струму в обмотці збудження, і тому напруга
генератора не зростає.
У
генераторних пристроях застосовують переважно контактно-транзисторні і
транзисторні регулятори напруги. У контактно-транзисторного регулятора є електромагнітний
вібратор 5 (рис. 4.1) і транзистор 4. Обмотка збудження 6 генератора підключена
не прямо до виводу В, а через резистор Е,д і паралельне йому коло:
емітер Е і колектор К транзистора.
Рис.
4.1. Спрощена схема контактно-транзисторного регулятора напруги:
1
—обмотка статора генератора; 2 — акумуляторна батарея; 3 — вимикач «маси»; 4 —
транзистор; 5 — вібратор; 6 — обмотка збудження; 7 — діодний міст
База
транзистора через резистор К6 постійно з'єднана з «масою» і рухомим контактом
ПК вібратора. Нерухомий контакт НК вібратора з'єднаний з виводом «В»
генератора. Обмотка ОРН електромагніта приєднана одним кінцем до виводу «В», а
другим — до «маси».
Коли
напруга генератора не перевищує допустимої, в обмотці ОРН від акумуляторної
батареї або від генератора проходить струм невеликої сили, який викликає
незначне намагнічення осердя, і тому пружина Пр утримує контакти вібратора у
розімкнутому стані. В цьому випадку база Б транзистора постійно з'єднана з
«масою», а тому і з виводом «— » генератора, має менший потенціал, ніж емітер,
тому транзистор опиняється в стані «відкрито», і струм збудження йде по колу:
вивод «+» батареї 2 (або В генератора) — емітер Е — колектор К транзистора —
обмотка збудження 1 генератора — «маса» — вивод «—» джерела. Через резистор Кд
струм майже не проходить, оскільки провідність у багато разів менша провідності
паралельно підключеного транзистора.
Коли
частота обертання збільшиться і напруга генератора перевищить допустиму,
збільшиться і сила струму в обмотці ОРН. Сила електромагніта подолає опір
пружини Пр і, притягуючи пластинку, яку називають якірцем, замкне контакти ПК і
НК. В результаті позитивний вивод «В» з'єднається з базою Б транзистора, її
потенціал стане рівним потенціалу емітера, і транзистор перейде в стан
«заперто». Струм в обмотку збудження 6 тепер зможе проходити тільки через
резистор Кд, тому сила струму різко зменшиться, що викличе відповідне зменшення
магнітного потоку в генераторі, а тому і ЕРС в обмотках статора. В результаті
напруга на виводах генератора знизиться, контакти вібратора розімкиуться,
транзистор перейде в стан «відкрито» і весь процес повторюється.
Таким
чином, при високій частоті обертання рухомий контакт весь час вібрує, а напруга
генератора коливається від деякого середнього значення. Проте ці коливання
внаслідок великої їх частоти не відбиваються на розжарюванні ламп та роботі
інших споживачів. Чим сильніше натягнута пружина Пр, тим триваліший час розімкну-того
стану контактів і тим вища регульована напруга генератора.
Контактно-транзисторний
реле-регулятор РР362-Б застосовують в генераторних пристроях більшості
тракторів. Його корпус 1 (рис. 4.2) розділений перегородкою на два відділи. В
одному із них на панелі 2 закріплений регулятор 4 напруги і реле 5 захисту. На
зворотному боці панелі змонтовані резистори. В другому відділенні розміщені
транзистор і два діоди. Для охолодження транзистор закріплений на латунній
пластині-тепловідводі 6, а в кришці 3 над відділенням напівпровідників зроблені
отвори.
Виводи,
помічені буквами В, Ш і М, з'єднують з однойменними виводами генератора, а до
виводу В приєднують ще і провід від споживачів.
Регулятор
напруги має ізольований від «маси» вигнутий магніто-провід (ярмо) з
електромагнітом посередині. До одного стояка ярма за допомогою пружної пластини
прикріплений якірець, а до другого — дві пластини з нерухомими контактами. Між
ними розміщені рухомі контакти, припаяні з обох боків якірця. Реле захисту за
будовою подібне до регулятора напруги, але має тільки одну пару контактів.
Прослідкуємо
на схемі шляхи струму в колах реле-регулятора. Коло обмотки ОРН електромагніта:
вивод «+» батареї або В генератора — діод Дз резистор — обмотка ОРН — резистор
Ктк — «маса» — вивод «—» джерела.
Поки
напруга генератора нижча регульованої, контакти К ро-зімкнуті, тому транзистор
відкритий. В цьому випадку струм в обмотку 16 збудження генератора проходить по
колу: вивод «+» джерела — вивод В — діод Дз — перехід емітер — колектор
транзистора 7 — виводи Ш реле-регулятора і генератора — обмотка 16 збудження —
«маса» — вивод «—» джерела.
Коли
напруга генератора перевищить регульовану і під дією зрослого магнітного
притягання розімкнуться контакти К1 і замкнуться контакти К2, транзистор
перейде в стан «заперто», так як його база з'єднається з виводом «+» джерела і
сила струму керування становитиме нуль. При цьому діод Дз, що називається
запірним, збільшить швидкість і надійність запирання транзистора. Оскільки
тепер струм в обмотку збудження проходить тільки по паралельному транзистору
колу через два послідовно з'єднаних резистори Ку і Кд, то сила струму в обмотці
збудження, а значить, і напруга генератора зменшуються, і весь процес
повторюється. Звернемо увагу: при цьому через прискорювальний резистор Ку струм
проходить в обмотку ОРН, що збільшує частоту коливань якірця до 20...30 Гц.
З
нагріванням обмотки ОРН, виконаній із мідного дроту, опір ЇЇ збільшується, в
результаті чого регулятор пізніше вступить в дію і буде підтримувати більш
високу напругу генератора. Щоб зменшити вплив температури на регульовану
напругу, послідовно обмотці ОРН включений резистор Ктк температурної
компенсації. Він виконаний із ніхрому, опір якого мало залежить від
температури.
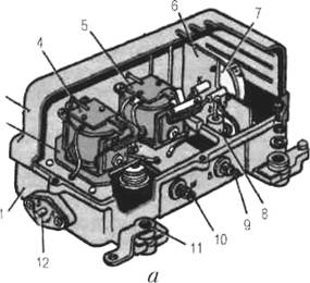
Рис.
4.2. Реле регулятор РР362-Б:
а
— будова; б — схема; 1 — корпус; 2 — панель; 3 — кришка; 4 — регулятор напруги;
5 — реле захисту; 6 — тепловідвід; 7 — транзистор; 8 — діод; 9,10,11 — виводи;
12 — перемикач посезонного регулювання; 13 — акумуляторна батарея; 14 — вимикач
«маси»; 15 — генератор; 16 — обмотка збудження генератора
Напругу,
що підтримує регулятор, можна змінювати гвинтом посезонного регулювання. Коли
його вигвинчують до упора (положення «Літо»), контактний диск, зображений на
схемі як перемикач 12, під'єднує резистор Кпс паралельно резистору Ктк.
В результаті опір у колі ОРН зменшується, і напруга, яку підтримує регулятором,
знижується з 14,0...15,2 до 13,2...14 В. В реле-регуляторі РР362, що
встановлюється на автомобілях,
У
процесі роботи регулятора напруги відбувається замикання і розмикання лише
нижніх контактів К2, а верхні К1 залишаються розімкнутими, оскільки амплітуда
коливань якірця мала. Контакти К1 замикаються і розмикаються лише в моменти
переходу напруги генератора від пониженої до нормальної, і навпаки. На схемі
видно, що при замкнутих контактах К1 резистор зворотного зв'язку К.33
виявляється ввімкненим паралельно обмотці ОРН, і тому якірець починає
притягуватися до осердя при підвищеній напрузі генератора. В момент розмикання
контактів К1 струм у обмотці ОРН різко збільшується, цим досягають надійного
притягування якірця і запобігають деренчанню контактів у перехідному режимі.
У
момент запирання транзистора внаслідок різкого зменшення сили струму в обмотці
збудження наводиться ЕРС самоіндукції. Щоб під дією цієї сили не відбулося
пробивання транзистора, паралельно обмотці збудження підключений діод Дг, який
разом з обмоткою утворює контур, де гаситься енергія самоіндукції.
Реле
захисту охороняє транзистор від руйнування великою силою струму в випадку
короткого замикання в колі обмотки збудження генератора. При такому пошкодженні
напруга генератора падає до нуля, і хоч по обмотці ОРН проходить струм від
акумуляторної батареї, контакти К2 розімкнуться, тому що напруга батареї менша
напруги генератора, при якій відбувається замикання контактів. Тому транзистор
залишиться в стані «Відкрито», і якщо не вжити заходів для закриття, то через
нього буде проходити струм короткого замикання по колу: «+» батареї — вивід В —
діод Д — перехід емітер — колектор — вивід Ш — місце короткого замикання —
«маса» — «-» батареї.
За
допомогою реле захисту транзистор переходить в стан «Закрито» таким чином.
Після розмикання контактів К2 замкнуться контакти К1, і струм проходитиме по
колу: «+» батареї — ярмо реле захисту — з'єднувальний провід — ярмо і якірець
регулятора напруги — контакти К1 — обмотка ОРЗ — затискач Ш — місце короткого
замикання — «маса» — «-» батареї. Проходячи по обмотці ОРЗ, струм створює
велике магнітне поле, якірець реле захисту притягується до осердя, і внаслідок
замикання контактів база транзистора опиняється з'єднаною з виводом «+»
батареї, транзистор закритий і залишається в цьому стані, поки вмикачем 14 не
від'єднають «—» батареї від «маси». Вмикати його можна тільки після усунення несправності.
Транзисторний
регулятор напруги діє подібно до контактно-транзисторного, з тією лише
різницею, що силою струму в обмотці збудження генератора керують не за
допомогою електромагнітного вібратора, а стабілітроном 5 (рис. 4.3, а). Коли
напруга генератора перевищить регульовану, відбувається електричне (але не
теплове) пробивання стабілітрона. База транзистора виявляється з'єднаною з
виводом «+» джерела, транзистор закривається, і струм проходить лише через
резистор Рд. Напруга генератора знижується, стабілітрон закри
вається, транзистор переходить в стан «Відкрито», і через нього проходить
збільшений струм збудження. В результаті напруга знову зростає до пробивання
стабілітрона, процес знову повторюється.
Схема
транзисторного регулятора напруги, зображена на рис. 4.3, а, спрощена. На
практиці до нього входять два або три транзистори, велика кількість резисторів,
діодів та деякі інші складові елементи.
Не
дивлячись на це, габарити транзисторного регулятора напруги у кілька разів
менші, ніж контактно-транзисторного реле-ре-гулятора, і в експлуатації не
вимагається регулювання.
Габаритні
розміри регулятора напруги Я112-Б (рис. 4.3, б), виконаного в вигляді
інтегральної мікросхеми, дозволяють монтувати його на кришці генератора.
Рис.
4.3. Спрощена схема транзисторного регулятора напруги (а) і інтегральний
регулятор напруги Я-112Б (б):
1
— генератор; 2 — акумуляторна батарея; 3 — вимикач «маси»;
4
— транзистор; 5 — стабі- ' літрон; 6 — обмотка збудження генератора;
7
— випрямляч генератора; 8 — контактні площадки; 9 — орієнтуючий виступ;
10
— основа, 11 —кришка
5.
СИСТЕМА ЗАПАЛЮВАННЯ ВІД МАГНЕТО
Робоча
суміш у пускових двигунах запалюється від електричного розряду (іскри), який
виникає між електродами, розташованими в камері згоряння.
Для
виникнення в камері згоряння електричної іскри призначений пристрій, який
називають іскровою запальною свічкою. Створює імпульси високої напруги і подає
їх до свічки пускового двигуна магнето. Разом з проводом високої напруги 5
(рис. 5.2) свічка 4 і магнето і складають систему запалювання пускового
двигуна. Вона працює самостійно, окремо від інших приладів електрообладнання
трактора.
Для
нормальної роботи двигуна важливе значення має момент запалювання робочої
суміші. Кут повороту колінчастого вала за інтер вал часу від моменту початку
іскроутворення до моменту приходу поршня у ВМТ називається кутом випередження
запалювання. При повному навантаженні двигуна на номінальному швидкісному
режимі кут випередження запалювання перебуває в інтервалі 25...400.
На пускових двигунах тракторів він забезпечується відповідним встановленням
корпуса магнето відносно остова пускового двигуна.
Магнето
являє собою пристрій, який виробляє струм низької напруги, переробляє його у
струм високої напруги і підводить до запальної свічки. В одному корпусі з
магнето розташовані генератор змінного струму, переривник струму низької
напруги, конденсатор та індукційна котушка (трансформатор).
На
пускових двигунах використовують малогабаритні магнето М-124 або його
модифікації. Магнето М-124 одноіскрове, правого обертання, з постійним моментом
іскроутворення.
Кріпиться
магнето фланцем корпуса 2 (рис. 5.1.). При цьому поводок 1, встановлений на
валу ротора 19, вводиться в паз шестерні привода.
Генератор
змінного струму магнето складається з ротора і стояків з полюсними башмаками. В
корпусі з немагнітного цинкового сплаву розміщено магнітопровідні стояки 11
(рис. ) з полюсними башмаками. Стояки і закріплене на верхніх площинах осердя
трансформатора 10 зібрані з окремих пластин електротехнічної сталі.
Рис.
5.1 Магнето
I—
повідець; 2 — корпус; 3 — стояк; 4 — осердя трансформатора;
5
— первинна обмотка; 6 — вторинна обмотка; 7 і 13 — кришки; 8 — вивід;
9
— провід високої напруги; 10 — стержень; II— пружина; 12 — контакт переривника;
14 — важілець рухомого контакту; 15 — кулачок;16 — диск переривника; 17 —
конденсатор; 18 — кнопка вимикання запалювання; 19 — ротор
Рис.
5.2. Схема системи запалювання пускового двигуна:
1
— магнето; 2 — вимикач блокування пуску двигуна при включеній передачі; 3 —
кнопка дистанційного виключення запалювання (на щитку приладів кабіни
трактора); 4 — запальна свічка; 5 — провід високої напруги; 6 — контакт: 7—
іскровий розрядник; 8, 9 — вторинна і первинна обмотки трансформатора; 10 —
осердя трансформатора; 11 — стояки; 12 — полюсні наконечники магніту; 13 —ротор
(магніт); 14 —піввісь; 15 — пакет пластин; 16 — ексцентрик; 17 —кулачок; 18 —
вісь; 19 — текстолітова подушка; 20 — важіль переривника; 21 — рухомий контакт;
22 — нерухомий контакт; 23 — контактний стояк; 24 — гвинт кріплення стояка; 25
— пластинчаста пружина; 26 — конденсатор; 27 — кнопка виключення запалювання
(на корпусі магнето)
Між
полюсними башмаками і наконечниками 12 ротора 13 витримується певний зазор для
одержання надійного магнітного потоку, який проходить через осердя
трансформатора 10.
Ротор
виконаний з окремих деталей. Постійний магніт ротора 13 виготовляється у
вигляді циліндра із нікель-алюмінієвої сталі (сплав ЖНА) або оксидно-барієвих
сплавів. На постійний магніт 13 напресовують пакет пластин 15 і дві півосі 14.
В пакеті пластин встановлюють полюсні башмаки: М—північ (Пн) і 8—південь (Пд).
Всі ці деталі скріплюються цинковим сплавом.
Трансформатор
складається з осердя 10 і котушки, що має первинну 9 і вторинну 8 обмотки.
Первинна із 166 витків товстого мідного, дроту діаметром 0,8...1,0 мм намотана
на осердя. Один кінець цієї обмотки припаяний до осердя і є «масою» (з'єднаний
з нерухомим контактом 18 переривника), другий — з'єднаний з початком вторинної
обмотки і з рухомим контактом 21 переривника. Вторинна обмотка має 13000 витків
тонкого мідного дроту діаметром 0,05...0,08 мм. Другий кінець вторинної обмотки
з'єднаний з проводом високої напруги 5.
Паралельно
первинній обмотці трансформатора в електричну схему низької напруги увімкнено
кнопку 27 виключення запалювання, конденсатор 26, кнопку 3 дистанційного виключення
запалювання і вмикач 2 блокування пуску двигуна при включеній передачі.
Переривник складається з кулачка 17, нерухомого 22 і рухомого 21 контактів, які
мають наконечники з тугоплавкого металу. Це запобігає обгорянню при виникненні
між ними іскри під час розмикання контактів. За кожний оберт ротора 13
магнітний потік в осерді трансформатора безперервно змінюється за величиною і
двічі за напрямом. Максимального значення магнітний потік набуває тоді, коли
ротор обертається на кут 8-10° від нейтрального положення у бік обертання. Цей
кут називають абрисом магнето.
Під
дією змінного магнітного потоку в первинній обмотці трансформатора утворюється
електрорушійна сила напругою до 30 В. Оскільки контакти переривника замкнуті,
електрорушійна сила забезпечує протікання струму по такому колу: первинна
обмотка трансформатора — пластинчаста пружина — контакти переривника — «маса»
~- первинна обмотка трансформатора. Струм, який проходить по первинній обмотці
трансформатора, утворює навколо неї магнітне поле. В момент максимального
значення струму в первинній обмотці кулачок розмикає контакти переривника,
струм низької напруги в первинній обмотці зникає. Зникає і утворене ним
магнітне поле, пройшовши витки вторинної обмотки. Під дією цього поля у
вторинній обмотці утворюється електрорушійна сила високої напруги.
Електрорушійна сила забезпечує протікання струму високої напруги до 24000 В по
такому колу: вторинна обмотка трансформатора — провід високої напруги —
електроди запальної свічки — «маса». Між електродами свічки виникає іскровий
розряд.
Одночасно
з утворенням струму високої напруги у вторинній обмотці з'являється струм
самоіндукції напругою 200...300 В у первинній обмотці. Струм самоіндукції
запобігає швидкому зниканню магнітного поля у первинній обмотці, що зменшує
напругу у вторинній. Цей недолік в роботі магнето усувається конденсатором,
який під час розмикання контактів переривника заряджається і розряджається при
замиканні кола первинної обмотки. При заряджанні конденсатора поглинається
струм самоіндукції первинної обмотки. Це зменшує обгоряння контактів
переривника і збільшує напругу у вторинній обмотці трансформатора.
Щоб
не допустити пуску дизеля при включеній передачі на тракторах встановлюється
спеціальний блокуючий пристрій. Він складається з вимикача і електропроводки.
Один контакт вмикача 2 з'єднаний з масою трактора, другий — електропроводкою з
первинною обмоткою магнето. При вимкнених передачах контакти вимикача 2
розімкнуті, блокуючий пристрій вимкнений, система запалювання працює. Зупинка
пускового двигуна здійснюється кнопкою 3 магнето. Якщо ввімкнута певна
передача, замикаються контакти вимикача 2, через який первинна обмотка магнето
постійно з'єднана з «масою». Магнето не виробляє струм високої напруги і двигун
не працює.
6.
ТЕХНІЧНЕ ОБСЛУГОВУВАННЯ ЕЛЕКТРООБЛАДНАННЯ
Технічне
обслуговування освітлювальної і світлосигнальної апаратури полягає в основному
у щоденній перевірці її роботоздатності, яка характеризується безвідмовною
роботою усіх приладів і обладнання.
ТО-2
охоплює всі роботи, передбачені ТО-1, а також: перевіряють стан щіток і колектора
стартера й очищають їх від пилу та бруду; перевіряють встановлення фар;"
очищають від пилу та бруду внутрішні поверхні магнето та змащують підшипники;
перевіряють та регулюють переривник магнето; регулюють зазори між електродами
запальної свічки пускового двигуна, ступінь розряджання акумуляторної батареї
та заряджання її від зарядного пристрою.
Генераторна
установка працездатна, якщо забезпечує роботу підключених до неї споживачів і
нормальне заряджання акумуляторної батареї. Ознаки нормальної роботи: після
пуску двигуна відразу ж гасне контрольна лампа, а амперметр показує достатньо
велику силу зарядного струму; через деякий час стрілка амперметра наближається
до нульової поділки і так залишається при подальшій роботі; вмикання фар при
середній частоті обертання двигуна не викликає відхилення стрілки в бік
розряджання.
Обслуговування
генераторів і реле-регуляторів полягає у періодичному огляді їх, перевірці
кріплення, з'єднань проводів і натягу приводного паса і зовнішньому очищенні
щіткою або вологою ганчіркою.
Промивати
генератор дизельним паливом, бензином або струменем води не можна.
Протираючи
генератор дерев'яною шпилькою одночасно прочищають дренажні отвори в кришках.
Особливо важливо перевіряти стан проводу і надійність його з'єднання з виводами
«В» («+») генератора і реле-регулятора. Пуск двигуна при порушенні цього кола
призводить до різкого підвищення напруги на випрямлячі і до пошкодження його
діодів.
Через
2000 мотогодин роботи трактора перевіряють стан щіток і контактних кілець
генератора. Для цього від'єднують проводи від акумуляторної батареї, знімають
генератор, виймають щіткотримач із щітками і заміряють їх висоту. Вона повинна
бути не менша 8 мм. Сила тиску пружин, коли щітка занурена в щіткотримач так,
що її торець не доходить на 22 мм до кромки, повинна бути 1,8...2,6 Н.
При
необхідності комплект щіток замінюють, а контактні кільця проточують.
Під
час ТО-3 трактори перевіряють і, якщо потрібно, регулюють реле-регулятор,
використовуючи для цього відповідне обладнання.
При
сезонному обслуговуванні тракторів перемикач посезонного регулювання
реле-регулятора встановлюють у положення, відповідно до наступного сезону.
В
разі відсутності зарядного струму в першу чергу перевіряють справність
амперметра: під час вмикання фар при непрацюючому двигуні амперметр повинен
показати розрядний струм. Потім перевіряють натяг приводного паса і відсутність
пошкоджень у проводці і контактних з'єднаннях зарядного кола, звертаючи
особливу увагу на чистоту і надійність з'єднання проводів з виводами
акумуляторних батарей.
У
такій же послідовності перевіряють генераторну установку при систематичному
недозарядженні батареї.
Якщо
під час роботи двигуна амперметр безперервно показує велику силу зарядного
струму, це свідчить про несправність акумуляторної батареї або велику напругу
генераторної установки. В останньому випадку відбувається постійне
перезарядження батареї, що супроводжується посиленим кипінням електроліту.
Однією
з причин підвищеної напруги може бути погане з'єднання реле-регулятора з
«масою», тому потрібно переконатися у справності проводу і надійності контактів
його з виводами «М»» на генераторі і реле-регуляторі.
Якщо
вказаними способами не вдається відновити нормальну роботу, то генераторну
установку необхідно перевірити з використанням спеціального стенду з
контрольно-вимірювальною апаратурою.
ПЕРЕЛІК
ВИКОРИСТАНОЇ ЛІТЕРАТУРИ
1.
Автомобили
ВАЗ-2105. Руководство по ремонту, эксплуатации и техническому обслуживанию: М.:
Третий Рим, 2002. – 185с.
2.
Кисликов
В.Ф., Лущик В.В. Будова і експлуатація автомобілів: Підручник. – К.: Либідь,
2002. – 400с.
3.
Костів Б.І.
Експлуатація автомобільного транспорту: Підручник. - Львів: Світ, 2004. – 496
с.; іл
4.
Лауш П.В.
Техническое обслуживание и ремонт машин. – К.: Высшая школа, 1989. – 350с.
5.
Полянський
С.К. Будівельно-дорожні та вантажопідіймальні машини. – К.: Техніка, 2001. –
624с.
6.
Родичев
В.А., Родичева Г.И. Тракторы и автомобили – М.: Высш. школа, 1982. – 320с.
7.
Токаренко
В.М. Практикум по устройству, техническому обслуживанию и ремонту
автотранспорта. – К.: Урожай, 1989. – 350с.