Разработка оборудования для вырезки балласта на базе машины ЩОМ-Д
АННОТАЦИЯ
В настоящем дипломном проекте произведен анализ существующих
конструкций щебнеочистительного оборудования отечественных путевых машин,
выявлены недостатки в существующих конструкциях и сделан выбор наиболее
приемлемой схемы модернизации машины.
В конструкторской части даны компоновка и параметры
нового выгребного устройства, а также проведены прочностные расчеты наиболее слабых
элементов конструкции. Рассмотрены вопросы по организации работ при капитальном
ремонте пути.
В проекте предоставлен экономический раздел, в котором
дается расчет экономической эффективности от внедрения модернизированной машины.
Выполнен раздел по охране труда.
СОДЕРЖАНИЕ
ВВЕДЕНИЕ
1 АНАЛИТИЧЕСКИЙ ОБЗОР
1.1 Назначение и устройство щебнеочистительной машины ЩОМ – Д
1. Анализ ряда технологических и конструктивных
решений проблем по модернизации щебнеочистительной машины
1.2.1 Подрезной нож
1.2.2 Устройство для вырезки балласта из – под
рельсошпальной решетки
1.2.3 Устройство для выгребания старого балласта
1.2.4 Устройство для вырезки балласта
2 РАСЧЕТ РАБОЧЕГО ОБОРУДОВАНИЯ
2.1 Определение основных параметров
2.1.1 Высота и радиус отвала
2.1.2 Силы, действующие на отвал
2.2 Мощность привода
2.2.1 Определение мощности привода гидроцилиндра
выноса несущих рам
2.3 Выбор и расчет элементов
рабочего оборудования
2.3.1 Расчет сечения отвала
2.3.2 Определение количества
болтов крепления ножа отвала
2.3.3 Расчет поперечины,
соединяющей отвалы
2.3.4 Расчет на прочность
колонн, на которых установлены отвалы
2.3.5 Расчет подшипников скольжения
2.3.6 Расчет шарнира
соединяющего два отвала
2.3.7 Расчет на прочность
проушин крепления гидроцилиндров
2.4 Расчет ленточного транспортера
2.4.1 Исходные данные
2.4.2 Определение ширины ленты
2.4.3 Определение параметров роликовых опор
2.4.4 Расчет распределенных масс
2.4.5 Выбор коэффициентов и определение местных сил
сопротивления
2.4.6 Определение мощности двигателя
3 ОРГАНИЗАЦИЯ ПРОИЗВОДСТВА ПУТЕВЫХ РАБОТ ПО РЕМОНТУ ПУТИ
3.1 Исходные данные
3.2 Технологическая схема производства работ в «окно»
при среднем ремонте
3.3 Ежедневная производительность ПМС
3.4 Длина фронта работ в «окно» при среднем ремонте
пути и расчет поправочного коэффициента
3.5 Длина рабочих поездов
3.6 График производства работ в «окно» при среднем
ремонте пути
3.7 Численность рабочих занятых при проведении работ в
«окно»
4 ОБОСНОВАНИЕ ЭКОНОМИЧЕСКОЙ ЭФФЕКТИВНОСТИ ПРИМЕНЕНИЯ МАШИНЫ
С РАЗРАБАТЫВАЕМЫМ ОБОРУДОВАНИЕМ ДЛЯ ВЫРЕЗКИ БАЛЛАСТА
5 ОХРАНА ТРУДА
5.1 Защита от шума дизель – генераторной установки
5.2 Защита от вибрации кресла машиниста
ЗАКЛЮЧЕНИЕ
СПИСОК ИСПОЛЬЗОВАННЫХ ИСТОЧНИКОВ
ВВЕДЕНИЕ
Балластная призма, на которую уложена рельсошпальная
решетка, может состоять из щебня, гравия, ракушечника и песка. На линиях с
большой грузонапряженностью и высокими скоростями движения поездов балластная
призма устраивается из щебня и отходов асбестовой промышленности. Толщина
балластного слоя под шпалами зависит от конструкции призмы, типа верхнего
строения пути, рода балласта основного слоя и может составлять от 0,25 до 0,6м.
наибольшее распространение получил балласт из щебня. щебеночная балластная
призма обладает высокой несущей и дренирующей способностью, упругостью и
прочностью. Но эти качества щебеночный балласт сохраняет до тех пор, пока он
чистый.
Периодическое восстановление физико-механических
характеристик и геометрических параметров щебеночной балластной призмы производится
путем очистки щебня или, в случае несоответствия уложенного в пути балласта
требуемым характеристикам,- за счет полной его замены на щебень твердых пород
машинами для очистки щебня и замены балласта.
Балластная призма должна обеспечивать вертикальную и
горизонтальную устойчивость рельсошпальной решетки при воздействии на нее
поездной нагрузки, равномерное распределение давления от шпал на возможно
большую площадь основной площадки земляного полотна, иметь возможно большую
равноупругость вдоль и поперек пути и обеспечивать наименьшую неравномерность
остаточных деформаций при эксплуатации железнодорожного пути. В процессе
длительной эксплуатации железнодорожного пути балластная призма постоянно
засоряется от динамического воздействия, от атмосферного влияния, а также от
попадания в щебень мусора и частиц перевозимых сыпучих грузов. При этом
балластная призма теряет свои первоначальные свойства, а остаточные деформации
пути увеличиваются, что ведет к повышенному износу элементов верхнего строения
пути, подвижного состава и возрастания расходов железнодорожного транспорта.
В процессе эксплуатации железнодорожного транспорта
требуется повышение эффективности производства и непрерывного обновления парка
машин. На железных дорогах увеличивается мощность пути, совершенствуется
технология и организация ремонтно-путевых работ. Своевременный и качественный
ремонт пути, снижение затрат времени и эксплуатационных расходов, повышение
производительности труда осуществляется на основе максимальной механизации всех
путевых работ.
Одна из самых трудоемких работ при ремонте пути –
очистка щебеночного балласта.
При каждом капитальном ремонте пути, после подсыпки
нового балласта, происходит его повышение на 10…15 см. Кроме того, ежегодно в результате
выправки пути при текущем содержании пути становится выше на 2…3 см. Таким
образом, на электрифицированных участках расстояние между головкой рельса и
контактным проводом уменьшается и в настоящее время является минимально
допустимым.
Теперь, когда дороги переходят на полный хозяйственный
расчет, нужно увеличить глубину и качество очистки [17].
1 АНАЛИТИЧЕСКИЙ ОБЗОР
В данном разделе рассматривается проектируемая машина
и производится анализ существующих устройств модернизации щебнеочистительных
машин.
1.1
Назначение и устройство
щебнеочистительной машины ЩОМ – Д
Машина ЩОМ – Д предназначена для очистки щебеночной
балластной призмы на всю ширину и глубину до 25 см, может вырезать песчаный
балласт и удалять за пределы пути, выправлять продольный профиль пути с
подрезкой балластного слоя и земляного полотна, устраивать отводы при подходах
к искусственным сооружениям, поднимать и сдвигать путевую решетку с деревянными
шпалами [17].
Таблица 1.1 – Техническая характеристика
|
Производительность
|
2800 м3/ч
|
|
Рабочая скорость машины
|
до 55 км/ч
|
|
Транспортная скорость машины
|
1 – 3 км/ч
|
|
Скорость ленты
|
до 12 м/с
|
|
Максимальная глубина очистки
|
0,25 м
|
|
Максимальная ширина очистки
|
5,0 м
|
|
Число ходовых тележек
|
3
|
|
Высота от головки рельса до нижнего пояса фермы в месте
установки щебнеочистительного устройства
|
1450 мм
|
|
В остальных местах
|
1250 мм
|
|
Высота от головки рельса до оси автосцепки
|
1060 мм
|
|
Длина машины по осям автосцепок
|
47220 мм
|
Базой машины является электробалластер ЭЛБ – 1. На
машине сохранены все его рабочие органы (за исключением дозатора на ферме №1),
поэтому машина ЩОМ – Д может применяться так же, как электробалластер. На ферме
размещены узлы щебнеочистительного устройства, управление которыми осуществляют
из кабины управления и выносного поста. Обе фермы усилены: увеличена высота
стенок в сечениях фермы, где расположено щебнеочистительное устройство;
наварены дополнительные полосы на нижний и верхний пояса; связи из уголков
заменены листовыми диафрагмами. На фермах, кроме того установлены подъемное
устройство, дозатор, рельсо - шпальные щетки и планировщик, который
разравнивает очищенный щебень по ширине балластной призмы, а также консольный
кран 14 грузоподъемностью 3,5т с пультом управления. Передвижение машины в
рабочем и транспортном состояниях осуществляется специально переоборудованным
тепловозом ТЭ3, который является также источником электроэнергии для питания
постоянным током двигателей привода щебнеочистительной ленты. Двигатели
остальных механизмов питаются переменным током от электростанции У – 12
мощностью 100 кВт, установленной в машинном отделении [17].
1.2
Анализ ряда технологических
и конструктивных решений проблем по модернизации щебнеочистительной машины
1.2.1 Подрезной нож
На всех машинах типа ЩОМ – 4, ЩОМ – 4М и других
щебнеочистительных машинах этого типа устанавливается подрезной нож. Подрезной
нож служит для вырезки щебня и для направления сетчатой ленты.
1 – лист – основание; 2 – уголковые направляющие
ленты; 3 – задний лист; 4 – дуга; 5 – крюк; 6 – проушина; 7 – гнездо; 8 –
режущая кромка; 9 - зуб
Рисунок 1 – Подрезной
нож
Подрезной нож (рисунок 1) сварен из листа основания 1,
к которому приварены уголки 2, служащие направляющими для сетчатой ленты. К передней
части листа – основания приварена режущая кромка 8 с зубьями 9. Для увеличения
износостойкости концы зубьев и передняя грань режущей кромки наплавлены
твердыми сплавами. Передняя и задняя части ножа перекрыты дугами 4. Сзади нож
закрыт листом 3.
Для подведения ножа под поднятую рельсошпальную
решетку канаты лебедок, установленные на щебнеочистительном устройстве, закрепляются
за проушины. После подведения на конические бобышки стоек несущей рамы
направляют гнезда 7 подрезного ножа и притягивают его цепями канатов лебедок к
стойкам несущей рамы. В этом положении нож удерживается при работе машины. К
скобам ножа прикрепляют при помощи крюков 5 прутки – струнки, которые
поддерживают оторвавшиеся шпалы и предотвращают попадание их под отвал
планировщика. В случае, когда щебнеочистительные машины используют в качестве
электробалластера для подъемки пути, вместо ножа устанавливают балластировочные
рамы со струнками. Их также, как нож, прикрепляют к коническим выступам несущей
рамы.
Анализируя подрезной нож выявляются несколько
недостатков несмотря на эффективность его работы. Так как машины типа ЩОМ – 4
являются не самоходными, то во время их работы основные нагрузки приходятся
на подрезной нож, что уменьшает срок его эксплуатации.
Из-за возникающих нагрузок на подрезной нож невозможно увеличить глубину
вырезки под рельсошпальной решеткой, а следовательно производительность щебнеочистительной
машины.
Для решения данной проблемы необходимо уменьшить объем
балласта вырезаемого ножом, путем установки дополнительных рабочих органов для
вырезки балласта или других технических решений.
1.2.2 Устройство для вырезки балласта из-под
рельсошпальной решетки
При ремонте железнодорожного пути по смене балласта,
его вырезки с возможной очисткой может быть использовано данное устройство.
техническим результатом является возможность вырезания балласта и подбора оптимальной
траектории направления частиц вырезаемого балласта и засорителей в
транспортирующий орган в зависимости от фракции балласта, засорителей и сил
сцепления между ними.
Устройство для выемки балласта (рисунок 2) монтируется
на раме путевой машины с обоих ее сторон или с одной стороны и содержит режущий
орган 1 и транспортирующий орган 2. Режущий орган 1 состоит из рамы 3, установленный
на раме машины с возможностью поворота привода 4 вокруг вертикальной оси, и
бесконечной цепи 5 с резцами 6. Рама 3 образована продольной балкой. На одном
ее конце установлена звездочка 7, соединенная с приводом 8 движения цепи 5, а
на втором конце рамы 3 закреплена направляющая звездочка или направляющий ролик
9. На раме 3 шарнирно при помощи осей 10 закреплены одни концы двух
направляющих 11 для цепи 5, расположенных на противоположных продольных
сторонах продольной балки.
1-
режущий орган; 2 – транспортирующий
орган (ротор); 3 – рама; 4 – привод поворота; 5 – цепь; 6 – резец; 7 –
звездочка; 8 – привод цепи; 9 – звездочка; 10 – ось; 11 – направляющие; 12 –
кронштейн; 13 – направляющие ролики; 14 – палец
Рисунок 2 – Устройство
для выемки балласта с железнодорожного пути
Оси 10 расположены на удаленном от транспортирующего
органа 2 конца рамы 3. На вторых концах направляющих 11 жестко закреплены
кронштейны 12, несущие свободно вращающиеся ролики 13, при помощи
которых направляющие 11 с кронштейнами 12 могут быть
зафиксированы на раме 3, на которой также выполнены отверстия пальцев 14.
При вытаскивании пальцев 14 из отверстий направляющие
11 могут поворачиваться вокруг осей 10. Расположенные напротив друг друга
поверхности кронштейнов 12 имеют в плане скосы в продольном направлении
кронштейнов (клиновидные поверхности) кронштейнов 12 взаимодействует ролик,
соединенный с приводом возвратно-поступательного перемещения по стрелкам. Этот
привод, например, может представлять собой винтовую пару и с роликом образует
механизм раздвижки кронштейнов 12 в горизонтальной плоскости.
Направляющие 11 для цепи 5 с кронштейнами 12,
связанными с указанным механизмом их раздвижки, образуют орган для изменения
траектории движения цепи 5. Транспортирующий орган 2 монтируется в зоне разгрузки
цепи 5 и может состоять из ковшового ротора.
Устройство работает следующим образом: в транспортном
положении режущий орган 2 находится в поднятом положении, при этом располагается
вдоль путевой машины. При подходе к зоне вырезки балласта орган 2 опускается на
необходимую величину вырезки балласта. Затем путевая машина перемещается с
работающим ковшовым ротором, который вырывает траншею длиной, равной длине
режущего органа 1. Траншея вырывается за торцами шпал вдоль пути. Ковшовый
ротор вращается производя вырезку балласта. Затем в вырытую траншею опускается
режущий орган 1 с перемещающимся приводом 8 цепью. При перемещении путевой
машины с работающими органами 1 и 2 частицы балласта и засорителей
захватываются резцами 6 цепи 5 и перемещаются в зону разгрузки цепи 5 и
загрузки рабочего органа 2. При подходе к ковшам ротора цепь 5 с резцами 6
изгибается при помощи органа для изменения траектории ее движения, при этом в
зоне изгиба цепи 5 увеличивается линейная скорость перемещения резцов 6. При
увеличении скорости резцов 6 частицы балласта и засорителей перемещаются с
увеличением скорости и отбрасываются под ковши ротора. Ковши ротора перемещают
балласт и засорители к устройству для очистки балласта или перегрузочному
устройству, которое направляет вырезанный балласт с засорителями в спецсостав
или сбрасывает его сбоку от пути.
Для придания цепи 5 нужной формы в плане необходимо
расфиксировать одну направляющую 11, извлекая палец 14 из отверстий рамы 3 и
соответствующего кронштейна 12. Вторая направляющая 11 при этом по-прежнему
зафиксирована. При возвратно-поступательном движении ролика 15 он воздействует
на скос поверхности 15 кронштейна 12, разворачивая при этом одну направляющую
11 вокруг оси 10. Направляющая 11, периодически отклоняясь, меняет траекторию
движения цепи 5, раздвигая ее в плане до тех пор, пока цепь 5 не достигнет
необходимого натяжения. При этом цепь 5 направляется звездочкой 7, свободно
вращающейся на кронштейнах 12 роликами 13, направляющими 11 и звездочкой или
роликом 9.
Режущий орган 1 может производить вырезку балласта
из-под рельсошпальной решетки и с обочины пути или из междупутья. В последнем
случае орган 1 разворачивается вокруг вертикальной оси приводом 4, вторая направляющая
11 расфиксируется от рамы 3 и отклоняется в плане вокруг оси 10 аналогично
сказанному выше, изменяя траекторию движения цепи 5 в зоне ее разгрузки,
загружая при этом ковшовый ротор с другой стороны. указанная ранее одна
направляющая 11 при этом зафиксирована на раме 3 пальцем 14.
Таким образом, орган для изменения траектории движения
цепи 5, смонтирован на раме 3 режущего 1 в зоне разгрузки цепи 5, позволяет
изменить скорость перемещения частиц балласта и засорителей в зоне разгрузки
цепи 5, что обеспечивает более быструю и подвижную загрузку транспортирующего
органа 2, исключая скопление балласта сбоку от него. Несмотря на большую
производительность, глубина очистки остается небольшой. Основной недостаток
данной конструкции, это малый срок службы зубьев цепи и следовательно и самой
цепи уменьшается срок эксплуатации.
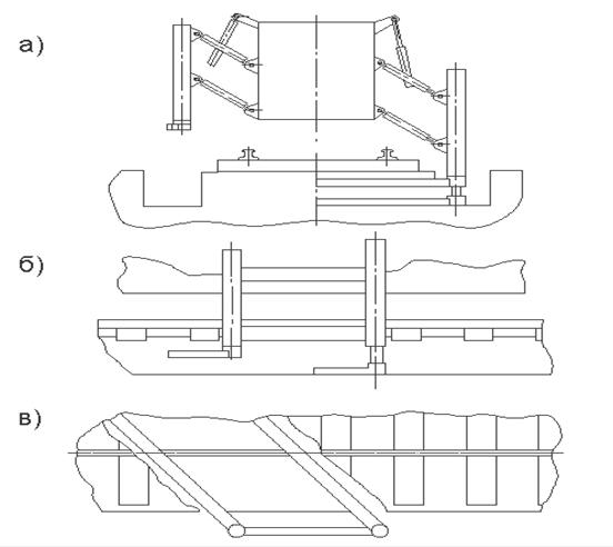
1.2.3 Устройство для выгребания старого балласта
Устройство относится к путеподъемным, например
балластировочным, путевым машинам, снабженным устройством для удаления
загрязненного балласта из-под рельсовой плети во время капитального ремонта и реконструкции
пути.
1 – электродвигатель; 2 – приводной ремень; 3 –
ведущий барабан; 4 – направляющий ролик; 5 – ленточный транспортер; 6 –
механизм заглубления; 7 – путеподъемная рама; 8 – несущая рама; 9 – откидной
кронштейн; 10 – направляющий барабан
Рисунок 3 – Устройство
для выгребания старого балласта
Такого рода устройства, снабжаемые поперечным выносным
ленточным транспортером (рисунок 3). С целью защиты транспортера от воздействия
балласта, подрезной нож выполнен полым для возможности размещения в нем ведущей
и ведомой ветвей транспортера.
К раме 7 путеподъемной балластировочной машины,
несущей рамы 8 с механизмом 6 заглубления, прикрепляется при помощи откидных
кронштейнов 9 устройство для выгребания старого балласта, заключающее в себе
подрезной полый нож и выносной ленточный транспортер 5 с приводной станцией. Внутри
полого ножа расположен транспортер 5, ведущая а и ведомая б ветви которого
сближены друг с другом при помощи направляющих роликов 4, с целью максимального
уменьшения габаритов по высоте (уменьшения толщины ножа). Между ветвями
транспортера 5 расположен металлический лист ножа, служащий для поддерживания
ведущей ветви а и предохранения ее от соприкосновения с ведомой ветвью
транспортера. Под нижней (ведомой) ветвью расположен лист ножа, предохраняющий
ветвь транспортера от трения о балласт.
Расположенная со стороны обочины пути приводная
станция транспортера состоит из ведущего барабана 3, электромотора 1 и шкивов с
приводным ремнем 2.
Электромотор 1 установлен на горизонтальной площадке.
Между этойплощадкой и ведущей ветвью а транспортера имеется проход для
материала, выносимого транспортером. Ведущий барабан 3 с валом монтируется в
подшипниках и закрепляется в боковых вертикальных листах.
Со стороны междупутья (другой стороны ножа) расположен
направляющий барабан 10, закрытый кожухом, предохраняющим барабан и направляющий
ролик 4 от попадания на них песка. Кожух выполнен в виде челнока для уменьшения
сопротивления при движении в балласт.
Сверху в средней части ножа расположен лист с
продольным срезом, предназначенный для равномерной загрузки балластом
транспортера 5 по всей ширине последнего.
Передний наклонный лист ножа предназначен для подъема
балласта и облегчения работы устройства.
При работе балластировочная машина с выгребным
устройством останавливается у места начала работ и своим подъемным устройством
поднимает рельсовую плеть на максимальную высоту. После этого, с помощью
приспособлений под плетью устанавливается выгребное устройство без какого либо
предварительного выгребания балласта вручную. Затем балластировочная машина
приводится в движение. По мере продвижения машины постепенно заглубляется
выгребное устройство и, таким образом, производится постепенное опускание
плети. При опущенном на желательную глубину подрезном ноже машина продолжает
продвигаться равномерно с минимальной скоростью вперед. Балласт по переднему
наклонному листу поднимается под напором на верхний накладной лист и ссыпается
на верхнюю ветвь а бесконечной ленты транспортера. Лентой, приводимой в
движение от электромотора, балласт выбрасывается на обочину пути. Поскольку
механизм двусторонний, то имеется возможность без его перестановки работать в
обоих направлениях. При движении в обратном направлении необходимо только перекладывать
верхний накладной лист.
1.2.4 Устройство для вырезки балласта
Данное устройство установлено на раме проектируемой
машины ЩОМ – Д. Отвалы сконструированы на раме, каждая рама несет по два
отвала. Каждый из отвалов имеет возможность поворота относительно вертикальной
оси для регулирования заглубления в толщу балластной призмы, благодаря тому,
что закреплен на вертикальной поворотной штанге. Задний по ходу машины отвал
имеет также возможность регулироваться относительно переднего отвала по глубине
резания относительно уровня постели шпал. Вынос несущих рам из транспортного
положения в рабочее осуществляется вручную и закрепляется растяжкой к раме в
транспортное положение. Также за вторым отвалом располагается транспортер для
выноса лишнего балласта на обочину пути. Транспортер шарнирно закреплен за
отвал и его вынос из транспортного в рабочее положение осуществляется вместе с
отвалом.
2 РАСЧЕТ РАБОЧЕГО ОБОРУДОВАНИЯ
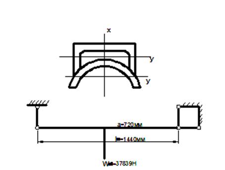
Устройство для вырезки балласта (рисунок 4) смонтировано
на базе щебнеочистительной машины ЩОМ – Д. Рабочая скорость машины должна быть
не менее 1,5 км/ч, что позволит ее применение в технологическом процессе при
ремонте пути без снижения его темпа.
При проектировании ставилась задача минимально
изменить конструкцию уже существующей машины, достигнув при этом максимального
улучшения технологических параметров ремонта пути.
а – вид спереди; б – вид сбоку; в – вид сверху
Рисунок 4 –
Устройство для вырезки балласта
2.1 Определение основных параметров
2.1.1 Высота и радиус отвала
Высоту отвала определяем из условия не пересыпания
грунта через отвал. Это условие соблюдается, если объем грунта (асбест),
поступающего из балластной призмы на пути полного замещения призмы волочения,
равен объему Vпр призмы волочения, который может разместиться перед
отвалом [15].
Из этого условия высота отвала Н, м:
(2.1)
где
- угол естественного
откоса грунта в движении,
;
- угол трения грунта об отвал,
;
-
угол захвата,
;
- коэффициент
формы поперечного сечения призмы волочения,
;
- площадь поперечного сечения стружки
вырезаемой отвалом в режиме номинальной тяги, м2.
(2.2)
где
- номинальная тяга
(тепловоза) машины,
(рисунок 5); k – удельное
сопротивление копанию расчетного грунта отвалом,
;
1,3 – коэффициент, учитывающий неравномерность площади поперечного сечения
стружки, а также уменьшения нагрузки на тяговые колеса вследствие отпора
грунта.
.
Рисунок 5 – Тяговая
характеристика тепловоза ТЭ2
По формуле (2.1):
.
Радиус отвала r, м:
(2.3)
где
- угол резания
отвала,
.
.
2.1.2 Силы, действующие на отвал
На каждый отвал действуют силы сопротивления резанию
балласта Wп1, перемещению призмы волочения Wп2, вверх Wп3
и вдоль Wп4 отвала (рисунок 6) [18].
Рисунок 6 – Схема
к определению сопротивлений
Суммарное сопротивление Wп, Н:
Wп = Wп1+Wп2+Wп3+Wп4.
(2.4)
Сопротивление резанию балласта Wп1, Н:
, (2.5)
где
- коэффициент
удельного сопротивления резанию балласта,
;
- толщина срезаемого слоя,
по заданию;
-
длина одного отвала.
, (2.6)
где
- ширина захвата
отвалов,
(принята конструктивно);
- угол захвата, т.е. угол установки
отвала в горизонтальной плоскости,
.
.
По формуле (2.5):
.
Сопротивление перемещению призмы волочения Wп2,
Н:
, (2.7)
где
- плотность грунта,
; g – ускорение свободного падения, g =
9,81 м/с2; f – коэффициент внутреннего трения асбеста, f = 0,7; vп
– объем призмы перемещаемой отвалом, м3.
, (2.8)
где
- угол естественного
откоса,
.
.
По формуле (2.7):
.
Сопротивление перемещению призмы волочения вверх от
отвала Wп3, Н:
, (2.9)
где f1 – коэффициент трения асбеста об
сталь, f1 = 0,5.
Сопротивление перемещению призмы волочения вдоль от
отвала Wп4, Н:
, (2.10)
где
- угол наклона
отвала к горизонту,
.
По формуле (2.4):
Wп = 68256+3571+1785,5+2065 = 75677,5 Н.
Проекция на ось пути всех сопротивлений, действующих
на один отвал
, Н:
, (2.11)
где
- угол между осью
пути и отвалом,
.
.
Усилие необходимое для прижатия отвала F0,
Н:
, (2.12)
.
2.2 Мощность привода
Для определения мощности привода механизмов, имеющих в
качестве силового звена гидроцилиндр, необходимо найти усилие, действующее на
гидроцилиндр, и скорость перемещения штока гидроцилиндра.
2.2.1 Определение мощности привода гидроцилиндра
выноса несущих рам
Определение усилия проведем в случае, когда отвал
заглублен в призму в вертикальной плоскости на 0,09 м.
Усилие определяем по расчетной схеме (рисунок 7).
Рисунок 7 – Расчетная
схема к определению усилия в гидроцилиндре подъема
Усилие в гидроцилиндре подъема несущих рам Fгц,
Н [19]:
, (2.13)
где G0 – масса отвала с креплением, G0=10000
H (определено предварительно); GНР – масса несущей рамы, GНР =
12000 Н; F0 – усилие прижатия одного отвала, F0 =
26756,05 Н.
.
Внутренний диаметр цилиндра Dц, м:
, (2.14)
где
- гидромеханический
КПД цилиндра,
;
-
рабочее давление,
.
.
Для определения хода гидроцилиндра рассмотрим
расчетную схему (рисунок 8).
Ход гидроцилиндра выноса несущих рам Хгц,
мм:
, (2.15)
где
- длины
гидроцилиндра в крайних положениях, определенных графическим способом, мм;
-
масштаб расчетной схемы,
.
.
По диаметру и ходу поршня выбираем гидроцилиндр [13]: ГЦО
– 4 – 60 – 30 – 700,
где ГЦО – гидроцилиндр;
4 – исполнение по типу крепления (на проушине);
60 – диаметр поршня, мм;
30 – диаметр штока, мм;
700 – ход штока, мм.
Рисунок 8 – Расчетная
схема к определению хода гидроцилиндра выноса несущих рам
Вывод: гидроцилиндры оставляем штатные; расчет рамы и
шарниров можно не делать, т.к. они спроектированы со значительным запасом.
Скорость установки отвала не связана с рабочей
скоростью машины, поэтому скорость принимаем равной
для
удобства регулирования положения отвала.
Расход жидкости при подаче в поршневую полость Q, м3/с:
, (2.16)
где Ап – рабочая площадь поршня, м2:
, (2.17)
.
По формуле (2.16):
.
Мощность, необходимая для привода цилиндра P, Вт:
, (2.18)
.
Выбор диаметра трубопроводов определяется ограничением
скорости рабочей жидкости. В напорном трубопроводе скорость движения
. Диаметр трубопровода dтр,
м:
, (2.19)
.
Принимаем диаметр трубопроводов по ГОСТ 8734 – 75: dтр
= 9 мм.
2.3 Выбор и расчет элементов рабочего оборудования
Цель расчета – определить опасные сечения и проверить
их на прочность, либо подобрать сечение.
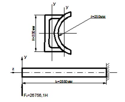
2.3.1 Расчет сечения отвала
Рисунок 9 – Расчетная
схема к расчету отвала
Момент сопротивления W, см3 [15]:
, (2.20)
, (2.21)
где
- допускаемые
напряжения при изгибе, Ст35 -
= 290МПа; М –
изгибающий момент,
.
, (2.22)
.
, (2.23)
.
По формулам (2.20) и (2.21):
,
.
Момент сопротивлений балки Wx1, Wy2,
:
, (2.24)
, (2.25)
где
толщина стенки по
ширине и ширина балки,
(рисунок 10);
высота балки и толщина стенки по
высоте,
.
Рисунок 10 –
Балка
Из формул (2.24) и (2.25) следует:
; (2.26)
; (2.27)
;
.
Рисунок 11 – Расчетная
схема сечения отвала
2.3.2 Определение количества болтов крепления ножа
отвала
Суммарное усилие действующее на болты
, Н (рисунок 12):
, (2.28)
где
усилие необходимое
для прижатия отвала, Н;
суммарное сопротивление,
действующее на отвал, Н.
.
По суммарному усилию, действующему на отвал, принимаем
диаметр болта
.
Количество болтов из условия среза
, шт.:
, (2.29)
где
допускаемое
напряжение при срезе, (Ст35)
.
Принимаем
.

2.3.3 Расчет поперечины, соединяющей отвалы
Рисунок 13 – Схема
к расчету поперечины соединяющей отвалы
Определим поперечные размеры стержня, соединяющего
отвалы.
Сжимающая сила на стержне поперечины
:
, (2.30)
.
Требуемая площадь поперечного сечения стержня
поперечины
:
, (2.31)
где
допускаемое
напряжение при сжатии, (Ст35)
.
.
Принимаем круглое сечение стержня поперечины (рисунок
14).
Рисунок 14 – Поперечное
сечение поперечины
Диаметр стержня dст, м:
, (2.32)
.
2.3.4 Расчет на прочность колонн, на которых
установлены отвалы
Момент сопротивления W, см3:
; (2.33)
, (2.34)
где
допускаемое
напряжение при изгибе, (Ст35 – нормализация, нагрузка переменная)
;
изгибающий
момент,
.
Рисунок 15 – Схема
к расчету колонны
, (2.35)
.
По формуле (2.34):
.
Из формулы (2.33) диаметр колонны
:
, (2.36)
.
2.3.5 Расчет подшипников скольжения
Подшипники скольжения рассчитываются на удельную
нагрузку
[14]:
, (2.37)
где
реакция опоры,
;
диаметр
подшипника,
;
длина
подшипника, м;
допустимое давление, для
бронзы
.
Из формулы (2.37) следует:
, (2.38)
.
Принимаем длину подшипника из расчета на устойчивость
опоры:
, (2.39)
.
2.3.6 Расчет шарнира соединяющего два отвала
Расчет пальца на срез (рисунок 16):
Диаметр пальца
:
, (2.40)
где
усилие среза, Н.
, (2.41)
.
где
допускаемое
напряжение на срез, для Ст45
;
число
плоскостей среза,
:
.
Рисунок 16 – Шарнирное
соединение
Расчет пальца на смятие:
Наименьшая толщина соединяемых частей
:
, (2.42)
где
допускаемое
напряжение материала пальца на смятие, для Ст45 – нормализация
:
.
2.3.7 Расчет на прочность проушин крепления
гидроцилиндров
Расчет производится из условия того, что гидроцилиндр,
работая поршневой полостью, развивает максимальное усилие (рисунок 17).
Проушина крепления гидроцилиндра опускания отвалов
крепится к раме механизма опускания отвалов.
Момент сопротивления W, см3:
, (2.43)
Рисунок 17 – Расчетная
схема проушин
где М – изгибающий момент,
.
, (2.44)
где
максимальное усилие,
развиваемое гидроцилиндром,
;
длина проушины,
.
;
допускаемое
напряжение на изгиб, для Ст3 – нагрузка переменная
:
.
Момент сопротивления W, см3:
, (2.45)
где 12 – для двух проушин; В – ширина проушины, В =
1,5 см (принято конструктивно); Н – высота проушины, см.
Из формулы (2.45) следует:
, (2.46)
2.4 Расчет ленточного транспортера
2.4.1 Исходные данные
Исходные данные для расчета ленточного транспортера
представлены в таблице 2.1. Схема конвейера представлена на рисунке 18.
Рисунок 18 – Схема
ленточного конвейера
Таблица 2.1 - Исходные данные для расчета ленточного
конвейера
|
Тин транспортера
|
ленточный
|
|
Режим работы
|
тяжелый
|
|
Производительность Q, т/ч
|
270
|
|
Материал
|
щебень
|
|
Насыпная плотность ρ, т/м :
|
1,5
|
|
Угол естественного откоса в покое, град.
|
45
|
|
Угол естественного откоса в движении, град,
|
35
|
|
Группа абразивности
|
D
|
|
Коэффициент трения в состоянии покоя по резине
|
0,46
|
|
Размер типичных кусков а, мм
|
10-60
|
|
Разгрузка конвейера
|
свободная
|
|
Скорость материала при загрузке V0, м/с
|
0,42
|
2.4.2 Определение ширины ленты
Скорость конвейерной ленты при транспортировании щебня
рекомендуется принимать в пределах 2,5 – 6,3 м/с [12]. Принятое значение
скорости равно 4 м/с.
Ширина конвейерной ленты В при опоре на горизонтальные
ролики, м:
, (2.47)
где Q - производительность конвейера, т/ч (Q = 270 т/ч); Сβ
- коэффициент, учитывающий уменьшение поперечного сечения груза при
транспортировании под углом к горизонту; υ - скорость движения ленты
конвейера при транспортировании щебня, м/с (υ = 4 м/с [10]); ρ -
насыпная плотность груза, т/м3 (принимается ρ = 1,5 т/м3
[10]).
, (2.48)
где с - коэффициент площади поперечного сечения груза на
ленте (с=240 [10]); k - коэффициент, учитывающий угол наклона конвейера (k = 0,95
[10]).
.
Ширина ленты с учетом максимальных размеров кусков щебня, м:
, (2.49)
где
- максимальный
размер куска щебня, м (
).
Окончательно принята стандартная ширина ленты В = 0,5 м [12].
Поскольку принятая ширина ленты равна расчетной, уточнение
скорости движения ленты не требуется.
Выбираем конвейерную ленту общего назначения типа 2 шириной В
= 500мм с тремя тяговыми прокладками прочностью 100Н/мм из ткани БКНЛ – 100,
допускающими рабочую нагрузку
, с толщиной
резиновой обкладки класса прочности Б рабочей поверхности
, не рабочей поверхности
.
Лента 2 – 500 – 3 – БКНЛ – 100 – 4,5 – 2 – Б ГОСТ 20 – 76.
2.4.3 Определение параметров роликовых опор
Шаг роликовых опор выбирается с учетом плотности насыпного
груза и ширины конвейерной ленты [12]. Конструктивно принимаем 6 роликовых
опор.
Диаметр роликов выбран с учетом ширины и скорости ленты,
плотности груза и исключения резонансных явлений. В данном случае ролики приняты
прямыми одинакового диаметра, DP = 83 мм [12].
Масса вращающихся частей однороликовой опоры mР:
(2.50)
2.4.4 Расчет распределенных масс
Распределенная масса транспортируемого груза q, кг/м:
, (2.51)
Распределенная масса вращающихся частей опор верхней ветви qP,
кг/м:
, (2.52)
Распределенная масса вращающихся опор нижней ветви q
!P, кг/м:
, (2.53)
Толщина конвейерной ленты δЛ, мм:
, (2.51)
где
количество тяговых тканевых
прокладок,
;
толщина
тяговой тканевой прокладки,
;
толщина резиновой обкладки рабочей
поверхности конвейерной ленты,
;
толщина резиновой обкладки нерабочей
поверхности конвейерной ленты,
.
.
Распределенная масса ленты:
, (2.52)
2.4.5 Выбор коэффициентов и определение местных сил
сопротивлений движению
Силы сопротивления движению на отдельных участках
трассы зависят от величины коэффициентов сопротивления w. Коэффициент сопротивления
движению отличается для грузовой и холостой ветвей. Для тяжелых условий работы
приняты [10]: w = 0,035 для грузовой ветви и w ! = 0,032 для
холостой ветви.
Соответственно приняты следующие коэффициенты: wП1
= 0,035 – приводного барабана; wП2 = 0,07 – натяжного барабана.
Сила сопротивления в пункте загрузки WЗ. У
(2.53)
где fЛ – коэффициент трения груза о ленту,
fЛ = 0,46 [10]; v0 – скорость материала при загрузке, v0
= 0,42 м/с; β – угол наклона конвейера к горизонту, β = 00;
k – коэффициент бокового давления груза на направляющие борта, k=0,8 [10]; f –
коэффициент трения груза о направляющие борта, f=0,4 [10].
Условие ограничения стрелы провиса холостой ветви:
, (2.54)
где g – ускорение свободного падения, g = 9,81 м/с 2;
длина конвейера,
.
.
Окончательно SMIN =S1 принято
1736 Н.
Натяжение в точке 2:
(2.55)
Натяжение в точке 3:
(2.56)
Натяжение в точке 4:
, (2.57)
.
2.4.6 Определение мощности двигателя
Для исключения пробуксовывания ленты при всех режимах
работы конвейера коэффициент запаса привода по сцеплению kСЦ должен
быть в пределах 1,3-1,4 [10].
Тяговое усилие привода:
(2.58)
Тяговый коэффициент:
, (2.59)
где SНБ - натяжение набегающей ветви приводного
барабана, SНБ =S4=1937 Н;
SСБ -
натяжение сбегающей ветви приводного барабана, Sсб=S1=1736
Н; kcц- коэффициент запаса привода по сцеплению, kCЦ
=1,3; μ0 - коэффициент трения ленты по барабану без футеровки в
сухом помещении, μо = 0,3.
Мощность на приводном валу конвейера
:
(2.60)
где F0 - тяговое усилие привода, Н:
F0 = SНБ
– SСБ = 1937 –
1736 = 201 Н;
КПД приводного барабана,
:
.
Мощность привода конвейера
:
(2.61)
где
коэффициент запаса,
;
КПД
передач от двигателя к приводному валу,
.
.
По каталогу выбираем мотор – барабан МБ – 2 с
.
3 ОРГАНИЗАЦИЯ ПРОИЗВОДСТВА ПУТЕВЫХ РАБОТ ПО РЕМОНТУ ПУТИ
В настоящее время для всех основных видов путевых
работ разработаны технологические процессы, в которых предусмотрено использование
современных машин и механизмов, прогрессивных норм, учитываются условия
движения поездов и т.д. Однако, плановые технические процессы не учитывают все
многообразие местных условий. Поэтому в производственных условиях приходится в
каждом конкретном случае разрабатывать рабочие технологические процессы. До
начала проектирования рабочего технологического процесса необходимо изучить
организацию и технологию производства отдельных работ с учетом использования
передовых приемов работ и новейших высокопроизводительных машин и механизмов,
знать целесообразную расстановку рабочих по отдельным операциям, изучать
последовательность выполнения работ с целью исключения повторности их
выполнения, четко представлять себе устройство и работу применяемых машин,
изучить правила техники безопасности и безопасности движения поездов при
производстве работ в «окно» [7].
3.1 Исходные данные
Таблица 3.1 – Исходные данные
|
Вид ремонта
|
средний
|
|
Тип верхнего строения пути
|
тяжелый
|
|
Марка рельса
|
Р75
|
|
Род балласта
|
асбест
|
|
Рабочая скорость машины,
|
2км/ч
|
|
Годовой объем работ, выполняемый ПМС, Q
|
60км
|
|
Количество рабочих дней в сезоне, Т
|
80дн
|
|
Период предоставления окон
|
один раз в два дня
|
|
Уклон
|
5 ‰
|
3.2 Технологическая схема производства
работ в «окно» при среднем ремонте
|
ЩОМ – Д
|
ТБ
|
Частичная
выправка
|
ТБ
|
ХДВ
|
ТБ
|
|
|
50м
|
|
50м
|
|
50м
|
|
ЭЛБ – 3М
|
ТБ
|
ВПО
|
ТБ
|
ДСП
|
|
|
50м
|
|
50м
|
|
Рисунок 19 – Схема расстановки рабочих поездов при
полном развороте фронта работ в «окно» при среднем ремонте пути
3.3 Ежедневная производительность ПМС
Ежедневная производительность ПМС Sеж, км/дн:
(3.1)
где Q – годовой объем работ, выполняемый ПМС, Q = 60км; T –
количество рабочих дней в сезоне, T = 80дн; Tрез – время резерва на
непредвиденные обстоятельства, дн:
(3.2)
По формуле (3.1):
3.4 Длина фронта работ в «окно» при среднем ремонте пути и
расчет поправочного коэффициента
Длина фронта работ в «окно» при среднем ремонте пути с учетом
предоставления «окон» Lфр, км:
(3.3)
где n – периодичность предоставления «окон», n = 2.
Поправочный коэффициент с учетом технологических норм
времени:
, (3.4)
где
- продолжительность рабочей
смены, ч
= 8ч;
затраты
времени на переходы в рабочей зоне, физический отдых, пропуск поездов, ч:
(3.5)
где
- время перехода в рабочей
зоне,
;
-
время на физический отдых,
;
- время на пропуск поездов, ч:
. (3.6)
где N
- количество поездов
проходящих в сутки, грузовых, N
= 20шт;
N
- количество поездов
проходящих в сутки, пассажирских N
= 18шт; H
, H
-
норма времени на пропускание поездов, H
=
0,033ч, H
= 0,025ч; t
-
количество часов в сутки, t
= 24ч.
По формуле (3.5):
.
По формуле (3.4):
.
3.5 Длина рабочих поездов
Длина щебнеочистительного комплекса l
,м:
(3.7)
где l
- длина тепловоза по осям
автосцепок, серия ТЭ – 3, l
= 17м; l
- длина щебнеочистительной машины ЩОМ –
4М, l
= 52,28м; l
-
длина пассажирского вагона, l
= 24,5м; l
- длина платформы перекрытия по осям
автосцепки, l
= 14,6м.
Длина хоппер - дозаторного состава для засыпки рельсошпальной
решетки, l
,м:
(3.8)
где l
- длина хоппер – дозаторного
вагона ЦНИИ, l
= 10м; nв - количество
вагонов в составе.
(3.9)
где W – объем балласта необходимый для засыпки РШР на один
километр пути, м
.
, (3.10)
где V
- объем балласта, без учета
объема шпал занимаемый на одном километре пути, м
:
(3.11)

где A- длина балластной призмы по верхнему основанию (рисунок
20), A = 3,75м; B- длина балластной призмы по нижнему основанию (рисунок 20), B
= 5м; h
- высота , балластной призмы необходимой
для очистки:
, (3.12)
где h
- высота шпалы, h
= 0,13м; h
-
высота очистки, h
= 0,12м.
.
По формуле (3.11):
.
V
- объем шпал на один километр
пути, м
:
, (3.13)
где L
- длина шпалы, L
= 2,75м; b – ширина шпалы, b = 0,25м .
. (3.14)
По формуле (3.10):
.
V
- объем одного вагона, V
= 35м
.
По формуле (3.9):
.
По формуле (3.8):
.
Длина электробалластировочного поезда c использованием машины
ЭЛБ – 3М l
, м
:
, (3.15)
где l
- длина электробалластера по
осям автосцепки, l
= 50,5м:
.

Длина выправочно - подбивочно – отделочного поезда:
, (3.16)
где l
- длина выправочно –
подбивочно - отделочной машины, l
= 28м:
.
Длина динамического стабилизатора пути в комплексе l
, м;
, (3.17)
где l
- длина динамического
стабилизатора пути по осям автосцепки, l
=
17,4м;
длина платформы по осям автосцепки,
:
3.6 График производства работ в «окно» при среднем ремонте
пути
Время на оформление закрытия перегона и пробег машины в
комплексе к месту работ:
, (3.18)
где t
- время на оформление
закрытия перегона, t
= 10мин; t
- время на пробег машины от узловой
станции до места проведения работ, мин.
, (3.19)
где L – расстояние от узловой станции до места проведения
работ, L = 5км; V
- скорость транспортирования
в составе комплекса, V
= 60км/ч.
.
По формуле (3.18):
.
Время перевода машины из транспортного режима в рабочее положение,
.
Ведущая машина при данной технической схеме производства
работ в «окно» при среднем ремонте пути является щебнеочистительная машина ЩОМ
– Д.
Время работы машины ЩОМ – Д t
,мин:
, (3.20)
где V
- рабочая скорость машины ЩОМ
– Д, V
= 1,5км/ч:
.
Интервал времени между началом работы машины ЩОМ – Д и
началом работ по частичной выправке пути t
,мин:
, (3.21)
Интервал времени между началом работы по частичной
выправке и началом работы хоппер – дозаторного состава ХДВ, мин:
, (3.22)
.
Интервал времени между началом работы хоппер –
дозаторного состава ХДВ и началом работы по балластировке пути, мин:
(3.23)
.
Интервал времени между началом работы
электробалластера и началом работы выправочно – отделочного комплекса, мин:
(3.24)
Интервал времени между началом работы выправочно –
подбивочно – отделочного комплекса и началом работы динамического стабилизатора
пути, мин:
, (3.25)
Заключительной машиной при
производстве работ в «окно» является динамический стабилизатор пути.
Время работ динамического
стабилизатора пути, мин:
, (3.26)
где V
- рабочая скорость
динамического стабилизатора пути, V
= 2000м/ч.
Продолжительность «окна», мин:
(3.27)
где
- сумма времени
работы всех комплексов, мин.
, (3.28)
.
t
- сумма на перевод
машины из рабочего в транспортное, время на закрытие перегона, время на пробег,
мин.
, (3.29)
где
- время на пробег
машины от места работ до узловой станции,
;
- время на перевод машины из рабочего
положения в транспортное,
.
.
По формуле (3.27):
.
3.7 Численность рабочих занятых при проведении работ в
«окно»
Число рабочих при производстве работ в «окно» при
среднем ремонте пути, чел:
, (3.30)
где n
- число человек
работающих на машине ЩОМ – Д, n
= 6чел.; n
- число человек работающих при
частичной выправке пути, n
= 8чел.; n
- число человек занятых при работе
хоппер – дозаторного состава, n
= 4чел; n
- число человек работающих на машине ЭЛБ,
n
= 4чел; n
-
число человек работающих на машине ВПО, n
=
6чел; n
- число человек работающих на машине ДСП,
.
.
4 ОБОСНОВАНИЕ ЭКОНОМИЧЕСКОЙ ЭФФЕКТИВНОСТИ ПРИМЕНЕНИЯ
МАШИНЫ С РАЗРАБАТЫВАЕМЫМ ОБОРУДОВАНИЕМ ДЛЯ ВЫРЕЗКИ БАЛЛАСТА
Целью экономического раздела является определение затрат на
модернизацию существующей техники, применяемой на тех же работах, в тех же
условиях.
Основными затратами на модернизацию являются затраты
на приобретение комплектующих изделий, материалы, проектно-конструкторские работы,
а также на оплату труда производственного персонала и накладные расходы.
К комплектующим изделиям относятся: электродвигатель,
муфта, редуктор, тормоз. Стоимость покупных комплектующих сведена в таблицу
4.1.
Таблица 4.1 – Стоимость покупных комплектующих изделий
|
Наименование
|
Количество,шт;м2
|
Стоимость, руб
|
|
Ленточный конвейер
|
1
|
177500
|
|
Подшипник
|
4
|
3400
|
|
Гидроцилиндр
|
4
|
78000
|
|
Листовой прокат ВСт3сп
|
3
|
25000
|
|
Прочие элементы: болты, шайбы, шпонки и т.д.
|
---------
|
5000
|
|
Общая стоимость, Спок
|
|
288900
|
Данные о трудоемкости и стоимости изготовления сведены
в таблицу 4.2.
Таблица 4.2 – Данные о трудоемкости и стоимости
изготовления
|
Элементы конструкции
|
Масса, т
|
Стоимость 1 т
материалов, руб.
|
|
Сварные конструкции
|
2
|
35000
|
|
Узлы, подлежащие механической обработке
|
0,8
|
38300
|
|
Прочие узлы
|
0,5
|
26500
|
Критерием эффективности внедрения новой техники является превышение
реальной нормы доходности данного проекта по сравнению с другими способами вложения
капитала. Оценка эффективности инвестиций в настоящее время может
осуществляться двумя методами: простыми методами и методами дисконтирования,
основанными на операциях приведения будущих денежных поступлений и доходов к
настоящему моменту времени.
Современная макроэкономическая обстановка в нашей стране пока
не позволяет делать достоверные прогнозы развития экономических и финансовых
процессов, поэтому в работе используются простые методы оценки эффективности
внедрения новой техники и технологий, которые оперируют отдельными, «точечными»
(статическими) значениями исходных показателей. При их использовании не
учитываются продолжительность жизненного цикла новой техники или технологии, а
также неравнозначность денежных потоков, возникающих в различные моменты
времени.
Основным обобщающим показателем, определяющим эффективность
внедрения новой техники и технологий, является экономический эффект, в котором
находят отражение все показатели, характеризующие новую
разработку. Годовой экономический эффект определяется в
соответствии с методическими рекомендациями по комплексной оценке эффективности
мероприятий НТП по формуле [17]:
Эг = Рг - Зг , (4.1)
где Рг – результаты от внедрения новой
(модернизированной) техники за расчетный год, тыс. руб.; Зг –
затраты на эксплуатацию техники за расчетный год, тыс. руб.
Результаты от внедрения техники, как базовой, так и новой, определяются
по зависимости:
Рг = Вг Цед , (4.2)
где Вг – годовой объем работ, выполненных с
помощью базовой или новой (модернизированной) техники, ед./год; Цед
– цена единицы продукции, руб./ед.
Годовой объем работ, выполненных с помощью базовой или новой
(модернизированной) техники, определяется по формуле
Вг = вэ k Tг , (4.3)
где вэ – эксплуатационная часовая
производительность техники, вэ=2,0м3./маш.-ч; k
- коэффициент, учитывающий непредвиденные внутрисменные простои по
организационным причинам (k=0,95); Тг - годовой фонд времени
работы техники, маш.-ч/год:
, (4.4)
где
- количество рабочих дней в
году,
=132 дн;
-
продолжительность рабочей смены (при односменной работе
)
Цена единицы продукции определяется по формуле:
Цед = Сед (1+Нр)(1+Пн),
(4.5)
где Сед - себестоимость единицы продукции,
руб./ед; Нр – норма накладных расходов (30 %); Пн
- норма плановых накоплений по согласованию с заказчиком (25-35 %).
Себестоимость единицы продукции, вырабатываемой с помощью базовой
или новой (модернизированной) техники, определяется по формуле
Сед = См-ч / вэ , (4.6)
где См-ч – себестоимость 1
машино-часа работы машины, руб./маш.-ч.
См-ч = Зпл+ Зрем + Зр.м+
СЭЛ + Сс.м. + Зн.р. + Зам , (4.7)
где Зпл – затраты на заработную
плату экипажа машин, руб./ч; Зрем - затраты на заработную
плату ремонтных рабочих, руб./ч; Зр.м - затраты на техническое
обслуживание и ремонт машины, руб./ч; Сэл – затраты на
электроэнергию, руб./кВт.-ч; Сс.м. – затраты на смазочные
материалы, руб./маш.; Зн.р – накладные расходы в составе
себестоимости, руб./ч; Зам - затраты на амортизацию машины,
руб./ч.
Зрем = Стч Кр Кпр
КначРуд, (4.8)
где Руд – удельная трудоемкость ТО и
Р, Руд =0,8чел.-ч/маш.-ч; здесь Стч –
тарифная часовая ставка рабочего определенного разряда, руб./ч;
Зр.м = Зрем × Кпер-рм , (4.9)
где Кпер-рм – коэффициент перехода от
заработной платы ремонтников к стоимости ремонтных материалов, Кпер-рм
= 2.
Зр.м = 46 × 2=92руб/ч.
, (4.10)
где NДВ - мощность электродвигателя, NДВ=12,5кВт;
ЦЭЛ – цена 1 час электроэнергии, руб./кВт.-ч.
Сс.м.= СЭЛ. Кпер-см
, (4.11)
где - Кпер-см – коэффициент перехода от
затрат на электроэнергию к затратам на смазочные материалы, Кпер-см
= 0,22.
Зн.р = Зпл Ннр , (4.12)
где Ннр - норматив накладных расходов
(принимается равным 0,27-0,3).
Часовые затраты на амортизацию машины определяются по зависимости:
, (4.13)
где На – норма амортизации машины (принято
На=12,5 %/год); Ц – стоимость машины, руб.
Ц = Цбаз + DК, (4.14)
где DК -
капитальные затраты, связанные с созданием новой техники или ее модернизацией,
руб.; Цбаз – базовая цена путеремонтной летучки, Цбаз=20000000р.
Ц = 20000000 + 1205416,2=21205416,2р.
Затраты на разработку и эксплуатацию техники по базовому и
предлагаемому вариантам рассчитываются по формуле:
Зг = И + Ен К (DК) , (4.15)
где И – годовые текущие затраты, руб.; Ен
– нормативный коэффициент эффективности капиталовложений (0,12-0,15); К
или DК - капитальные затраты, связанные с созданием новой
техники или ее модернизацией, руб.
И = См-ч
Тг , (4.16)
Капитальные затраты К или DК определяются
по калькуляции затрат на изготовление (модернизацию) новой техники по следующим
статьям затрат: материалы, покупные комплектующие изделия, основная заработная
плата производственных рабочих, дополнительная заработная плата производственных
рабочих, накладные расходы, прибыль.
Затраты на материалы и комплектующие изделия
определяются исходя из действующих цен и массы различных элементов машины.
Основная заработная плата производственных рабочих рассчитывается исходя из
массы различных элементов, трудоемкости 1 т их изготовления и сборки и часовой
тарифной ставки среднего разряда рабочих.
Дополнительная заработная плата составляет в среднем
10-15 % от основной заработной платы, накладные расходы принимаются равными
27-30 % от основной заработной платы.
Величина прибыли в составе капитальных затрат на
изготовление или модернизацию новой техники рассчитывается исходя из норматива
рентабельности (35 %) к себестоимости за вычетом материальных затрат.
Стоимость материалов, требующихся для изготовления вновь
разрабатываемых деталей, руб. [22]:
Сi=С0×mi, (4.17)
где С0 – удельная стоимость материала,
руб./кг (С0=35 руб./кг); mi – массы, приходящиеся на
соответствующий вид материала, кг:
Сварные конструкции 2000
Узлы, подлежащие механической обработке 800
Прочие узлы 500
Стоимость материалов, требующихся для изготовления сварных
конструкций, руб.:
Ссв=35×2000=70000 руб.
Стоимость материалов, требующихся для узлов, подлежащих механической
обработке, руб.:
Сузл=35×1,22×800=34160 руб.
Стоимость материалов, требующихся для прочих узлов, руб.:
Спр=35×1,11×500=19425 руб.
Стоимость материалов, требующихся для модернизации машины,
руб.:
СS= Ссв+ Сузл+ Спр, (4.18)
СS=70000+34160+19425=123585 руб.
Стоимость материальных затрат:
См=СS+ Спок , (4.19)
См=123585+288900=412485 руб.
Основная заработная плата рабочим, занятым на изготовление
вновь разрабатываемых деталей, руб.:
Зпл=Ст.ч.×кр×кпр×кнач×mi×tр, (4.20)
где Ст.ч. – тарифная часовая ставка, (Ст.ч.
=110 руб./ч.); кр – районный коэффициент, (кр =1,25); кпр
– коэффициент премирования, (кпр =1,7); кнач – коэффициент,
учитывающий начисления на заработную плату, (кнач =1,356).
Основная заработная плата рабочим, занятым на изготовлении
сварных конструкций, руб.:
Основная заработная плата рабочим, занятым на изготовлении
узлов, подлежащих механической обработке, руб.:
Основная заработная плата рабочим, занятым на изготовлении
прочих узлов, руб.:
Затраты на основную зарплату рабочим, занятым на модернизацию
путеремонтной летучки, руб.:
Зо=Зсв+Зузл+Зпр, (4.21)
Зо=82410,9+114107,4+63393=259911,3 руб.
Дополнительная заработная плата рабочим, руб.:
Зд=Зо×Ндз, (4.22)
где Ндз – норматив дополнительной заработной
платы, (Ндз =0,1-0,15).
Зд=259911,3×0,15=38986,7 руб.
Накладные расходы, руб.:
Знр=Зо×Ннр, (4.23)
где Ннр – норматив накладных расходов (Ннр=0,3).
Знр=259911,3×0,3=77973,4 руб.
Затраты на выполнение проектно-конструкторских работ, руб.:
Зп-кон=Стчк×кр×кпр×кнач×Трк, (4.24)
где Стчк – тарифная часовая ставка
конструктора, (Стчк=65-85руб./ч.); Трк
– трудоемкость конструкторских работ, (Трк = 80 чел.-ч.).
Зп-кон=85×1,25×1,7×1,356×80=19594,2 руб.
Полная себестоимость модернизации ЩОМ - Д, руб.:
С=См+Зо+Зд+Знр+Зп-кон,
(4.25)
С=412485+259911,3+38986,7+77973,4+19594,2=808950,6 руб.
Прибыль, руб.:
П=0,35×(С-См), (4.26)
П=0,35×(808950,6-412485)=396465,6 руб.
Проектная цена модернизации ПРЛ-4, руб.:
Ц=С+П, (4.27)
Ц= 808950,6+396465,6=1205416,2 руб.
Таким образом, модернизация щебнеочистительной машины требует
затрат равных 1205416,2 рублей.
Расчетный коэффициент эффективности вложения капитала в
данный проект составит:
Ер
= Эг / К (4.28)
Срок окупаемости капитальных затрат на внедрение новой
техники определяется по зависимости:
Ток = 1/ Ер . (4.29)
Вывод: по результатам расчета экономической
эффективности мы видим, что данная модернизация рентабельна и окупается
сравнительно быстро.
5 ОХРАНА ТРУДА
5.1 Защита от шума дизель – генераторной установки
Допустимые уровни щума на рабочих местах
регламентированы ГОСТ 12.1.003 – 90.
Важнейшей характеристикой постоянного шума на рабочих
местах являются уровни звуковых давлений в октановых полосах, дБ, со среднегеометрическими
частотами 63, 125, 250, 500, 1000, 2000, 4000, 8000 Гц. [1] Спектр звукового
давления приведен в таблице 5.1.
Таблица 5.1 – Спектр звукового давления
|
Уровни среднезвукового давления, дБ, в октановых полосах со
среднегеометрическими частотами, Гц.
|
Уровни звука, дБ
|
|
63
|
125
|
250
|
500
|
1000
|
2000
|
4000
|
8000
|
|
95
|
87
|
82
|
78
|
75
|
73
|
71
|
69
|
80
|
Значения предельно допустимых шумовых характеристик
машины следует устанавливать исходя из требования обеспечения на рабочих местах
допустимых уровней шума в соответствии с основным значением машины.
Рассчитаем звукоизолирующий кожух для дизеля
проектируемой машины. Спектр звуковой мощности приведен в таблице 5.2.
Машина требует охлаждения, поэтому в кожухе сделаны
отверстия для выхода патрубков охлаждающей жидкости.
Габариты дизеля: длина – 3м, ширина – 1м, высота – 2м.
Рабочее место машиниста расположено в 2м от поверхности дизеля.
Схема силовой установки и звукоизолирующего кожуха
приведены на рисунке 22.
Таблица 5.2 – Спектр звуковой мощности
|
Уровень звуковой мощности, дБ, при среднегеометрической
частоте октавных полос, Гц
|
|
63
|
125
|
250
|
500
|
1000
|
2000
|
4000
|
8000
|
|
91
|
105
|
107
|
115
|
127
|
120
|
111
|
117
|
Рисунок 21 – Схема
звукоизолирующего кожуха
Определим требуемую звукоизолирующую способность
кожуха
, дБ [8]:
(5.1)
где
октановый уровень
звуковой мощности источника шума, дБ;
допустимый
уровень звукового давления в расчетной точке (на рабочем месте) по ГОСТ
12.1.003 – 90, дБ;
площадь воображаемой
поверхности правильной геометрической формы, окружающей дизель, и проходящей
через точку, м2.
. (5.2)
Расчет сводим в таблицу 5.3.
Определим требуемую звукоизолирующую способность
стенок кожуха:
(5.3)
где Sк –
площадь поверхности кожуха, м2; Sист. – площадь
воображаемой поверхности, вплотную окружающей источник шума, м2.
Расчет сводим в таблицу
5.3.
Таблица 5.3 – Расчетные
значения
|
Расчетные величины, дБ
|
Среднегеометрическая частота,
Гц
|
|
63
|
125
|
250
|
500
|
1000
|
2000
|
4000
|
8000
|
|
1
|
2
|
3
|
4
|
5
|
6
|
7
|
8
|
9
|
|
|
91
|
105
|
107
|
115
|
127
|
120
|
111
|
117
|
|
|
95
|
87
|
82
|
78
|
75
|
72
|
71
|
69
|
|
|
19
|
19
|
19
|
19
|
19
|
19
|
19
|
19
|
|
|
-18
|
-6
|
11
|
23
|
31
|
34
|
26
|
34
|
|
|
3
|
3
|
3
|
3
|
3
|
3
|
3
|
3
|
|
|
-
|
-
|
14
|
26
|
34
|
37
|
29
|
37
|
|
|
19
|
23
|
27
|
31
|
35
|
37
|
30
|
39
|
|
|
20
|
22
|
27
|
36
|
45
|
45
|
45
|
40
|
По данным таблицы 5.3
можно сделать вывод: шум в кабине машиниста находится в пределах рекомендуемого
ГОСТ 12.1.003 – 90 «Шум. Общие требования безопасности».
5.2 Защита от вибрации
кресла машиниста
На основе ГОСТ 12.1.012 –
86 вибрационная безопасность должна обеспечиваться системой технических,
технологических, организационных решений и мероприятий по созданию машин и
оборудования с низкой вибрационной активностью [2].
Нормы вибрации машины и
оборудования, влияющие на вибрационную безопасность труда, должны быть
установлены в документации и не превышать допустимых норм.
Для щебнеочистительной
машины рассчитаем кресло машиниста, исходя из следующих данных.
Таблица 5.4 – Исходные
данные
|
Масса машиниста
|
80 кг
|
|
Частота вращения вала дизеля
|
1500 об/мин
|
|
Жесткость амортизаторов кресла
|
|
|
Масса кресла
|
10 кг
|
|
Виброскорость
|
0,4 м/с
|
Определим массу,
приходящуюся на амортизаторы в положении сидя:
(5.4)
где mч – масса
машиниста, mч = 80 кг; mк – масса кресла, mк =
10 кг.
Максимальный
статистический прогиб амортизаторов:
(5.5)
где σдоп
– модуль упругости при сдвиге, σдоп = 0,06 МПа; Ед –
динамический модуль упругости резины, Ед = 2,5 МПа; h – шаг пружины,
принимаем предварительно h = 0,1 м.
Рисунок 23 - Кресло машиниста
Круговая частота
собственных колебаний амортизаторного кресла:
(5.6)
Коэффициент передачи
вибрации на сиденье:
(5.7)
где ω – круговая частота
возмущающей силы, с-1.
(5.8)
где f – частота
возмущающей силы, f = 50 Гц:
Д – относительное
демпфирование:
(5.9)
где ξ – коэффициент
сопротивления, ξ = 600
.
По формуле (5.7):
Виброскорость на сидении
машиниста:
(5.10)
где υ –
виброскорость, υ = 0,4 м/с.
Частота колебания
составляет:
(5.11)
Согласно ГОСТ 12.1.012 –
90 ССБТ для частоты f = 10,2 Гц виброскорость не превышает 0,025 м/с,
следовательно, рассчитанная виброскорость удовлетворяет требованиям ГОСТа.
Таким образом, расчеты
показали: при правильной эксплуатации модернизированной щебнеочистительной
машины во время работы правила техники безопасности нарушены не будут, что
обеспечит своевременность выполняемых работ.
ЗАКЛЮЧЕНИЕ
В настоящем дипломном проекте произведен анализ существующих
конструкций щебнеочистительного оборудования путевых машин. Произведена оценка
эффективности принятого решения с точки зрения устранения наиболее серьезного
недостатка машины. Произведена модернизация щебнеочистительной машины с
разработкой отвалов и ленточного транспортера.
Прочностные расчеты показали, что конструкция
выдерживает нагрузки, возникающие при эксплуатации.
Составлен график и схема производства работ при
среднем ремонте пути с использованием модернизированной щебнеочистительной
машины. Экономические расчеты показали целесообразность проведенной работы модернизации.
СПИСОК
ИСПОЛЬЗОВАННЫХ ИСТОЧНИКОВ
1.
ГОСТ 12.1.003 – 90. Шум и общие требования.
2. ГОСТ 12.1.003 – 86. Защита
от вибрации.
3.
СТО СГУПС 1.01СДМ.01-2007. Курсовой и дипломный проекты. Требования к оформлению.
4. СН.2.24/2.1.8.562 – 96.
Гигиенические требования к шуму на рабочих местах и производственных
помещениях.
5.Анурьев В.И. Справочник
конструктора машиностроителя. М., 1980. Т.3. 864 с.
6. Гражданская оборона на
железнодорожном транспорте: Учебник для вузов ж.д. транспорта /И.И.Юрпольский,
Г.Т.Ильин, Н.Н.Янченков и др. М., 1987. 272с.
7. Зайцев А.В. Механизация
капитального ремонта пути: Метод. указ. к курсовому и дипломному
проектированию. СГУПС., 2003. 46с.
8. Защита от шума.
Методические указания к решению задач /сост. Чернов Е.Д. Новосибирск, 1986.
63с.
9. Инструкция по эксплуатации
740 Р.И.Э. Щебнеочистительное устройство по предложению Драгавцева на базе
электробалластера ЭЛБ – 1. ПТКБ. М., 1976. 144с.
10. Кузьмин А.В., Марон Ф.Л.
Справочник по расчетам механизмов подъемно-транспортных машин. Минск, 1983.
350с.
11. Машины непрерывного
транспорта: Учебник для студентов вузов /Зенков Р.Л. и др. М., 1980. 304с.
12. Машины непрерывного
транспорта: Учебник для студентов вузов /Зенков Р.Л. и др. М., 1987. 432с.
13. Объемный гидропривод:
Методические указания по выполнению курсовой работы. Мокин Н.В. СГУПС., 1999.
39с.
14. Подбор подшипников качения
по динамической и статической грузоподъемности: Методические указания /Глухов Б.В.,
Татаринцев Б.Е. Новосибирск, 1978. 42с.
15. Проектирование землеройно
– транспортных машин: Методические указания к курсовой работе по строительным
машинам. Новосибирск, 1987
16. Проектирование
механических передач /Чернавский С.А., Слесарев Г.А. и др. М., 1984. 560с.
17. Путевые машины: Учебник
для вузов железнодорожного транспорта /Соломонов С.А., Попович М.В., Б.Н.
Стефанов и др. М., 1985. 375с.
18. Расчет рабочих нагрузок
землеройных машин непрерывного действия: Метод. указания для курсового и дипломного
проектирования. Басс Б.А. Новосибирск, 1979. 52с.
19. Свешников В.К. Станочный
гидропривод: Справочник. М., 1965. 725с.
20. Справочник конструктора
дорожных машин. М., 1965. 725с.
21. Филиппов Б.И. Охрана
труда. М., 1984. 246с.
22. Экономическая эффективность
внедрения новой (модернизированной) техники: Методические указания/Ядрошникова Г.Г.
Новосибирск, 2004. 12с.