Диагностика и ремонт коробки передач гусеничного трактора

  • Вид работы:
    Реферат
  • Предмет:
    Транспорт, грузоперевозки
  • Язык:
    Русский
    ,
    Формат файла:
    MS Word
    32,80 kb
  • Опубликовано:
    2010-06-04
Вы можете узнать стоимость помощи в написании студенческой работы.
Помощь в написании работы, которую точно примут!

Диагностика и ремонт коробки передач гусеничного трактора












Тема

Диагностика и ремонт коробки передач гусеничного трактора


Введение

Профессия механизатора на селе сейчас главная. Нет такой отрасли в сельскохозяйственном производстве, где бы не использовались технические средства - трактор, комбайн, плуг, транспортер и др. И первое место среди них принадлежит трактору.

Механизация является одним из главных направлений технического прогресса в сельском хозяйстве. Внедрение машин должно повысить производство продуктов и снизить удельные затраты на их производство. Однако экономический эффект от приобретения одной и той же машины для различных сельскохозяйственных зон неодинаков. Пополнение хозяйств новой техникой должно быть плановым, научно обоснованным. Разграничивают планирование на текущий период и перспективу.

При планировании на текущий период следует принимать во внимание наличие техники в расчетном хозяйстве, запланированную структуру посевных площадей, технико-экономические показатели машин, находящихся в серийном производстве, аналитическую зависимость влияния продолжительности работ на урожайность культур, закупочные цены на продукты, а также возможности сельскохозяйственного машиностроения.

Интенсификация сельскохозяйственного производства - одно из основных направлений значительного роста урожайности культур.


Общие сведения

Коробка передач служит для изменения крутящего момента, скорости и направления движения трактора или автомобиля. С помощью коробки передач можно на продолжительное время отключать двигатель от трансмиссии.

Действие коробки передач основано на том, что вращение от коленчатого вала двигателя передается на ходовую часть через зубчатые шестерни с определенным передаточным числом. при этом изменяется частота вращения ведомых валов и передаваемых ими крутящих моментов. С уменьшением частоты вращения ведомого вала крутящий момент, передаваемый им, возрастает во столько раз, во сколько частота вращения ведомого вала меньше частоты вращения ведущего.

Число, показывающее, во сколько раз изменяется частота вращения ведомого вала по сравнению с ведущим или во сколько раз ведомая шестерня больше ведущей (по числу зубьев или диаметру), называется передаточным числом. Если в передаче участвует несколько пар шестерен, то общее передаточное число получается умножением передаточных чисел всех пар шестерен, участвующих в передаче разная скорость движения трактора и автомобиля при постоянной частоте вращения коленчатого вала двигателя достигается путем изменения передаточного отношения между валом двигателя и ведущими колесами или звездочками.

Самая простая коробка передач имеет три скорости переднего хода и одну заднего хода. Введение в зацепление самой малой шестерни, расположенной на ведущем (первичном) валу, с самой большой шестерней на ведомом (вторичном) валу позволяет получить первую (низкую) передачу. подвижные шестерни (каретки) ведущего вала передвигаются рычагом переключения передач через вилки, которые перемещаются вместе с ползунами либо по ним как по направляющим. Для фиксации включенной передачи и для того, чтобы не было самопроизвольного переключения, предусмотрены фиксаторы. Чтобы исключить одновременное передвижение двух передач, в коробке имеется направляющая пластина - кулиса.

При работе выбирают по возможности более высокую передачу, так как это обеспечивает большую экономичность работы двигателя и более высокую производительность. Чем больше передач в коробке, тем полнее используется мощность двигателя при переменной нагрузке.

Шестеренчатые коробки передач классифицируются по следующим признакам:

a)     числу валов - двух-, трех-, четырехвальные;

b)      расположению валов относительно продольной оси трактора - с продольным и поперечным расположением;

c)       способу зацепления шестерен - с подвижными шестернями и шестернями постоянного зацепления;

d)      способу переключения передач - с остановкой трактора для переключения передач и с переключением на ходу;

e)       типу механизма переключения - механические, гидравлические и автоматические;

f)       числу передач или ступеней - четырех-, пяти-, шестиступенчатые и т.д.. Число ступеней коробки передач определяется числом передач переднего хода;

g)      числу подвижных шестерен (кареток) - двух-, трех- и четырехходдовые;

h)      конструктивному оформлению - съемные, выполненные в виде самостоятельного агрегата и смонтированные в общем корпусе с другими механизмами.

Передачи тракторов можно условно разделить на три группы: основные, транспортные и замедленные.

Основные передачи соответствуют рабочим операциям в полевых условиях при агрегатировании трактора с сельскохозяйственными машинами. У современных тракторов этим передачам соответствуют скорости 1,4 - 4,2 м/с (5-15 км/ч.).

Транспортные передачи включают при перевозке грузов тракторными поездами и холостых переездах машинно-тракторного агрегата. У колесных тракторов таким передачам соответствуют скорости: 4,2-9,5 м/с, а у гусеничных - 4,2 м/с.

Замедленные передачи необходимы для высококачественного выполнения некоторых технологических процессов (работы с рассадопосадочными, корнеклубне-уборочными и другими машинами), которые выполняются на скоростях 0,4 -0,16 м/с.

Коробки передач автомобилей имеют меньшее число передач потому, что автомобиль имеет более узкоцелевое назначение, чем трактор.

Низшие передачи служат для трогания автомобиля с места, разгона и преодоления тяжелых участков дороги.

Высшими передачами пользуются при движении в хороших дорожных условиях.

Автомобили имеют одну передачу заднего хода, необходимую для маневрирования. Передачи заднего хода трактора кроме маневрирования используются для выполнения различных работ, например при агрегатировании трактора с волокушами. Поэтому тракторы имеют несколько передач заднего хода. Ряд тракторов имеет реверсивный ход на все передачи.

Четырехходовая, семиступенчатая коробка передач позволяет получить семь передач вперед и одну передачу заднего хода.

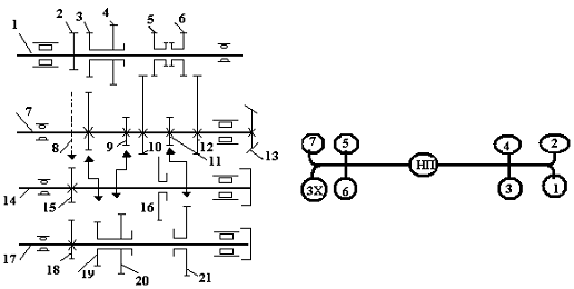
Коробка передач имеет ведущий, промежуточный, ведомый валы и вал заднего хода. Через расположенный сверху пустотелый ведущий вал 1 (см. рис. 2) проходит вал отбора мощности.

Рис. 2

На ведущем валу 1 жестко закреплена шестерня 2, находящаяся в постоянном зацеплении с шестерней 15 вала 14 заднего хода. На этом валу также установлены на шлицах две каретки, имеющие по две шестерни: шестерни 3 и 4 включения III и IV передач и шестерни 5 и 6 для включения I и II передач.

На ведомом валу 7 жестко закреплены шестерня 8 III передачи, шестерня 9 IV передачи, шестерня 10 I передачи, шестерня 11 VII передачи и шестерня 12 II передачи. На конце ведомого вала находится малая коническая шестерня 13 для привода механизмов заднего моста. При помощи регулировочных прокладок, расположенных под фланцем корпуса переднего шарикового подшипника ведомого вала, можно на небольшое расстояние перемещать в осевом направлении ведомый вал 7 вместе с конической шестерней 13. Это позволяет регулировать зазор в зацеплении между малой конической шестерней 13 и большой конической шестерней центральной передачи заднего моста.

В верхней части картера коробки (с правой стороны трактора) расположен вал 14 заднего хода на его переднем конце жестко закреплена шестерня 15, находящаяся в постоянном зацеплении с шестерней 2 ведущего вала. На заднем конце вала 14 на шлицах установлена передвижная шестерня 16 заднего хода.

Ниже вала заднего хода размещен промежуточный вал 17, на переднем конце которого закреплена шестерня 18, находящаяся в постоянном зацеплении с шестерней 15 вала заднего хода. На этом же валу на шлицах установлены две каретки: передняя с шестернями 19 и 20 для включения V и VI передач и задняя с шестерней 21 для включения VII передачи. При включении от I до IV передачи крутящий момент от ведущего вала 1 через одну из четырех пар шестерен сразу передается на ведомый вал 7. В этом случае вал 14 заднего хода и промежуточный вал 17 вращаются вхолостую. Когда включены V, VI и VII передачи, работают все валы.

При включении первой передачи в зацеплении находятся шестерни 5 и 10, второй - 6 и 12, третьей - 3 и 8, четвертой - 4 и 9, пятой - 2, 15, 18, 19 и 8, шестой - 2, 15, 18, 20 и 9, седьмой -2, 15, 18, 21 и 11, заднего хода - 2, 15, 16 и 10.

Коробка передач снабжена механизмом блокировки, принцип действия которого описан выше.

Смазывается коробка передач трансмиссионным маслом ТЭП-15 и ТАП-15В, заливаемым через горловину, расположенную на верхней крышке корпуса заднего моста.

Контролируют уровень масла по щупу на пробке заливной горловины.

Сливают масло через отверстие, закрываемое пробкой с магнитом в нижней части картера коробки.

Диагностика

Диагностика - это процесс определения технического состояния элементов машины безразборным методом. Это один из этапов технического обслуживания.

Диагностирование бывает объективным, осуществляемым контрольно-измерительными средствами, и субъективным, проводимым при помощи органов чувств исполнителя и простейших технических средств.

Объективные методы диагностирования наиболее перспективны. Они позволяют прогнозировать период безотказной работы элементов машины до момента возникновения предельного состояния, оговоренного в технической документации.

Субъективные методы диагностирования позволяют давать ориентировочную оценку технического состояния объектов контроля, а поэтому они используются, как правило, для предварительной постановки диагноза.

Заключение о техническом состоянии машины или ее отдельных элементов, осуществляемое на основе анализа значений соответствующих параметров, называют диагнозом. Постановка диагноза предлагает логическую обработку информации, поступающих от узлов и агрегатов машин.

Параметр технического состояния - качественная мера, характеризующая свойство системы, элемента или процесса

Значение параметров технического состояния системы или ее элементов может быть номинальным, нормальным, допустимым и предельным.

Номинальное значение - это значение, при котором обеспечивается максимальная эффективность эксплуатации элемента.

Допустимое значение - это значение, при котором обеспечивается безотказная работа элемента.

Предельное значение - значение, при котором дальнейшая эксплуатация элемента не возможна.

Неисправности коробок передач

В коробках передач возникают следующие неисправности: течь масла, большой шум, перегрев, затрудненное переключение передач, самопроизвольное и одновременное включение двух передач.

Течь масла устраняют подтягиванием крепежных болтов и гаек. При необходимости заменяют прокладки в соединениях корпусов или крышки с корпусом. Стуки в коробке передач появляются при износе шестерен и подшипников. На торцах зубья шестерен могут быть забиты вследствие неправильного включения передач. Изношенные шестерни и подшипники следует заменить. Перегрев коробки передач возможен из-за низкого уровня масла в корпусе. Необходимо долить масло до уровня контрольного отверстия или середины мерного стекла. Если масло жидкое, то оно сильно нагревается от сопряженных деталей, поскольку в них масло не удерживается. Жидкое масло следует заменить маслом необходимой по сезону вязкости.

Затрудненное переключение передач может быть из-за износа и забоин на шлицах валов и в зубьях шестерен. В этом случае надо зачистить забоины шлицев валов, а изношенные детали заменить. затрудненное переключение шестерен возможно при нарушении регулировки блокирующего устройства коробки передач.

Блокирующее устройство регулируют следующим образом. Отсоединяют тягу, соединяющую рычаг валика блокирующего устройства с педалью сцепления. Валик блокировки устанавливают углублениями вниз (при этом ползуны свободно передвигаются). Затем выжимают педаль сцепления до отказа и отрегулировав длину тяги, соединяют педаль с рычагом валика блокирующего устройства.

Самопроизвольное выключение передач возможно вследствие неравномерного износа зубьев шестерен, неполного их зацепления и износа фиксирующего устройства. Неисправные детали следует заменить.

Две передачи включаются одновременно в результате износа шариков или стержня замков, а также поломки кулисы. Неисправные детали заменяют.

Для повышения срока службы коробки передач необходимо правильно ею пользоваться. Включать и выключать передачи у тракторов с переключением при остановке можно только при полностью выключенном сцеплении, пониженной частоте вращения коленчатого вала и остановленном тракторе. Если включение передач затруднено вследствие совпадения торцов зубьев сцепляемых шестерен, следует повторным включением сцепления провернуть ведущую шестерню при нейтральном положении рычага переключения передач, после чего включить передачу. Рычаг переключения передач надо перемещать плавно, без рывков.

Ремонт

Коробки передач разбирают на специальных стендах с применением съемников и приспособлений. Не рекомендуется раскомплектовывать основные годные детали. Конические зубчатые колеса вторичного вала и заднего моста должны иметь метки, расположенные на торцах зубьев.

Полностью коробку передач разбирают только при капитальном ремонте. При текущем ремонте производят только частичную разборку (снимают верхние и боковые крышки, механизм переключения, оценивают техническое состояние деталей коробки передач и заменяют детали с дефектами).

Основные дефекты коробок передач - трещины и изломы, износ посадочных мест под подшипники и стаканы подшипников, износ и повреждение резьбовых и гладких отверстий. При аварийных изломах корпус коробки передач выбраковывают.

Трещины заваривают дуговой сваркой методом отжигающих валиков или с использованием электродов ЦЧ-4, ЦЧ-3А, ПАНЧ-11. Герметичность корпуса после заварки трещин и пробоин проверяют керосином. Сварные швы затирают мелом, а внутреннюю стенку смачивают керосином. При появлении пятен зону сварных швов очищают, обезжиривают и на швы наносят эпоксидную композицию.

Допустимые износы посадочных мест под подшипники составляют 0,02…0,06 мм, под стаканы подшипников - 0,08…0,09 мм. Посадочные места восстанавливают кольцеванием, нанесением полимерных или гальванических покрытий и другими способами.

Изношенные отверстия под штифты развертывают на увеличенный размер, а отверстия под оси восстанавливают установкой втулок с нанесенным на их поверхность анаэробным герметиком или эпоксидной композицией.

Резьбовые отверстия восстанавливают рассверливанием и нарезанием резьбы увеличенного размера, установкой ввертышей или резьбовых спиральных ставок

Погнутые валы и оси правят под прессом в холодном состоянии. Чтобы получить требуемую осадочную деформацию, равную прогибу вала или оси, к детали прикладывают усилие, создающее ее полную деформацию, в 10…15 раз превышающую осадочную. Нагрузку прикладывают к детали несколько раз в течение 1,5…2.0 мин для повышения точности деформации. После правки биение валов должно составлять 0,05…0,10 мм.

Изношенные посадочные места под подшипники, шестерни и другие детали восстанавливают дуговой наплавкой, проваркой металлической ленты, железнением, нанесением полимерных материалов и другими способами.

Посадочные места на концах валов и осей могут восстанавливаться осадкой или раздачей.

При осадке конец вала или оси нагревают до ковочной температуры (850…1000°С). Деталь устанавливают на наковальне или нижнем бойке молота перпендикулярно к их рабочим поверхностям и кувалдой или верхним бойком молота наносят сильные удары по торцу детали. После осадки деталь подвергают термической обработке и шлифуют до нужного размера.

При раздаче в торце вала сверлят отверстие глубиной, превышающий на 5…8 мм длину посадочного места. После нагрева конца вала до ковочной температуры в отверстие запрессовывают стержень, диаметр которого больше диаметра просверленного отверстия. В результате этого наружный диаметор конца вала увеличивается. После охлаждения детали выступающий конец стержня срезают, и посадочное место обрабатывают под размер.

Поврежденную или изношенную резьбу на концах валов и осей протачивают, а затем нарезают резьбу меньшего диаметра, если позволяет конструкция, или же изношенную резьбу наплавляют, протачивают и нарезают резьбу прежнего диаметра.

Основные дефекты зубчатых колес - усталостное выкрашивание (питтинг) и износ зубьев по толщине, износ торцовых поверхностей зубьев (у зубчатых колес не постоянного зацепления), поломка зубьев, износ внутренней посадочной поверхности.

Восстановление зубчатых колес производят заменой части детали, автоматической наплавкой без последующей или с последующей термообработкой, пластическим деформированием.

Замену части детали производят иногда при ремонте зубчатых колес или их блоков, когда один из венцов блока сильно изношен, а остальные имеют допустимые износы и нецелесообразно выбраковывать дорогостоящую деталь. В это случае изношенный венец удаляют. Затем изготавливают новый зубчатый венец из стали той же марки, что и восстанавливаемая деталь, напрессовывают его на место на место удаленного венца и приваривают или стопорят винтами.

Основные дефекты рычагов и вилок переключения - изгибы, трещины, изломы, износы. При аварийных изгибах и изломах рычагов и вилок переключения выбраковывают.

Погнутые рычаги переключения правят под прессом, а вилки, боковые поверхности которых изогнуты более чем на 0,5 мм, правят на плите. Неперпендикулярность поверхностей, соединяемых с пазом шестерни, относительно оси отверстия не должна превышать 0,1 мм на крайних точках.

Изношенные шаровую поверхность и нижний рабочий конец рычага, пазы и щеки вилок переключения восстанавливают наплавкой с последующей механической и термической обработками.

Коробку передач обкатывают в течение 2…3 минут на всех передачах преднего и заднего ходов. Во время испытаний ее нагружают определенным крутящим моментом.

Техника безопасности:

Перед пуском дизеля рычаг. С должен находиться в положении «Н только после остановки», рычаг В и рычаги гидрораспределителя гидросистемы навесного устройства - в позиции «Нейтральная», а стояночный тормоз затянут.

- Перед троганием с места убедитесь, что путь свободен и между трактором и сельскохозяйственными орудиями, а также в районе шарнирного устройства рамы нет людей. О начале движения предупредите сигналом.

- К работе с прицепами, полуприцепами и другими транспортными средствами допускаются только лица, знающие правила работы с ними.

- Прицепные орудия и прицепы должны иметь жесткие сцепки, не позволяющие им набегать на трактор.

- Запрещается езда на необорудованных для этого прицепных орудиях, навесных машинах и вне кабины трактора. В кабине трактора запрещается проезд более двух человек, включая водителя.

- Кабину содержите в чистоте, наличие в кабине посторонних предметов недопустимо.

- Категорически запрещается работать на тракторе при неисправных рулевом управлении, тормозной системе, электроосвещении и сигнализации.

- На полу кабины должны быть резиновые коврики.

- Тормоза трактора должны быть в исправном состоянии. При торможении рабочим тормозом трактора, двигающегося по сухому и твердому грунту со скоростью 8,3 м/с (30 км/ч), тормозной путь должен быть не более 13 м; при скорости 5,5 м/с (20 км/ч) -6,5 м. Полностью выжатая педаль тормоза не должна упираться в пол кабины.

- При переездах через плотины, гати, и мосты убедитесь в возможности проезда, и пользуйтесь только пониженными скоростями.

- Движение трактора с навесными машинами в транспортном положении осуществляйте с предварительным фиксированием навесного устройства посредством гидромеханических клапанов гидроцилиндров,

- Переезд с навесными машинами через канавы, бугры и другие препятствия производите под прямым углом на малой скорости, избегая резких толчков и больших кренов трактора. - Габарит трактора с установленной насадкой на выхлопную трубу - 4,1 м. При переезде под линиями электропередач и низкогабаритными проездами необходимо соблюдать осторожность. При наличии знака, ограничивающего высоту проезда менее 4,1 м, проезд трактора с установленной насадкой выхлопной трубы запрещается, насадок в этом случае должен сниматься.

- При поворотах выбирайте малую скорость.

- При движении под уклон запрещается использовать накат. При движении по прямой накатом без уклона установите рычаг С в положение „Н только при движении".

- Подъезжайте на тракторе к сельскохозяйственным машинам, орудиям или прицепам на минимальной скорости с неполностью выжатой педалью слива.

- При появлении неисправности трактор должен быть немедленно остановлен до устранения неисправности.

- Допустимая скорость трактора на подъездных путях и проездах не более 2,8 м/с (10 км/ч), в производственных помещениях - не более 0,6 м/с (2 км/ч).

- При погрузке (разгрузке) прицепа трактор должен быть надежно заторможен, стояночный тормоз затянут.

- При агрегатировании с прицепами или полуприцепами присоедините их страховочные цепи к соединительным звеньям, находящимся на рамах нижних тяг навесного устройства.

- При работе с тросами на буксирных крюках запрещается находиться в радиусной зоне тросов.

- Преодоление водной переправы вброд производите только после тщательной подготовки и проверки маршрута движения. Допускается преодоление брода глубиной до 1 м.

В кабине трактора должна быть установлена и закреплена аптечка первой помощи, укомплектованная в соответствии с указаниями на ее крышке.


Не нашли материал для своей работы?
Поможем написать уникальную работу
Без плагиата!
Без нейросетей!