|
№ позиції
|
Матеріал
|
Товщина δ, мм
|
Коєфіціент теплопровідності λ,
Вт/м2·К
|
|
1
|
Сталь
|
0,0025
|
58,150
|
|
2
|
Полістирол
|
0,200
|
0,047
|
|
3
|
Пресований картон
|
0,004
|
0,070
|
Вт/м2·К,
Вт/м2·К.
За допомогою формули (2.2) знайдемо зведений
коєфіціент теплопередачі огорожі кузова вагона:
Вт/м2·К.
За допомогою формули (2.1) знайдемо
розрахунковий зведений коєфіціент теплопередачі огорожі кузова вагона:
Вт/м2·К.
3
ТЕПЛОТЕХНІЧНИЙ РОЗРАХУНОК ВАГОНА ТА ВИЗНАЧЕННЯ ХОЛОДОПРОДУКТИВНОСТІ ХОЛОДИЛЬНОЇ
МАШИНИ
Теплотехнічний
розрахунок вагона дозволяє визначити кількість тепла, яке надходить до
приміщення вагона у літній період.
Сумарні
розрахункові теплонадходження в вантажний рефрижераторний вагон при перевезенні
охолодженого вантажу, Вт:
, (3.1)
де Q1 - теплонадходження крізь
огорожу кузова вагона, Вт;
Q2 - теплонадходження
за рахунок сонячної радіації, Вт.
Сумарна кількісь тепла, яка надходить до
вантажного приміщення рефриже-раторного вагона, визначає холодопродуктивність
холодильної машини рефри-жераторного вагона:
. (3.2)
Теплонадходження крізь огорожу кузова вагона, Вт:
, (3.3)
де t3 - температура зовнішнього повітря, °С;
tB - температура
в середині вагона, °С.
Температура в
середині рефрижераторного вагона дорівнює середній темпе-ратурі швидкопсувного
вантажу, шо перевозиться:
- охолоджений при
0...-3 °С.
Вт.
Теплонадходжтіня
від сонячної радіації
Розрізняють
теплонадходження від прямої сонячної радіації та теплонад-ходження від
розсіяної радіації.
Інтенсивність
прямої сонячної радіації на площадку перпендикулярну сонячним променям, кДж/м2·год:
, (3.4)
де Р - коефіцієнт прозорості
атмосфери, (Р = 0,7...0,8);
h - кут стояння
сонця.
, (3.5)
де δ - кут нахилу
сонця, (δ = 20°);
φ - широта
місцевості, град;
γ - часовий
кут, град
(γ =30°).
.
кДж/м2·год.
Інтенсивність прямої радіації на дах, кДж/м2
·год:
(3.6)
кДж/м2·год.
Інтенсивність прямої радіації на вертикальну
стінку:
, (3.7)
де αс -
азимут сонця, град,
;
- кут
між меридіаном та напрямком руху поїзда, град (північ - південь
= 00
).
,
кДж/м2 · год.
Інтенсивність розсіяної радіації на дах, кДж/м2
· год:
, (3.8)
кДж/м2 · год.
Інтенсивність розсіяної радіації на вертикальну
стінку, кДж/м2 · год:
, (3.9)
кДж/м2
·
год.
Сумарна інтенсивність радіації, кДж/м2
· год:
, (3.10)
, (3.11)
кДж/м2
·
год,
кДж/м2 · год.
Умовне еквівалентне
підвищення температури зовнішнього повітря за рахунок
сонячної радіації, град:
, (3.12)
де ρ - коефіцієнт
поглинання променевої енергії, (ρ = 0,6...0,8);
- відносне
значення освітлення сонцем поверхонь,
.
,
,
.
Теплонадходження за рахунок сонячної радіації
складає, Вт:
, (3.13)
Вт,
Вт.
4. ОПИС ПРИЙНЯТОЇ ХОЛОДИЛЬНОЇ МАШИНИ
ТА СИСТЕМИ ОХОЛОДЖЕННЯ
Парова компресійна
холодильна установка
Вантажний вагон
рефрижераторної секції має паро-компресійну холодильну установку, яка фреонова,
автоматизована, одноступеневого стиснення, з безпосередньою системою
охолодження та повітряним способом охолодження. Холодильна установка має
моноблочну конструкцію і складається з компресорно-конденсаторного агрегата і
повітроохолоджувача (випарника). Компресорно-конденсаторний агрегат розміщений
в машинному відділенні, повітроохолод-жувач в вантажному приміщені вагона.
До складу
холодильної установки входять (рис. 4.1): компресор-поршневий, фреоновий з
повітряним охолодженням, конденсатор повітряний; ребристо-змієвиковий
примусової циркуляції повітря від вентилятора; ресивер лінійний, має два
запірні вентилі на вході і виході. Механічний фільтр сітчатий, фільтр осушувач
ціолітовий. Соленоїдний вентиль рідинної лінії подає чи закінчує подачу рідкого
фреона на дроселювання в залежності від режиму роботи холодильної установки.
Терморегуляційний вентиль дроселює рідкий фреон в повітроохолоджувач в
залежності від температури перегріва пари фреона на виході з
повітроохолоджувача. Регулятор тиску всмоктування регулює тиск всмоктування
пара фреона в компресор. Пресостат захисту по високому тиску випробування
вимикає компресор при високому тиску нагнітання. Термостат вимикання компресора
при низькій температурі картера вмикає підігрівач масляної ванни і вмикає
компресор при підвищенні температури картера. Термостат закінчення відтайки
відключає процес відтайки снігової шуби з випарника при температурі парів
фреона на виході з випарника +14°С. Пресостат управління конденсатора відключає
і включає вентилятори компресора.
Робота холодильної
машини в режимі холод
В випарнику
(повітроохолоджувачі) кипить рідкий фреон при низькому тиску кипіння і низькій
температурі відводячи теплоти від повітря, яке циркулює у приміщенні вантажного
вагона.
Утворені при
кипінні пари фреону відсмоктуються компресором із повітроохолоджувача через
регулятор тиску всмоктування. В компресорі пари фреону стискуються до тиску
конденсата і нагнітаються в конденсатор. В конденсаторі пари фреону
охолоджуються і конденсуються при тиску і температурі конденсації, віддаючи
теплоту повітрю, яке продувається через конденсатор вентиляторами. Рідкий фреон
із конденсатора потрапляє в ресивер (де накопичується), а із ресивера через
механічний фільтр, фільтр-осушувач, відкритий соленоїдний вентиль рідинної
лінії до терморегулювального вентиля.
Терморегулювальний
вентиль дроселює рідкий фреон в повітроохолоджувач в залежності від температури
парів фреона на виході із повітроохолоджувача. В повітроохолоджувачі рідкий
фреон знову кипить, відводячи теплоту від охолоджуваного вантажу в вагоні.
Робота холодильної
машини в режимі відтайки снігової шуби
Снігова шуба з
повітроохолоджувача відтаює гарячими парами фреону.
При відтайці не
працюють вентилятори конденсатора і повітроохолоджувача, закритий соленоїдний
вентиль рідинної лінії і відкритий соленоїдний вентиль лінії відтайки.
При роботі
компресора пари фреону відсмоктуються із повітроохолоджувача через регулятор
тиску всмоктування. Компресор стискує пари фреону до високого тиску і
температури, і гарячі пари фреону через відкритий вентиль лінії відтайки
поступають в повітроохолоджувач.
Процес відтайки
продовжується до тих пір, доки температура пари фреону на виході із
повітроохолоджувача не досягне +14°С, при досягненні цієї температури
спрацьовує термостат закінчення відтайки, і переключає машину в режим холод,
при цьому вмикаються вентилятори повітроохолоджувача і конденсатора,
відкривається соленоїдний вентиль рідинної лінії і закривається соленоїдний
вентиль лінії відтайки, компресор продовжує працювати.
5 ПОБУДОВА В Id-ДІАГРАМІ ПРОЦЕСІВ
ОБРОБКИ ПОВІТРЯ В СИСТЕМІ ОХОЛОДЖЕННЯ
При розгляданні
процесів зміни параметрів повітря у вантажному приміщеній рефрижераторного
вагона вважають, що процес повністю встановився, тобто вантаж не виділяє вологи
і відносна вологість повітря на виході з повітроохолоджувача знаходиться в
межах φ =
85...95%.
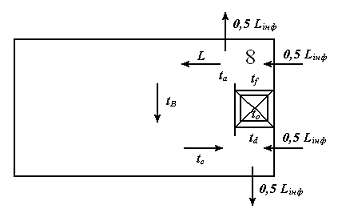
Рисунок 5.1 -
Система охолодження рефрижераторного вагона:
tB - середня
температура повітря у вантажному приміщенні вагона. °С;
tC - температура
повітря на виході з вантажного приміщення вагона, °С;
td
- температура повітря на вході повітроохолоджувача, °С;
to
- температура кипіння рідкого холодоагенту в повітроохолоджувачі, °С;
tf
- температура повітря на виході повітроохолоджувача, °С;
tа - температура
повітря на вході до вантажного приміщення вагона. °С;
L
- сумарні витрати повітря через вагон;
Lінф
- кількість інфільтраційного повітря.
Рисунок 5.2 -
Процеси обробки повітря в системі охолодження в Id-діаграмі
Лінія (а-с) - підігрів
повітря у вантажному приміщенні вагона за рахунок охолодження вантажу;
лінія (с-d) - переміщення
повітря з вантажного приміщення вагону з інфільтраційним повітрям перед
повітроохолоджувачем;
лінія (d-f)
- охолодження повітря у повітроохолоджувачі;
лінія (f-а) - переміщення
повітря на виході з повітроохолоджувача з інфільтраційним повітрям.
Під час руху у
вантажне приміщення вагона потрапляє інфільтраційне повітря через різноманітні
отвори.
При розрахунках
умовно вважають, що інфільтраційне повітря надходить до вантажного приміщення
двома шляхами: безпосередньо перед повітроохолоджувачем і одразу після
повітроохолоджувача.
Температурний режим
у вантажному приміщенні вагона при перевезенні вантажу задається нижньою та
верхньою межею.
. (5.1)
, (5.2)
де
- перепад
температур повітря на вході та виході з вантажного приміщення вагона (
=4...6 С).
°С,
°С.
Параметри повітря на вході до вантажного
приміщення вагона в Id-діаграмі відповідають точці а, яка знаходиться на
перетині ізотерми ta = соnst та лінії відносної вологосіі φ =
соnst
=
85...95%.
У вантажному приміщенні вагона повітря
підігрівається при постійному вологовмісті da = соnst до
температури tс. Точка с, що відповідає параметрам
повітря на виході з вантажного приміщення вагона, знаходиться на перетині лінії
постійного вологовмісту da = соnst та ізотерми tс.
По Id-діаграмі визначаємо ентальпії повітря на
вході ( Ia, кДж/кг) та на виході (Iс,
кДж/кг) з вантажного приміщення вагона.
Визначаємо сумарні витрати повітря через вагон, кг/год:
, (5.3)
де Qсум
- сумарна кількість тепла, яка надходить до вантажного приміщення
рефрижераторного вагона, Вт.
кг/год.
Визначаємо кількість інфільтраційного повітря, кг/год:
, (5.4)
де Vінф
- об'єм інфільтраційного повітря, Vінф = 40 м3/год;
ρ3
- густина зовнішнього повітря, кг/м3.
, (5.5)
де Рб - тиск зовнішнього
повітря, Рб= 105 Па;
R - газова
стала повітря, R = 287 Дж/кг·К;
Т3 - абсолютна
температура зовнішнього повітря, (T3 = 273 + t3) K.
кг/м3,
кг/год.
ІІовітря з параметрами на вході до вантажного
приміщення, точка а, є результатом
переміщення порції повітря, що пройшло через повітроохолоджувач та
половини інфільтраційного повітря.
Точка з , що відповідає на діаграмі параметрам
зовнішнього повітря, знаходиться на перетині ізотерми t3 = соnst та
лінії відносної вологості φ3
= соnst.
З'єднаємо відрізки
точки з та а. На продовженні прямої з-а буде знаходитись точка Т,
параметрами повітря на виході з повітроохолоджувача до змішування і
інфільтраційним повітрям.
Відрізок а- f
в мм на діаграмі дорівнює:
(5.6)
де аз - довжина
відрізка на діаграмі, мм.

мм.
Перед повітроохолоджувачем також відбувається
змішування повітря, яке надходить з вантажного приміщення з інфільтраційним
повітрям.
До повітроохолоджувача повітря надходить більш
теплим, ніж виходить з вантажного приміщення.
Точка d, з параметрами змішування
повітря, яке надходить з вантажного приміщення з інфільтраційним повітрям на
діаграмі знаходиться на лінії с-з.
Положення точки d визначається відрізком с-
d в мм, яке знаходиться з відношення:
, (5.7)
де сз - довжина відрізка на діаграмі, мм.
мм.
З'єднуємо точки d та f прямою.
Пряма d-f відображає процес охолодження повітря в повітроохолоджувачі.
Визначаємо корисну холодопродуктивність
холодильної установки рефрижераторного вагона, Вт:
, (5.8)
де Id - ентальпія повітря на вході
повітроохолоджувача, кДж/кг;
If - ентальпія
повітря на виході з повітроохолоджувача, кДж/кг.
Вт.
Потужність вентилятора-циркулятора, Вт:
, (5.9)
де Н - гідравлічний опір системи
охолоджений та повітропроводів, Н= 1500...2500 Па;
ηвент - ККД
вентилятора, ηвент = 0,6...0.65;
ρС -
середня густина повітря,
кг/м3,
кг/м3,
Вт.
Теплонадходження у вантажне приміщення вагона
від роботи вентилятора складає, Вт:
, (5.10)
Вт.
Максимальна
холодопродуктивність холодильної установки рефрижераторного вагона, що
споживається, Вт:
, (5.11)
Вт.
У рефрижераторному
вагоні холодильна установка має дві самостійні холо-дильні машини. Кожна
виробляє 75% максимальної холодопродуктивності, що споживається.
Холодопродуктивність
однієї холодильної машини, Вт:
,
(5.12)
Вт.
Температура кипіння
рідкого холодоагенту у випарнику холодильної машини повинна бути нижчою за
температуру повітря на вході у вантажне приміщення рефрижераторного вагона на
8... 10 °С.

, (5.13)
°С.
6
ПОБУДОВА В lg р-і ДІАГРАМІ ЦИКЛУ ХОЛОДИЛЬНОЇ МАШИНИ ТА ЙОГО РОЗРАХУНОК
Для побудови
холодильного циклу визначаємо температурний режим циклу.
По температурі
зовнішнього повітря t3 визначаємо температуру конденсації
холодоагенту tк у повітряному конденсаторі. Температура
конденсації tк вище температури зовнішнього повітря t3
на 8...12°С.
,
(6.1)
°С.
За значеннями
температури конденсації tк = consі і температури кипіння t0
= const по lg р-і діаграмі визначаємо тиск конденсації Рк
= соnst тиску кипіння Р0 = соnst.
За знайденим
значенням тиску конденсації Рк = соnst і тиску кипіння Р0
= соnst холодоагенту робимо перевірку на кількість ступеней стиску
холодоагенту в холодильній машині.
При Рк/
Р0≥9 переходять до двоступінчастого стиску.
Рк/ Р0=1/0,18=5,56.
Для побудови
характерних точок циклу холодильної машини в lg р-і діаграмі визначаємо:
·
температуру всмоктування tвс
пари холодоагенту в компресор з урахуванням перегріву;
·
температура переохолодження tп
рідкого холодоагенту перед дроселю-ванням.
Температура
всмоктування пари холодоагенту в компресор tвс на 15...30°С
вище, температури кипіння t0 холодоагенту у випарнику.
, (6.2)
°С.
Температура
переохолодження рідкого холодоагенту перед дроселюванням tп на
3...6 °С нижче температури конденсації tк:
,
(6.3)
°С.
По температурному режимі (t0 , tвс
, tк , tп ) будуємо цикл холодильної машини в lg
р-і діаграмі для холодоагенту і визначаємо значення параметрів холодоагенту
в характерних точках циклу.
Рисунок 6.1 - Цикл холодильної машини в lg
р-і діаграмі
Лінія (4-1) - ізотермічний і ізобарний процес
кипіння холодоагенту у випарнику:
лінія (1-1') - ізобарний перегрів пари
холодоагенту на всмоктуванні в компресор;
лінія (2-2') - ізобарний процес охолодження
перегрітої пари до сухої насиченої пари в конденсаторі;
лінія (2'-3) - ізотермічний і ізобарний процеси
конденсації холодоагенту в
конденсаторі;
лінія (3-3') - ізобарний процес переохолодження
рідкого холодоагенту перед дроселюванням;
лінія (3'-4) - ізоентальпний процес дроселювання
рідкого холодоагенту.
Визначаємо параметри холодоагенту у характерних
точках циклу та їх значення записуємо в таблицю 6.1.
Таблиця 6.1
Параметри холодоагенту у характерних точках
циклу
|
параметри
|
t0 ,°С
|
Р, МПа
|
I, кДж/кг
|
V, м3/кг
|
|
точка циклу
|
|
|
|
|
|
1 1' 2 2' 3 3' 4
|
-13 10 69 40 40 35 -13
|
0,18 0,18 1,0 1,0 1,0 1,0 0,18
|
392 410 450 420 259 250 250
|
0,11 0,13 0.024 - - - -
|
Таблиця 6.2
Розрахунок циклу
холодильної машини
|
Параметр, що визначається
|
Формула
|
Розрахунок
|
|
1 Питома масова холодопродуктивність
холодоагенту, кДж/кг
|
392-250=142
|
|
|
2 Масоний видаток холодоагенту, кг/год
|
3,6·3207,76/142=81,32
|
|
|
3 Питома робота компресора, кДж/кг
|
450-410=40
|
|
|
4 Теоретична потужність компресора, Вт
|
81,32·40/3,6=903,56
|
|
|
|
5 Питоме теплове навантаження на конденсатор, кДж/кг
|
450-259=191
|
|
|
|
6 Теплове навантаження на конденсатор, Вт
|
81,32·191/3,6=4314,48
|
|
|
|
7 Об'ємний видаток холодоагенту через
компресор, м3/год
|
81,32·0,11=8,95
|
|
|
|
8 Об'ємний видаток холодоагенту через
конденсатор, м3/год
|
81,32·0,024=1,95
|
|
|
|
|
|
|
|
|
7 ВИЗНАЧЕННЯ ОБ'ЄМНИХ КОЕФІЦІЄНТІВ
ПОРШНЕВОГО КОМПРЕСОРА
Продуктивність
компресора залежить від коефіцієнта подачі λ,
який ви-значає об'ємні втрати дійсного
компресора.
Коефіцієнт подачі
компресора визначається добутком робочих коефіцієнтів:
, (7.1)
де λс - об'ємний
коефіцієнт;
λдр- коефіцієнт
дроселювання;
λп - коефіцієнт
підігріву;
λщ - коефіцієнт
щільності.
Об'ємний коефіцієнт визначається за формулою:
, (7.2)
де С - відносна величина шкідливого
простору компресора, С = 0,04...0,06;
m - показник
політропи (для хладонових компресорів, т = 1).
.
Коефіцієнт дроселювання визначається за
формулою:
, (7.3)
де ΔР0
- депресії
(зміни тиску) при всмоктуванні в компресор, ΔР0
=
0.04 МПа;
ΔРк
- депресії
на нагнітанні компресора, ΔРк
= 0,08
МПа.
.
Коефіцієнт підігріву визначається за формулою:
, (7.4)
де Т0 , Тк - температура
кипіння та конденсації холодоагенту, К
°С,
(7.5)
°С,
(7.6)
К ,
К,
.
Коефіцієнт щільності визначається з умови λщ =
0,96...0.98.
λ =0,77·0,76·0,83·0,97=0,47.
8
РОЗРАХУНОК ОСНОВНИХ ПАРАМЕТРІВ ПОРШНЕВОГО КОМПРЕСОРА (ДІАМЕТРА
ЦИЛІНДРА ТА ХОДА ПОРШНЯ)
Дійсна
продуктивність компресора визначається за формулою, м3/год:
, (8.1)
де
- масовий видаток холодоагенту, кг/год;
- питомий
об'єм пари холодоагенту при всмоктуванні в компресор, м3/кг.
м3/год.
Діаметр циліндра компресора визначаєтся за
формулою, м:
, (8.2)
де λ - коефіцієнт
подачі компресора;
D - діаметр
циліндра, м;
S - хід поршня, м;
Z - кількість
циліндрів компресора (Z = 2, 4, 8);
п - частота
обертання вала компресора, об/хв. (n = 1000 ... 1500 об/хв).
-
відношення ходу поршня до діаметра, (
= 0.7...0.9 - для компресорів
рухомою складу);
м.
Визначаємо хід поршня, м:
, (8.3)
м.
За знайденими значеннями діаметра циліндра D та
ходу поршня S визначаємо дійсну продуктивність компресора за формулою. м3/год:
, (8.4)
м3/год.
Дійсна продуктивність компресора V повинна
дорівнювати або бути більшою хоподопродуктивності компресора V1'
.
9
ВИЗНАЧЕНИЙ ЕНЕРГЕТИЧНИХ КОЕФІЦІЄНТІВ ТА ПОТУЖНОСТІ, ЩО СПОЖИВАЄТЬСЯ
КОМПРЕСОРОМ
Енергетичні коефіцієнти
компресора дозволяють визначити енергетичні втрати дійсного компресора.
Індикаторна
потужність компресора, Вт
, (9.1)
де NT
- теоретична потужність компресора. Вт;
ηi
- індикаторний ККД.
, (9.2)
де λп -
коефіцієнт підігріву;
b -
емпіричний коефіцієнт (b= 0,0025);
t0 - температура
кипіння рідкого холодоагенту у випарнику.
,
Вт.
Ефективна потужність компресора:
, (9.3)
де ηм -
механічний ККД (ηм =
0,90...0,93).
Вт.
Ефективний ККД компресора:
, (9.4)
.
Потужність на валу двигуна компресора, Вт:
, (9.5)
де ηп - загальний
ККД передачі дорівнює 0,96...0,99.
Вт.
10 РОЗРАХУНОК ТРУБОПРОВОДІВ
Трубопроводи для
холодильних машин підбирають по внутрішньому діаметру.
Діаметр всмоктувальною
трубопроводу компресора визначається за формулою, м:
, (10.1)
де Vвс - об'ємний видаток пари
холодоагенту при всмоктуванні в компресор, м3/с;
Wвс-
швидкість руху пари холодоагенту у всмоктувальному трубопроводі
(Wвс = 12 м/c).
, (10.2)
де
- масовий видаток холодоагенту, кг/год;
- питомий
об'єм пари холодоагенту при всмоктуванні в компресор, м3/кг.
м3/с,
м.
Діаметр нагнітального трубопроводу компресора
визначається за формулою, м:
, (10.3)
де Vнаг - об'ємний видаток
пари холодоагенту при нагнітанні компресор, м3/с;
Wнаг-
швидкість руху пари холодоагенту при нагнітанні компресора, Wвс=5
м/c.
, (10.4)
де
- масовий видаток холодоагенту, кг/год;
- питомий
об'єм пари холодоагенту при нагнітанні з компресора, м3/кг.
м3/с,
м.
11
ІНДИВІДУАЛЬНЕ ЗАВДАННЯ (РОЗРАХУНОК ТА КОНСТРУЮВАННЯ КОНДЕНСАТОРА)
Мета розрахунку
конденсатора - визначення площі теплопередавальної поверхні та витрат
охолодженого повітря.
Площу
теплопередавальної поверхні визначаємо з рівняння теплопередачі:
, (11.1)
де Qк - теплове навантаження
на конденсатор, Вт;
К - коефіцієнт
теплопередачі, Вт/м2 К;
Fк
- площа теплопередавальної поверхні конденсатора, м2;
Δtср
- середня логарифмічна річниця
температур.
, (11.2)
Коефіцієнт теплопередачі для конденсаторів з
повітряним охолодженням складає 30...45 Вт/м2·К.
Рисунок 11.1 - Графік
температурного режиму роботи конденсатора
tк -
температура конденсації, tк=40°С;
t1 -
температура повітря на вході в конденсатор (дорівнює температурі
зовнішнього повітря), t1=29°С;
t2 - температура
повітря на виході з конденсатора, tк=33°С.
(t2> t1 на 3...4°С)
. (11.3)
. (11.4)
. (11.5)
°С,
°С,
°С,
м2.
Витрати повітря через конденсатор, м3/с:
, (11.6)
де Сп - теплоємність повітря, Дж/кг·К,
(Сп = 1003 Дж/кг·К);
ρп -
щільність повітря, кг/м3 ;
Δtп -
нагрів повітря у конденсаторі.
. (11.7)
, (11.8)
де Рб
- тиск атмосферного повітря, Рб = 1·105 Па;
Rп - газова
стала повітря, Rп = 287 Дж/кг ·К;
Тср - середня
різниця температур повітря на вході та виході з конденсатора, К.
, (11.9)
, (11.10)
. (11.11)
К,
К,
К,
кг/м3,
°С,
м3/с.
12
ОСНОВНІ ВИМОГИ ОХОРОНИ ПРАЦІ ТА БЕЗПЕКИ ПРИ ЕКСПЛУАТАЦІЇ ХОЛОДИЛЬНИХ УСТАНОВОК
В процесі обслуговування, виконання
ремонту і при випробуваннях холодильної установки рефрижераторного рухомого
складу доводиться мати справу з агрегатами і апаратами, які мають частини, що
рухаються, і працюють під великим тиском і високою електричною напругою.
Крім того доводиться працювати на
залізничних коліях в умовах транспорту, що рухається.
В цих умовах всі працівники
зобов'язані знати і дотримувати правила техніки безпеки.
На залізничному транспорті основним
документом організуючим безпечну роботу, є Правила технічної експлуатації
(ПТЕ), Інструкція по сигналізації на залізницях, правила і інструкції по
техніці безпеки при виконанні окремих робіт.
Окрім правил техніки безпеки, всі
працюючі повинні добре знати пристрій і умови експлуатації того устаткування, з
яким їм доводиться працювати, а так само уміти надавати першу допомогу при нещасних
випадках.
Особам, не знайомим з устаткуванням
і інструкціями по його експлуатації, забороняється проводити будь-які
перемикання на панелях, вмонтовувати і демонтувати устаткування.
До обслуговування холодильного
устаткування допускаються особи, які досягли 18 років, спеціально навчені
правилам техніки безпеки і знаючі інструкцію по обслуговуванню даної
холодильної установки.
Перед виконанням регламентних і
ремонтних робіт інструктаж механіків, обслуговуючих і ремонтуючих холодильні
компресори і установки, за правилами техніки безпеки проводить начальник
секції.
При виконанні робіт слід
користуватися тільки справним, передбаченим для даного типу устаткування
інструментом. Не можна виконувати які-небудь ремонтні роботи на компресорі, що
знаходиться під напругою. При операціях, пов'язаних з небезпекою пораження
електричним струмом, застосовують захисні засоби (гумові килимки, інструмент з
ізольованими ручками), а на пристроях, звідки може бути подаватися напруга,
вішають таблички.
Розкривати компресори, апарати і
трубопроводи дозволяється тільки в захисних окулярах і полі зниження тиску
фреону до атмосферного. При огляді внутрішніх порожнин компресора
використовують переносні лампи на напругу не більше 36 В і акумуляторні
ліхтарі. Користуватися для освітлення відкритим полум'ям забороняється.
Заправку або поповнення системи
холодильної установки проводять так, щоб фреон подавався на сторону низького
тиску. Відгвинчувати колпачкову гайку на штуцері вентиля балона дозволяється
тільки в захисних окулярах.
Зберігати балони, у тому числі і
порожні, слідує тільки у встановлених місцях.
Не дозволяється експлуатувати
холодильну установку за відсутності пломб на приладах, а так само по закінченню
термінів огляду приладів, манометрів, компресорів і апаратів.
Манометри перевіряють і калібрують
не рідше одного разу на рік.
Не дозволяється проводити ремонт і
підтягати болти на працюючому устаткуванні і на трубопроводах, що знаходяться
під тиском.
Обморожену через попадання рідкого
фреону ділянку шкірного покриву треба розтирати ватяною кулькою до
почервоніння, шкіри після чого протерти і накласти пов'язку з бинта.
При утворенні пухирів шкіру
розтирати не можна. Якщо фреон потрапив в очі, потрібно промити їх струменем
води кімнатної температури під невеликим тиском і закапати в очі стерильне
вазелінове масло.
Палити при обслуговуванні
холодильного устаткування забороняється.
ВИСНОВОК
В курсовій роботі виконані необхідні
розрахунки та графічна частина по розробці холодильної системи вагона.
Холодильна машина парова компресійна,
одноступеневого стиснення, працює на холодоагенті R134а, система охолодження
безпосередня.
Таблиця
Розрахункові параметри курсової
роботи
|
Параметри
|
Значення
|
|
1 Сумарна площа теплопередавальних поверхонь
огорожі кузова вагона, м2
|
242,62
|
|
2 Зведений коефіцієнт теплопередачі огорожі
кузова вагона, Вт/м2·К
|
0,27
|
|
3 Сумарні теплонадходження в вагон, Вт
|
2275,72
|
|
4 Робоча холодопродуктивність холодильної
машини, Вт
|
3207,76
|
|
5 Температура кипіння рідкого холодоагенту, 0С
|
-13
|
|
6 Температура конденсації холодоагенту, 0С
|
40
|
|
7 Теплове навантаження на конденсатор, Вт
|
4314,48
|
|
8 Параметри поршневого компресора:
|
|
|
8.1 Кількість ступіней стиснення
|
1
|
|
8.2 Коефіцієнт подачі в робочих умовах
|
0,47
|
|
8.3 Діаметр циліндра, м
|
0,053
|
|
8.4 Хід поршня, м
|
0,0477
|
|
8.5 Кількість циліндрів
|
4
|
|
8.6 Частота обертання вала компресора, об/хв
|
1000
|
|
8.7 Ефективна потужність компресора, Вт
|
1239
|
|
8.8 Потужність електродвигуна компресора, Вт
|
1423,26
|
|
9 Площа теплопередавальної поверхні
конденсатора, м2
|
13,93
|
ЛІТЕРАТУРА
1 Демьянков Н.В. Холодильные
машины и установки. - М.: Транспорт, 1976.
2 Пастарнак С.Ф.,Зуев Ю.Ф.
Холодильные машины и установки. - М.: Транспорт, 1982.
3 Бакрадзе Ю.М., Акимов Б.С.,
Фаерштейн Ю.О. Ремонт рефрижераторних вагонов. - М.: Транспорт, 1983.
4 Екимовский И.П.
Эксплуатация и техническое обслуживание рефрижераторного подвижного состава. -
М.: Транспорт, 1983.
5 Енергохолодильні системи вагонів
та їх ТО: Метод. вказ. для студ. вищ. навч. закл. залізн. трансп./В.М.
Іщенко.
- К.: КУЕТТ, 2005.-45 с.:іл.