Проектирование гражданского здания
Оглавление
Введение
1. Расчет многопустотной плиты по предельным состояниям
первой группы
2. Расчет многопустотной плиты по предельным
состояниям второй группы
3.
Определение усилий в ригеле поперечной рамы
4. Расчет
прочности ригеля по сечениям, нормальным к продольной оси
5.
Конструирование арматуры ригеля
6. Расчет
сборной железобетонной колонны
7. Расчет
монолитного центрально-нагруженного фундамента
Введение
Цель курсового проекта – расчет и проектирование ж/б конструкций
трехэтажного каркасного здания, расположенного в городе Баку, с высотой этажа –
4,2 м., который имеет размер в плане 17,4X64 м и сетку колонн 5,8x8 м. Временная нормативная нагрузка – 1600 кг/м2. Стеновые
панели навесные из легкого бетона, в торцах здания замоноличиваются совместно с
торцевыми рамами, образуя вертикальные связевые диафрагмы. Коэффициент
надежности по нагрузке γf=1,2, Коэффициент надежности по назначению здания γn=0,95.
Снеговая нагрузка – по I
району.
Ригели поперечных рам – трехпролетные, на опорах жестко соединены с
крайними и средними колоннами. Многопустотные плиты, с предварительно
напряженной арматурой, принимаем с номинальной шириной 120 см, опираются на ригели.
1. Расчет многопустотной плиты по предельным
состояниям первой группы
Расчетный пролет и нагрузки.
Расчетный пролет
м.
Подсчет нагрузок на 1 м2 перекрытия приведен в табл. 1.
Табл. 1. Нормативные и расчетные
нагрузки на 1 м2 перекрытия
|
Нагрузка
|
Нормативная нагрузка. Н/м2
|
Коэффициент надежности по нагрузке
|
Расчетная нагрузка, Н/м2
|
|
Постоянная:
Собственный вес многопустотной
плиты с круглыми пустотными
|
3000
|
1,1
|
3300
|
|
то же слоя цементного
раствора δ=20 мм
(ρ=2200 кг/м3)
|
440
|
1,3
|
570
|
|
то же керамических плиток,
δ=13 мм (ρ=1800 кг/м3)
|
240
|
1,1
|
264
|
|
Итого
|
3680
|
|
4134
|
|
Временная:
|
5000
|
1,2
|
6000
|
|
длительная
|
3500
|
1,2
|
4200
|
|
кратковременная
|
1500
|
1,2
|
1800
|
|
Полная нагрузка:
|
8600
|
—
|
10134
|
|
постоянная и длительная
|
7180
|
—
|
—
|
|
кратковременная
|
1500
|
—
|
—
|
Расчетная нагрузка на 1 м2 при ширине плиты 1,2 м с учетом коэффициента надежности по назначению здания γn= 0,95: постоянная g = 4,134*1,2*0,95 = =4.71 кН/м2;
полная g+v = 23.334*1.2*0.95=26.6 кН/м2
Нормативная нагрузка на 1 м2:
постоянная g=3.680*1.2*0.95 = 4.19 kH/м2; полная: g+v = 19.680*1.2*0.95 = 22.43 кН/м2
Усилия от расчетных и нормативных
нагрузок. От расчетной нагрузки:
кН/м2;
кН/м2.
От нормативной полной нагрузки:
кН/м2;
кН/м2.
Установление размеров сечения плиты. Высота
сечения многопустотной (6 круглых пустот диаметром 16 см) предварительно напряженной плиты
см; рабочая высота сечения
h0=h-a==26-3=23 см.
Размеры: толщина верхней и нижней
полок (26—16) 0,5=5 см. Ширина ребер: средних - 3 см, крайних -- 4,5см. В расчетах по предельным состояниям первой группы расчетная толщина сжатой
полки таврового сечения h/f=5 см; отношение
,
при этом в расчет вводится вся ширина
полки b/f = 120 см; расчетная ширина ребра b=120-6*16=24 см.
Характеристики прочности бетона и
арматуры. Многопустотную предварительно напряженную плиту армируют стержневой
арматурой класса АV с
электротермическим натяжением на упоры форм. К трещиностойкости плиты
предъявляют требования 3-й категории. Изделие подвергают тепловой обработке при
атмосферном давлении.
Бетон тяжелый класса В25,
соответствующий напрягаемой арматуре Согласно прил. 1...4 призменная прочность нормативная
Rbn = Rb,ser= 18,5 МПa, расчетная Rb = 14,5 МПа; коэффициент условий работы бетона γb2=0,9; нормативное сопротивление при растяжении Rbth=Rb,ser=1,60 МПа, расчетное Rbt=1,05 МПа; начальный модуль упругости
бетона Еb =30 000 МПа. Передаточная прочность
бетона Rbp, устанавливается так, чтобы при
обжатии отношение напряжений σbp/Rbp<0,75. Арматура продольных ребер —
класса А-V, нормjтивное сопротивление Rsn = 785 МПа, расчетное сопротивление Rs = 680 МПа, модуль упругости Es = 190000 МПа. Предварительное
напряжение арматуры равно: σs= 0,75Rsn= =0,75*785=590 МПа. Проверяют выполнение условия. При
электротермическом способе натяжения
МПа; σsp+р = 590+75 = =665<Rsn=785 МПа — условие выполняется.
Вычисляют предельное отклонение предварительного напряжения при числе
напрягаемых стержней nр=7:
.
Коэффициент точности натяжения:
. При проверке по образованию трещин в верхней
зоне плиты при обжатии принимают
. Предварительные
напряжения с учетом точности натяжения
МПа.
Расчет прочности плиты по сечению, нормальному и продольной оси, М=200,73 кН/м.
Сечение тавровое с полкой в сжатой зоне. Вычисляют
По табл. 3.1 находят ξ = 0,26; x=ξh0=0.26*23=5.98≤6 см — нейтральная ось проходит в
пределах сжатой полки; ζ = 0,86.
Вычисляют площадь сечения растянутой
арматуры:
см2
принимаем 7○ 16 А-V .
Расчет прочности плиты по сечению,
наклонному к продольной оси, Q=102.28
кН. Проверяют, требуется ли поперечная арматура по расчету. Условие:
— удовлетворяется.
На приопорных участках длиной l/4 арматуру устанавливают
конструктивно, ○ 4 Вр-1 с шагом
см;
в средней части пролета поперечная арматура не применяется.
2. Расчет многопустотной плиты по предельным
состояниям второй группы
Геометрические характеристики
приведенного сечения.
Круглое очертание пустот заменяют
эквивалентным квадратным со стороной h=0,9d=0,9*16=14.4 см. Толщина полок
эквивалентного сечения hf/=hf=(26-14.4)0,5=5.8см. Ширина ребра 120-6*14,4
=33,6 см. Ширина пустот 120-33,6=86,4 см. Площадь приведенного сечения
Ared=120*26-86.4*14.4=1875.8 см2
{пренебрегают ввиду малости величиной α=As).
Расстояние от нижней грани до центра
тяжести приведенного сечения
y0=0,5h+hf=0,5*14,4+5,8=13 см.
Момент инерции сечения
(симметричного):
см4
Момент сопротивления сечения по
нижней зоне
см3;
то же, по верхней зоне Wred/= 11866,2 см3.
Расстояние от ядровой точки, наиболее
удаленной от растянутой зоны (верхней), до центра тяжести сечения по формуле:
см;
то же, наименее удаленной от
растянутой зоны (нижней) rinf=5,38 см; здесь
.
Отношение напряжения в бетоне от
нормативных нагрузок и усилия обжатия к расчетному сопротивлению бетона для
предельных состояний второй группы предварительно принимают равным 0,75.
Упругопластический момент
сопротивления по растянутой зоне
Wpl=γWred=1,5*11866,2=17799,3 см3,
здесь γ=1,5—для двутаврового сечения. Упругопластический момент
сопротивления по растянутой зоне в стадии изготовления и обжатия Wpl/=17799,3 см3.
Определение потерь предварительного напряжения арматуры. Расчет выполняют
в соответствии с подглавой, коэффициент точности натяжения арматуры при этом
Потерь от релаксации напряжений в
арматуре при электротермическом способе натяжения
Потери
от температурного перепада между натянутой арматурой и упорами
, так как при пропаривании форма с
упорами нагревается вместе с изделиями.
Усилие обжатия
Эксцентриситет этого усилия относительно центра тяжести приведенного
сечения
. Напряжение в бетоне при обжатии в
соответствии с формулой
Устанавливают передаточную прочность бетона из условия
;
принимаем Rbp=12,5.
Тогда
Вычисляют сжимающее напряжение в бетоне на уровне центра тяжести
напрягаемой арматуры от усилия обжатия Р1 и с учетом изгибающего
момента от веса плиты
Потери от быстронатекающей ползучести при
и
при
. Первые потери
.
Потери от усадки бетона σ8=35. Потери от ползучести бетона
составляют
Вторые потери
Полные потери
Усилие обжатия с учетом полных потерь
.
Расчет по образованию трещин, нормальных к продольной оси.
Вычисляют для выяснение необходимости поверхности по раскрытию трещин.
При этом для элементов, к трещиностойкости которых предъявляют требования 3-й
категории, принимают значения коэффициента надежности по нагрузке
по
формуле
. Вычисляют момент образования трещин по
приближенному способу ядровых моментов по формуле:
здесь ядровый момент усилия обжатия по формуле; при
составляет
Поскольку
, трещины в растянутой зоне
образуется. Следовательно, необходим расчет по раскрытию трещин.
Проверяют, образуются ли начальные трещины в верхней зоне плиты при
значении коэффициента точности натяжения
.
;
- условие удовлетворяется, начальные
трещины не образуется; здесь
- сопротивление
бетона растяжению, соответствующее передаточной прочности бетона
Расчет по раскрытию трещин, нормальных продольной оси при
. Предельная ширина раскрытия трещин: непродолжительная
, продолжительная
. Изгибающие моменты нормальных
нагрузок, постоянной и длительной
. Приращение
напряжений в растянутой арматуре от действия постоянной и длительной нагрузок
по формуле:
Здесь принимают
- плечо внутренней пары сил
, так как усилие обжатия Р приложено в
центре тяжести площади нижней напрягаемой арматуры:
- момент сопротивления сечения по
растянутой арматуре.
Вычисляют по формуле: ширину раскрытия трещин от непродолжительного
действия всей нагрузки;

здесь
;
диаметр продольной арматуры.;
ширину раскрытия трещин от непродолжительного действия постоянной и
длительной нагрузок

ширину раскрытия трещин от постоянной и длительной нагрузок

где
Непродолжительная ширина раскрытия трещин
Продолжительная ширина раскрытия трещин
Расчет прогиба плиты. Прогиб определяют от нормативного значения
постоянной и длительных нагрузок; предельный прогиб составляет
см. Вычисляют параметры, необходимые
для определения прогиба плиты с учетом трещин в растянутой зоне. Заменяющий
момент равен изгибающему моменту от постоянной и длительной нагрузок
кНм; суммарная продольная сила равна
усилию предварительного обжатию с учетом всех потерь и при
эксцентриситет
коэффициент
при
длительном действии нагрузок
Коэффициент, характеризующий неравномерности деформаций растянутой
арматуры на участке между трещинами, определяют по формуле
Вычисляют кривизну оси при изгибе по формуле
Здесь
;
-при
длительном действии нагрузок;
Вычисляют прогиб по формуле;
.
3.
Определение
усилий в ригеле поперечной рамы.
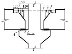
Расчетная схема и нагрузки. Поперечная многоэтажная рама имеет регулярную
расчетную схему с равными пролетами ригелей и равными стоек (высотами этажей).
Сечения ригелей и стоек по этажам также приняты постоянными. Такую многоэтажную
раму расчленяют для расчета на вертикальную нагрузку на одноэтажные рамы с
нулевыми точками моментов – шарнирами, расположенными по концам,- в середине
длины стоек всех этажей, кроме первого. Расчетная схема рассчитываемой рамы
средних этажей изображена на рис.5,1
Нагрузка на ригель от многопустотных плит считается равномерно
распределенной, от ребристых плит при числе ребер в пролете ригеля более
четырех – также равномерно распределенной. Ширина грузовой полосы на ригель
равна шагу поперечных рам, в примере – 6 м. подсчет нагрузок на 1 м2
перекрытия приведен в табл.3,1.
Вычисляют расчетную нагрузку на 1 м длины ригеля.
Постоянная: от перекрытия с учетом коэффициента надежности по назначению
здания
; от
веса ригеля сечением
; итого
Временная с учетом
Полная нагрузка
Вычисление изгибающих моментов в расчетных сечениях ригеля.
Опорные моменты вычисляют по (табл.2 прил. 11 Байков) для ригелей,
соединенных с колоннами на средних опорах жестко, по формуле
.
Табличные коэффициенты
и
зависят от схем загружения ригеля и
коэффициента
- отношения погонных жесткостей ригеля и
колонн. Сечение ригеля принято равным-
см,
сечение колонн-
см, длина колонн- 4,6 м. Вычисляют
Вычисление опорных моментов ригеля от постоянных нагрузки и различных
схем загружения временной нагрузкой приведено в табл.5,1.
Таблица 5,1 Определение моменты ригеля при различных схемах загружения.
|
Схема
загружения
|
Опорные
комнаты, кН*м
|
|
М12
|
М21
|
М23
|
М32
|
|
g
|
|
|
|
|
|
|
|
|
|
|
|
|
|
|
|
|
|
|
|
|
|
|
|
Расчетные
схемы для
опорных
моментов
|
1+2
-257,45
|
1+4
-681,76
|
1+4
-617,11
|
1+4
-337,31
|
|
Расчетные
схемы для пролетных моментов
|
1+2
-257,45
|
1+2
-426,51
|
1+3
-410,94
|
1+3
-410,94
|
Пролетные моменты ригеля:
1) в крайнем пролете – схемы загружения 1+2, опорные моменты
;
нагрузка
; поперечныесилы
;
Максимальныйпролетныймомент
2) в среднем пролете – схемы загружения 1+3, опорные моменты
; максимальный пролетный момент
;
Эпюры моментов ригеля при различных комбинациях схем загружения строят по
данным табл.5,1 (рис.5,1 б). Постоянная нагрузка по схеме загружения 1
участвует во всех комбинациях: 1+2, 1+3, 1+4.
Перераспределение моментов под влиянием образования пластических шарниров
в ригеле. Практический расчет заключается в уменьшении примерно на 30% опорных
моментов ригеля
и
по
схемам загружения 1+4; при этом намечается образование пластических шарниров на
опоре.
К эпюре моментов схем загружения 1+4 добавляют выравнивающую эпюру
моментов так, чтобы уравнялись опорные моменты
и
были обеспечены удобства армирования опорного узла (рис.5,1 в). Ординаты
выравнивающей эпюры моментов:
,
;
при этом
;
Разность ординат в узле выравнивающей эпюры моментов передается на стойки.
Опорные моменты на эпюре выровненных моментов составляют:
;
;
;
;
Пролетные моменты на эпюре выровненных моментов могут привести значения
пролетных моментов при схемах загружения 1+2 и 1+3, тогда они будут расчетными.
Опорные моменты ригеля по грани колонн. На средней опоре при схемах 1+4
опорный момент ригеля по грани колонны не всегда оказывается расчетными
(максимальным по абсолютному значению). При большой временной нагрузке и
относительно малой погонной жесткости колонн он может оказаться расчетным при
схемах загружения 1+2 или 1+3, т. е. при больших отрицательных моментах в
пролете. Необходимую схему загружения для расчетного опорного момента ригеля по
грани колонны часто можно установить сравнительным анализом значений опорных
моментов по табл.5,1 и ограничить вычисления одной этой схемой. Ниже приведены
вычисления по всем схемам. Опорный момент ригеля по грани средней колонны слева
М(21) (абсолютные значения):
по схемам загружения 1+4 и выровненной эпюре моментов
,
по схемам загружения 1+3
;
по схемам загружения 1+2
;
Опорный момент ригеля по грани средней колонны справа М(23),1:
по схемам згруженич 1+4 и выровненной эпюре моментов
,
по схемам згруженич 1+4
Следовательно, расчетный опорный момент ригеля по грани средней опоры М=396,05
кНм.
Опорный момент ригеля по грани крайней колонны по схеме загружения 1+4 и выровненной
эпюре моментов
,
Поперечные силы ригеля. Для расчета прочности по сечениям, наклонным к
продольной оси, принимают значение поперечных сил ригеля, большие из двух
расчетов: упорного расчета и с учетом перераспределения моментов. На крайней
опоре Q1=319,68 кН, на средней опоре слева по схеме загружения
1+4
.
На средней опоре справа по схеме загружения 1+4
.
Расчет прочности ригеля по сечениям, нормальным к продольной оси.
Характеристика прочности бетона и арматуры. Бетон тяжелый класса В25;
расчетный сопротивления при сжатий Rb=14,5 МПа: при растяжений Rbt=1,05 МПа; коэффициент условий работы
бетона
модуль упругости Eb=30000 МПа.
Арматура продольная рабочая класса А-III, расчетное сопротивление Rs=365 МПа, модуль упругости Es=200000 МПа.
Определение высоты сечения ригеля. Высоту сечения подбирают по опорному
моменту при
, поскольку на опоре момент определен с
учетом образования пластического шарнира. Принятое же сечение ригеля следует
затем проверить по предельному моменту (если он больше опорного) так, чтобы
относительная высота сжатой зоны была
и
исключалось переармированное неэкономичное сечение. По (табл. 3,1, по Байкову)
и при
находят значение
а по формуле определяют граничную высоту
сжатой зоны.
где
;
.
Вычисляют
принимаем h=60 см. Принятое сечение не проверяют в данном случае по
пролетному моменту, так как
. Подбирают сечения
арматуры в расчетах сечениях ригеля.
Сечение в первом пролете (рис. 6,1 а)
а)б)
Рис.6,1. К расчету прочности ригеля сечения в пролете (а) на опоре (б).

;
вычисляют:
;
по (табл. 3,1, по Байкову)
Принято
с
Сечение в среднем пролете – М=350,71 кНм;
;
по (табл. 3,1, по Байкову)
Принято
с
Арматура для восприятия отрицательных момента в пролете устанавливают по
эпюре моментов. Принято
А-III c As=3.03см2.
Сечение на средней опоре
арматура расположена в один ряд
; вычисляют:
;
по (табл. 3,1, по Байкову)
Принято
с
Сечение на крайней опоре
;
Принято
с
4.
Расчет прочности
ригеля по сечениям, наклонным к продольной оси
На средней опоре поперечная сила Q=677,9 кН.
Диаметр поперечных стержней устанавливают из условия сварки их с
продольной арматурой диаметром d=32
мм и принимают равным dsw=8 мм (прил 9. по Байкову) с площадью As=0.503 см2. При классе А-III Rsw=285 МПа; поскольку dsw/d=8/32=
, вводят коэффициент условий работы
и тогда
Число
каркасов-2, при этом Asw=2*0.503=1.01 см2
Шаг поперечных стержней по конструктивным условиям s=h/3=60/3=20см. На всех приопорных участках длиной l/4 принят s=20см, в средней части пролета шаг s=3h/4=3*60/4=45см.
Расчет ведут по формулам.
Вычисляют:
- условие удовлетворяется. Требование
smax=
- удовлетворяется.
Расчет прочности по наклонным сечению. Вычисляют
.
Поскольку
значение «с» вычисляют по формуле
.
При этом
.
Поперечная сила в вершине наклонного сечения
Длина
проекции расчетного наклонного сечения
.
Вычисляют
Условие прочности
- обеспечивает.
Проверка прочности по сжатой полосе между наклонными трещинами.

Условие
- удовлетворяется.
5.
Конструирование арматуры ригеля
Стык ригеля с колонной выполняют на ванной сварке выпусков верхних над опорных
стержней и сварке закладных деталей ригеля и опорной консоли колонны в
соответствии с (рис. 8,1).
Рис. 8,1. Конструкции стыков сборного ригеля с колонной.
1) арматурные выпуски из ригеля и колонны; 2) ванная сварка; 3) вставка
арматуры; 4) стальные закладные.
Ригель армируют двумя сварными каркасами, часть продольных стержней
каркасов обрывают в соответствии с изменением огибающей эпюры моментов и по
эпюре арматуры (материалов). Обрываемые стержни заводят за место
теоретического обрыва на длину заделки W.
Эпюру арматуры строят в такой последовательности:
1)
определяют
изгибающие моменты М, воспринимаемые в расчетных сечениях, по фактически
принято арматуре; 2) устанавливают графически на огибающей эпюре моментов по
ординатам М места теоретического обрыва стержней; 3) определяют длину анкеровки
обрываемых стержней
, причем поперечную силу Q в месте теоретического обрыва стержня
принимают соответствующей изгибающему моменту в этом сечении.
6. Расчет
сборной железобетонной колонны
Здание на проектирование. Рассчитывать и конструировать колонну среднего
ряда.
Высота этажа H=4,2 м. Сетка
колонн
м. Верх фундамента заглублен ниже
отметки пола на 0,6 м. здание возводится в I климатическом районе по снеговому покрову. Конструктивно
здание решено с несущими наружными стенами, горизонтальная (ветровая) нагрузка
воспринимается поперечными стенами и стенами лестничных клеток. Членение колонн
поэтажное. Стыки колонн располагаются на высоте 0,6 м от уровня верха панелей перекрытия. Ригель опираются на консоли колонн. Класс бетона по
прочности на сжатие колонн не более В30, продольная арматура класса А-III. По назначению здание относится ко
второму классу. Принимаем
Решение. Определение нагрузок и усилий. Грузовая площадь от перекрытий и
покрытий при сетке колонн
м равна
. Подсчет нагрузок сведен в табл. 9,1.
При этом высота и ширина сечения ригеля приняты: h=60см, b=40см.
При этих размерах масса ригеля на 1 м длины составит:
,
а на 1 м2
Таблица 9.1 Нормативные и расчетные нагрузки.
|
Вид
нагрузки
|
Нормативная
нагрузка, Н/м2
|
Коэффициент
надежности по нагрузке
|
Расчетная
нагрузка,
Н/м2
|
|
От перекрытия
:
Постоянная:
-от
рулонного ковра в три слоя
-от
цементного
выравнивающего
слоя при t=20мм;
-от
утеплителя-
пенобетонных
плит при b=120 мм;
-от
пароизоляции в один слой
многопуст.
плит
-от ригелей
-от
вентиляционных коробов и
трубопроводов
|
120
400
480
40
2500
1000
500
|
1,2
1,3
1,2
1,2
1,1
1,1
1,1
|
150
520
580
50
2750
1100
550
|
|
итого
|
5040
|
-
|
5700
|
|
Временная
(снег) :
В том числе
кратковременная
длительная
|
500
350
150
|
1,4
1,4
1,4
|
700
490
210
|
|
Всего от
покрытия
|
5540
|
-
|
6400
|
|
От
перекрытия
От ригеля
|
13180
1000
|
1,1
|
15584
1100
|
|
Всего от
перекрытия
|
1480
|
-
|
16684
|
Сечение колонн предварительно принимаем
.
Расчетная длина колонн во втором-пятом этажах равна высоте этажа
, а для первого этажа с учетом
некоторого защемления колонны в фундаменте
Собственный расчетный вес колонн на один этаж:
во втором-пятом этажах
во первом этаже
Подсчет расчетной нагрузки на колонну сведен в табл. 9,2. Расчет нагрузки
от покрытия и перекрытия выполнен умножением их значений по табл. 9,1 на
грузовую площадь
, с которой нагрузка
передается на одну колонну
Таблица 9.2 Подсчет расчетной нагрузки на колону.
|
Этаж
|
Нагрузка от
покрытия и перекрытия , кН
|
Собственный
вес колонн,кН
|
Расчетная суммарная
нагрузка, кН
|
|
Длительная
|
Кратко-временная
|
Длительная
|
Кратковременная
|
полная
|
|
3
|
1424,5
|
341,7
|
34,2
|
1458,7
|
341,7
|
1800,4
|
|
2
|
2005,5
|
501,7
|
45,6
|
2051,1
|
501,7
|
2552,8
|
|
1
|
2586,5
|
661,7
|
58,5
|
2645
|
661,7
|
3310
|
В табл. 9.2 все нагрузки по этажам приведены нарастающим итогом
последовательным суммированием сверху вниз. При этом снижения временной
нагрузки, предусмотренного п. 3,9 СНиП 2,01,07-85 при расчете колонн в зданиях
высотой более двух этажей, не делалось, так как для производственных зданий это
можно выполнять по указанием соответствующих инструкций, ссылка на которые
дается в задании на проектирование.
За расчетное сечение колонн по этажам приняты сечения в уровне стыков
колонн, а для первого этажа – в уровне отметки верха фундамента. Схема
загружения показана на рис. 9,1
Расчет колонны первого этажа.
Усилия с учетом
будут
,
сечение колонны
, бетон класса В35 ,
Rb=19,7 МПа,
арматура из стали класса А-III, Rs=360 МПа,
.
Предварительно вычисляем отношение Рис.9,1
Загружение колонн среднего ряда.
Nld/N1=2512/3144.5=0,8; гибкость колонны
,
следовательно, необходимо учитывать прогиб колонны; эксцентриситет
, а также не менее
принимаем большее значение
; расчетная длина колонны,
, значит расчет продольной арматуры
можно выполнять по формуле.
Задаемся процентом армирования
(коэффициент
) и вычисляем
при Nld/N1=0,8 и
по табл. 2,15
коэффициенты
и пологая , что 
, а коэффициент
по
формулам
;
требуемая площадь сечения продольной арматуры по формуле
принимаем для симметричного армирования
А-III с As=64,34см2;
, что много ранее принятого
.
Если назначить сечение
сохранив ранее
принятые характеристики материалов то при пересчете будет иметь:
,
;
; при
принимаем для симметричного армирования
А-III с As=36,95см2;
, что близко ранее принятого
.
Фактическая несущая способность сечения 350*350 мм по формуле
Поперечная арматура в соответствии с данными табл. 2 прил. II принята диаметром 8 мм класса А-I шагом
и
меньше hc =35см.
Расчет колонны второго этажа.
Усилия с учетом
будут
,
сечение колонны
, бетон класса В35 , Rb=19,7 МПа, арматура из стали класса
А-III, Rs=360 МПа,
.
Предварительно вычисляем отношение
Nld/N1=1948,5/2425,16=0,8; гибкость колонны
,
следовательно, необходимо учитывать прогиб колонны; эксцентриситет
, при
см
коэффициент
;
коэффициент
вычисляем по формуле ,
предварительно приняв
коэффициент
и пологая , что 
,
требуемая площадь сечения продольной арматуры по формуле
принимаем для симметричного армирования
А-III с As=19,63см2;
, что немного меньше ранее принятого
.
Принимая
вычисляем фактическую
несущую способность сечения 350*350 мм по формуле
Поперечная арматура в соответствии с данными табл. 2 прил. II принята диаметром 8 мм класса А-I шагом
и
меньше hc =35см.
Расчет колонны третьего этажа.
Усилия с учетом
будут
,
сечение колонны
, бетон класса В30 , Rb=17 МПа, арматура из стали класса А-III, Rs=360 МПа,
.
Предварительно вычисляем отношение Nld/N1=1385,7/1710,4=0,8; гибкость колонны
,
следовательно, необходимо учитывать прогиб колонны; эксцентриситет
, при
см
коэффициент
; коэффициент
вычисляем
по формуле, предварительно приняв коэффициент
и пологая , что 
,
требуемая площадь сечения продольной арматуры по формуле
принимаем для симметричного армирования
А-III с As=10,18см2;
. Принимая
вычисляем
фактическую несущую способность сечения 350*350 мм по формуле
Поперечная арматура в соответствии с данными табл. 3 прил. II принята диаметром dsw=6 мм класса А-I шагом
и
меньше hc =35см.
Расчет консоли колонны. Опирание ригеля на колонну может осуществляется
либо железобетонную консоль, либо металлическую столик, приваренный к закладной
детали на боковой грани колонны на рис 9.2. Железобетонные консоли считаются
короткими, если их вылет l равен не более
0,9h0, где h0- рабочая высота сечения консоли по
грани колонны на (рис. 9.2 а). Действующая на консоль опорная реакция ригеля
воспринимается бетонным сечением консоли и растянутой арматурой, определяемой
расчетом. Консоли малой высоты (рис.9.2 б), на которые опираются ригели или
балки с подрезанными опорными концами, усиливают листовой сталью или прокатными
профилями-уголками, швеллерами или двутаврами.
Рассмотрим расчет консоли в уровне перекрытия четвертого этажа, где бетон
колонн принят пониженной прочности на сжатие. Расчетные данные: бетон колонны
класса В20, арматура класса А-III,
ширина ригеля b=40см.
Решение. Максимальная расчетная реакция от ригеля перекрытия при
составляет
.
Определяем минимальный вылет консоли
из условий смятия
под концом ригеля

;
с учетом зазора между торцом ригеля и гранью колонны, равно 5 см, вылет консоли
; принимаем кратно 5 см
.
Высоту сечения консоли находим по сечению 1-1, проходящему по грани
колонн. Рабочую высоту сечения определяем из условия
где правую часть неравенства принимают не более 2,5Rbt, bch0.
Из выражения выводим условия для h0:
Определяем расстояние «а» от точки приложения опорной реакции Q до грани колонны
.
Максимальная высота ho по условию
.
Минимальная высота ho по условию
Полная высота сечения консоли у основания принята h=70 см,
ho=70-3=67 см.
Находим высоту свободного конца консоли, если нижняя грань ее наклонен
под углом
,
:
условие удовлетворяется.
Расчет армирования консоли. Расчетный изгибающий момент по формуле
Коэффициент А0 по формуле
по табл. 2,12 находим
;
.
Требуется площадь сечения продольной арматуры
принято
А-III, с As=3,05см2. Эту арматуру приваривают к закладным деталям
консоли, на которые устанавливают и затем крепят на сварке ригель. Назначением
поперечное армирование консоли; согласно п.5.30 СНиП 2.03.01-84, при
консоль армируют отогнутыми стержнями и
горизонтальными хомутами по всей высоте (при
консоль
армируют только наклонными хомутами по всей высоте). Минимальная площадь
сечения отогнутой арматуры
; принимаем
А-III, с As=4,02 см2; диаметр отгибов должен также удовлетворять условию
и меньше do=20
мм; принято do=1,41 см- условие соблюдается.
Хомуты принимаем двухветвенными из стали класса А-I диаметром 6 мм,
Шаг хомутов консоли назначаем из
условий требования норм- не более 150 мм и не более (1/4)h=(70/4)=17,5см; принимаем шаг s=150мм ( см. АС- ). Схемы армирования консоли показаны на АС-
7. Расчет
монолитного центрально-нагруженного фундамента
Здание на проектирование. Рассчитать и конструировать железобетонный
фундамент под колонну среднего ряда. Бетон фундамента В15, арматура нижней
сетки из стали класса А-II
конструктивная арматура класса А-I.
Согласно СНиП [15], условное расчетное сопротивления основания Ro=2,5 МПа. Глубина заложения
фундамента H1=2,0 м. Средний удельный вес материала фундамента и
грунта на его уступах
Решение. Расчетные характеристики материалов: для бетона класса В15, Rb=8.5 МПа; Rbt=0.75 МПа,
;
для арматуры класса А-II Rs=280 МПа.
Расчетная нагрузка на фундамент от колонны первого этажа с учетом
, N1=3144.5 кН. Сечение колонны
.
Определяем нормативную нагрузку на фундамент по формуле
,
где
- средний коэффициент надежности по
нагрузке ( приближенно 1,15-1,2). Требуемая площадь фундамента
Размер стороны квадратного в плане фундамента
,
принимаем размер подошвы фундамента
,
.
Определяем высоту фундамента. Вычисляем наименьшую высоту фундамента из
условия подавления его колонной по поверхности пирамиды при действии расчетной
нагрузки, используя приближенную формулу
- напряжение в основании фундамента от расчетной нагрузки;
.
Полная минимальная высота фундамента
где
-толщина защитного слоя бетона.
Высота фундамента из условий заделки колонны в зависимости от размеров ее
сечения
.
Из конструктивных соображений, учитывая необходимость надежно заанкерить
стержни продольной арматоры при жесткой заделке колонны в фундаменте, высоту
фундамента рекомендуется также принимать равной не менее
где
- глубина стакана фундамента, равная
;
- диаметр продольных стержней колонны;
- зазор между торцом колонны и дном
стакана.
Принимаем высоту фундамента
, число ступеней три.
Высоту ступеней из условий обеспеченная бетона достаточной прочности по
поперечной силе без поперечного армирования в наклонном сечении. Расчетные
сечения: 3-3 по грани колонны, 2-2 по грани верхней ступени и 1-1 по нижней
границе пирамиды продавливания.
Минимальную рабочую высоту первой (снизу) ступени определяем по формуле
.
Конструктивно принимаем
,
Проверяем соответствие рабочей высоты нижней ступени фундамента
условию прочности по поперечной силе
без поперечного армирования в наклонном сечении, начинающимся в сечении 1-1. На
1 м ширины этого сечения поперечная сила
.
Минимальное поперечное усилие
, воспринимаемое
бетоном
( по п. 3,31 СНиП 2.03.01.-84):
,
где
=0,6-для тяжелого бетона;
=0-для плит сплошного сечения;
=0-ввиду отсутствия продольных сил.
Так как
, то условие прочности
удовлетворяется.
Размеры второй или третьей ступеней фундамента принимают как, чтобы
внутренние грани ступеней пересекали прямую, проведенную под углом 450
к грани колонны на отметке верха фундамента.
Проверяем прочность фундамента на подавление по поверхности пирамиды,
ограниченной плоскостями, проведенными под углом 450 к боковым
граням колонны, по формуле СНиП [13]:
,
;
- площадь основания пирамиды подавления
при квадратных в колонне и фундаменте; um- среднее арифметическое между
параметрами верхнего и нижнего основания пирамиды продавливания в пределах
полезнй высоты фундамента ho, равное:
или при
,
.
Подставляем в вычисление значения, тогда
;
условие удовлетворяется. При подсчета арматура для фундамента за
расчетные принимаем изгибающие моменты по сечениям, соответствующим
расположению уступов фундамента как для консоли с защемленным концом:
Подсчет потребного количества арматуры в расчетах сечениях фундамента в
одном направлении:

принимаем нестандартную сетку из арматуры диаметром 18 мм класса А-II по сечению 3-3 с ячейками
,
в
одном направлении (см. сетку С-1 на рис.10,1.
Процент армирования
что больше
, установленного нормами. В
случае необходимости в дальнейшем проверяют сечение фундамента по второй группе
предельных состояний по раскрытию трещин, выполняемому аналогично балочным
изгибаемым элементам прямоугольного сечения.
Верхнюю ступень армирует конструктивно горизонтальными сетками С-2 из
арматуры
класса А-I, устанавливаемыми через 150 мм по высоте; расположение сеток фиксируют вертикальными стержнями
мм
класса А-I.