|
Вид
нагрузки
|
Нормативная
|
gf
|
Расчетная
|
|
кН/м2
|
кН/м
при В=4.5м
|
|
кН/м2
|
кН/м
при В=4.5 м
|
|
Постоянная: от плит настила и кровли
от собственной массы балки и связей
|
0.404
0.295
|
1.818
1.329
|
1.2
|
0.471
0.355
|
2.12
1.593
|
|
Итого:
|
0.699
|
3.147
|
|
0.826
|
3.715
|
|
Временная: снеговая
|
1.71
|
7.695
|
1.4
|
2.4
|
10.8
|
|
Всего:
|
|
10.862
|
|
|
14.51
|
*Коэффициент надежности по снеговой нагрузке gf
= 1.4 принят в соответствии с п. 5.7 [2] при qнп/pнс
= 0.699/1.71 = 0.408 < 0.8.
Высоту балки по середине пролета h
предварительно определим из условия надежности по деформациям с учетом
выражения для прогиба и известной формулы прогиба балки постоянной высоты при
равномерно распределенной нагрузке
, где
.
После
подстановки и решения относительно h получим
,
где
b - ширина сечения пакета;
-
поправочный коэффициент.
Задавшись
предварительно рекомендуемыми отношениями h0/l = 1/15 и
h0/h
» 0.5, по
формулам вычисляем
;
.
Тогда
Шириной
досок для пакета зададимся: b = 17.5 см без фрезерования кромок. Модуль
упругости сосны Ед = 1000 кН/см2 = 107 кН/м2.
Подставив
значения получаем
м.
Принимаем
h = 167 см.
На
опоре h0 = h - 0.5×l0×i = 1.67 -
0.5×20.4×1/15 =
0.99м, что > 0.4×h = 0.668.м.
Проверим
сечение балки из условий прочности.
По
[1,табл. 3] находим требуемые расчетные сопротивления: при изгибе для древесины
2-го сорта Rи =15 МПа = 15 кН/см2; при скалывании вдоль
волокон для 3-го сорта Rск = 1.5 МПа = 0.15 кН/см2.
Коэффициенты
условий работы:
-
для условий эксплуатации A3 по [1,табл.5], mв = 0.9;
-
для балок высотой 120 см и более по [1,табл.7], mб = 0.8;
-
при толщине слоя досок в пакете 33 мм по [1,табл.8], mсл = 1.
Коэффициент
надежности по назначению для зданий II класса gn = 0.9.
Поправочные
коэффициенты при расчетах:
на
изгиб
;
на
скалывание
.
Поперечная
сила в опорном сечении
Qmax
= 0.5×q×l0
= 0.5×14.51×20.4 =148.1
кН.
Минимальная
высота балки в опорном сечении из условия прочности на скалывание:
см,
h0
= 99 > 85 см.
Прочность
на скалывание обеспечена.
Расстояние
от опоры до расчетного нормального сечения:
м.
Изгибающий
момент в сечении xр = 6.05 м равен:
кН×м.
Высота
балки в расчетном сечении:
см.
Момент
сопротивления расчетного сечения:
см3.
Проверим
условие устойчивости, задавшись предварительно коэффициентом устойчивости при
изгибе jм = 1:
кН/см2,
что
< Rи×Õmi =
1.5×0.8 = 1.2
кН/см2.
Условие
устойчивости удовлетворяется. При этом фактическая величина коэффициента
.
Найдем
расстояние между связями в плоскости сжатой кромки, при котором
jм = 0.927:
см,
гдеkф
= 1.13 и
-
коэффициенты.
Примем
расстояние между связями lр = 255 см из условия расстановки.
Поперечное
сечение балки компонуем из досок в заготовках 40 мм, после острожки - по пласти
33 мм. В крайних слоях располагаем доски 2-го сорта, а в среднем - 3-го сорта.
3.3
Решение по варианту 2 с продольной арматурой в растянутой зон
Задаемся
арматурой из 2 Æ 20 А-II, А
=6.28 см2.
Из
условия расположения стержней следует принять
. Примем
мм , тогда
мм , по
сортаменту b= 175 мм
Требуемый
момент инерции среднего сечения для обеспечения жесткости берем из расчета по
варианту 1 ,
I
=I =
= 6792133.54
см2
Комплексное
металлодеревянное сечение приведем к однородному с помощью коэффициента
h=ЕS
/ Еd =20 .
Коэффициент
m =
=
=0.0021
Для
I
находим
требуемую высоту :
см
В
опорном сечении
h0
=h - 0.5×l0×i = 1.606 -
0.5×21×1/15 = 0.906м
>
м, из
расчета по прочности на скалывание (см. вариант 1).
Принимаем
h0 =90.6 см, не изменяя средней высоты.
Уклон
при этом равен:
, что
находится в рекомендуемых пределах.
Положение
расчетного нормального сечения находим по
м .
Изгибающий
момент:
кН×м.
Высота
расчетного сечения
см.
Приведенные
геометрические характеристики расчетного сечения :
см4,
см3,
кН/см2
, что < Rи×Õmi =
1.5×0.8 = 1.2
кН/см2.
Допустимый
коэффициент
,
при
этом расстояние между связями в плоскости сжатой кромки должно быть не больше
см.
Принимаем
шаг lр =340 см по условию размещения.
Стержни
2 O20, А-|| располагаем в квадратных пазах со сторонами а=25мм на эпоксидном
клее ЭПЦ-1 или К-123 с наполнителем из древесной муки.
Проверяем
прочность на скалывание древесины по периметру клеевого шва. Предварительно
вычислим геометрические характеристики в опорном сечении. При этом
,
см4,
см3,
см,
кН/см2,
что
<
кН/см2
Прочность
на скалывание по клеевому шву обеспечена.
Проверяем
прочность опорной площадки на смятие древесины поперек волокон. По [1, табл.3]
для опорных узлов Rсм =3.0 МПа.
При
ширине опорной площадки b=17.5см требуемая длина ее
см.
Расчёт
опорного узла с вклееными поперечными стержнями
Расчётная
несущая способность одного стержня
,
Принимаю
стержень d=1.6 см ; ℓ-длина
заделки стержня =64 см
причём
ℓ≥10d и ℓ≥0,7h0
- учитывает
неравномерность
по длине
=1 при одном
стержне; 0,9-при двух ; 0,8- при трёх в ряд. Если 2 и 3 стержня расположены в 2
ряда,
уменьшается
на 0,1.
Рекомендуется
на опоре в 2 ряда с центральной прокладкой на сварке.
- на срез
независимо от сорта древесины.
Требуется
-длиной по
64 см. или 6стержней меньшей длины.
Проверяем
условие жесткости :
Где
;

см4,
4.
Проектирование дощатоклееных колонн поперечной рамы одноэтажного здания
4.1 Составление расчетной схемы двухшарнирной
поперечной рамы и определение усилий в колоннах
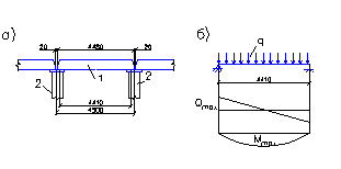
Схема поперечника показана на Рис. 5. Поперечное
сечение колонн принято bк = 17.5 см, hк = 80 см. Плиты
покрытия ребристые клеефанерные толщиной
15.6 см. Кровля рубероидная. Стены панельные
навесные толщиной 15.4 см, конструктивно подобны плитам покрытия.

Рис. 5. Расчетная схема поперечной рамы: а -
вертикальные нагрузки на поперечную раму; б - параметры ветрового давления; в -
статическая расчетная схема (основная система)
Расчетные нагрузки от собственной массы
конструкций:
- от плит покрытия с рулонной кровлей qп
= 0.471 кН/м2.
- от стропильных балок со связями qб
= 0.354 кН/м2.
- от стеновых панелей qст = 0.341
кН/м2.
Расчетная снеговая нагрузка pсн = 2,4
кН/м2.
Ветровой район строительства - IV.
Тип местности - C.
Расчетная схема поперечника представляет
двухшарнирную П-образную раму. Стойками рамы являются колонны, защемленные в
фундаментах, а ригель - - условно недеформируемая стропильная балка, шарнирно
опертая на колонны.
При подсчете расчетных нагрузок на раму используем
разрез и план здания. Шаг рам В = 4.5 м, свес карниза C = 1 м.
Постоянные нагрузки:
-от покрытия
кН;
-от
навесных стен
кН,
гдеhw = 1.262 м -
величина участка выше верха колонны;
-от
собственной массы со связями при
rm = 500 кг/м3
и gf = 1.3:
кН.
От
снега на покрытии:
кН.
Нормативное
ветровое давление на уровне земли для III ветрового района принимаем по [2,
табл. 5] w0 = 0.48 кН/м2.
На высоте Z от поверхности земли, согласно [2], ветровое давление вычисляется
по формуле:
wz = w0 × k,
где k - коэффициент, характеризующий изменение
ветрового давления на
высоте, принимаемый по [2, табл. 6].
Для местности типа C значение k и вычисление
соответствующих wz
приведены ниже :
Неравномерное ветровое давление wz
на участке высотою Нк заменяем эквивалентным равномерным wэк.
Допускается использовать при этом условие равенства площадей эпюр wz
и
wэк.
кН/2.
Расчетное
давление ветра на 1 п.м. вычисляем с участка стены шириной В с учетом
аэродинамических коэффициентов с:
,
где
gfw =1.4 -
коэффициент надежности по ветровой нагрузке по [2, п. 6.11];
В
= 4.5 м.
Значения
аэродинамических коэффициентов, соответствующие профилю поперечника (см. Рис.
5) находим по [2, прил. 4, схема 2]: с наветренной стороны се = 0.8,
с подветренной се3 = - 0.6. При этом:
с
наветренной стороны qw
= 0.192 × 0.8 × 1.4 × 4.5 = 0.968
кН/м;
с
подветренной q'w = - 0.192 × 0.4 × 1.4 × 4.5 = -
0.726 кН/м.
Ветровое
давление с участков стен, расположенных выше верха колонн:
c
наветренной стороны
W
= ((0.4015+0.42043)/2 )× 1.262× 0.8 × 1.4 × 4.5 = 2.614
кН;
с
подветренной
W'
= - 0.411 × 1.262 × 0.6 × 1.4 × 4.5 = -
1.96 кН.
Расчетная
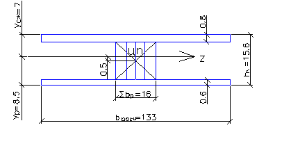
схема поперечника с усилием в лишней связи X1 показана на рис.8, в.
Вычисляем продольное усилие в стропильной балке:
;
кН.
Рис.
6. Расчетные схемы и расчетные усилия в колоннах.
Рассматриваем далее левую и правую стойки как
статически определимые и для каждой из них определяем усилия в расчетных
сечениях. Основными для расчета являются сечения в уровне низа и верха колонн.
Заметим при этом, что при изменении направления ветра на противоположное,
усилия в каждой из стоек станут также зеркальным отображением противоположной.
На рис.9 показаны обе схемы загружения и эпюры N и M.
Левая стойка:
- верх:
кН;
.
-
низ :
кН;
Правая
стойка:
-
верх: N п0 = 165.4 кН; M п0 = 0;
-
низ: N пmax = 190.7 кН;
Расчетные
усилия:
N0 =165.4 кН;
Nmax = 190.7 кН; Mmax = 63.364 кН×м.
4.2
Конструктивный расчет стержня колонны
Производим проверку сечения дощатоклееной
колонны (рис.8, а) из условий устойчивости в плоскости и из плоскости
поперечника. Сечение колонны
bк = 17.5 см, hк = 80 см.
Пиломатериал - сосновые доски 2-го сорта толщиной 33 мм. По [1, табл.3] Rс
= 15 МПа. Прикрепление к фундаменту выполнено с помощью анкерных болтов -
жесткое в плоскости поперечника и условно-шарнирное из плоскости.
Коэффициенты условий работы:
- для условий эксплуатации A3 по [1, табл.5], mв
= 0.9;
- для колонн с высотой сечения 80 см по [1,
табл.7], mб = 0.9;
- при толщине слоя досок в пакете 33 мм по [1,
табл.8], mсл = 1.0.
Коэффициент надежности по назначению для зданий
III класса gn
= 0.90.
4.2.1 Проверка устойчивости колонны в плоскости
поперечника
Предварительно вычисляем:
см2;
см3.
Расчетная
длина
lох
= 2.2×Hк
= 2.2 × 960 = 2112
см;
радиус
инерции
rх
= 0.289×hк
= 0.289 × 80 = 23.12
см;
гибкость
lх = lох
/ rх = 2112/23.12 = 91.349
что
удовлетворяет условию
lх < lmax = 120.
Вычисляем коэффициент продольного изгиба :
Вычисляем:
,
где
кН/см2.
Изгибающий
момент по деформированной схеме:
кН×м.
Проверяем
условие устойчивости:
кН/см2,
что
< Rc = 1.35 кН/см2.
Устойчивость в плоскости поперечника обеспечена.
4.2.2 Проверка устойчивости колонны из плоскости
поперечника
Предварительно определим jy
в предположении, что промежуточных связей нет:
Расчетная длина
lоy = Hк = 960 см;
радиус инерции
ry = 0.289×bк
= 0.289 ×
17.5 = 5.0575 см;
гибкость
ly = lоy /
ry = 960/5.0575 = 189.817.
Так как
ly = 189.817 > lmax
= 120,
то постановка промежуточных связей необходима.
Проверяем устойчивость при одной промежуточной
связи.
Гибкость
ly = 0.5 ×960/5.0575
= 94.909, что < lmax
= 120.
Вычисляем коэффициент продольного изгиба при l
> 70:
Проверяем условие устойчивости:
кН/см2,
что < Rc = 1.35 кН/см2.
Устойчивость из плоскости поперечника
обеспечена.
4.3 Расчет и конструирование узла крепления
колонны к фундаменту
Требуется спроектировать опорный узел
дощатоклееной колонны с металлическими траверсами по типу показанного на
рис.10.
Рис. 7. Узел соединения колонны с фундаментом: а
- конструкция узла; б - расчетная схема; 1 - фундаментные болты; 2 - траверсы;
3 - болты; 4 - вклеенные стержни; 5 - эпоксидная шпаклевка
Исходные данные: поперечное сечение колонны bк
х hк = 17.5 х 80 см. Доски из древесины сосны 2-го сорта толщиной 33
мм.
Определение расчетных усилий в плоскости
сопряжения с фундаментом.
кН×м;
кН.
Вычисляем
эксцентриситет:
м.
Так
как е = 1.325 м больше hк/6 = 0.80/6 = 0.133, то имеется отрывной
участок по плоскости сопряжения, следовательно, требуется расчет фундаментных
болтов и элементов траверс.
4.5
Расчет фундаментных болтов
Вычисляем максимальное и минимальное напряжения
в опорном сечении (см. Рис. 7, б):
кН/см2
smax = 0.52
кН/см2;
smin = - 0.42
кН/см2 - отрывной участок.
Определяем высоту сжатой зоны:
см.
Задаемся
dб = 20 мм и находим (см. рис.10, а):
а
= 0.5 × S2
+ S1 = 4.75 × dб
= 4.75 × 2.0 = 9.5
см;
см.
Принимаем
фундаментные болты из стали марки ВСт3 кп 2 по ГОСТ 535-88 (см. табл. 60 [5]) с
расчетным сопротивлением Ry = 185 МПа = 18,5 кН/см2.
Находим
требуемую площадь одного болта в нарезной части:
см2.
Принимаем
болт диаметром dан = 27 мм, которому соответствует
Fнт
= 4,59см2 > 4,06 см2.
Расстояние
между фундаментными болтами в плане (см. Рис. 7, а) получим с учетом принятых а
= 95 мм и dан = 27мм:
мм;
мм.
4.6
Расчет соединительных болтов
Расчетную несущую способность соединительных
(глухих) болтов для крепления траверс к колонне находим по формуле как
наименьшее из двух значений:
Тгл=0.5
× bк× dгл=
0.5 × 17.5 × 2 = 17,5
кН/шов.
Тгл
= 2,5× d2гл=2,5
× 22
= 10 кН/шов.
Определяем
количество болтов:
шт.
Принимаем
8 болтов, размещаем их в два ряда с шагом:
S1 ³ 7 × dб
= 7 ×
20 = 140 мм;
S2 ³ 3.5 × dб
= 3.5 ×
20 = 70 мм;
S3 ³ 3 × dб = 3 × 20 = 60 мм.
СПИСОК
ИСПОЛЬЗОВАННЫХ ИСТОЧНИКОВ
1.
СНиП
II-25-80. Деревянные
конструкции: Нормы проектирования /Госстрой СССЗ. - М.: Стройиздат, 1983. -31с.
2.
СНиП
2.01.07-85. Нагрузки и воздействия /Госстрой СССР. -М.: ЦИТП Госстроя СССР,
1986. -36 с.
3.
Зубарев
Г.Н. Конструкции из дерева и пластмассы: Учебное пособие для студентов вузов,
обучающихся по специальности "Промышленное и гражданское
строительство". - 2-е изд., перераб. и доп. - М.: Высшая школа, 1990. -287
с.
4.
Проектирование
и расчет деревянных конструкций: Справочник /Под ред. Н.М.Гриня. -К.:
Будивельник, 1988. -240 с.
5.
Рекомендации
по проектированию панельных конструкций с применением древесины и древесных
материалов для производственных зданий / ЦНИИСК им. Кучеренко. - М.:
Стройиздат, 1982. -12 с.
6.
Серия
1.265 - 1. Деревянные панели покрытий общественных зданий. Вып. 3./ ЦНИИЭП
учебных зданий. - М., 1979. - 28 с.
7.
ГОСТ
20850 - 84. Конструкции деревянные клееные. Общие технические условия.
8.
ГОСТ
24454 - 80 Е. Пиломатериалы хвойных пород. Размеры.
9.
СТ
СЭВ 4409 - 83. Единая система проектно-конструкторской документации СЭВ.
Чертежи строительные. Правило выполнения чертежей деревянных конструкций.