Экономическое содержание и генезис прямого налогообложения
Контрольная работа
«Моделирование
электрических цепей с нелинейными элементами»
Введение
Цель
работы:
приобретение навыков графического ввода, редактирования и анализа
принципиальных схем в среде Micro-CAP.
Выполнение
работы
1. Моделирование схем с
резистивным НЭ
Соберём схему с резистивным НЭ. (рис. 1)
Рис. 1
Выберем
модель диода 1S2460.
В режиме DC Analysis зададим параметры для первой варьируемой
переменной: Method – Auto, Name – V1, Range – 2. В качестве
независимой переменной укажем напряжение на аноде диода V(1), а в окне X Expression зададим переменную I(D1). Построим ВАХ. (график
1)
График 1
Зададим диапазон
измерения температуры –40…+70 С0 и включив линейную шкалу изменения
температуры, повторим моделирование в режиме DC. (график 2)
График 2
Заменим диод D1 в схеме на стабилитрон,
подсоединив его катодом к плюсу источника (встречное включение). В открывшемся
окне задания параметров моделирования диода установим, следующие значения: BV = 3 В, RS = 4 Ом. Построим ВАХ
стабилитрона, задав пределы изменения напряжения источника V1 в пределах 0…4 В. Измерить
напряжение стабилизации (пробоя). (график 3)
График 3
Соберём схему дифференцирующей
RC-цепи. Установим
следующие параметры генератора V1: амплитуда импульса – 10 В, начало переднего фронта – 0,1
мкс, длительность импульса TИ = 5R1C1, период повторения T = 2TИ. (рис. 2)
Рис. 2
В режиме Transient построим графики функций:
V(1), V(R1), V(3). (график 4)
График 4
Поменяем полярность включения диода и повторим
предыдущий пункт.
График 5
Соберём однопериодный
выпрямитель переменного тока (рис. 3), подключив к электрической цепи
генератор Sine Source. Выберем модель генератора – GENERAL и зададим следующие параметры для
моделирования:
F = 1 кГц; A =
10 В; DC =
0; PH = 0; RS = 1 Ом; RP = 0; TAU = 0.
Рис. 3
Построим графики V(1), V(R1) и I(D1), задав максимальное
время моделирования 10 мс. Измерим величину пульсаций выходного сигнала в конце
переходного процесса. (график 6)
График 6
Проведём многовариантный анализ схемы, задав
изменение величины резистора R1 в пределах 10…150 Ом с шагом 100 Ом. (график 7)
График 7
Соберём следующую схему (рис. 4)
Рис. 4
Проведём анализ схемы в режиме Transient, построив графики V(1), V(2), V(3) в одном графическом
окне, а график I(D2)
– в другом. (график 8)
График 8
Рис. 5
2.
Исследование
характеристик транзистора
Исследуем вольтамперную характеристику
транзистора, для чего соберём схему (рис. 6), установив следующие
параметры моделирования: I1 = 1 мА, V1 = 5 В. В качестве транзистора Q1 выбрав модель 2N2368.
Рис. 6
Включим режим DC и в строке Variable 1 зададим имя первой
варьируемой переменной – V1 с диапазоном изменения 0…5 В. Для второй переменной (Variable 1) укажем имя I1 с диапазоном изменения
0…5 мА и с шагом 0,5 мА. Установим линейный метод варьирования обеих
переменных. (график 9)
График 9
Соберём схему транзисторного усилителя (рис. 7).
В качестве источника входного сигнала V1 использован источник Sine Source, выберем модель
генератора – «1МГц» и зададим амплитуду синусоидального сигнала 0,1 В.
Рис. 7
Используя режим Transient построим графики
входного (V(V1)) и выходного (Vc(Q1)) напряжений. (график
10)
График 10
В режиме многовариантного анализа познакомимся с
работой усилителя, установив вариацию входного напряжения в диапазоне 0.1…0.6 В
с шагом 0.3 В. (график 11)
График 11
Построим амплитудно-частотную и фазочастотную
характеристики усилителя, установив в режиме AC диапазон изменения
частоты 1…100 МГц. (график 12)

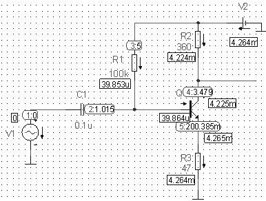
Проведём анализ режима схемы по постоянному току.
(рис. 8)
Рис. 8
Вывод
резистивный нелинейный частотный постоянный
На данной контрольной
работе мы приобрели навыки графического ввода, редактирования и анализа
принципиальных схем в режимах анализа переходных процессов (Transient), частотного
анализа (АС) и анализа в режиме постоянного тока (Dynamic DC. Познакомились с
характеристиками транзистора в среде программы MICRO-CAP.