Деньги их сущность и роль в общественном производстве
МІНІСТЕРСТВО ОСВІТИ І НАУКИ УКРАЇНИ
Національний університет “Львівська
політехніка”
Синтез та дослідження тригерних схем на
основі логічних елементів
Львів – 2010/11
1. Загальні положення
Функціональні вузли і пристрої комп’ютерної техніки
синтезуються на основі двох типів логічних схем: комбінаційних схем (КС - див.
лабораторні роботи №№ 2 - 7 – дисципліни “Комп’ютерна схемотехніка” ч.1) і
цифрових автоматів (ЦА).
Тригер, як типовий елемент цифрового автомата, - це
пристрій, що може знаходитись в одному з двох стійких станів і переходить з
одного стану в другий під дією зовнішніх сигналів. Зміна стану, як правило,
залежить не тільки від біжучих значень вхідних сигналів, але і від попереднього
стану тригера. Інформація про попередній стан, яка поступає з виходів тригера,
разом із зовнішніми сигналами керує його роботою. Тому тригери є пристроями із зворотними
логічними зв'язками і складаються з двох частин: елементу пам'яті (власне
тригера) і схеми управління, яка виконана, як правило, за допомогою
комбінаційної схеми. Схема управління перетворює інформацію, що поступає на її
входи хІ,х2,...,хm у комбінацію сигналів, які
діють на входи власне тригера.
Логічна функція, що встановлює залежність стану, в
який переходить тригер з біжучого стану при дії на нього заданих сигналів
управління, називається функцією переходів тригера. Функції переходів задаються
логічними формулами або у вигляді таблиць.
В таблиці містяться значення інформаційних та
синхросигналів на вході тригера, а також значення вихідних сигналів (внутрішніх
станів тригера) після закінчення дії синхросигналу.
Закон функціонування тригера може бути заданий і у
вигляді характеристичного рівняння логічної функції виду:
Qn+1=f(Qn, xin), і =1,2,…,m,(1)
де Qn+1 - стан тригера після
закінчення дії синхросигналу в момент tn+1;
Qn - стан тригера до приходу
синхросигналу;
xin - значення сигналу на
інформаційному вході в момент tn.
Між таблицею переходів і характеристичним рівнянням
існує взаємно однозначна відповідність, тобто від таблиці переходів зажди можна
перейти до характеристичного рівняння шляхом виводу СДНФ з таблиці.
По рівню вхідного сигналу тригери поділяються на
тригери з прямими входами (запис інформації відбувається рівнем "1")
та з інверсними входами (запис інформації відбувається рівнем "0") і
вхід відмічається знаком інверсії.
Крім того, тригери бувають одно- та двотактними. В
однотактних тригерах запис відбувається по передньому фронту сигналу запису, а
в двотактних - по задньому, тобто в момент закінчення дії сигналу запису.
В свою чергу, всі тригери поділяються на синхронні та
асинхронні. В асинхронних тригерах запис інформації відбувається в будь-який
момент часу, а в синхронних - тільки при наявності синхросигналу.
1.1 Асинхронні тригери
тригер сигнал пристрій інформація
Основним асинхронним елементом пам'яті служить RS-тригер
(на базі елементів «АБО-НІ» - прямі входи), зображений на рис.1. Тригером RS-типу
називається логічний пристрій з двома стійкими станами і двома інформаційними
входами R і S. При подачі сигналу запису “1” на вхід S (вхід встановлення) в тригер запишеться "1", тобто Q = 1, `Q = 0 (таблиця 1). При подачі
сигналу запису “1” на вхід R (вхід скидання) в тригер запишеться "0",
тобто Q = 0, `Q = 1. Одночасно подавати записи на входи - заборонено, оскільки після
закінчення їх дії тригер встановлюється в невизначений стан. Так як RS-тригер є
складовою частиною всіх інших тригерів, розглянемо більш детально основні
структурні схеми RS-тригерів. Асинхронний RS- тригер є найпростішим за структурою.
Він має тільки два логічних елементи (мінімальну кількість).

Рис. 1. Схема та умовне графічне позначення
асинхронного RS-тригера з прямими входами на елементах 2"АБО-НІ".
Таблиця 1. Стани асинхронного RS-тригера
на основі мікросхеми КІ55ЛА3.
|
ВХІД
|
ВИХІД
|
|
S
|
R
|
`S
|
`R
|
Qn+1
|
`Qn+1
|
|
0
|
0
|
1
|
1
|
Qn
|
`Qn
|
|
1
|
0
|
0
|
1
|
1
|
0
|
|
0
|
0
|
1
|
1
|
Qn (1)
|
`Qn (0)
|
|
0
|
1
|
1
|
0
|
0
|
1
|
|
0
|
0
|
1
|
1
|
Qn (0)
|
`Qn (1)
|
|
1
|
1
|
0
|
0
|
X
|
X
|
Даний тригер можна побудувати на елементах
("АБО-НІ"), "І-АБО-НІ" та інших, виходячи з його характеристичного
рівняння. На рис.1 і рис.4 відповідно приведено два варіанти реалізації
асинхронного RS-тригера на логічних елементах "АБО-НІ", "І-НІ".
RS-тригер – це є “власне” тригер, на входи якого поступають інформаційні сигнали.
При цьому на інформаційних входах RS - тригера,
виконано на елементах "АБО-НІ" (рис.1), діють сигнали S і R, рівень
яких відповідає "0" (тригер з прямими входами). Даний тригер
встановлюється в стан "1" ( Q = 1) сигналом S = 1 і в стан
"0" ( Q = 0 ) - сигналом R = 1 (тригер з прямими входами). Для нього
забороненою є комбінація сигналів R ^ S = 1, тобто
необхідно виключити одночасну появу двох одиниць на його входах.
1.2 Синхронні тригери
Важливу роль в цифрових пристроях відіграють RS-тригери
з синхронізуючими (тактовими) і інформаційними (програмуючими) входами (рис.5).
На відміну від асинхронного, даний тригер на кожному інформаційному вході має
додаткові схеми співпадіння, перші входи яких об'єднані і на них подаються
синхронізуючі сигнали. Другі входи схем співпадіння є інформаційними. Зміна
стану тригера можлива лише при наявності одиничного сигналу на синхронізуючому
вході С. При нульовому значенні цього сигналу інформація на управляючих входах
R і S не сприймається і тригер зберігає свій попередній стан. Таблиця переходів
асинхронного тригера (таблиця 3.) співпадає з таблицею переходів синхронного
тригера (таблиця 1.) при Сn = 1 -const.
Синхронні тригери окрім синхронізуючих входів, можуть
мати і асинхронні входи R i S.
Характеристичні рівняння синхронного RS-тригера мають
вигляд:
для прямих входів:
Qn+1 = Cn Sn
v Rn Qn v Cn Qn, (2)
для інверсних входів:
Qn+1 = Cn Sn
v Rn Qn v Cn Qn,
Підставивши Сn = 1 в рівняння (2), можна
отримати характеристичні рівняння для асинхронного триггера:
для прямих входів:
Qn+1= Sn v RnQn; (3)
для інверсних входів:
Qn+1= Sn v RnQn.
Крім RS-тригерів застосовуються ще три види
синхронних тригерів: JK, T і D- типів.
1.3 Тригери D-типу
Тригером D-типу називається логічний пристрій з
двома стійкими станами і одним інформаційним входом D. В D-тригерах
значення змінної в момент tn+1 співпадає із значенням вхідної
змінної в момент tn, тому тригер такого типу в літературі називають
тригером затримки.
Характеристичне рівняння D-тригеру має вид:
Qn+1=`CnQn v
CnDn (4)
З рівняння видно, що при наявності тактуючого сигналу
(с=1) тригер переходить в стан Qn+1=Dn, а при відсутності
тактуючого сигналу (с=0) тригер зберігає попередній стан.
На рис.6 представлений варіант реалізації однотактного
синхронного D-тригера, виконаного на елементах “І-НІ”. Вхід D-інформаційний,
вхід C-тактовий (синхронізуючий). При D=1 і С=1 на вході DD1.1 формується лог. рівень
“0”, який поступає на входи DD1.2 і DD1.3, здійснює встановлення тригера в стан
Q=1 і одночасно блокує включення DD1.2. При D=0 і C=1 вихід DD1.1 залишається
закритим (на виході DD1.1 рівень ‘1”), відкриється DD1.2 і рівень ‘0”
сформований на його виході, встановить тригер в стан Q=1 (Q=0). Таким чином,
при C=1 в тригер завжди записується інформація, що відповідає інформації на
вході (таблиця 5.).
1.4 Тригери T-типу
Тригери T-типу (лічильний тригер) називається
логічний пристрій, який має два стійких стани і один вхід Т, і змінює свій стан
на протилежний всякий раз, коли на вхід Т приходить управляючий сигнал.
Функціонування T-тригера описується наступним
характеристичним рівнянням:
Qn+1=`T * Qn v Tn *`Qn (5)
На рис.7 приведено варіант реалізації однотактного
синхронного T-тригера, виконаного на елементах "І-НІ".
Присутність на входах R і S взаємно протилежних сигналів дозволяє після приходу
тактового імпульсу на вхід С встановити на виходах наперед задану комбінацію
рівнів: Q=Н, Q=В і навпаки (таблиця 6).
1.5 Тригери JK-типу
Тригером JK-типу називається логічний пристрій,
який має два стійких стани і два інформаційних входи J та К, і змінює свій стан
на протилежний при JK-1, тобто при JK=1 Qn+1=Qn, а в усіх
інших випадках функціонує у відповідності з таблицею істинності синхронного
RS-тригера, при цьому вхід J еквівалентний входу S, а вхід К- входу R.
Характеристичне рівняння JK-тригера можна записати
наступним чином:
Qn+1 =`K Qn v 1n
`Qn (6)
На рис.2 приведено варіант реалізації однотактного
синхронного JK-тригера, виконаного на елементах "І-НІ". Тригер
JK-типу є найбільш універсальним. В його таблиці станів (таблиця 2.)
відсутня стрічка невизначеності. На основі JK-тригеру шляхом нескладних
зовнішніх комутаційних змін можна отримати схеми, які виконують функцій RS-,
D- i T-тригерів.
Для надійної і чіткої роботи тригерних комірок в багато
розрядних пристроях (регістрах, лічильниках) призначені двотактні тригери, які
називають master-slave, що перекладається як майстер-помічник.
Рис.2. Схема однотактного JK-тригера
на елементах 2"I-НІ".
Таблиця 2. Стани JK-тригера.
|
ВХІД
|
ВИХІД
|
|
J
|
K
|
C
|
Q
|
`Q
|
|
0
|
0
|
|
Без змін
|
|
0
|
1
|
|
0
|
1
|
|
1
|
0
|
|
1
|
0
|
|
1
|
1
|
|
Перемикання
|
2. Порядок виконання роботи
Ознайомилися з теоретичною частиною роботи,
лабораторним стендом і програмою
EWB.
Отримали від викладача елементи, необхідні для
виконання роботи - мікросхеми К155ЛА3, а також з’єднувальні провідники. Якщо для
дослідження використовуємо EWB, то п.п. 2.6 – 2.11 виконуємо на зарубіжних аналогах вказаних мікросхем
(див. Додаток).
Ознайомилися зі функціональною схемою та схемами
комутації мікросхеми К155ЛАЗ на стенді для виконання дослідів лабораторної
роботи (рис. 3 - 7).
Паспортні дані К155ЛА3: Uж = +5 В (±5%), Кзор = Коб = 10, U1вих
≥ 4 В, U0вих ≤ 0,1 В, Uпор = 1,5 В, І0вх = 0,8
мА.
а)
б)
Рис. 3 Мікросхеми К155ЛА3 (4ел.2”І-НІ”) а) - нумерація виводів К155ЛА3 і К155ТМ2; б) - функціональна
схема К155ЛА3.
При роботі в статичному режимі для контролю станів
тригера до виходів підключили індикаторні світлодіоди (свічення світлодіода
означає стан "1"). Для запуску тригера по входах R i S використовували
тумблерні регістри, по входу С - формувач одиночних імпульсів додатної полярності.
Для дослідження D-тригерів і JK-тригерів на інформаційні входи
подавати сигнали з тумблерних регістрів, а на входи С – з формувача одиночних
сигналів додатної полярності.
Зібрали схему асинхронного RS-тригера на
елементах 2"I-НІ". Дослідили його в статичному режимі і склали
таблицю станів.
б)
Таблиця 3. Стани асинхронного RS-тригера на
основі мікросхеми КІ55ЛА3 (4ел.-2"I-НІ")
|
ВХІД
|
ВИХІД
|
|
S
|
R
|
`S
|
`R
|
Qn+1
|
`Qn+1
|
|
0
|
0
|
1
|
1
|
Qn
|
`Qn
|
|
1
|
0
|
0
|
1
|
1
|
0
|
|
0
|
0
|
1
|
1
|
Qn (1)
|
`Qn (0)
|
|
0
|
1
|
1
|
0
|
0
|
1
|
|
0
|
0
|
1
|
1
|
Qn (0)
|
`Qn (1)
|
|
1
|
1
|
0
|
0
|
X
|
X
|
Зібрали синхронний RS-тригер на елементах 2"І-НІ".
Дослідили його в статичному режимі і склали таблицю станів.
Рис. 5. Схема (а) і умовне графічне
позначення (б) синхронного RS-тригера з прямими R і S входами.
Таблиця 4. Стани синхронного
RS-тригера на основі мікросхеми КІ55ЛА3 (4ел.-2"I-НІ")
|
ВХІД
|
ВИХІД
|
|
С
|
S
|
R
|
`S
|
`R
|
Qn+1
|
`Qn+1
|
|
0
|
0
|
0
|
1
|
1
|
Qn
|
`Qn
|
|
0
|
1
|
0
|
0
|
1
|
`Qn
|
|
0
|
0
|
1
|
1
|
0
|
Qn
|
`Qn
|
|
0
|
1
|
1
|
0
|
0
|
Qn
|
`Qn
|
|
1
|
0
|
0
|
1
|
1
|
Qn
|
`Qn
|
|
1
|
1
|
0
|
0
|
1
|
1
|
0
|
|
1
|
0
|
0
|
1
|
1
|
Qn (1)
|
`Qn (0)
|
|
1
|
0
|
1
|
1
|
0
|
0
|
1
|
|
1
|
0
|
0
|
1
|
1
|
Qn (0)
|
`Qn (1)
|
|
1
|
1
|
1
|
0
|
0
|
X
|
X
|
Зібрали синхронний D-тригер на елементах 2"І-НІ".
Дослідили його в статичному режимі і склали таблицю переходів.
Рис.6. Схема (а) і умовне графічне
позначення (б) D-тригера.
Таблиця 5. Стани D-тригера на основі
мікросхеми КІ55ЛА3 (4ел.-2"I-НІ")
|
ВХІД
|
ВИХІД
|
|
С
|
D
|
Qn+1
|
`Qn+1
|
|
0
|
0
|
Qn
|
|
0
|
1
|
Qn
|
`Qn
|
|
1
|
0
|
0
|
1
|
|
1
|
1
|
1
|
0
|
Зібрали Т-тригер на елементах 2"І-НІ". Дослідили
його в статичному режимі і склали таблицю переходів. На вхід сигнал подавали
через RC-ланку, що забезпечило короткий за тривалістю вхідний імпульс.
Рис.7. Схема однотактного Т-тригера.
Таблиця 6. Стани Т-тригера на основі
мікросхеми КІ55ЛА3 (4 - 2"I-НІ")
|
ВХІД
|
ВИХІД
|
|
С
|
Qn+1
|
`Qn+1
|
|
0
|
Qn (1)
|
` Qn (0)
|
|
1
|
0
|
1
|
|
0
|
0
|
1
|
|
1
|
1
|
0
|
|
0
|
1
|
0
|
Висновок
В даній лабораторній роботі ми ознайомились з будовою
тригерів, їх синтезом на основі логічних ІMС та дослідили роботу тригерів,
побудованих на основі логічних ІMС.
Література
Бабич М.П. і ін. Комп’ютерна схемотехніка. “МК-Прес”, Київ, 2004
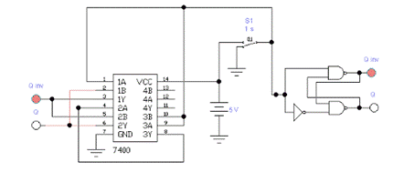
Додаток
Схеми дослідження тригерів засобом моделюючої програми
EWB
Рис.1. Дослідження асинхронного RS і D тригерів – статика (ІМС 7400 –
аналог К155ЛА3).
Рис.2. Дослідження асинхронного RS і D тригерів – динаміка (ІМС 7400 –
аналог К155ЛА3).