Регулирование рынка труда в индустриальных странах
Мiністерство
освiти та науки України
Нацiональний
унiверситет "Львiвська Полiтехнiка"
Кафедра
САПР
Пояснювальна
записка
До курсової
роботи
з
курсу "Комп’ютери та мікропроцесорні системи"
ПРИСТРІЙ
МІКРОПРОЦЕСОРНОЇ ОБРОБКИ АНАЛОГОВОЇ ІНФОРМАЦІЇ
Керiвник:Теслюк
В.М.Виконав:
Cтудент: Зелінський
Андрій Я.
Прийняв
Панчак Р.Т.
ЛЬВІВ
-2005
Завдання на
курсовий проект студента
Тема проекту:
“Пристрій мікропроцесорної обробки аналогової інформації”
Постановка
задачі: Розробити компоненти технічного і програмного забезпечення
мікропроцесорного пристрою на базі МП КР580ВМ80, який включає
аналогово-цифровий і цифро-аналоговий перетворювачі і виконує функцію цифрової
обробки аналогової інформації. Обробка описується заданим
пропорційно-інтегро-диференціальним рівнянням, що пов’язує аналогові сигнали
x(t) на вході і y(t) на виході системи.
Визначення
варіантів індивідуального завдання:
Номер залікової
книжки студента: 0308356
·
Для
таблиці 1 (k=20) порядковий номер варіанта буде:
L1={([56/20]+{
56/20})/20}+1=18+1=19;
·
Для таблиці
2 (k=3) порядковий номер варіанта буде:
L2={([56/3]+{
56/3})/3}+1=2+1=3;
·
Для
таблиці 3 (k=2) порядковий номер варіанта буде:
L3={([56/2]+{
56/2})/2}+1=0+1=1;
·
Для
таблиці 4 (k=17) порядковий номер варіанта буде:
L4={([56/17]+{
56/17})/17}+1=8+1=9;
Для таблиці 5
(k=14) порядковий номер варіанта буде:
L5={([56/14]+{
56/14})/14}+1=4+1=5;
·
Для
таблиці 6 (k=11) порядковий номер варіанта буде:
L6={([56/11]+{
56/11})/11}+1=6+1=7;
Початкові дані
·
функціональна
залежність:
·
розрядність
АЦП - 10;
·
полярність
вхідного сигналу: однополярний(невід’ємні);
·
організація
обміну з АЦП - через переривання з RST6 використовуючи режим 1 роботи контролера
КР580ВВ55;
·
об’єм ОЗП
і організація мікросхеми пам’яті – 8K використовуючи мікросхеми пам’яті з
організацією 4096x1
·
вид
функціонального вузла: постійний запам’ятовуючий пристрій
Анотація
Зелінський Андрій
Ярославович
“Пристрій
мікропроцесорної обробки аналогової інформації”. Курсова робота. - НУ
“Львівська політехніка”, каф.: САПР, дисципліна: “Комп’ютери і мікропроцесорні
системи”, 2005.
Кусова робота
складається з 37 сторінок, 10 таблиць, 21 схем, 2 додатків.
В даній курсовій
роботі розроблено компоненти апаратного і програмного забезпечення
мікропроцесорного пристрою, який включає аналого- і цифро-аналогові
перетворювачі і виконує обробку за функціональною залежністю
аналогового сигналу. Дана робота
охоплює ввід і первинну обробку аналогової інформації, подальшу цифрову обробку
інформації за програмою і вхідними даними, а також вивід обробленої інформації
в аналоговій формі для подальшого використання.
програмний
мікропроцесорний перетворювач фільтр
Зміст
Перелік умовних скорочень
Вступ
1. Синтез аналогової схеми фільтру
1.1 Виведення рівняння цифрового
фільтра
1.2 Побудова структурної схеми
апаратної реалізації цифрового фільтра
1.3 Побудова аналогової схеми, що
описується даним рівнянням
2. Вибір та обгрунтування типу АЦП і
ЦАП
2.1 Вибір типу АЦП та принципова
схема підключення АЦП до МПП
2.2 Вибір типу ЦАП та принципова
схема підключення ЦАП до МПП
2.3 Структура представлення даних
3. Структурна схема та алгоритм
функціонування МПП
3.1 Опис структурної схеми МПП
3.2 Розподіл адресного простору
3.3 Алгоритм функціонування МПП
4. Загальна структура програми роботи
МПП
4.1 Опис програми вводу, виводу
4.2 Опис програми обробки інформації
4.3 Оцінка верхньої фінітної частоти
вхідного аналогового сигналу
5. Реалізація блоку ОЗП для МПС розміром
8К на елементах 4096x1
6. Опис постійних запам’ятовуючих
пристроїв
Висновок
Список літератури
Перелік умовних
скорочень
МПП – мікропроцесорний
пристрій;
МПС –
мікропроцесорна система;
МП –
мікропроцесор;
ГТІ – генератор
тактових імпульсів;
ПЗП – постійний
запам’ятовуючий пристрій;
ППЗП –
програмований постійний запам’ятовуючий пристрій;
ЕППЗП- електрично
програмований постійний запам’ятовуючий пристрій;
ОЗП – оперативний
запам’ятовуючий пристрій;
АД – адресний
дешифратор
СК – системний
контролер;
АЦП –
аналогово-цифровий перетворювач;
ЦАП –
цифро-аналоговий перетворювач;
СШ – системна
шина.
ШД – шина даних;
ША – шина адрес;
ШК – шина керування.
РШ – розрядна
шина
Вступ
Цифрові фільтри є найбільш
поширеним елементом систем цифрової обробки сигналів. Порівняно невисока
швидкодія багатьох мікропроцесорних комплектів ВІС і послідовний принцип
обробки інформації в мікро-ЕОМ обмежеють їх застосування для реалізації
цифрових фільтрів в реальному масштабі часу. Збільшення продуктивності та
швидкодії мікропроцесорних пристроїв цифрової обробки сигналів потребує
додаткових апаратних ресурсів. У багатьох системах цифрова фільтрація являється
лише частиною складного комплексу задач обробки інформації і додаткові апаратні
затрати недоцільні. Тоді буває корисним застосування табличних способів
представлення алгоритмів, які зменшують час обробки за рахунок збільшення
програмних ресурсів
Цифрові фільтри
мають ряд переваг порівняно з аналоговими, побудованими на резисторах,
конденсаторах та підсилювачах:
1. Нечутливість характеристик
фільтра до розкиду параметрів елементів, що входять до його складу, їх часовому
і температурному дрейфам.
2. Малі розміри та висока
надійність роботи фільтра, пов’язані з використанням ВІС.
3. Легкість зміни параметрів і
характеристик цифрового фільтра, що при використанні МП здійснюється
модифікацією програмного забезпечення або таблиць коефіцієнтів.
4. Можливість реалізації
адаптивних фільтрів, тобто фільтрів з параметрами, що змінюються в процесі
роботи.
На нинішній час
важко назвати області і сфери людської діяльності, де б не застосовувались
мікропроцесорні системи. Основними з них є: науково-технічні розрахунки, автоматизовані
системи управління виробництвом, обробка даних і зв’язок, системи автоматизації
наукових експериментів, системи автоматизації проектування.
В даній роботі
розробляється мікропроцесорний пристрій системи автоматичного регулювання на
базі МПК К580, який здійснює прийом, обробку і видачу сигналів.
1. Побудова аналогової схеми, що
описується даним рівнянням
На основі
вихідного рівняння будуємо аналогову схему цифрового фільтру з використанням
операційних підсилювачів.
Прості
функціональні залежності на ОП.
Побудова
аналоговой схеми фільтру на операційному підсилювачі:
Задана
функціональна залежність:
x(t) – вхідний
аналоговий сигнал;
y(t) – вихідний
аналоговий сигнал;
w – частота;





Схема 1.1
Функціональна схема аналогового фільтру
На основі схеми
1:
2. Синтез
структурної схеми фільтру
Виведення
рівняння цифрового фільтра
Задана
функціональна залежність:
Для часової
дискретизації використаємо наближені рівності

.
При підстановці
цих величин у вихідне рівняння одержимо:
Винесемо за дужки
спільні множники:
Виконаємо заміну
:
Нехай
,
,
Тоді остаточно
рівняння цифрового фільтру набуде вигляду:
Отже, фільтр є
рекурсивним, оскільки в правій частині рівняння присутні члени виду
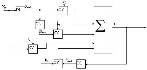
Побудова
структурної схеми апаратної реалізації цифрового фільтра
Схема 2.1
Структурна схема реалізації рівняння цифрового фільтра, де: DL – елемент
затримки, ХY – елемент множення, ∑ – суматор
2. Вибір та
обгрунтування типу АЦП і ЦАП
2.1 Вибір типу
АЦП
У відповідності з
умовами даної роботи для цифрового фільтру потрібно використати 12-розрядний
АЦП і 16-розрядний ЦАП.
При розгляді ЦАП
і АЦП мають місце наступні критерії:
1) Час перетворення.
2) Похибка перетворення.
3) Складність застосування.
4) Поширеність.
В якості мікросхеми АЦП з 12-розрядним вихідним
сигналом для даного цифрового фільтра виберемо 12-розрядний АЦП К572ПВ1А, що
має наступні характеристики:
|
Розрядність
|
12
|
|
Час
перетворення, мкс.
|
170
|
|
Вхідна
напруга, В
|
5
|
Напівпровідникова
ВІС функціонально завершеного АЦП призначена для використання в електронній
апаратурі в складі блоків аналогового вводу.Мікросхема виконує функцію 12-розрядного
аналого-цифрового перетворення однополярного і біполярного вхідного сигналу з
представленням результатів перетворення в паралельному двійковому коді. Мікросхема
випускається у 48-вивідному металкерамічному герметичному корпусі типу 4434.48-2
з вертикальним розміщенням виводів.
Позначення АЦП АЦП К572ПВ1А на схемі електричній
принциповій
Призначення
виводів мікросхеми К572ПВ1А:
|
Виводи
|
Призначення
|
|
1
|
Послідовний вхід
|
|
2
|
Вхід управління СР
|
|
3
|
+5В
|
|
4-15
|
D0-D11
|
|
16
|
Вхід управління МР
|
|
17
|
Вхід управління режимом
|
|
22
|
Вихід “Цикл”
|
|
23
|
Вхід порівняння
|
|
24
|
-15В
|
|
25
|
Вхід ТІ
|
|
26
|
Вихід “Кінець перетворення”
|
|
27
|
Вхід “Запуск”
|
|
28
|
Вхід “Цикл”
|
|
29
|
Вхід стробування ЦАП
|
|
30
|
Цифрова земля
|
|
31
|
Кінцевий вивід матриці R-2R
|
|
32
|
Спільний вивід резисторів 1,2
|
|
40
|
Вивід регістра 1
|
|
41
|
Вивід регістра 2
|
|
42
|
Опорне навантаження
|
|
43
|
Аналоговий вхід 1
|
|
44
|
Аналоговий вхід 2
|
|
45
|
Спільний вивід резисторів аналогових вх. 1,2
|
|
46
|
Аналоговий вихід 1
|
|
47
|
Аналоговий вихід 2
|
|
48
|
Анагогова земля
|
Встановлення АЦП
у вихідний стан і запуск його в режим перетворення здійснюється з допомогою входу
“гашення/перетворення”. При поступанні на вхід “гашення/перетворення” рівня
логічного нуля АЦП починає перетворення вхідної інформації. Через час,
необхідний для перетворення на виході АЦП “готовність даних” з’являється сигнал
з рівнем логічної одиниці, що сигналізує про готовність виводу даних з АЦП в
МПП. МПП, прийнявши дані, встановлює на вході “гашення/перетворення” рівень
логічної одиниці, що “гасить” інформацію, що є в регістрі послідовного
наближення, і АЦП знову готовий до прийому, опрацювання вхідних даних
Запуск АЦП
здійснюється видачею 0 в розряд C7 (сигнал “гашення/перетворення”) каналу С
ППІ.Оскільки згідно умови мені необхідно використати режим 1 роботи ППІ , то в
складі МПП потрібно використати 2 мікросхеми ППІ, причому одну з них запрограмувати
на ввід через канали А та В , а другу – на вивід. Запуск АЦП будемо здійснювати
з використанням порта С 1-шої ППІ. По закінченні перетворення на вході
“готовніть даних” з’являється сигнал логічна “1”, який подається на вхід
розряду С2 каналу С ППІ .
Часова діаграма
роботи АЦП К572ПВ1А
Принципова схема
підключення АЦП до МПП
2.2 Вибір типу
ЦАП
При аналізі
коефіцієнтів рівняння цифрового фільтру виявилося, що розрядність Yn може зрости
, більш детально це пояснено у пункті структури представлення даних. Отже, нам
потрібен 14-розрядний ЦАП з високою швидкодією та функціональною завершеністю.
В якості
мікросхеми ЦАП для даного цифрового фільтру з чотирнадцятирозрядним вихідним
сигналом можна вибрати 14 – розрядний ЦАП К427ПА1. К427ПА1 має наступні
характеристиками :
|
Розрядність
|
14
|
|
Час перетворення, мкс.
|
30
|
|
Кількість виводів
|
40
|
Позначення ЦАП
К572ПА1 на схемі принциповій електричній
2.3 Структура
представлення даних
Рівняння
цифрового фільтру має вигляд:
Причому
,
,
,
припустимо що
Тоді
.
Розглянемо
При аналізі
коефіцієнтів вважатимемо що
є малою величиною.
З отриманої
рівності видно , що ми не моженмо однозначно визначити чи коефіцієнт буде >1
чи <1, а отже не можем визначити чи збільшится розрядність вихідних даних.
Отже нам потрібно взяти ЦАП з більшою розрядністю ніж АЦП для того щоб не
втратити дані.
Вхідні дані
представляємо як беззнакові дані, коефіцієнти і вихідні дані ми можемо отримати
зі знаком, тобу старший біт відведемо для представлення знаку.
Структура
представлення даних буде наступною:
а0
– 1 байт
а1
– 1 байт
а1
– 1 байт
b0
– 1 байт
Yn
– 2 байти
Yn-1
– 2 байти
Xn
– 2 байти
Xn-1
– 2 байти
Xn-2
– 2 байти
3. Структурна
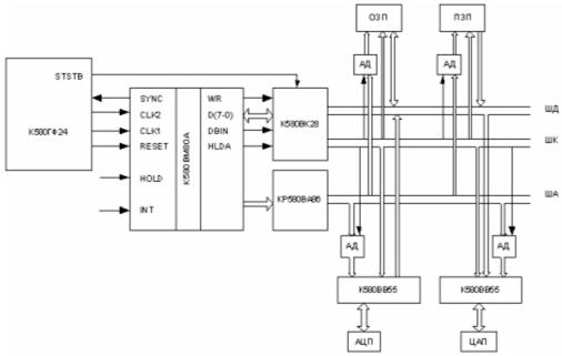
схема та алгоритм функціонування МПП
3.1 Опис
структурної схеми МПП
Системна шина складається
з трьох окремих шин: шини даних, шини адрес і шини керування. Лінії СШ
характеризуються спрямованістю.Спрямованість визначається по тому, який з
пристроїв є визначальним за рівнем сигналу.
ШД -
двоспрямована;
ША -
односпрямована;
ШК - набір
окремих ліній, що мають свій напрям.
За рахунок того,
що виводи всіх компонент МП - пристрою під’єднані до СШ, вони повинні мати крім
станів, що забезпечують логічний нуль чи одиничку на виході, третій стан, стан
з високим вихідним опором — високоімпендансний стан.
Кожна мікросхема, яка адресується в МПП пі’єднана до ША через адресний
дешифратор (АД).
Мікропроцесор -
центральний пристрій мікропоцесорної системи (МПС). Мікропроцесор в складі
даного МПП виконує наступні функції: формує адреси команд,видає команди з
пам’яті, їх дешифрує, видає для них команди, потрібні адреси, виконує над ними
операції, при необхідності записує результат в пам’ять, формує керуючі сигнали
для обміну, реагує на можливі зовнішні сигнали.
Тактовий
генератор призначений для формування синхроімпульсів для роботи МП і інших
пристройв МПС. Синхроімпульси мають амплітуду 12B, але відрізняються один від
одного щільністю і зсунуті. Крім того, мікросхема КР580ГФ24, яка виконує
функцію ГТІ, приймає участь в прийомі та видачі керуючих сигналів СШ.
ПЗП
служить для постійного зберігання потрібних даних і програм. У випадку даного
цифрового фільтру він зберігає програму, за якою працює цифровий фільтр, а
також постійні коефіціенти (a0, a1, bo).
ОЗП
служить для тимчасового зберігання інформації, потрібної для розрахунків.
Системний
контролер К580ВК28 призначений для формування сигналів керування, які
формуються процесором (MEMP, MEMW,IOR, IOW, INTA).
Шинний
формувач К580ВА86 використовується для підвищення навантажувальної здатності
шини адрес, до якої під’єднані майже всі компоненти МПП.
Дві
мікросхеми ППІ К580ВВ55 в даному МПП служать для обміну інформацією з
зовнішніми пристроями АЦП і ЦАП.
3.2 Розподіл
адресного простору
В адресний
простір МП КР580ВМ80 входить 64К адрес пам’яті (216), що
визначається 16 - розрядною адресною шиною. Мікропроцесор КР580ВМ80 може
здійснювати синхронний і асинхронний обмін інформацією за даними адресами з
пам’ятю (ПЗП, ОЗП) та зовнішніми пристроями. При обробці інформації МП зчитує
коди команд, операнди і записує одержаний вміст в регістри РЗК або виконує
обмін інформації з пам’ятю та зовнішніми пристроями.
Організація
звертання до пристроїв обміну іеформації буде реалізована у вигляді роздільного
керування пам’ятю і зовнішніми пристроями. Лиш тільки дві команди IN і OUT, в
цьому випадку, призначені для обміну інформації з зовнішніми пристроями. Так,
як для цих команд адрес для зовнішнього пристрою 8-ми розрядний, то МП
КР580ВМ80 може звертатись до 256 пристроїв воду і 256 пристроїв виводу. При
цьому адресний простір пам’яті буде максимальним (64К).
Опишемо
розміщення коефіцієнтів та змінних в адресному просторі
|
Адреса
в пам’яті
|
Назва
параметра
|
Тип
пам’яті
|
|
0000h
|
RST
0
|
ПЗП
|
|
0008h
|
RST
1
|
|
|
0010h
|
RST
2
|
|
|
0018h
|
RST
3
|
|
|
0020h
|
RST
4
|
|
|
0028h
|
RST
5
|
|
|
0030h
|
RST
6
|
|
|
0038h
|
RST
7
|
|
|
500h
|
SP
|
ОЗП
|
|
501h
|
а0
|
|
|
502h
|
а1
|
|
|
503h
|
а2
|
|
|
504h
|
b0
|
|
|
512h
|
Xn-2
|
|
|
514h
|
Xn-1
|
|
|
516h
|
Xn
|
|
|
518h
|
Yn-1
|
|
|
520h
|
Yn
|
|
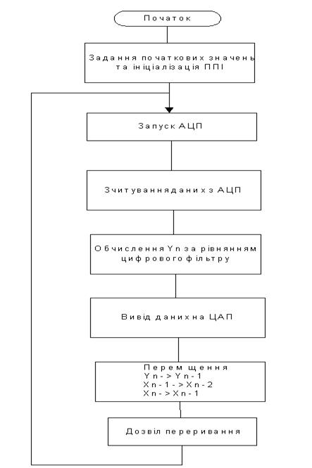
3.3 Алгоритм
функціонування МПП
Як відомо, ввід
інформації від АЦП може здійснюватися одним з двох способів:
1) програмним опитуванням, при
якому ініціатором обміну є мікропроцесор, періодично опитуючи готовність даних;
2) режимі переривань, при якому
готовність даних формує сигнал переривання для МП, в результаті чого МП
переходить на підпрограму обробки переривання (ввід інформації від АЦП).
Реалізація
переривання можлива або з використанням команди RST N, або з використанням
контролера переривань КР580ВН59. В двійковій формі команда RST N має вигляд:
1 1 К2
К1 К0 1 1 1
де К2
К1 К0 - двійковий код числа N.
При використанні
цієї команди за сигналом «Готовність даних» від АЦП на шині даних повинен бути
сформований код команди RST N. Цю команду можна легко згенерувати – розряди,
які дорівнюють 1, отримуються підключенням лінії даних через резистор до +5 В,
а код К2К1К0 можна отримати від шифратора на 3
лінії з 8.
Після того, як
сигнал «Готовність даних» поступає на вхід синхронізації тригера відбувається
перехід від “0” до “1” і дані з входу D (“1”) передаються на вихід Q, який
з’єднаний з виводом запиту переривання INT мікропроцесора. Очевидно, що ця
зміна відбувається коди на вході “R” (виводі INTE) сигнал має рівень “1”, тобто
переривання дозволено. Після цього мікропроцесор переходить до підпрограми
обробки переривання, яка зчитує дані з портів ППІ і заносить їх в пам’ять
попередньо заборонивши переривання. По завершенню роботи підпрограми обробки
переривання мікропроцесор повертається до виконання головної програми, в які
опрацьовуються дані зчитані обробником переривання.Потім результат записується
в пам’ять і в порти виводу на ЦАП, в кінці програми дані підготовлюються для
наступного повторення операцій, тобто на місце Xn-1 записується Xn, на місце
Xn-2 записується Xn-1, на місце Yn-1 Записується Yn.
Блок-схема
алгоритму функціонування МПС
Блок-схема
підпрограми обробки переривань
4. Загальна
структура програми роботи МПП
4.1 Опис програми
вводу, виводу
В даній схемі
використуваються два контроллери КР580ВВ55 (ППІ) з наступними адресами:
|
Перша
ППІ (підключена до АЦП)
|
Друга
ППІ (підключена до ЦАП)
|
|
Порт
А
|
80h
|
Порт
А
|
90h
|
81h
|
Порт
B
|
91h
|
|
Порт
C
|
82h
|
Порт
C
|
92h
|
|
РКС
|
83h
|
РКС
|
93h
|
Для запуску АЦП
(сигнал Гашення/Перетворення) будемо використовувати розряд C0 каналу С.
Ввід-вивід
інформації буде здійснюватися в режимі 1 роботи ППІ через канал А та В.
Спочатку треба
ініціалізувати дві ППІ для цього виконуємо
|
1
|
0
|
1
|
1
|
1
|
1
|
1
|
0
|
MVIA,10111110B;
запрограмували режим 1 для портів А та В на ввід.
OUT083H
MVIA,10101100B
OUT093H;запрограмували
режим 1 для портів 2-ої ППІ на вивід
Щоб запустити АЦП
необхідно використати слово маніпуляції біта, в якому в розрядах D3-D1
задається номер біта порта С, а в розряді D0 – значення яке необхідно туди
записати.Ознакою слова маніпуляції біта є нуль в найстаршому розряді, розряди
D6-D4 – не використовуються для слова маніпуляції біта.
Тепер запускаємо
АЦП
MVIA,00000000B;встановити
в „0” старший розряд каналу С
OUT083H
MVIA,00000001B;
встановити в „1” старший розряд каналу С
OUT083H
Після того як АЦП
перетворить вхідний сигнал у 12-розрядний двійковий код буде сформовано сигнал
„Готовність даних” який через тригер встановить сигнал INT=1, аце означає що
почне виконуватися обробник переривання, код якого через буферний регістр буде
виставлений на шину даних . Програма обробки переривання запише дані з портів А
і В ППІ у комірки пам’яті і керування повернеться до головної програми.
Текст програми
обробки переривання:
IRQ:
DI;заборона
переривань, щоб цей обробник не був перерваний
PUSHB
PUSHD
PUSHH
PUSHPSW
IN80H; зчитуємо з
порта А в акумулятор
STA516H;
записуємо у пам’ять молодший байт Xn
IN81H; зчитуємо з
порта В в акумулятор
ANI0FH; виділяємо
4 молодші біти з каналу В які є 9 ,10,11 i 12 розрядом Xn
STA517H;записуємо
у пам’ять старший байт Xn
POPPSW
POPB
POPD
POPH
IRET
Програма виводу
інформації на ЦАП буде викликатись в кінці кожного циклу обчислення Yn і її
текст виглядає так :
VYVID:
LDA520H;
завантажуємо в акумулятор молодший байт результату
OUT90H; виводимо
в канал А
LDA521H;
завантажуємо в акумулятор старший байт результату
ANI3FH;обнулення
14 і 15 бітів
OUT91H; виводимо
в канал В
RET
4.2 Опис програми
обробки інформації
Програма обробки
інформації влючає в себе підпрограми множення 8-розрядного числа на
16-розрядне, підпрограму сумування добутків, що розміщені у стеку.
Підпрограма
множення двобайтового числа на однобайтове без знаку.
Вхідні дані: регістр
DE – множене; акумулятор A - множник.
Результати:
регістри A,H,L- добуток (A – старші розряди; L - молодші).
Підпрограма
використовує регістр C.
DMULT: LXI H,0
MVI D,0
MVI C,8
Z1: DAD H
RLC
JNC Z2
DAD D
Z2: DCR C
JNZ Z1
RET
Підпрограма
сумування 16-розрядних чисел розміщених у стеку
Вхідні дані:
вказівник стеку
Результати:
регістри H,L
SUM:
POPB;зберігаємо
адресу повернення з підпрограми
POPH;витягуємо зі
стеку a0*Хn-1
POPD; витягуємо
зі стеку b2*Xn-2
DADD; додаємо b0*Хn-1
+ a2*Xn-2
POPD;витягуємо a1*Xn-1
DADD; додаємо b0*Хn-1
+ a2*Xn-2+ a1*Xn-1
POPD; витягуємо a0*Xn
DADD; додаємо b0*Хn-1
+ a2*Xn-2+ a1*Xn-1+ a0*
Xn
JNC M1
MOVA,H
RAR
MOVH,AЗсовуємо
результат додавання на 1 розряд вправо якщо
MOVA,Lвиник
перенос при додаванні
RAR
MOVL,A
M1:
MOVA,H
STC
CMC
RAR
MOVH,A
MOVA,LЗсув
результату на 2 розряди вправо
RARдля утворення
даних, що прередаватимуться
MOVL,Aна ЦАП
STC
CMC
RAR
MOVH,A
MOVA,L
RAR
MOVL,A
PUSHB;
відновлюємо адресу повернення
RET
Текст головної
програми цифрової обробки інформації
ORG100H
MVIA,a0
STA501H
MVIA,a1
STA502H
MVIA,a2
STA503H
MVIA,b0
STA504H
LXIH,0
SHLD512H
SHLD514H
SHLD516H
SHLD518H
SHLD520H
LXISP,500H
MVIA,10111110B
OUT083H
MVIA,10101100Bініціалізація
двох ППІ
OUT093H
START:
MVIA,00000000B
OUT82H
MVIA,00000001Bзапуск
АЦП
OUT82H
LDA501H
LHLD516H
XCHG
CALL DMULT
MOVL,H
MOVH,A
PUSHH; зберігаємо
у стеку результат множення a0* Хn
LDA502H
LHLD514H
XCHG
CALL DMULT
MOVL,H
MOVH,A
PUSHH; зберігаємо
у стеку результат множення a1* Хn-1
LDA503H
LHLD512H
XCHG
CALL DMULT
MOVL,H
MOVH,A
PUSHH; зберігаємо
у стеку результат множення a2* Хn-3
LDA504H
LHLD518H
XCHG
CALL DMULT
MOVL,H
MOVH,A
PUSHH; зберігаємо
у стеку результат множення b0* Yn-1
CALLSUM
SHLD520H;
записуємо Yn у пам’ять
CALLVYVID
LHLD520H; тоді
зсув параметрів у пам’яті Yn->Yn-1
SHLD518H
LHLD514H; Xn-1
-> Xn-2
SHLD512H
LHLD516H; Xn
-> Xn-1
SHLD514H
EI; дозвіл
переривання
HLT; зупинка
процесора поки не викличеться підпрограма обробки
; переривання і
запише нове Xn
JMPSTART
4.3 Оцінка
верхньої фінітної частоти вхідного аналогового сигналу
Кількість тактів, за які виконується програма, зведені в
таблицю:
Таблиця
|
Назва програми
|
Кількість тактів, необхідних для виконнаня програми
|
Число виконань даної програми за один цикл
|
Кількість тактів, за цикл виконання
програми
|
|
Основна програма
|
566
|
1
|
566
|
|
DMULT
|
475
|
3
|
1425
|
|
Обробник переривання
|
151
|
1
|
151
|
|
SUM
|
206
|
1
|
206
|
|
Загальна тривалість
|
2348
|
Теорема Котельникова:
Будь-який сигнал, який має скінчений спектр, може бути без
втрат перетворений у цифрову форму і потім відтворений за відліками цього
дискретного сигналу при умові:
Для виконання програми необхідно всього тактів N=2031. Для
максимальної частоти f=2.5МГц для МП KР580ВМ80, частота видачі інформації fвид=2,5МГц/2348=1064,74
Гц
За теоремою Котельникова, верхня гранична частота для фільтра
складає
fверхнє = fвид /2=1064,74 /2=532,37 Гц
5. Реалізація блоку ОЗП для МПС розміром 8К на елементах
4096x1
Для побудови ОЗП
використаєм схему обєднання модулів для нарощення розрядності та об’єму.
Визначимо, яку кількість мікросхем даного типу необхідно використати для того,
щоб наростити розрядність. Скористаємось наступними формулами:
,
де
-розрядність, яку
необхідно отримати;
-розрядність однієї мікросхеми
Для нашого
випадку К=8/1=8
Далі визначаєно
скільки мікросхем у нашому випадку потрібно для нарощення об’єму. Скористаємось
наступними формулами:
,
де
-об’єм, який необхідно
отримати;
-
об’єм однієї мікросхеми
8К=8192
Для нашого
випадку К=8192/4096=2.
Отже для
вирішення нашої задачі нам потрібно 16 мікросхем.
Потрібними на
характеристиками володіють дві мікросхеми КМ132РУ5А та КМ132РУ5Б. Використаєм
мікросхему КМ132РУ5А так як її час вибірки адресу менший(не більше 85нс).
Позначення
мікросхеми на схемі електричній принциповій
|
Мікросхе-ма
пам’яті
|
Технологія
виготовлення
|
Об’єм
|
Потужність
при зверненні (мВт)
|
Потужність
споживання (мВт)
|
Максимальна
напруга живлення (В)
|
|
КМ132РУ5А
|
n-МОП
|
4Kx1
|
990
|
165
|
+6
|
Призначення
виводів мікросхеми КМ132РУ5А
|
Виводи
|
Призначення
|
Позначення
|
|
1-6,12-17
|
Адресні
входи
|
А0-А5
|
|
11
|
Вхід
даних
|
DI
|
|
7
|
Вихід
даних
|
DO
|
|
10
|
Вибір
мікросхеми
|
|
|
8
|
Сигнал
запис-зчитування
|
/RD
|
|
18
|
Напруга
живлення
|
Ucc
|
|
9
|
Загальний
|
0В
|
A0-Roff
Таблиця істиності
мікросхеми КМ132РУ5А
|
|
/RD
|
A0-A11
|
DI
|
DO
|
Режим
роботи
|
|
1
|
Х
|
Х
|
Х
|
Roff
|
Зберігання
|
|
0
|
0
|
А
|
0
|
Roff
|
Запис
0
|
|
0
|
0
|
А
|
1
|
Roff
|
Запис
1
|
|
0
|
1
|
А
|
Х
|
Дані
в прямому коді
|
Зчитування
|
6. Постійний запам’ятовуючі
пристрої
Як і ОЗП ПЗП в
своїй структурі передбачають наявність комірок звернувшись до яких можна
вивести їх вміст.
По способу
записування інформації ПЗП поділяють на два види:
1)
ПЗП
програмовані маскою на заводі виготовлювачі
2)
ПЗП
програмовані користувачем
ПЗП масочного
типу програмуються в процесі виготовлення за допомогою відповідного
фотошаблону. Такий тип програмування ПЗП вигідний тоді коли виготовляється
велика партія ПЗП з однією і тією ж записаною в них інформацією.
Програмовані ПЗП
допускають одноразове програмування і називаються ППЗП.
Найбільшого
поширення набули ППЗП з плавкими вставками, ці плавкі вставки переплавляються
за допомогою програмованого джерела живлення.
При програмуванні
такої комірки плавка перемичка перепалюється і струм не поступає на розрядну
шину при подачі високого рівня на адресну шину. На сьогоднішній час відомі
комірки ППЗП що базуються на КМОП технології. За допомогою цих комірок
вирішується проблема споживання потужності для пристроїв в яких існує жорстке
обмеження на енергоспоживання.
Структурна схема
ПЗП масочного типу.
DCS-дешифратор
рядкаDCK-дешифратор стовпцяМ-комірка пам’яті
BDO-буфер
вихідних даних
ПЗП
програмованого типу.
Електрично програмовані
ПЗП.
Такі ПЗП
допускають багатократне програмування і зберігання інформації при відключенні
живлення. В структурі таких мікросхем використовуються елементи які можна
встановлювати в один наприклад замкнутий стан вибірково, а решта в розімкнений
стан. Програмування таких ПЗП зводиться спочатку до колективної установки всіх
комутуючих елементів в один стан, що рівносильно стиранню інформації, а на
наступному кроці почергової установки потрібних перемичок в інший стан.
Електрично
програмовані ПЗП характеризуються поєднанням енергонезалежності і високою
питомою густиною запису інформації з можливість її багаторазового перезапису.
Елементарні комірки таких ПЗП представлені на малюнку нижче і являють собою
структуру : Метал-Нітрит-Окис-Напівпровідник (МНОП).
1-
алюміній;2-нітрит;3-окис кремнію;
На границі двох
шарів 2 і 3, а також в шарі 2 є “ловушки” електронів. При подачі на затвор МОП
структури додатнього потенціалу електрон із підножки проходить через тонкий шар
окису кремнію і захоплюється “ловушками”. На затворі нагромаджується від’ємний
потенціал, що відповідає режиму запису інформації. Заряд може зберігатися
надзвичайно довгий час (=n*1000год) і при температурі +125С. Пере запуск
здійснюється подачею від’ємного потенціалу на затвор, під дією якого
нагромаджений заряд витікає. Недолік такої структури є в серйозних
технологічних труднощах при виготовленні тонкого шару окису кремнію.
Висновки
Отриманий МПП має
верхню граничну частоту 615,46 Гц.
Можна виділити
два фактори, що впливають на швидкодію пристрою:
тактова
частота процесора;
алгоритм
роботи пристрою;
Система
команд.
Для підвищення
швидкодії треба або оптимізувати алгоритм роботи пристрою (що може спричинити
похибку в обчисленнях), або використати МП з вбудованими командами виконання
складних арифметичних операцій (множення). Це дозволило б суттєво зменьшити час
виконання циклу програмної обробки інформації без зміни тактової частоти.
Перехід до МП
8086 дозволить одночасно підвищити тактову частоту і оптимізувати алгоритм.
МПП був
побудований на МП КР580ВМ80. Для заданого рівняння системи регулювання було
здійснено його часткову дискретизацію і отримано відповідне рівняння цифрового
фільтра (ЦФ). Побудувано аналогову схему, яка відображає задане
рівняння.Складено і детально описано структурну схему МПП, включаючи опис
кожної складвої частини МПП .Складено схему алгоритму функціонування МПП.
Обрано типи мікросхем АЦП і ЦАП, вибір здійснювався переважно по такому
параметру як швидкість перетворення інформації. Складено принципову схему
підключення елементів МПП. Була розроблена програма на мові асемблеру
мікропроцесора КР580ВМ80 для вводу інформації через АЦП і виводу через ЦАП, з
використанням паралельного програмованого інтерфейсу , який працював в
асинхронному режимі обміну інформацією. Складено програму відповідної цифрової
обробки інформації. Детально описано фрагмент принципової схеми реалізації
функціонального вузла К589АП26. Практично засвоєно та удосконалено навики
розробки мікропроцесорних систем.
Список літератури
1.
Алексенко
А.Г., Галицин А.А., Иванников А.Д. Проектирование радиоелектронной апаратуры на
микропроцессорах: програмирование, типовые решения, методы отладки. М.; Радио и
связь, 1984.
2.
Полупроводниковые
БИС запоминающих устройств; Справочник В.В. Баранов, Н.И. Бекин, А.Ю. Гордунов
и др.: Под ред. А.Ю. Гордонова и Ю.Н. Дьякова. М.; Радио и связь, 1987.
3.
Майоров
В.Г., Гаврилов А.И. Практический курс программирования микропроцессорных
систем. М.; Машиностроение, 1989.
4.
Самофалов
К.Г., Викторов О.В. Микропроцесоры. ¾ Б-ка инженера. ¾ 2-е изд., перераб. и доп. ¾ К.: Техника, 1989.
5.
Федорков
В.Г. Телец В.А. Микросхемы ЦАП и АЦП: Функционирование, параметры, применение. ¾ М.: Энергоатомиздат, 1990.
6. Курс лекцій з предмету
«Комп’ютери та мікропроцесорні системи»