Ценообразование на факторы производства

  • Вид работы:
    Тип работы
  • Предмет:
    Финансы, деньги, кредит
  • Язык:
    Русский
    ,
    Формат файла:
    MS Word
    16,77 kb
  • Опубликовано:
    2008-12-09
Вы можете узнать стоимость помощи в написании студенческой работы.
Помощь в написании работы, которую точно примут!

Ценообразование на факторы производства

Содержание

Введение

1. Разработка адаптера аналого-цифрового преобразователя

2. Разработка активного фильтра НЧ

3. Разработка блока АЦП в составе микропроцессорной системы

4. Разработка селектора адреса

5. Разработка блок – схемы

Заключение

Список литературы

Введение

Кроме чисто "цифрового" сопряжения, часто требуется преобразовать аналоговый сигнал в число, пропорциональное амплитуде сигнала и наоборот. Это играет важную роль в тех случаях, когда компьютер или процессор регистрируют или контролируют ход эксперимента или технологического процесса, или всякий раз, когда цифровая техника используется для выполнения традиционно аналоговой работы. Аналого-цифровое преобразование следует использовать в областях, где для обеспечения помехоустойчивой и шумозащищенной передачи аналоговая информация преобразуется в промежуточную цифровую форму (например, "цифровая звукотехника" или импульсно-кодовая модуляция). Это требуется в самых разнообразных измерительных средствах (включая обычные настольные приборы типа цифровых универсальных измерительных прибором и более экзотические приборы, такие, как усреднители переходных процессов, "ловушки для выбросов" и осциллографы с цифровой памятью), а также в устройствах генерации и обработки сигналов, таких, как цифровые синтезаторы колебаний и устройства шифрования данных. И, наконец, техника преобразования является существенной составляющей способов формирования аналоговых изображений с помощью цифровых средств, например, показаний измерительных приборов или двух координатных изображений, создаваемых компьютером. Даже в относительно простой электронной аппаратуре существует масса возможностей для применения аналого-цифрового и цифро-аналогового преобразования. АЦП и ЦАП применяются для связи цифровой микропроцессорной и вычислительной техники с объектами контроля и управления, т.е. для преобразования в реальном масштабе времени аналоговых входных сигналов в цифровой код и для обратного преобразования цифровой информации в аналоговый выходной сигнал информационно-управляющих устройств.

1. Разработка адаптера аналого-цифрового преобразователя

В преобразовании сигналов из аналоговой формы в цифровую можно выделить следующие процессы: дискретизацию, квантование, кодирование.

Процесс дискретизации заключается в том, что из непрерывного во времени сигнала (в рассматриваемом случае таким сигналом является напряжение) выбираются отдельные его значения, соответствующие тактовым моментам времени, следующим через определенный временной интервал Т, называемый тактовым интервалом. Операция квантования состоит в округлении значений аналогового напряжения, выбранных в тактовые моменты времени, до ближайшего уровня квантования (рисунок 1). Уровни квантования сдвинуты друг относительно друга на величину Δ, называемую шагом квантования. Каждому уровню квантования присваивается порядковый номер (0, 1, 2, 3 и т.д.).

Рис. 1. Дискретизация аналогового сигнала.

На диаграмме рисунка 1 значение напряжения в тактовый момент времени t0 заменяется ближайшим к нему уровнем квантования с номером 3, в момент t1 – уровнем 6, t2 – 7, t3 – 7, t4 – 3, t5 – 1, t6 – 2, t7 – 3. Смысл операции кодирования заключается в представлении полученной в результате квантования последовательности десятичных чисел (3, 6, 7, 7, 3, 1, 2, 3) двоичным кодом. Теперь рассматриваемая выше последовательность будет выглядеть следующим образом: 011, 110, 111, 111, 011, 001, 010, 011. В качестве АЦП будем использовать микросхему К1113ПВ1. Режим работы микросхемы позволяет подключить ее непосредственно к системным шинам микропроцессорной секции [2]. Так как максимальная амплитуда входного сигнала (по заданию) 1,5 В, а диапазон входного однополярного напряжения микросхемы 0,5...+10,5 В, то для повышения точности работы АЦП используем предварительный усилитель напряжения. Также необходимо на входе АЦП установить фильтр низких частот. Такой фильтр предотвратит появление из-за стробоскопического эффекта "лишних сигналов" во время преобразования аналогового сигнала в цифровой [1]. Такие сигналы воспринимаются как помехи и могут существенно исказить исходный вид преобразованного сигнала.

Рис. 2. Структурная схема адаптера.

Будем использовать активный фильтр НЧ на операционном усилителе.


Схема активного ФНЧ представлена на рис. 3.

Рис. 3. Схема активного ФНЧ.

В данном случае использована схема ФНЧ второго порядка Салена-Ки [3]. В этой схеме можно получить коэффициент усиления по напряжению больше 1. Этот коэффициент можно рассчитать по формуле

Кu=1+R4/R3 (1)

Если от фильтра требуется равномерность частотной характеристики в полосе частот от 0 до ώ0, то для расчета используются формулы:

C1=(R1+R2)/(√2*R1*R2* ώ0) (2)

C2=√2/((R1+R2)* ώ0) (3)

В схеме используется два RC звена, поэтому скорость спада частотной характеристики составляет – 40 дБ/дек. Для увеличения скорости спада АЧХ можно включать такие фильтры последовательно, что увеличивает порядок фильтра и скорость спада АЧХ соответственно.

Диапазон входного однополярного напряжения микросхемы АЦП 0,5...+10,5 В, а максимальная амплитуда входного сигнала (по заданию) 3 В, поэтому требуется коэффициент усиления по напряжению Кu=3, при этом опорное напряжение для микросхемы АЦП требуется 9 В.

По формуле (1) находим значения R3, R4:

R4/R3 = Кu-1

R4/R3=2, поэтому выбираем R3= 1 КОм, R4= 2 Ком

R3 - тип С2-23, R4 – тип С1-4.

Для нахожденияС1, С2:

ώ0=Fc*2π=200*6.28=1256

выбираем R1=R2= 1 КОм, тогда по формулам (2), (3):

С1=(2000)/(1,41*1000000*1256)=1,129 мкФ

С2=1,41/(2000*1256)=0,561 мкФ

Выбираем: С1 - тип К10-17Б H90 ( 1 мкФ), С2 - тип К10-17А H90 ( 0,47 мкФ)

Принципиальная схема активного ФНЧ представлена на рисунке 4. резистор R5 служит для установки 0.

Рис. 4. Принципиальная схема активного ФНЧ.

3. Разработка блока АЦП в составе микропроцессорной системы

Микросхема представляет собой функционально законченный 10-разрядный АЦП [2], сопрягаемый с микропроцессором. Обеспечивает преобразование как однополярного напряжения (вывод 15 соединяется с выводом 16) в диапазоне 0...9,95 В, так и биполярного напряжения в диапазоне -4,975...+4,975 В в параллельный двоичный код. В состав ИС входят ЦАП, компаратор напряжения регистр последовательного приближения (РПП), источник опорного напряжения (ИОН), генератор тактовых импульсов (ГТИ), выходной буферный регистр с тремя состояниями, схемы управления. Выходные каскады с тремя состояниями позволяют считывать результат преобразования непосредственно на шину данных микропроцессора. По уровням входных и выходных логических сигналов сопрягаются с ТТЛ-схемами. В ИС выходной ток ЦАП сравнивается с током входного резистора от источника сигнала и формируется логический сигнал РПП. Стабилизация разрядных токов ЦАП осуществляется встроенным ИОН. Тактирование РПП обеспечивается импульсами встроенного ГТИ с частотой следования 300...400 кГц. Установка РПП в исходное состояние и запуск его в режим преобразования производится по внешнему сигналу "гашение и преобразование". По окончанию преобразования АЦП вырабатывает сигнал "готовность данных" и информация из РПП поступает на цифровые входы через каскады с тремя состояниями.

Рис. 5. Обозначение микросхемы и назначение выводов

Табл. 1. Характеристики микросхемы.

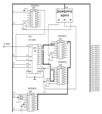
Для работы АЦП в составе микропроцессорной системы необходимо сформировать адреса портов. Начальный адрес (задан) А4. Поэтому присвоим адреса следующим портам:

Порт

Адрес

Младшие значащие разряды

А4

Старшие значащие разряды

А5

Управления

А6


Т.к. задан изолированный ввод/вывод, порт представляет собой дешифратор адреса, подключенный к шине адреса, и регистр, подключенный к шине данных. В качестве регистра будем использовать микросхему КР555ИР22.

Схема подключения блока АЦП к МПС представлена на рис. 7. Микросхемы DD2 и DD3 регистры для старших разрядов данных и младших соответственно. Их входы соединены непосредственно с выходами микросхемы АЦП, а выходы идут на шину данных. Запись происходит при готовности АЦП- сигналом Rdy и сигналом от дешифратора на вход С регистров.

Рис. 6. Микросхема КР555ИР22.

Данные поступают на шину данных. DD4- регистр для хранения управляющего сигнала для АЦП, поступающего с шины данных, записываемого при поступлении сигнала от дешифратора и сигнала разрешения прерывания INTA на вход С микросхемы. При разрешении программой работы, на адрес А4 записывается бит разрешения работы АЦП. Этот бит передается в микросхему АЦП на вход разрешения работы Start. После преобразования на АЦП появляется сигнал готовности Rdy, который вызывает прерывание и разрешает запись в регистры DD3, DD2. DD5 формирует прерывание RST3. При поступлении INTA на вход Z, на шине данных формируется сигнал RST3.

Рис. 7. Принципиальная схема блока АЦП.

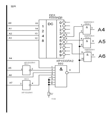
4. Разработка селектора адреса

Будем использовать селектор адреса на дешифраторе и элементах "И" и "НЕ". Схема представлена на рисунке 8. Нам нужно сформировать 3 адреса А4, А5, А6. Т. е . можно адрес поделить на две половины для "отлавливания" А (для всех портов одинаков) и для 4,5,6.


Для "отлавливания" А используется "И" и "НЕ" - DD2, DD3, для 4,5,6 дешифратор на микросхеме КМ555ИД6:


Рис. 8. Принципиальная схема дешифратора.

5. Разработка блок – схемы алгоритма программы для управления адаптером


Заключение

Был разработан адаптер для оцифровки аналогового сигнала для микропроцессорной секции. Разработан основной алгоритм работы устройства, а также чертёж принципиальной электрической схемы. Конечная принципиальная схема всего устройства приведена в приложении.

Список литературы

1.   Дмитриев В. И. Прикладная теория информации. М.: Высшая школа, 1989.

2.   Аванесян Г. Р., Левшин В. П. Интегральные схемы ТТЛ, ТТЛШ: Справочник. Машиностроение, 1993.

3.   Алексеев А. Г., Войшвилло Г. В. Операционные усилители и их применение. Радио и связь.

Похожие работы на - Ценообразование на факторы производства

 

Не нашли материал для своей работы?
Поможем написать уникальную работу
Без плагиата!
Без нейросетей!