Проект червячного редуктора

  • Вид работы:
    Курсовая работа (т)
  • Предмет:
    Технология машиностроения
  • Язык:
    Русский
    ,
    Формат файла:
    MS Word
    753,15 kb
  • Опубликовано:
    2011-03-01
Вы можете узнать стоимость помощи в написании студенческой работы.
Помощь в написании работы, которую точно примут!

Проект червячного редуктора









КУРСОВОЙ ПРОЕКТ

НА ТЕМУ:

«ПРОЕКТ ЧЕРВЯЧНОГО РЕДУКТОРА»













Днепропетровск 2010

Введение

Курсовой проект – самостоятельная конструкторская работа. При выполнении проекта нужно проявить максимум инициативы и самостоятельности.

Цель курсового проекта – углубить теоретические и практические навыки и знания, полученные в процессе обучения, а также закрепить необходимые навыки конструирования, расчета и эксплуатации червячного редуктора.

В данном курсовом проекте необходимо решить следующие задачи:

1. Спроектировать 2 червячные передачи на 5 kH*м на выходном валу.

2. Расчет на прочность.

3. Выбор подшипники из условия ТСЛ =10000 часов.


1.   Назначение и область применения привода

Редуктором называют механизм, состоящий из зубчатых или червячных передач, выполненный в виде отдельного агрегата и служащий для передачи мощности от двигателя к рабочей машине.

Назначение редуктора – понижение угловой скорости и повышение вращающего момента ведомого вала по сравнению с валом ведущим.

Редуктор состоит из литого чугунного корпуса, в котором помещены элементы передачи – червяк, червячное колесо, подшипники, вал и пр. Входной вал редуктора посредством зубчато-ременной передачи соединяется с двигателем, выходной посредством муфты – с конвейером.

Червячные редукторы применяют для передачи движения между валами, оси которых перекрещиваются.

Так как КПД червячных редукторов невысок, то для передачи больших мощностей в установках, работающих непрерывно, проектировать их нецелесообразно. Практически червячные редукторы применяют для передачи мощности, как правило, до 45 кВт и в виде исключения до 150 кВт.


2. Расчетная часть

2.1 Спроектировать 2 червячные передачи на 5kH*м на выходном валу

Исходные данные для расчета: выходная мощность – =5 кВт; выходная частота вращения вала рабочей машины –  =65 об/мин; нагрузка постоянная; долговечность привода – 10000 часов.

Рис. 1 – кинематическая схема привода: 1 – двигатель; 2 – клиноременная передача; 3 – червячная передача; 4 – муфта

Определение требуемой мощности электродвигателя

 – (2.1)

где: - коэффициент полезного действия (КПД) общий.

х                                                               (2.2)

где [3, табл. 2.2]: - КПД ременной передачи

- КПД червячной передачи

- КПД подшипников

- КПД муфты

Определяем частоты вращения и угловые скорости валов.

- угловая скорость двигателя;

- число оборотов быстроходного вала;

- угловая скорость быстроходного вала;

- число оборотов тихоходного вала;

 – угловая скорость тихоходного вала.

Определение мощностей и передаваемых крутящих моментов валов

Определяем мощности на валах

Расчет ведем по [3]

Мощность двигателя -

Определяем мощность на быстроходном валу

                                                                       (3.1)

Определяем мощность на тихоходном валу

                                                                  (3.2)

Определяем вращающие моменты на валах

Определяем вращающие моменты на валах двигателя, быстроходном и тихоходном валах по формуле

                                                                                       (3.3)

Расчет червячной передачи

Исходные данные

Выбор материала червяка и червячного колеса

Для червяка с учетом мощности передачи выбираем [1, c. 211] сталь 45 с закалкой до твердости не менее HRC 45 и последующим шлифованием.

Марка материала червячного колеса зависит от скорости скольжения

                                                                          (4.1)

м/с

Для венца червячного колеса примем бронзу БрА9Ж3Л, отлитую в кокиль.

Предварительный расчет передачи

Определяем допускаемое контактное напряжение [1]:

н] =КHLСv0,9sв,                                                                            (4.2)

sв, – предел прочности при растяжении, для БрА9Ж3Л sв,=500

КHL – коэффициент долговечности

КHL =,                                                                               (4.3)

где N=573w2Lh,                                                                              (4.4)

Lh – срок службы привода, по условию Lh=10000 ч

N=573х1,03х10000=5901900

Вычисляем по (4.3):

КHL =

КHL =1.068

н] =1.068х1,21х500=646

Число витков червяка Z1 принимаем в зависимости от передаточного числа при U = 17 принимаем Z1 = 2

Число зубьев червячного колеса Z2 = Z1 x U = 2 x 17 = 34

Принимаем предварительно коэффициент диаметра червяка q = 10;

Коэффициент нагрузки К = 1,2;     [1]

Определяем межосевое расстояние [1, c. 61]

                                                (4.5)


Вычисляем модуль

                                                                             (4.6)

Принимаем по ГОСТ2144–76 (таблица 4.1 и 4.2) стандартные значения

m = 4.5

q = 10

Тогда пересчитываем межосевое расстояние по стандартным значениям m, q и Z2:

                                                                    (4.7)

Принимаем aw = 100 мм.

Расчет геометрических размеров и параметров передачи

Основные размеры червяка.:

Делительный диаметр червяка

                                                                              (4.8)

Диаметры вершин и впадин витков червяка

                                                                                 (4.9)


                                                                              (4.10)

Длина нарезной части шлифованного червяка [1]

                                                                      (4.11)

Принимаем b1=42 мм

Делительный угол подъема г:

г =arctg(z1/q)

г =arctg (4/10)

г = 21 є48’05»

ha=m=4 мм; hf=1,2x m=4,8 мм; c=0,2x m=0,8 мм.

Основные геометрические размеры червячного колеса [1]:

Делительный диаметр червячного колеса

                                                                                      (4.12)

 

Диаметры вершин и впадин зубьев червячного колеса

                                                                                (4.13)


                                                                    (4.14)

Наибольший диаметр червячного колеса

                                                                            (4.15)

Ширина венца червячного колеса

                                                                                 (4.16)

Принимаем b2=32 мм

Окружная скорость

                                                                              (4.17)

червяка -

колеса –

Скорость скольжения зубьев [1, формула 4.15]

КПД редуктора с учетом потерь в опорах, потерь на разбрызгивание и перемешивания масла [1, формула 4.14]

Уточняем вращающий момент на валу червячного колеса

                                                                                   (4.18)

По [1, табл. 4.7] выбираем 7-ю степень точности передачи и находим значение коэффициента динамичности Kv = 1,1

Коэффициент неравномерности распределения нагрузки [1, формула 4.26]


В этой формуле коэффициент деформации червяка при q =10 и Z1 =2  [1, табл. 4.6]

При незначительных колебаниях нагрузки вспомогательный коэффициент Х=0,6

Коэффициент нагрузки


Таблица 1. Параметры червячной передачи

Параметр

Колесо

Червяк

m

4.5

z

34

2

ha, мм

4

hf, мм

4,8

с, мм

0,8

d, мм

153

40

dа, мм

162

48

df, мм

142.2

30,4

dаm, мм

168.25

-

b, мм

32

42

г

21є48’05»

V, м/с

0,75

0.75

Vs, м/с

0.8

Ft, Н

6370

138

Fa, Н

138

6370

Fr, Н

4989


2.2 Расчет на прочность

Расчет ведущего вала – червяка

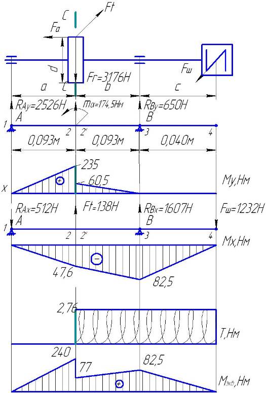
Заменяем вал балкой на опорах в местах подшипников.

Рассматриваем вертикальную плоскость (ось у)

Изгибающий момент от осевой силы Fа будет:

mа=[Faxd/2]:

mа=6370·40×10-3/2=127,4Н×м.

Определяем реакции в подшипниках в вертикальной плоскости.

1åmАу=0

RBy·(a+b)+Fr·a – mа=0

RBy=(Fr·0,093 – mа)/ 0,186=(4989·0,093–127,4)/ 0,186=649,8 Н

Принимаем RBy=650Н

2åmВу=0

RАy·(a+b) – Fr·b – mа=0

Принимаем RАy=2526 Н

Проверка:

åFКу=0

RАy – Fr+ RBy=2526–3176+650=0

Назначаем характерные точки 1,2,2’, 3 и 4 и определяем в них изгибающие моменты:

М=0;

М= RАy·а;

М=2526·0,093=235 Нм;

М2’у= М – mа(слева);

М2’у=235–174,5=60,5 Нм;

М=0;

М=0;

Строим эпюру изгибающих моментов Му, Нм.

Рассматриваем горизонтальную плоскость (ось х)

1åmАх=0;

Fш·(a+b+с) – RВх·(a+b) – Ft·a=0;

1232·(0,093+0,093+0,067) – RВх·(0,093+0,093) – 138·0,093=0;

RВх=(311,7–12,8)/0,186;

RВх=1606,9Н

RВх»1607Н

2åmВх=0;

– RАх·(a+b)+Ft·b+Fш·с= 0;

RАх=(12,834+82,477)/0,186;

RАх=512,4Н

RАх»512Н

Проверка

åmКх=0;

– RАх+ Ft – Fш+ RВх=-512+138–1232+1607=0

Рис. 2. Эпюры изгибающих и крутящих моментов ведущего вала

Назначаем характерные точки 1,2,2’, 3 и 4 и определяем в них изгибающие моменты:

М=0;

М= – RАх·а;

М=-512·0,093=-47,6Нм;

М= – Fш ·с;

М=-1232·0,067=-82,5Нм

М=0;

Строим эпюру изгибающих моментов Мх.

Крутящий момент

ТI-I=0;

ТII-II=T1=Ft·d1/2;

ТII-II=2,76Нм

Определяем суммарные изгибающие моменты:

Определяем эквивалентные моменты:

По рис. 2 видно, что наиболее опасным является сечение С-С ведущего вала.

2.3 Выбор подшипников

Так как межосевое расстояние составляет 100 мм для червяка выбираем роликовые подшипники 7309 ГОСТ333–79, а для червячного колеса – 7518 ГОСТ333–79 (рис. 3).

Рис. 3 Подшипник ГОСТ333–79.

Параметры подшипников приведены в табл. 2.

Таблица 2. Параметры подшипников

Параметр

7309

7518

Внутренний диаметр d, мм

45

90

Наружный диаметр D, мм

190

Ширина Т, мм

27

46.5

Ширина b, мм

22

36

Ширина с, мм

17

28

Грузоподъемность Сr, кН

65

106


Определяем радиальные нагрузки, действующие на подшипники

 

;                                                     (12.1)

 

Здесь подшипник 2 – это опора А в сторону которой действует осевая сила Fа (рис. 2).

;

Назначаем тип подшипника, определив отношение осевой силы к радиальной силе того подшипника, который ее воспринимает (здесь подшипник 2)

;

;

Так как соотношение больше 0,35, то назначаем роликовый конический однорядный подшипник средней серии по dп3=45 мм.

Рис. 4 Схема нагружения вала-червяка

Определяем осевые составляющие от радиальных нагрузок

S=0,83×e×Fr                              [1, c. 216]

S1=0,83×0,34×1733;         S1=489Н;

S2=0,83×0,34×2577;         S2=727Н.

Определяем осевые нагрузки, действующие на подшипники.

FaI=S1;

FaII=S2 +FaI;

FaI=489Н;

FaII=489+723;       FaII=1216Н.

Определяем эквивалентную нагрузку наиболее нагруженного подшипника II

Fэ2=(Х×V×Fr2+У×FaII)×Kd×Kф;

где Kd – коэффициент безопасности;

Kd =1,3…1,5

принимаем Kd =1,5;

Kф – температурный коэффициент;

Kф =1 (до 100єС)

Fэ2=(0,4×1×2577+1,78×1216)×1,5×1;      Fэ2=3195Н=3,2 кН

Определяем номинальную долговечность роликовых подшипников в часах

           [1, c. 211];

Подставляем в формулу (12.2):

;        ч.

По заданию долговечность привода Lhmin=10000 ч.

В нашем случае Lh> Lhmin, принимаем окончательно для червяка подшипник 7309.

Определяем радиальные нагрузки, действующие на подшипники

;        

Здесь подшипник 2 – это опора А в сторону которой действует осевая сила Fа.

;

;

Назначаем тип подшипника, определив отношение осевой силы к радиальной силе того подшипника, который ее воспринимает (здесь подшипник 2)

;

;


где V – коэффициент вращения, при вращении внутреннего кольца V=1.

Тогда Х=0,4.

Изображаем схему нагружения подшипников. Подшипники устанавливаем враспор.

Рис. 5. Схема нагружения тихоходного вала

Определяем осевые составляющие от радиальных нагрузок

S=0,83×e×Fr

S1=0,83×0,392×7496;       S1=2440 Н;

S2=0,83×0,392×10426;     S2=3392 Н.

FaI=S1;

FaII=S2 +FaI;

FaI=2440Н;

FaII=2440+3392;    FaII=5832Н.

Определяем эквивалентную нагрузку наиболее нагруженного подшипника II

Fэ2=(Х×V×Fr2+У×FaII)×Kd×Kф;

где Kd – коэффициент безопасности;

Kd =1,3…1,5                                     [1, c. 214, табл. 9.19];

принимаем Kd =1,5;

Kф – температурный коэффициент;

Kф =1 (до 100єС)                             [1, c. 214, табл. 9.20];

Fэ2=(0,4×1×10426+1,78×5832)×1,5×1;    Fэ2=14550 Н=14,55 кН

Определяем номинальную долговечность роликовых подшипников в часах


Подставляем в формулу (12.2):

;    ч.

По заданию долговечность привода Lhmin=10000 ч.

В нашем случае Lh> Lhmin, принимаем окончательно для червяка подшипник 7518.


3. Выбор системы и вида смазки

Скорость скольжения в зацеплении VS = 0.8 м/с. Контактные напряжения sН = 510 Н/мм2. По таблице 10.29 из [3] выбираем масло И-Т-Д-460.

Используем картерную систему смазывания. В корпус редуктора заливаем масло так, чтобы венец зубчатого колеса был в него погружен на глубину hм (рис. 6):

Рис. 6 Схема определения уровня масла в редукторе

hм max £ 0.25d2 = 0.25×160 = 40 мм;

hм min = m = 4 мм.

При вращении колеса масло будет увлекаться его зубьями, разбрызгиваться, попадать на внутренние стенки корпуса, откуда стекать в нижнюю его часть. Внутри корпуса образуется взвесь частиц масла в воздухе, которым покрываются поверхности расположенных внутри корпуса деталей, в том числе и подшипники.

Объем масляной ванны

V = 0.65×PII = 0.65×7 = 4.55 л.

Контроль уровня масла производится пробками уровня, которые ставятся попарно в зоне верхнего и нижнего уровней смазки. Для слива масла предусмотрена сливная пробка. Заливка масла в редуктор производится через съемную крышку.

И для вала-червяка, и для вала червячного колеса выберем манжетные уплотнения по ГОСТ 8752–79. Установим их рабочей кромкой внутрь корпуса так, чтобы обеспечить к ней хороший доступ масла.


Заключение

Во время выполнения курсового проекта, я углубил теоретические, практические навыки и знания, полученные в процессе обучения, а также закрепил необходимые навыки конструирования, расчета и эксплуатации механизма червячного редуктора. А также, решил следующие конструкторские задачи:

1. Спроектировал 2 червячные передачи на 5kH*м на выходном валу.

2. Проверил на прочность.

3. Подобрал подшипники из условия ТСЛ =10000 часов.

червячный редуктор передача подшипник

Литература

1. С.А. Чернавский и др. «Курсовое проектирование деталей машин» М. 1987 г.

2. Анурьев В.И. Справочник конструктора-машиностроителя: В 3 т. -8-е изд. перераб. и доп. Под ред. И.Н. Жестковой. – М.: Машиностроение, 1999

3. Шейнблит А.Е. Курсовое проектирование деталей машин: Учеб. пособие. – М.: Высш. шк., 1991

4. Чернин И.М. и др. Расчеты деталей машин. – Мн.: Выш. школа, 1978

5. Строганов Г.Б., Маслов Г.С. Прикладная механика: Учеб. для вузов / Под ред. Г.Б. Иосилевича. М.: Высш. шк., 1989.-351 с.

 .ru

Похожие работы на - Проект червячного редуктора

 

Не нашли материал для своей работы?
Поможем написать уникальную работу
Без плагиата!
Без нейросетей!