|

Рекомендуется принимать
А) Расчёт стоимости
детали при изготовлении её на сверлильном станке с кондуктором при различной
программе выпуска ( ).
Б) Расчёт стоимости
детали при изготовлении её на станке с ЧПУ при различной программе выпуска ( ).
В) Расчёт стоимости
детали при изготовлении её на сверлильном станке с многошпиндельной головкой
при различной программе выпуска .
Г) Расчёт стоимости
детали при изготовлении её на автомате с многошпиндельной головкой и
автоматизированной загрузкой-выгрузкой при различной программе выпуска ( ).
На основании полученных в
результате расчётов данных строим графики Из графиков видно, что при малой программе
выпуска , равной , наименьшая себестоимость у
варианта Б (станок с ЧПУ), что объясняется наименьшими по сравнению с другими
вариантами специальными затратами для данной номенклатуры , т. е. управляющая программа для
станка с ЧПУ намного дешевле кондуктора для сверлильного станка (вариант А),
многошпиндельной головки (вариант В), переналадки и многошпиндельной головки
(вариант Г). При этой же программе наибольшая себестоимость у варианта В
(сверлильный станок и многошпиндельная головка). В этом случае (вариант В),
несмотря на то, что суммарные затраты на заработную плату , амортизационные отчисления и
обслуживание намного
меньше, чем у варианта Б, специальные затраты для данной номенклатуры превышают себестоимость
детали, выполненной на станке с ЧПУ, т. е. у многошпиндельной головки высокая
стоимость.
При увеличении программы
выпуска от до себестоимость детали по всем вариантам резко
снижается, что связано с уменьшением переменных затрат, т. е. затрат зависящих
от , с увеличением
количества выпускаемых деталей их себестоимость уменьшается.
При дальнейшем увеличении
программы выпуска от до снижение себестоимости продолжается,
но уже более плавно, потому что при больших программах выпуска наибольший вклад
в себестоимости вносят не специальные затраты для данной номенклатуры , а затраты на заработную
плату рабочих и
затраты на амортизационные отчисления и обслуживание . Данные составляющие себестоимости являются
наибольшими у варианта А (сверлильный станок и кондуктор), это объясняется
наибольшим штучным временем ( ) по сравнению с другими вариантами. Наименьшая
себестоимость у деталей, изготовляемых на автомате с многошпиндельной головкой
и автоматизированной загрузкой-выгрузкой (вариант Г), несмотря на то, что
затраты на амортизацию и обслуживание у двух крайних вариантов (А и Г) приблизительно
равны
,
затраты на заработную
плату рабочих сильно разнятся
Это объясняется тем, что
штучное время у варианта Г намного меньше, чем у варианта А ( и соответственно). Таким образом, время вносит
более весомый вклад в себестоимость, по сравнению с ценой оборудования.
Использование сверлильного станка автомата при большой программе выпуска более
выгодно, чем простого станка, несмотря на то, что обычный сверлильный станок
намного дешевле автомата.
управляющий
программа фрезерный обработка
3. Задание 2. Разработка
РТК для токарной обработки правой части оси на станке с ЧПУ
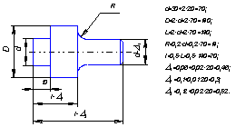
На эскизе изображается
траектория инструмента с пронумерованными опорными точками. Опорные точки
располагают в местах смены траектории режущего инструмента, изменения
геометрического элемента траектории (прямая, дуга окружности и др.) или
скорости подачи, например, переход с быстрого хода на рабочую подачу и
наоборот. Для размеров, где не указаны допуски, рекомендуется их симметричное
расположение.
В данном случае обработка
на станке с ЧПУ будет вестись в абсолютной системе координат, когда координаты
задаются от «0» станка.
Рисунок 3.1 – Эскиз
детали с указанными основными размерами
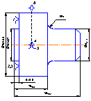
РТК включает таблицу
опорных точек, рассчитанных с точностью до дискреты станка. Рекомендуемая
дискрета – 0,01 мм.
Рисунок 3.2 – Чертёж
детали с размерами
Выбираем
схему базирования детали в трёх кулачковом патроне и выполняем пересчёт
операционных размеров.
Рисунок 3.3 – Эскиз
детали
4. Задание 3. Разработка
исходной программы для системы автоматизированной подготовки управляющих
программ для станков с ЧПУ
Рисунок 4.1 – Форма
детали «пластина»
Планируется контурная
однопроходная обработка, допуски симметричные. Исходная программа начинается
словом part, заканчивается – fini. По структуре имеет две части –
описание геометрических элементов и траектории движения инструмента.
Для описания
геометрических элементов и траектории движения инструмента используются точки ( ), линии ( ), окружности ( ).
Исходная
программа
part– начало ИП;
P1=10,0– точка, X = 10, Y = 0;
P2=10,100– точка, X = 10, Y = 100;
C1=80,80,70– окружность с центром в точке
с координатами X = 80,
Y =80 и радиусом R = 70;
C2=402,48,28– окружность с центром в
точке с координатами X =
402,
Y =48 и радиусом R = 28;
L1=X,10– линия, параллельная оси Y, отсекает по X
отрезок
10 мм;
L2=C1,C2,LF,LF– прямая,
касательная к дугам окружностей С1 и С2;
L3=C2,C1,LF,LF– прямая,
касательная к дугам окружностей С2 и С1;
CT/LF,10– включении коррекции на радиус
инструмента, т. е.
центр
фрезы (эквидистанта) находится слева от контура
на
расстоянии 10 мм, если смотреть вслед уходящему
инструменту;
F/600– ускоренная
подача;
FR/0,0– исходная
точка;
K/P1,100,L1,C1,CW,L2,C2,CW,L3,C1,CW,L1,P2 – описание контура;
GH– возвращение в
исходную точку;
fini– конец ИП.
Текст
управляющей программы
N1 G01 X0000 Y80000 Z0000 F100
N2 G02 X98177
I80000 Y157908 J80000
N3 G01 X410634
Y85006
N5 G01 X82488
Y0039
N6 G02 X0000 I80000 Y80000 J80000
N7 G01 Y100000
N8 M2
Выводы по работе
В результате выполнения
данной курсовой работы на первом этапе была определена область использования
различных технологических средств при изготовлении двух отверстий в пластине с
построением графика зависимости стоимости механической обработки от заданной
программы выпуска. На втором этапе была разработана расчётно-технологическая
карта (РТК) для обработки правой части детали «Ось». На третьем этапе
разработана исходная программа для системы автоматизированной подготовки
управляющих программ на станках с ЧПУ при контурной фрезерной обработке
«пластины», а также получена управляющая программа для станка с СЧПУ ВМ-12-500.
Список использованной
литературы
1. Указания по выполнению курсовой
работы по курсу «Основы автоматизации производственных процессов в
машиностроении», Жогин А. С., Рыбинск, 2001.
Размещено на
Похожие работы на - Разработка управляющей программы для станков с ЧПУ при контурной фрезерной обработке "пластины"
|