Расчет деформаций, возникающих при сварке поясных швов балки двутаврового поперечного сечения
Введение
Одной из
важных проблем при производстве сварных конструкций является определение
сварочных деформаций и напряжений, влияние которых на характеристики сварных
соединений и конструкций в процессе эксплуатации весьма разнообразно. Наличие
сварных деформаций и напряжений приводит к отклонениям действительных
геометрических форм и размеров от проектных, что, в свою очередь, увеличивает
трудоемкость изготовления сварной конструкции, снижает эксплуатационные
качества, способствует понижению устойчивости и несущей способности, затрудняет
сборку отдельных узлов, а в некоторых случаях делает ее невозможной.
Расчетно-графическая
работа заключается в расчете деформаций, возникающих при сварке поясных швов
балки двутаврового поперечного сечения. Результатом работы являются значения
прогибов балки для различных вариантов последовательности выполнения сварочных
операций, и что служит основанием для выбора рациональной последовательности
выполнения сварных швов.
1.
Задание
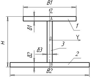
Основные размеры
свариваемой балки:
L = 7м;
H = 220мм;
B1 = 130мм;
B2 = 150мм;
δ1 = 6мм;
δ2 = 6мм;
δ3 = 5мм.
Материал: 09Г2С.
Способ сварки: Ручная
дуговая сварка покрытыми электродами.
Поперечное сечение
сварной двутавровой балки представлено на рисунке 1.
2. Выбор
конструктивного оформления и размеров сварных соединений
В соответствии с ГОСТ
5264-80 [5] выберем двустороннее тавровое сварное соединение без скоса кромок
Т3. Эскиз данного сварного соединения показан на рисунке 2. Минимальный катет данного сварного
соединения 6 мм.
Рисунок 2 –
Конструктивные элементы:
а) подготовленных кромок
свариваемых деталей; б) сварного шва.
3. Выбор ориентировочных режимов сварки
Режимы однодуговой сварки
неплавящимся электродом сплава АМГ6М приведены в таблице 1.
Таблица 1 – Режимы сварки
под флюсом материала 09Г2С [1, стр. 103]
|
Толщина металла, мм
|
6
|
|
Сила тока, А
|
175
|
|
Напряжение, В
|
20
|
|
Скорость сварки, м/ч
|
15
|
|
Диаметр электрода, мм
|
4,0
|
4. Расчет
геометрических характеристик сечений
Произведем расчет геометрических
характеристик сечений балки. Для проверки правильности расчетов используем средства пакета САПР «КОМПАС».
Определим координату
центра тяжести, величину эксцентриситета
и момент инерции относительно оси y I1 балки состоящей из элементов 1 и 3.
Рисунок 3 – Эскиз
поперечного сечения балки состоящей из элементов 1 и 3.
Найдем координату центра
тяжести фигуры 1:
Координаты центра тяжести
балки состоящей из
элементов 1 и 3 по
отношению к выбранным осям z и y определяются по формуле:
где Si –
площадь i-й фигуры; zi – координата ее центра тяжести.
Найдем величину
эксцентриситета
:
Найдем момент инерции I1:
Определим координату
центра тяжести, величину
эксцентриситета
и
момент инерции относительно оси y I2 балки состоящей из элементов 2 и 3.
Рисунок 4 – Эскиз поперечного сечения балки
состоящей из элементов 2 и 3.
Найдем координату центра
тяжести фигуры 2:
Координаты центра тяжести
балки состоящей из
элементов 2 и 3 по
отношению к выбранным осям z и y определяются по формуле:
где Si –
площадь i-й фигуры; zi – координата ее центра тяжести.
Найдем величину
эксцентриситета
:
Найдем момент инерции I2:
Определим координату
центра тяжести и момент
инерции относительно оси y IΣ балки состоящей из элементов 1,2 и 3.

Координаты центра тяжести
балки состоящей из
элементов 1, 2 и 3 по
отношению к выбранным осям z и y определяются по формуле:
Найдем момент инерции IΣ:
5. Расчет усадочной
силы, продольного
укорочения и прогибов балки
При сварке на проход
весьма жесткой сварной конструкции величина усадочной силы в Ньютонах согласно
[2] вычисляется по формуле:
где q -
эффективная мощность (в ваттах);
- скорость сварки, мм/с; B – экспериментально определяемый
коэффициент.
Эффективная тепловая
мощность сварочного источника теплоты, т. е. количество теплоты, вводимой при
сварке источником в деталь в единицу времени, если известны параметры режима
электродуговой сварки, определяется по формуле
где I – сварочный
ток; U–напряжение на дуге; η – эффективный
к.п.д. процесса нагрева. Эффективный к.п.д. зависит от способа сварки и может
быть взят по данным справочника [3]:
Найдем эффективную тепловую мощность
сварочного источника теплоты:
Экспериментально
определяемый коэффициент B для
конструкционных сталей вычисляется в зависимости от погонной энергии и толщины
листов S в миллиметрах (средней толщины при
сварке пластин разной толщины), следующим образом:
здесь s - толщина
свариваемых пластин (средняя толщина при сварке пластин разной толщины).
Определим
продольное укорочение и прогиб балки для случая, когда вначале приваривается
полка 1, затем полка 2.
Найдем значение
эксцентриситета для данного случая:
Найдем значение
изгибающего момента:
Найдем значение прогиба
балки после сварки элементов 1 и 3:
Значение прогиба
вычисляется по формуле:
Найдем прогиб балки после
приварки полки 2 к уже соединенным элементам 1 и 3:
Общий прогиб определим из
соотношения:
Определим
продольное укорочение и прогиб балки для случая, когда вначале приваривается
полка 2, затем полка 1.
Найдем значение
эксцентриситета для данного случая:
Найдем значение
изгибающего момента:
Найдем значение прогиба
балки после сварки элементов 2 и 3:
Значение прогиба
вычисляется по формуле:
Найдем прогиб балки после
приварки полки 1 к уже соединенным элементам 2 и 3:
Общий прогиб определим из
соотношения:
Сравним результаты
определения прогибов для обоих случаев:
Определим продольную деформацию балки
для обоих случаев:
Заключение
В данной
расчетно-графической работе проведен расчет деформаций, возникающих при сварке
поясных швов балки двутаврового поперечного сечения.
Значение прогиба балки
после сварки элементов 1 и 3:
Значение прогиба балки
после сварки элементов 2 и 3:
Получены значения
прогибов балки для различных вариантов последовательности выполнения сварочных
операций:
Прогиб балки после
приварки полки 2 к уже соединенным элементам 1 и 3:
Общий прогиб:
Прогиб балки после
приварки полки 1 к уже соединенным элементам 2 и 3:
Общий прогиб: 

Сравнив результаты
определения прогибов для обоих случаев, мы можем сделать вывод, что рациональным будет вариант, когда вначале
приваривается полка 2, а затем полка 1, так как в этом случае общий прогиб
балки наименьший.
Список литературы
1. Сварка и свариваемые материалы: В 3-х т. Т.П. Технология и
оборудование. Справ. изд./Под ред. В.М. Ямпольского. – М.: Изд-во МГТУ им. Н.Э.
Баумана, 1996. 574 с.
2. Сварка. Резка. Контроль.
Справочник. В 2-х томах / под общей редакцией Н.П. Алешина, Г.Г. Чернышева. М.:
Машиностроение 2004. Т.1 / Н.П. Алешин, Г.Г. Чернышев, Э.А. Гладков и др. 624
с.
3. Сварка
и свариваемые материалы: В 3-х т. Т I. Свариваемость материалов. Справ. изд./
Под ред. Э.Л. Макарова -М.: Металлургия, 1991. 528 с.
4.
Медведев, А. Ю. Остаточные деформации и перемещения при сварке и наплавке:
лабораторный практикум по дисциплине "Теоретические основы реновации"
/ А. Ю. Медведев ; УГАТУ .— Уфа : УГАТУ, 2007 .
5 ГОСТ
5264-80 Ручная дуговая
сварка. Соединения сварные. Основные типы, конструктивные элементы и размеры.
6. СТО УГАТУ 016-2007 Графические и текстовые конструкторские
документы. Общие требования к построению, изложению, оформлению.