|
Параметр
|
Вал
|
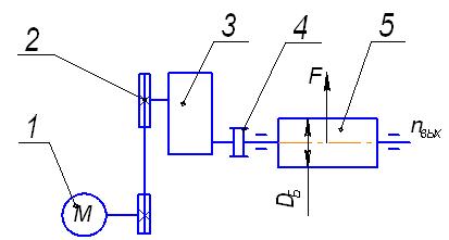
Последовательное
соединение элементов привода по кинематической схеме
|
|
дв-оп-зп-м
|
|
Мощность
Р, кВт
|
дв
Б
Т
вых
|
Рдв=7,5
Р1=Рдвhо.п.hпк=7,5·0,98·0,99=7,27
Р2=Р1hзпhпк=7,27·0,98·0,99=7,06
Рвых=Р2hмhпс=7,06·0,99·0,99=6,92
|
|
Частота
враще-ния n, об/мин
|
Угловая
скорость
w,
рад/с
|
дв
Б
Т
вых
|
nном=1500
n1=nном/Uо.п.=1500/4,5=333,3
n2=n1/ Uз.п.=333,3/5,6=59,52
nвых=n2=59,52
|
wном=pnном/30=157
w1=wном/ Uо.п.=157/4,5=34,9
w2=w1/ Uз.п.=34,9/5,6=6,23
wвых=w2 =6,23
|
|
Вращающий
момент Т, Нм
|
дв
Б
Т
вых
|
Тдв=Рдв103/wном=7,5∙103/157=47,77
Т1=ТдвUо.п.hо.п.hпк=47,77·4,5·0,98·0,99=208,56
Т2=Т1Uз.пhз.пhпк=208,56·5,6·0,98·0,99=1133,14
Твых=Т2hмhпс=1133,14·0,99·0,99=1110,6
|
|
|
|
|
|
Расчеты выполняем согласно методике
предложенной в литературе /1/
В качестве материала для шестерни
выбираем сталь 45 с средней твердостью
H1 = 205НВ (нормализация).
Для колеса выбираем сталь 35 с
средней твердостью H2 =
182НВ
(нормализация).
Предварительное значение межосевого
расстояния:
где К = 10 – коэффициент зависящий от
поверхностной твердости колеса и шестерни (H1 ≤ 350, H2 ≤ 350)
Окружная скорость:
Найдем допускаемые контактные
напряжения
и
:
где
-
предел контактной выносливости,
- для Н ≤
350,
тогда для шестерни:
для колеса
-
коэффициент запаса прочности для зубчатых колес с однородной структурой
материала,
;
-
коэффициент долговечности, учитывающий влияние ресурса
при
условии
-
число циклов, соответствующее перелому кривой усталости;
-
ресурс передачи.
В соответствии с кривой усталости
напряжения
не могут иметь значений меньших
, поэтому при
принимают
.
Для длительно работающих быстроходных
передач
, следовательно,
-
коэффициент, учитывающий влияние шероховатости сопряженных поверхностей зубьев,
принимаем
-
коэффициент, учитывающий влияние окружной скорости.
При H ≤ 350 HB
Тогда принимаем
Допускаемые напряжения для
цилиндрических передач равно меньшему из допускаемых напряжений шестерни
и колеса
.
Для цилиндрических и конических
передач с непрямыми зубьями в связи с расположением линии контакта под углом к
полюсной линии допускаемые напряжения вычисляются по формуле:
Допустимое напряжение для Стали 35
(нормализация)
Условие на выносливость по контактным
напряжениям соблюдено.
Согласно ГОСТ 21354-87 допускаемый
запас прочности обеспечен:
Уточняем предварительно найденное
значение межосевого расстояния:
где
-
для прямозубых передач,
-
коэффициент ширины, зависящий от положения колес относительно опор.
Для колес расположенных консольно
-
коэффициент нагрузки в расчетах на контактную прочность
где
/1,
табл.2.6/- коэффициент, учитывающий внутреннюю динамику нагружения.
/1,
табл.2.7/ - коэффициент, учитывающий неравномерность распределения нагрузки по
длине контактных линий.
/1,
табл.2.8/ - коэффициент, учитывающий распределение нагрузки между зубьями.
Тогда
Принимаем стандартное значение равное
340 мм
Предварительные основные размеры
колеса:
Делительный диаметр:
Ширина колеса
Округляем в ближайшую сторону до
стандартного значения
Ширина шестерни:
Максимально допустимый модуль
передачи определяют из условия неподрезания зубьев у основания:
Принимаем стандартное значение модуля
m = 6.
Минимальное значение модуля передачи
определяют из условия прочности:
где
-
для прямозубых передач,
/1,
табл.2.9/ - коэффициент нагрузки при расчете по напряжениям изгиба.
-
допускаемое напряжение изгиба зубьев шестерни, выбирают наименьшее из
и
где
-
предел выносливости,
- для Н ≤ 350,
тогда для шестерни:
для колеса
-
коэффициент запаса прочности для зубчатых колес
;
(для
длительно работающих передач) - коэффициент долговечности, учитывающий влияние
ресурса,
-
коэффициент, учитывающий влияние шероховатости.
-
коэффициент, учитывающий влияние двустороннего приложения нагрузки (реверса).
При одностороннем приложении нагрузки
Тогда для шестерни:
для колеса
Подставляя найденные значение в
формулу
Принимаем стандартное значение модуля
m = 1.
Для дальнейших расчетов принимаем
модуль находящийся в диапазоне mmin и mmax
т.е. m = 2
Суммарное число зубьев
Число зубьев шестерни
Число зубьев колеса внешнего
зацепления:
Уточненные делительные диаметры
шестерни и колеса находим по формулам:
Проверим межосевое расстояние
передачи по зависимости:
мм
Диаметры окружностей вершин зубьев
шестерни и колеса определяем по зависимостям:
Диаметры окружностей впадин зубьев
шестерни и колеса:
Проверка зубьев колес по напряжениям
изгиба
Проверку выполняем согласно методике
предложенной в литературе /1/
в зубьях колеса
где
(для прямозубых
передач) – коэффициент, учитывающий перекрытие зубьев,
=1 –
коэффициент, учитывающий угол наклона зубьев в косозубой передачи:
-
коэффициент, учитывающий форму зуба и концентрацию напряжений,
-
окружная сила
Тогда
в зубьях шестерни
-
коэффициент, учитывающий форму зуба и концентрацию напряжений
Тогда
Условия напряжение изгиба
соблюдаются.
Заметим, что запас прочности превышает
30%, то это допустимо, т.к. нагрузочная способность большинства закрытых
зубчатых передач ограничивается контактной прочностью зубьев.
3.1 Ориентировочный расчет
Редукторный вал представляет собой ступенчатое цилиндрическое
тело, количество и размеры ступеней которого зависят от количества и размеров
установленных на вал деталей.
Проектный расчет ставит целью определить ориентировочно
геометрические размеры каждой ступени вала: ее диаметр d и длину l.
Эскиз быстроходного вала см. на рисунке 2.
Быстроходный вал
Рисунок 2
Под полумуфту:
,
где
-
крутящий момент на быстроходном валу.
[τ]k
= 15…20 МПа.
Принимаем
по
ГОСТ 6636-69
.
Принимаем
.
Под уплотнение крышки с отверстием и
подшипник:
,
где t = 3,5 мм – высота заплечика /1, с.42/.
Принимаем
по
ГОСТ 6636-69
.
Принимаем
Под шестерню:
,
где r = 2,5 мм /1, с.42/.
Принимаем
по
ГОСТ 6636-69
–
определим графически на эскизной компоновке.
Под подшипник:
Принимаем
Тихоходный вал
Эскиз
тихоходного вала см. на рисунке 3.
Рисунок 3
Под элемент открытой передачи:
,
где
-
крутящий момент на быстроходном валу.
Принимаем
по
ГОСТ 6636-69
[τ]k
= 15…20 МПа.
.
Принимаем
.
Под уплотнение крышки с отверстием и
подшипник:
,
где t = 4,6 мм /1, с.42/.
Принимаем
по
ГОСТ 6636-69
.
Принимаем
.
Под колесо:
,
где r = 3,5 мм /1, с.42/.
Принимаем
по
ГОСТ 6636-69
–
определим графически на эскизной компоновке.
Под подшипник:
Принимаем
3.2 Эскизная компоновка I этап.
1.
Намечаем
расположение проекций компоновки в соответствии с кинематической схемой привода
и наибольшими размерами колес.
2.
Проводим оси
проекций и осевые линии валов.
3.
Вычерчиваем
редукторную пару в соответствии с геометрическими параметрами, полученными в
результате проектного расчета.
4.
Для
предотвращения задевания поверхностей вращающихся колес за внутренние стенки
корпуса контур стенок проводим с зазором х =15 мм; такой же зазор
предусматривается между подшипниками и контуром стенок. Расстояние y между дном корпуса и поверхностью
колес принимаем у = 4х (60 мм).
5.
Вычерчиваем
ступени вала на соответствующих осях по размерам d и l, полученных в
проектном расчете валов.
6.
На 2-й и 4-й
ступенях вычерчиваем контуры подшипников по размерам d, D, В.
На быстроходном валу – радиальные шариковые однорядные типа
209 по ГОСТ 8338-75.
На тихоходном валу – радиальные шариковые однорядные типа 316
по ГОСТ 8338-75.
|
|
d
|
D
|
В
|
r
|
Cr
|
Cor
|
|
209
|
45
|
85
|
19
|
2,5
|
33,2
|
18,6
|
|
316
|
80
|
170
|
39
|
3,5
|
124
|
80
|
7.
Определяем расстояния
lБ и lТ между точками приложения реакций
подшипников быстроходного и тихоходного валов.
Для
радиальных подшипников точка приложения реакций лежит в средней плоскости
подшипника, а расстояние между реакциями опор вала:
.
8.
Определяем точки
приложения консольных сил:
Считаем, что в полумуфте точка приложения силы Fм находится в торцевой плоскости выходного конца
быстроходного вала на расстоянии lм
от точки приложения
реакций смежного подшипника.
Сила давления цепной передачи Fоп принять приложенной к середине выходного конца вала на
расстоянии lоп от точки приложения реакции смежного
подшипника.
9.
Проставляем на
проекциях эскизной компоновки необходимые размеры.
3.3 Определение
усилий в зацеплениях
T1=208,56 Hм – крутящий момент на тихоходном валу
T2=1133,14 Hм – крутящий момент на тихоходном валу
Окружная сила на среднем диаметре колеса:
Радиальная сила на колесе, равная радиальной силе на
шестерне:
где
–
стандартный угол,
;
Консольная нагрузка от шкива ременной
передачи на быстроходном валу:
Консольная нагрузка от муфты на
тихоходном валу:
3.4 Определение реакций в опорах
Эпюры быстроходного вала изображены
на рисунке 4.
Рисунок 4
1) Вертикальная плоскость:

Проверка:
1 сечение.
2 сечение.
2) Горизонтальная плоскость:


Проверка:
2 сечение.
3 сечение.
3) Строим эпюру суммарных моментов:
;
;
;
;
.
4) Определяем суммарные реакции опор:
Эпюры тихоходного вала изображены на
рисунке 5.
Рисунок 5
Вертикальная плоскость:

Проверка:
1 сечение.
2 сечение.
Горизонтальная плоскость:


Проверка:
1 сечение.
2 сечение.
3 сечение.
3) Строим эпюру суммарных моментов:
;
;
;
;
.
Определяем суммарные реакции опор:
3.5 Расчет подшипников
На быстроходном валу устанавливаем подшипники шариковые
радиальные однорядные по ГОСТ 8338-75 (106). (см. рисунок 6)
Рисунок 6
Так как
, то расчет подшипников будем производить по критерию
динамической грузоподъемности.
1. Определим эквивалентную динамическую нагрузку:
,
где
;
– коэффициент безопасности;
– при t < 100оС
2. Ресурс долговечности:
при 90% надежности;
для шарика
для шарика
Долговечность обеспечена.
На тихоходном валу устанавливаем подшипники шариковые
радиальные однорядные по ГОСТ 8338-75 (315). (см. рисунок 7)
Рисунок 7
Так как
, то расчет подшипников будем производить по критерию
динамической грузоподъемности.
1. Определим эквивалентную динамическую нагрузку:
,
где
;
– коэффициент безопасности;
– при t < 100оС
2. Ресурс долговечности:
при 90% надежности;
для шарика
для
шарика
Долговечность обеспечена.
4.
ОПИСАНИЕ ПРИНЯТОЙ
СИСТЕМЫ СМАЗКИ И ВЫБОР МАРКИ МАСЛА
Смазывание зубчатых зацеплений и подшипников применяют в
целях защиты от коррозии, снижения коэффициента трения, уменьшения износа,
отвода тепла и продуктов износа от трущихся поверхностей, снижения шума и
вибрации.
Смазывание зубчатого зацепления.
а) способ смазки:
Смазывание зубчатого зацепления производится окунанием
зубчатого колеса в масло, заливаемое внутрь корпуса до погружения колеса на всю
длину зуба. Колеса при вращении увлекают масло, разбрызгивая его внутри
корпуса. Масло попадает на внутренние стенки корпуса, откуда стекает в нижнюю
его часть. Внутри корпуса образуется взвесь частиц масла в воздухе, которая
покрывает поверхность расположенных внутри корпуса деталей. Картерное
смазывание применяют при окружной скорости зубчатых колес и червяков от 0,3
до12,5 м/с.
б) выбор сорта масла:
Выбор сорта масла зависит от значения расчетного контактного
напряжения в зубьях σН и фактической окружной скорости
колес V.
σН =480МПа
V = 1,16 м/с
По таблице определяем сорт масла: И-Г-А-68 ГОСТ 17479.4-87
68-класс
вязкости, И – индустриальное, Г – для гидравлических систем, А
– масло без присадок
в) определение уровня масла:
в цилиндрических редукторах должны быть полностью погружены в
масляную ванну зубья колеса
2·m < hм < 0,25d2
2·2 < hм < 0,25·578 = 144,5
г) контроль уровня масла:
для наблюдения за уровнем масла, находящегося в корпусе
редуктора выбираем жезловый маслоуказатель, т.к. он удобен для осмотра, его
конструкция проста и достаточно надежна.
д) слив масла:
При работе передач масло постепенно загрязняется продуктами
износа деталей передач. С течением времени оно стареет, свойства его
ухудшаются. Поэтому масло, налитое в корпус редуктора, периодически меняют. Для
этой цели в корпусе редуктора предусматривают сливное отверстие, закрываемое
пробкой (с цилиндрической резьбой).
е) отдушины:
При длительной работе в связи с нагревом масла и воздуха
повышается давление внутри корпуса. Это приводит к просачиванию масла через
уплотнения и стыки. Чтобы избежать этого, внутреннюю полость корпуса сообщают с
внешней средой путем установки отдушины в его верхних точках.
5. Проверочный расчет шпоночных
соединений на срез и на смятие
Подбор
шпоночных соединений был выполнен в процессе 1-го этапа эскизной компоновки.
Все шпонки призматические (ГОСТ 233360-78) (см. рисунок 8)
Шпонка испытывает напряжение смятия
боковых поверхностей (sсм) и напряжение среза (tср), которые
и необходимо рассчитать. Расчет носит проверочный характер.
Рисунок 8
где Т – крутящий момент на валу, Н×мм;
d – диаметр вала, мм;
t2 – глубина шпоночного паза cтупицы, мм;
lp – рабочая длина шпонки, мм; (за
вычетом закруглений)
рис. 14
b – ширина шпонки, мм;
-
допускаемое значение напряжения смятия боковых поверхностей шпонки.
-
допускаемое значение напряжения среза.
5.1 Выбор материала шпонок
Для всех шпонок выбираем качественную
углеродистую сталь марки 45.
Для шпонки из материала сталь 45 в
соответствии при посадке с натягом
=130¸200 МПа;
МПа;
5.2 Расчет шпоночных соединений на быстроходном валу
Подбираем шпонку под шкив по диаметру
вала d=38 мм по ГОСТ 23360-78:
Шпонка 10´8´32 ГОСТ 23360-78.
Т=208,56 Нмм
d=36 мм
h=8 мм
t2=3,3 мм
l=32 мм
;
МПа <
МПа.
;
tср=45,26 МПа < [tср]=78¸120 МПа;
Шпонка удовлетворяет проверочному
расчету.
5.3 Расчет шпоночных соединений на
тихоходном валу
Подбираем шпонки под колесо по
диаметру вала d=120 мм по ГОСТ 23360-78 Шпонка 32´18´90 ГОСТ 23360-78;
Т=1133,14 кН·мм
d=120 мм
h=18 мм
t2=5,4 мм
lp=90 мм
МПа;
МПа
<
МПа.
МПа;
tср=6,57 МПа < [tср]=78¸120 МПа;
Шпонка удовлетворяет проверочному
расчету.
5.4 Расчет шпоночных соединений под
полумуфту
Подбираем шпонки под полумуфту по
диаметру вала d=67 мм по ГОСТ 23360-78
Шпонка 20´12´70 ГОСТ 23360-78;
Т=1133,14 кН·мм
d=67мм
h=12 мм
t2=4,9 мм
lp=70 мм
МПа;
МПа
<
МПа.
МПа;
tср=24,16 МПа < [tср]=78¸120 МПа;
Шпонка удовлетворяет проверочному
расчету.
6.
Описание процесса сборки редуктора
Перед сборкой внутреннюю полость
корпуса редуктора тщательно очищают и покрывают маслостойкой краской.
Сборку производят в соответствии со
сборочным чертежом редуктора, начиная с узлов валов:
-на ведущем валу устанавливают
подшипники, предварительно нагретые в масле до 80-1000С, взаимное
расположение подшипников фиксируют установочной гайкой.
-в ведомый вал закладывают шпонку и
напрессовывают зубчатое колесо до упора в бурт вала; затем устанавливают
подшипники, предварительно нагретые в масле.
Собранные валы укладывают в основание
корпуса редуктора и надевают крышку корпуса, покрывая предварительно
поверхности стыка крышки и корпуса спиртовым лаком. Для центровки устанавливают
крышку на корпус с помощью двух конических штифтов, затягивают болты, крепящие
крышку к корпусу.
После этого на ведомый вал ставят
крышки подшипников с комплектом металлических прокладок для регулировки.
Проверяют проворачиванием валов
отсутствие заклинивания подшипников и закрепляют крышки винтами.
Затем ввёртывают пробку масло
спускного отверстия с прокладкой и жезловый маслоуказатель.
Заливают в корпус масло и закрывают
смотровое отверстие крышкой с прокладкой из технического картона; закрепляют
крышку болтами.
Собранный редуктор обкатывают и
подвергают испытанию на стенде по программе, устанавливаемой техническими
условиями.
7.
Подбор муфт
Для соединения выходных концов двигателя и быстроходного и
тихоходного валов редуктора применяем упругие втулочно-пальцевые муфты.
Основной характеристикой для выбора муфты является
номинальный вращающий момент Т, Нм, установленный
стандартом. Муфты выбирают по большему диаметру концов соединяемых валов и
расчетному моменту Тр, который должен быть в пределах
номинального:
Тр = КрТ1≤ Т
При разработке компоновочного чертежа для соединения
редуктора с двигателем ориентировочно была выбрана соединительная муфта:
Муфта упругая втулочно-пальцевая 500-42-I ГОСТ 21424-93
Выполняем проверку выбранной муфты.
Муфта является пригодной при выполнении условия:
Тмуфт>Трасч∙Kр, где
Тмуфт=500 Н∙м,
Трасч=Т1=208,56 Н∙м,
Kр – коэффициент режима нагрузки, Kр=1,25
Тмуфт=500 Н∙м >208,56∙1,25=260,7
Н∙м.
Условие выполняется, следовательно, выбранная муфта является
пригодной.
СПИСОК ИСПОЛЬЗОВАННОЙ ЛИТЕРАТУРЫ
1.
Дунаев П.Ф.,
Леликов О.П. Конструирование узлов и деталей машин: Учеб. пособие для техн.
спец. вузов. – 6-е изд., исп. – М.: Высш. шк., 2000. – 447 с., ил.
2.
Шейнблит А.Е.
Курсовое проектирование деталей машин: Учеб. пособие. Изд-е 2-е, перераб. и
дополн. – Калининград: Янтар. сказ, 2002. – 454 с.: ил., черт. – Б. ц.