Линейный усилитель
Введение
Аппаратура
систем передачи содержит большое число усилителей электрических сигналов.
Наиболее сложными являются линейные усилители, которые устанавливаются на
промежуточных усилительных пунктах и служат для компенсации затухания
прилегающих к усилительному пункту участков линии связи. Параметры линейных
усилителей в значительной степени определяют основные качественные показатели
системы передачи в целом.
Исходными
данными для проектирования линейных усилителей служат следующие основные параметры,
задаваемые в технических требованиях; рабочий диапазон частот, номинальное
усиление, входные и выходные сопротивления, затухание нелинейности,
нестабильное усиление и др.
Рабочий
диапазон частот линейных усилителей определяется линейным спектром системы
передачи. Так, в системе передачи К-60П линейный усилитель работает в диапазоне
12–125 кГц, в системе передачи К-120 усилитель в одном направлении работает в
диапазоне 60–552 кГц, а в другом – в диапазоне 812–1304 кГц (в задании в
учебных целях рассматривается не один, а два усилителя – для каждого
направления передачи).
Под
номинальным усилением усилителя S понимается: то усиление усилителя, которое соответствует
затуханию усилительного участка номинальной длины на верхней частоте рабочего
диапазона частот усилителя. В линейных усилителях предусмотрена установочная
регулировка усиления при отклонении длины усилительного участка от номинального
значения. Для этого в цепь общей ООС усилителя включен переменный удлинитель.
В технике
связи в качестве меры усиления усилителя пользуется значением величины его
рабочего усиления. При согласованных сопротивлениях
рабочее
усиление определяется по формуле:
, дБ
где
напряжение на выходе усилителя;
напряжение на входе усилителя.
Наличие
нелинейных искажений в линейных, усиливающих одновременно сигналы различных
каналов, приводит к тому, что паразитные нелинейные продукты могут попадать из
одних каналов в другие. Взаимные помехи каналов проявляются в этих случаях в
виде шума, мешающего качественной передаче.
Количественно
оценить нелинейные искажения, можно с помощью коэффициента нелинейных искажений
или коэффициента
затухания нелинейности а
по формуле а
=
20 lg
, Дб.
Примечание. В
каскадах предварительного усиления для унификации расчётов используются
транзисторы того же типа, что и в оконечном каскаде.
Обычно
наибольшее значение в усилителях имеют вторые и третьи гармоники основного
сигнала, поэтому в линейных усилителях величина затухания нелинейности задается
по второй и третьей гармоникам:
A2г=20lg 1/K2г, дБ; а3г=20lg 1 /K3u,дБ
где К2г и
К3г – коэффициенты нелинейных искажений по второй и третьей гармоникам.
Величина
нелинейных искажений нормируется обычно при выходной мощности усилителя, равной
мощности 1 мВт (при нулевом уровне на выходе); тогда затухание нелинейности по
второй гармонике обозначается а
, а по третьей а
.
Весьма
существенной является высокая стабильность величины и частотной зависимости
усиления усилителя во времени. Как известно, причинами нестабильности во
времени характеристик усилителя являются старение транзисторов, их замена,
изменение напряжения питания усилителя и температуры окружающей среды.
Нестабильность
усилителя
определяется по формуле
=20lg*(1+
), дБ.
Где
- изменение коэффициента усиления, отн. ед.;
- коэффициента усиления, отн. ед.
Входные и
выходные сопротивления линейных усилителей должны быть согласованны с
сопротивлениями подключаемых к ним цепей. Степень несогласованности входного
сопротивления усилителя
и сопротивления
источника
, а также выходного сопротивления
усилителя
и сопротивления нагрузки
определяется коэффициентом отражения
и
=
и
=
.
Требования к
коэффициенту отражении должны выполняться во всём рабочем диапазоне частот.
Собственные
помехи усилителя нормируются величиной допустимого уровня собственных помех,
приведённых ко входу усилителя Р
.Собственные помехи
усилителя, как правило, определяются входным каскадом, поэтому входной каскад
должен быть малошумящим и иметь возможно большие усиление по мощности.
Затухание
линии возрастает с повышением частоты и зависит от типа линии и длины участка.
Кроме того, затухание участков линии не остаётся постоянным во времени, а
изменяется при изменение внешних условий, воздействующих на параметры линии.
При этом
затухание на разных частотах изменяется различным образом, т.е. изменяется не
только его величина, но и форма частотной характеристики затухания. Для
подземных кабельных линий изменение внешних условий заключается в изменении
температуры почвы. Таким образом, линейный усилитель должен не только
компенсировать затухание прилегающего участка линии, но и корректировать
вносимые линией амплитудно-частотные искажения.
Цепь
отрицательной обратной связи (ООС) содержит: переменный удлинитель,
обеспечивающий частотно-независимое ручное регулирование усилителя под длину
усилительного участка, так называемое установочное усиление
;
частотно-зависимый
четырехполюсник с постоянными параметрами, обеспечивающий заданную
амплитудно-частотную характеристику, иначе называемый контуром начального
наклона (КНН);
частотно-зависимый
четырехполюсник с переменными параметрами, обеспечивающий плавную регулировку
усиления в соответствии с температурными изменениями затухания цепи (контур
автоматической регулировки АРУ).
Поскольку к
качественным показателям линейного усилителя предъявляются высокие требования,
это предопределяет использование в их схемах достаточно глубокой общей ООС,
которая организуется помощью дифференциальных систем на входе и выходе
усилителя (рис. 2).
Дифференциальные
системы представляют собой шестиполюсники мостового типа, позволяющие
реализовывать комбинированную обратную связь. Трансформаторная дифференциальная
система содержит дифференциальный (трёх обмоточный) трансформатор и балансное
сопротивление, которое является опорным при сбалансировании дифференциальной
системы. Так как выход цепи ООС и источника сигнала подключены к различным
диагоналям входной дифференциальной системы, а вход цепи ООС и сопротивление
нагрузки – к различным диагоналям выходной дифференциальной системы, при
изменение глубины ООС входное и выходное сопротивление усилителя практически не
будет меняться.
Использование
глубокой ООС, вводимой с помощью дифференциальных трансформаторов, позволяет
помимо всего согласовывать входное и выходное сопротивления усилителя с
сопротивлениями внешних цепей.
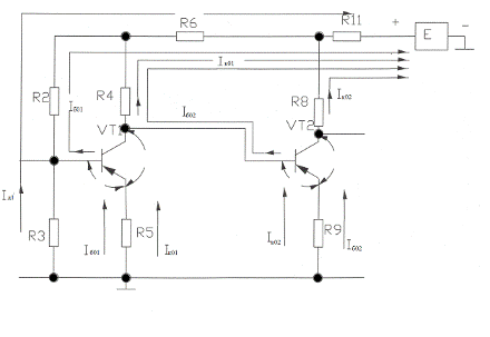
1. Обоснование
выбора структурной схемы усилителя
Структурная
схема линейного усилителя представлена на рис. В качестве входного и выходного
устройства линейного усилителя используются трансформаторные дифференциальные
системы.
Оконечный
каскад (ОК) усилителя обеспечивает заданную мощность сигнала в нагрузке при
допустимых, с учетом действия ООС, нелинейных искажений.
Достаточная
величина тока (напряжения) сигнала, необходимого для управления оконечным
каскадом, обеспечивается каскадами предварительного усиления (КПУ).
Значения
качественных показателей (затухания нелинейности, нестабильность и т.д.).
Определяются максимальной глубиной ООС, которая охватывает все каскады
усиления.
В цепь общей
ООС для компенсации затухания усилительного участка и коррекции вносимых линий
амплитудно–частотных
Искажений
включаются: переменный удлинитель (дБ); контур начального наклона (КНН), контур
автоматической регулировки (АРУ). Источником сигнала и нагрузки служит линия
связи.
2. Ориентировочный
расчет числа каскадов усиления
Число
каскадов усиления определяется из формулы
N =
=
=3;
где S без ос – усиление усилителя без
обратной связи дБ;
S
без ос = S + Aос = 40 +
20 =60;
где S = 40 дБ; S номинальное усиление
усилителя по таблице;
Aос – глубина ООС,
выбирается в пределах 20–30 дБ; берем значение Aос=20, Sкаск – усиление одного
каскада, выбирается в пределах 20–25 дБ. Берем значение Sкаск =20, N=3.
Выбираем 3
каскада.
3. Обоснование
выбора принципиальной схемы усилителя
Принципиальная
схема простейшего трехкаскадного линейного усилителя, составленного согласно
описанной ранее структурной схеме, приведена на рис. Усилитель состоит из трех
каскадов по схеме с ОЭ на транзисторах V1, V2, V3. Ток покоя каждого
каскада стабилизируется с помощью эмиттерных схем стабилизации. Между первым и
вторым каскадом связь непосредственная, между вторым и третьим – осуществляется
через разделительный конденсатор C8.
Отсутствие
делителя напряжения и разделительного конденсатора на входе второго каскада
дает экономию количества элементов схемы и некоторую экономию тока питания,
кроме того, отсутствие разделительного конденсатора снижает амплитудно-частотные
искажения на низких частотах.
Однако
использование непосредственной связи имеет недостаток – требуется большее
напряжение питания. Так как для второго каскада делителем напряжения служит
первый каскад, все колебания режима первого каскада вызывают колебания режима
второго. Поэтому в этой схеме важна особенно стабилизация режима первого
каскада.
Для
ослабления паразитной обратной связи между каскадами через общий источник
питания цепь питания содержит фильтрующие цепи R6, C3, R1, C5. Входные и выходные
устройства усилителя выполнены на дифференциальных трансформаторах Т1, Т2.
Резисторы R1,
R16 – балансные. В
усилителе применена общая ООС, организуемая с помощью входного и выходного
устройств. В пассивной части цепи ООС включены контур АРУ, КНН и переменный
удлинитель R7,
R10, R12. По входу и выходу
имеет место комбинированная ООС. Обратная связь осуществляется только по
переменному току, поэтому на входе и выходе цепи ООС установлены разделительные
конденсаторы C2,
C11.
Конденсаторы C1, C7, C10 создают, путь
высокочастотного обхода пассивной части петли ООС и предотвращает возможность
самовозбуждения усилителя за пределами его рабочего диапазона частот.
4. Расчет
оконечного каскада
Оконечный
каскад обеспечивает получение заданной мощности сигнала в нагрузке, при этом он
должен вносить допустимые нелинейные искажения. В линейных усилителях
аппаратуры систем передачи используются однотактные трансформаторные оконечные
каскады с включением транзистора по схеме с ОЭ. Усилительный элемент
(транзистор) в таких каскадах работает в режиме А, что позволяет получить
сравнительно небольшие нелинейные искажения.
Тип
транзистора оконечного каскада выбирается по максимальной допустимой рассеиваемой
мощности коллектора Рk max и граничной частоте
коэффициента передачи тока fгр в схеме с ОЭ. При этом должны выполняться
условия: fгр ≥(40÷100) fв; Рк мах ≥(4÷5) Рн,
где Рн – мощность, отдаваемая в нагрузку.
fгр ≥ 80*552 = 4416 кГц;
Рк мах ≥ 5*45 = 225 мВт.
Параметры
транзистора ГТ312А
|
Структура транзистора
|
n-p-n
|
|
Граничная частота
коэффициента передачи тока в схеме с ОЭ ƒгр, МГц
|
80
|
|
Максимально допустимая
постоянная рассеиваемая мощность коллектора P к max, мВт
|
225
|
|
Коэффициент передачи
тока биполярного транзистора в режиме малого сигнала в схеме с ОЭ: h21э
min
|
10
|
|
h21э max
|
10
|
|
Максимально допустимое
постоянное напряжение коллектор – эмиттер Uкэ mах, В
|
20
|
|
Максимально допустимый
постоянный ток коллектора I k max, мA
|
|
Объемное сопротивление
базы на высоких частотах rб', Oм
|
100
|
Из
проведенных расчетов выбирается транзистор типа ГТ312А.
Определяется
рабочая область характеристики транзистора. Для этого на выходных
характеристиках транзистора строится характеристика максимально допустимой
мощности рассеяния:
Iк1 =
=
= 45 мA
Iк2 =
= 22,5 мA
Iк3 =
= 15 мA
Iк4 =
= 11,25 мA
Для
построения этой характеристики задается значения Uкэ для транзистора ГТ312А от
5 В до 25 В.
На оси
напряжений отмечаются эти значения и восстанавливаются перпендикуляры до
пересечения с соответствующим каждому значению Uкэ току Iк. Затем полученные точки
соединяются плавной линией, (Рис. 3.) далее проводятся линии,
соответствующие Uкэ мах и Uост. Значение Uост определяется графически, для этого опускается на
ось напряжений перпендикуляр из точки перегиба верхней вольт – амперной
характеристики.
Определение
рабочей области характеристик транзистора ГТ312А
Определяется
напряжение покоя транзистора по максимально допустимому напряжению Uкэ мах:
Uко ≤
=
= 10,63
≈ 11B;
Определяется
мощность, отдаваемая транзистором с учетом заданного КПД трансформатора ηтр
= 0,9:
Р'~ =
=
= 50
мВт;
Определяется
мощность рассеяния на коллекторе транзистора:
Рко
=
=
= 138,9
мВт;
где ηА
– максимальный КПД каскада в режиме А, принимается равным 0,4;
ηос
– коэффициент, учитывающий потери мощности сигнала в цепи обратной связи,
принимается равным 0,9;
Ток покоя
рассчитывается, исходя из мощности рассеяния на коллекторе транзистора:
Iко =
=
= 12,6
мА;
На семействе
выходных характеристик транзистора (Рис. 4.) отмечаются выбранные Uко, Iко и определяется
соответствующей точке покоя ток базы Iбо (входной ток) Полученное значение Iбо отмечается на входной
характеристике и определяется соответствующее ему напряжение смещения Uбо.
Uко = 11 В;
Iко = 12,6 мА
Iбо = 0,22 мА;
Uбо = 0,4 В;
Определяется
амплитуда напряжения выходного сигнала:
Uкm ≤ Uко - Uост = 11 – 1,25 = 9,75 В;
Определяется
амплитуда тока выходного сигнала:
Iкm =
=
= 10,26
мА;
Строится
нагрузочная прямая переменного тока. Для этого на семействе выходных
характеристик транзистора от координаты точки покоя на оси токов вниз
откладывается амплитуда тока Iкм, а от координаты точки покоя вправо – амплитуда
напряжения Uкм. Пересечением уравнений Iко – Iкм и Uко + Uкм определяется точка М. Через точку М и точку
покоя проводим нагрузочную прямую переменного тока.
Iко – Iкm = 12,6 – 10,26 = 2,34
мА;
Uко + Uкm = 11 + 9.75 = 20,75 ≈
21 В;
На семействе
выходных характеристик транзистора отмечается точка N на нагрузочной прямой
переменного тока, соответствующая пересечению уровня Uост и нагрузочной прямой.
Определяется
соответствующий точкам M и N входной ток. Точке М будет соответствовать минимальный
входной ток Iбmin, а точке N – Iб max максимальный.
Iбmin = 0, 08 мА;
Iб max = 0,5 мА;
Определяется
амплитуда тока входного сигнала:
Iбm =
=
=
0,23 мА;
Определяется
мощность, отдаваемая транзистором в выбранном режиме:
Р~ =
=
=
50,1 мВт;
Сравниваются
полученная величина Р~ с Р'~. Условие
соблюдается:
Р~ ≥
Р'~ = 50,1 мВт ≥ 50 мВт
На входной
характеристике транзистора отмечаются токи Iб max, Iбо, Iбmin, и определяется
соответствующие этим токам значения входного напряжения.
Uбэ мах = 0,6 В;
Uбэ min =0,38 В;
Определяется
амплитуда напряжения входного сигнала:
Uбm =
=
= 0,14 В;
Определяется
коэффициент усиления по напряжению:
К =
=
= 69,6
≈ 70 раз;
Определяется
входное сопротивление транзистора:
Rвх =
=
= 608
Ом;
Определяется
сопротивление нагрузки выходной цепи:
R~ =
=
= 950
Ом;
Определяется
мощность, потребляемая выходной цепью транзистора от источника питания:
Р
= Iко * Uко = 12,6 *11= 138,6 мВт;
Определяется
фактический коэффициент полезного действия выходной цепи:
ηф
=
=
=
0,36;
Входная характеристика
транзистора ГТ312А
Таблица 1
|
Nкаск
|
Uко3, В
|
Iко3, mА
|
Uбо3, В
|
Iбо3, mА
|
К3
|
Rвх 3, Ом
|
R~ 3, Ом
|
|
3
|
11
|
12,6
|
0,42
|
0,22
|
70
|
608
|
950
|
0,36
|
5. Расчет
элементов схемы по постоянному току
Расчет
начинается оконечного каскада. Для удовлетворительной стабилизации точки покоя
в оконечном каскаде определяется ток делителя третьего каскада:
Iд3 = (5 ÷ 10) Iбо3 = 6 * 0,22 = 1,32 мА;
Напряжение на
резисторе в цепи эмиттера третьего каскада составит:
UR15 = (5÷10) U бо3 = 6 * 0,42 =2,52 В;
Расчёт
оконечного каскада по постоянному току
Определяется
сопротивление резистора в цепи эмиттера третьего каскада:
R15 =
=
= 196,6 ≈ 200 Ом;
Определяем
мощность резистора в цепи эмиттера третьего каскада:
Р R15= (Iко3 + Iбо3)* UR15= (12,6 + 0,22) * 2,52
= 32,3 мВт;
Определяется
напряжение источника питания:
Е = UR15 + U ко3 + Iко3* R16 = 2,52 +11 +12,6 * 10
* 200= 16,04 ≈ 16 В;
где
R16≈ (1/5) R~ = 0,2 * 950 = 191 ≈
200 Ом;
Напряжение на
резисторе в цепи эмиттера третьего каскада:
UR15 = (Iко3 + Iбо3)* R15 = (12,6 *10-3
+ 0,22 * 10-3) * 200 = 2,5 В;
Определяем
мощность резистора в цепи эмиттера третьего каскада:
Р R16 = Iко32 *R 16 = 12,62 * 200 =
31752 мВт ≈ 31,8 Вт;
Определяется
сопротивление резисторов делителя смещения:
R13 =
=
=
8592 Ом ≈ 9,1 кОм
Определяем
мощность резистора в цепи эмиттера третьего каскада:
РR13 =(Iд3 + Iбо3)*(E–Uбо3–UR15)=(1,32+0,22)*(16–0,42–2,5)=20,1 мВт;
Сопротивление
на резисторе в цепи эмиттера третьего каскада:
R14 =
=
= 2212 ≈2,2 кОм;
Определяем
мощность резистора в цепи эмиттера третьего каскада:
Р R14 = Iд3 * (Uбо3 + UR15) = 1,32 * (0,42 + 2,52) = 3,9
мВт;
Прежде чем
перейти к расчету каскадов предварительного усиления, наносятся заданные
координаты точки покоя первого и второго каскадов предварительного усиления на
выходные характеристики транзистора, определили U бо, Iбо.
Таблица 2
|
Номер каскада
|
Uко1, В
|
Iко1, мА
|
Uбо1, В
|
Iбо1, мА
|
|
1
|
3
|
2
|
0,32
|
0,04
|
|
Номер каскада
|
Uко2, В
|
Iко2, мА
|
Uбо2, В
|
Iбо2, мА
|
|
2
|
4
|
3
|
0,36
|
0,05
|
Режим работы
каскадов предварительного усиления определяется условием получения
максимального усиления, а во входном каскаде – условием получения максимальной
помехозащищенности.
Для расчета
каскадов предварительного усиления задается напряжение на резисторах UR6 = UR11 = 1В.

Расчёт
каскадов предварительного усиления по постоянному току
Ток делителя
первого каскада составит:
Iд 1 = (5 ÷ 10) Iбо 1 = 5 * 0,04 = 0,2 мА;
Напряжение на
резисторе в цепи эмиттера первого каскада составит:
UR5 = (5 ÷ 10) U бо 1 = 5*0,32 = 1,6 В;
Определяем
мощность резистора в цепи коллектора первого каскада:
Р R5 = (Iбо 1 + Iко 1) * UR5 = (0,04 + 2) * 1,6 = 3,3 мВт;
Определяется
сопротивление резистора в цепи коллектора первого каскада:
Определяется
сопротивление резистора в цепи коллектора первого каскада:
R4 =
=
= 4563 ≈ 4,7 кОм;
Определяем
мощность резистора в цепи коллектора первого каскада:
РR4 =(Iбо 2+Iко 1)*(E–UR6-UR11–UR5)=(0,05+2)*(16–1–1–3–1,6)
= 19,27 мВт;
Определятся
сопротивление резисторов делителя смещения первого каскада:
R2 =
=
= 50333 ≈ 51 кОм;
Определяем
мощность резистора делителя смещения первого каскада:
Р R2 = (Iд1+ Iбо 1) * (E – UR6 – UR11 – Uбо1 – UR5) = (0,2 +
0,04) * (16 -1 – 1 – 0,32 – 1,6) = 2,9 мВт
Определятся
сопротивление резисторов делителя смещения первого каскада:
R3 =
=
= 9600 ≈ 10 кОм;
Определяем
мощность резистора делителя смещения первого каскада:
Р R3 = Iд1 * UR3 = 0,2 * (0,32
+ 1,6) = 0,4 мВт;
Определяется
сопротивление резистора в цепи эмиттера второго каскада:
R9 =
=
=1390 ≈ 1,5 кОм;
Определятся
напряжение резистора в цепи коллектора второго каскада:
UR9 = (
+
) * R9 = (
) * 1390 = 4,3 В;
Определяем
мощность резистора в цепи коллектора второго каскада:
Р R9 = (
) * UR9 = (
) * 4,3 = 13 мВт;
Определяется
сопротивление резистора в цепи коллектора второго каскада:
R8 =
=
= 2233 ≈ 2,2 кОм;
Определяем
мощность резистора в цепи коллектора второго каскада:
Р R8=
* (Е – UR11 – UR9 – Uко2) = 3 * (16 – 1 – 4,3 – 4) = 20 мВт;
Определяется
сопротивление резисторов фильтрующих цепей:
R6=
=
= 437≈ 470 Ом
Определяем
мощность резистора в цепи коллектора второго каскада:
Р R6= (
)
* UR6 = (
) * 1 = 2,3 мВт;
Определяется
сопротивление резисторов фильтрующих цепей:
R11
=
=
=189≈200 Ом
Определяем
мощность резистора в цепи коллектора второго каскада:
Р R11= (Iд 1 + Iко 1 +
Iбо 1 + Iбо 2 + Iко 2) * UR11=(
) * 1= 5,29 мВт;
Перечень
элементов схемы
|
Номер позиции
|
Наименование
|
Кол-во
|
Примечание
|
|
Т1
|
Трансформатор
|
1
|
|
|
Т2
|
Трансформатор
|
1
|
|
|
VT1
|
Транзистор ГТ312А
|
1
|
|
|
VT2
|
Транзистор ГТ312А
|
1
|
|
|
VT3
|
Транзистор ГТ312А
|
1
|
|
|
C
|
Конденсатор
|
11
|
|
|
R2
|
МЛТ 0,122 51 кОм ±5%
|
1
|
|
|
R3
|
МЛТ 0,122 10 кОм ±5%
|
1
|
|
|
R4
|
МЛТ 0,122 4,7 кОм ±5%
|
1
|
|
|
R5
|
МЛТ 0,122 820 Ом ±5%
|
1
|
|
|
R6
|
МЛТ 0,122 470 Ом ±5%
|
1
|
|
|
R7
|
МЛТ 0,122 200 Ом ±5%
|
|
|
R8
|
МЛТ 0,122 2,2 кОм ±5%
|
1
|
|
|
R9
|
МЛТ 0,122 1,5 кОм ±5%
|
1
|
|
|
R10
|
МЛТ 0,122 20 Ом ±5%
|
1
|
|
|
R11
|
МЛТ 0,122 200 Ом ±5%
|
1
|
|
|
R12
|
МЛТ 0,122 200 Ом ±5%
|
1
|
|
|
R13
|
МЛТ 0,122 9,1кОм ±5%
|
1
|
|
|
R14
|
МЛТ 0,122 2,2 кОм ±5%
|
1
|
|
|
R15
|
МЛТ 0,122 200 Ом ±5%
|
1
|
|
|
R16
|
МЛТ 0,122 200 Ом ±5%
|
1
|
|
6. Расчет
глубины общей отрицательной обратной связи (ООС)
Введение в
усилитель цепи ООС позволяет улучшить качественные показатели усилителя:
уменьшить нелинейные искажения, увеличить стабильность коэффициента усиления,
уменьшить коэффициент отражения и т.д.
1.
Определяется глубина ООС по допустимым нелинейным искажениям, для чего
определяется величина затухания нелинейности по второй и третьей гармоникам а2г,
а3г в зависимости от коэффициента полезного действия выходной
цепи оконечного каскада (без обратной связи).
Так как в
задании на курсовой проект затухания по второй и третьей гармоникам заданы при
выходной мощности усилителя, равной 1 мВт (при нулевом выходном уровне), то
затухания нелинейности а2г, а3г следует также привести к
нулевому выходному уровню по формулам:
а'2го =
а2г + 10 lg* (Pн/1мВт) =30 + 16,5= 46,5 дБ;
а'3го =
а3г + 20 lg* (Pн/1мВт) = 34,7 + 33 = 67,8 дБ;
Таблица 3
Для
обеспечения заданных величин затухания нелинейности а2г и а3г
(с обратной связью) глубина ООС должна удовлетворять условиям:
Аос1≥
а2го - а'2го = 70 –46,5 = 23,5 дБ;
Аос2≥
а3го - а'3го = 85 –67,8 = 17,2 дБ;
где Аос1,
Аос2 – глубина ООС в дБ.
2.
Определяется глубина ООС, исходя из допустимой нестабильности усиления.
Нестабильность усиления каскада без обратной связи вызвана, главным образом,
усилительного элемента и определяется опытным путем.
При
проектировании усилителя можно принять для одного каскада ∆К/К = 0,15.
Так как нестабильность усиления ΔSt (с обратной связью)
задана в децибелах, то в относительных единицах:
∆К/К =
100,05 ΔSt - 1 = 100,05*0,8 -
1 = 1,096 – 1 = 0,096
Таким
образом, глубина ООС определяется по формуле:
Аос3 ≥
20 lg
= 8,63 дБ;
где N – число каскадов
усиления;
∆St – заданная величина
нестабильности усиления дБ;
0,15 –
средняя нестабильность усиления в усилительном каскаде без обратной связи.
3.
Определяется глубина ООС, исходя из допустимого коэффициента отражения. Наличие
реактивных элементов во входной и выходной дифференциальных системах
обусловливает неравномерность согласования усилителя с внешними цепями по
частоте. В усилителе рассматриваемой структуры коэффициент отражение достигает
наибольших значений на крайних частотах рабочего диапазона. Таким образом,
максимально возможный коэффициент отражения на средней частоте, значение
которого должно быть обеспечено при выборе глубины ООС, определяется по формуле:
δср =
0,5δ = 0,5 * 0,09 = 0,045;
где δ – заданный
коэффициент отражения на входе и выходе усилителя.
Глубина ООС
определяется по формуле:
Аос4 ≥
20 lg
= 20 lg*
=
30,5 дБ;
4. Выбирается
глубина ООС усилителя. Величину Аос принимается равной наибольшей из
полученных четырёх значений Аос1, Аос2, Аос3,
Аос4. Выбранное значение А ос4= 30,5 для дальнейших
расчетов переводим из децибел в относительные единицы по формуле:
F = 100.05 Аос4 =
100,05*30,5= 33,8;
где F – глубина ООС в
относительных единицах.
7. Проверочный
расчет коэффициента усиления усилителя по напряжению
Определяется
входное сопротивление R вх транзистора первого и второго каскадов, h21э берем равным 10
R вх тр1 = r'б+
= 100 +
= 1400
Ом;
R вх тр2 = r'б+
= 50 + 26*
=
967 Ом;
Таблица 4
|
Номер каскада
|
h21э
min
|
R вх 1,
Ом
|
|
1
|
10
|
|
Номер каскада
|
h21э
min
|
R вх 2,
Ом
|
|
2
|
10
|
967
|
Определяется
сопротивление нагрузки переменному току второго каскада:
R~2 =
=
=
=
=
=
464 Ом;
где
Rд3 =
=
=
=
1772 Ом;
Определяется
коэффициент усиления по напряжению второго каскада:
К 2 =
=
= 5;
Определяется
коэффициент усиления по напряжению первого каскада:
К 1=
=
=
33,6;
Определяется
коэффициент усиления по напряжению усилителя без учета ООС:
К' = К1*К2*К3 =
33,6*5*70 = 11725
Определяется
фактический коэффициент усиления по напряжению усилителя с учетом ООС:
Кф
=
=
= 300;
где 1,2 –
коэффициент запаса, учитывающий разброс параметров элементов схемы:
F – глубина общей
отрицательной обратной связи, в относительных единицах
Сравнивается
фактический коэффициент усиления усилителя с заданной величиной S, которую перевели из
децибел в относительные единицы: К = 100,05 * S = 100,05 * 40 =
100;
Полученное
фактическое значение коэффициента усиления соответствует заданному, т.е. 300 >
100, Кф > К в 3 раз.
Вводим
местную ООС во второй каскад. В этом случае сопротивление в цепи эмиттера
второго каскада будет состоять из двух последовательно соединенных резисторов R’
и R’
.
При введение
местной обратной связи в третий каскад
Fм=Fм2+Fм3
где Fм2, Fм3 – глубина местной
обратной связи во втором и третьем каскаде.
8. Расчет
удлинителя в цепи общей ООС
Определяется коэффициент
передачи цеп общей ООС по формуле:
β =
=
=0,1;
где
коэффициент в числителе определяется схемой и параметрами входного и выходного
устройства; К – заданный коэффициент усиления по напряжению усилителя, в
относительных единицах.
Определяется
сопротивления резисторов R10, R7 = R12 Т – образного удлинителя:
R7 = R12 = Rс *
= 200*
=
198; ≈ 200 Ом;
R10 = Rс*
=
200*
=19,8 ≈20 Ом;
где Rс – характеристическое
сопротивление удлинителя.
9. Заключение
по результатам расчетов
Мы выбрали
транзистор ГТ312А со структурой типа n-p-n, произвели соответствующие расчеты усилителя и получили ожидаемое
усиление.
Число
каскадов = 3.
|
fгр мГц
|
Рк мах
|
Uбо3
|
Iбо3
|
К3
|
Rвх 3
|
R~ 3,=
|
ηф
|
|
44,1
|
225 мВт
|
0,42 В
|
0,22 мА
|
70
|
608 Ом
|
950 Ом
|
0,36
|
Сравнив К
и заданный К я получила отношение в 3
раза. Поэтому ввёла местную ООС во втором каскаде.
Использованная
литература
1. Электронные усилители.
Методическая разработка для выполнения контрольных работ, курсового и
дипломного проектов для учащихся ВЗТС и заочных отделений техникумов связи. –
М.: Радио и связь, 1982.
2. Мурадян А.Г., Разумихин В.М.,
Творецкий М.С. Усилительные устройства. – М.: Связь, 1976.
3. Цыкина А.В. Усилители.
Учебное пособие. – М.: Радио и связь, 1982.
4. Основные правила
выполнения схем и графиков. – М.: Связь, 1976.
5. Дипломное
проектирование. Методические указания для дипломного проектирования. – М.:
Радио и связь, 1983.
6. Л.М. Невдяев.
Телекоммуникационные технологии. Москва 2002.