Расчет пылеуловительной установки

  • Вид работы:
    Практическое задание
  • Предмет:
    Технология машиностроения
  • Язык:
    Русский
    ,
    Формат файла:
    MS Word
    124,42 kb
  • Опубликовано:
    2010-04-18
Вы можете узнать стоимость помощи в написании студенческой работы.
Помощь в написании работы, которую точно примут!

Расчет пылеуловительной установки

Кафедра «Промышленная теплоэнергетика»










Расчетно-графическая работа №1

Расчет пылеуловительной установки

Студент группы 05-ПТЭ

Тимошенко О.С.

Преподаватель, к.т.н., доц.

Лагерева Э.А.








Брянск 2009

Задание

Рассчитать пылеуловительную установку для очистки воздушного потока, состоящую из прямоточного циклона и батарейного циклона.

Исходные данные:

Параметры запыленного газа:

Расход ,

Запыленность ,

Плотность

Динамическая вязкость

Фракционный состав частиц:

;

Плотность частиц: .

Расчет установки с батарейным циклоном

1. Определяем расход газа, при котором обеспечиваются оптимальные условия работы циклонного элемента

, где

D - внутренней диаметр элемента (250 мм),

wопт. - оптимальная скорость потока в элементе (wопт.=4,5м/с).

2. Определяется число циклонных элементов, необходимых для оптимальных условий работы батарейного циклона


Принимаем число циклонных элементов n=60 и ставим 2 параллельно включённых циклона ЦБ – 254Р.

3. Определяется действительная скорость в элементе

.

4. Рассчитываются потери давления в батарейном циклоне

.

 - коэффициент сопротивления циклона ЦБ – 254Р, =90.

5. Определяем коэффициент очистки газа в циклоне

, где

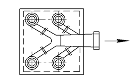
dт50, lg - технические характеристики циклона; тип элемента – винт (рис.4.)

dт50=4,5 мкм;, lg=0,46


Для х=1,03 - функция Гаусса Ф(х)=0,8461.

.

Расчет установки с циклоном НИИОГаз

1. Расчет ведем на основе цилиндрического циклона типа ЦН-15

2. Оптимальная скорость газа в элементе ,

Рекомендуемый диапазон диаметров циклона: D=800; 900; 1000; 1200; 1400; 1600; 1800; 2000 мм,

Коэффициент гидравлического сопротивления диаметром 500 мм:

.

3. Вычисляем диаметр циклона:

;

Принимаем 4 параллельно включенных циклона D=1600 мм

Определяем действительную скорость движения газа в циклоне:

;

Действительная скорость газа в циклоне не должна отличаться от оптимальной более чем на 10%.

,

поэтому устанавливаем четыре циклона диаметром 1600 мм.

Потеря давления в группе циклонов определяется по формуле:

,

где ,

к1 – поправочный коэффициент на влияние диаметра циклона; к1=1 если D>500мм

к2 – поправочный коэффициент на запыленность газа, к2=0,925

к3 – коэффициент учета дополнительных потерь давления при компоновке циклонов в группу, к3=35.

; ;

7. Определяем коэффициент очистки запыленного воздушного потока:

7.1 Рассчитываем диаметр частиц, улавливаемых в циклоне со степенью очистки :

7.2 Рассчитываем вспомогательный параметр х:


7.3 Определяем нормированное значение функции Гаусса:

Ф(х)=0,7881

7.4 коэффициент очистки запыленного воздушного потока:


Результаты электронного расчета пылеуловительной установки

Тип циклона

Диаметр, мм

Количество

Потери давления, кПа

Коэффициент очистки

ЦН-15

1600

4

1,5

0,903

ЦН-15У

1600

2

1,7

0,881

ЦН-24

1400

4

1,6

0,863


Рис. 1. Схема цилиндрического циклона типа ЦН-15

Рис.2. Схема компоновки циклонов ЦН-15

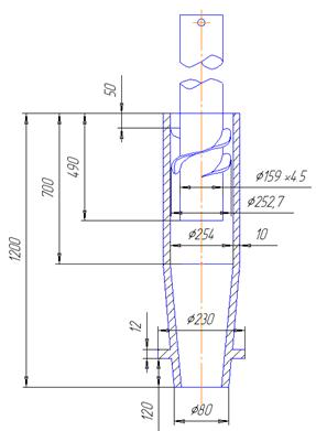
Рис.3. Блок циклонов типа ЦБ – 254Р.

Рис.4. Циклонные элементы батарейных циклонов с направляющим аппаратом типа «винт».

Похожие работы на - Расчет пылеуловительной установки

 

Не нашли материал для своей работы?
Поможем написать уникальную работу
Без плагиата!
Без нейросетей!